??????.??????? 3
СЦБИСТ - железнодорожный форум, блоги, фотогалерея, социальная сеть

Войти через ВКонтакте и др.!

Закладки Дневники Сообщество Комментарии к фото Сообщения за день


3.5.   Установка газового пожаротушения (УГП)

Установка газового пожаротушения (УГП) предназначена для объемного тушения пожара в пультах управления электрооборудова­нием пассажирских вагонов.

Установка обеспечивает работу в автоматическом режиме по сиг­налу «Пожар» от УПС-Т или аналогичной установки.

Далее в тексте приняты следующие обозначения:

      БУП — блок управления пожаротушением;

      генератор — генератор огнегасящей смеси ГОД 15—30;

      ПДП — пост дистанционного пуска;

      ПУВ — пульт управления вагона;

     УПС-Т — установка пожарной сигнализации транспортного ти­па;

      ЗИП — комплект запасных частей;

      установка — установка газового пожаротушения (УГП).

Установка обеспечивает тушение пожара в ПУВ с объемом огне-

о

тушашей смеси до 0,8 м с коэффициентом герметичности до 0,97 в течение 30 с и имеет 100%-ный запас огнетушащей смеси (II очередь) для дотушивания повторных возгораний.

Пуск I очереди осуществляется двумя способами:

      автоматически с задержкой 5—10 с;

      вручную с БУП или с ПДП.

Пуск II очереди — вручную с БУП и ПДП.

Установка обеспечивает: дежурный режим работы со световой ин­дикацией ДЕЖУРСТВО; отключение автоматического пуска установ­ки со световой индикацией АВТОПУСК ОТКЛ; световую индика­цию ПОЖАР при поступлении сигнала от УПС-Т; контроль состоя­ния цепей пиропатронов генераторов со световой индикацией НЕТ ЦЕПИ и указанием номера генератора при обрыве цепи пиропатрона; контроль готовности к работе со световой индикацией ГОТОВ­НОСТЬ I и II ОЧЕРЕДИ; световую индикацию пуска I и II очереди; непрерывную световую сигнализацию об обрыве цепи пиропатрона; ручное отключение звукового сигнала и автоматическое его возоб­новление при поступлении следующего сигнала об обрыве; возмож­ность ручной проверки работоспособности установки со световой индикацией ПРОВЕРКА при нахождении установки в данном режи­ме.

Напряжение питания от вагонных источников постоянного вып­рямленного напряжения: 50 (-15; +20) В; потребляемая мощность в дежурном режиме — не более 15 Вт, в режиме пуска — 250 Вт; на­значенный срок службы установки —16 лет. Она сохраняет свою ра­ботоспособность при температуре окружающего воздуха от -50 до +50 °С и относительной влажности окружающей среды до 98% при температуре +25 °С.

Тушащая композиция СТК-24МФ генератора относится к IV клас­су малоопасных веществ.

Установка обеспечивает тушение пожара в защищаемом ПУВ за счет заполнения его объема огнегасящей аэрозольной смесью. Аэро­зольная смесь образуется в генераторах, входящих в состав устано­вок, при сгорании самоактивирующейся тушащей композиции.

Установка состоит из четырех генераторов (рис. 3.1), размещен­ных в нижней части защищаемого ПУВ. Необходимая для тушения пожара концентрация аэрозольной смеси обеспечивается двумя ге­нераторами, работающими одновременно. Два других генератора яв­ляются резервом, запускаются в случае необходимости при повтор­ном возгорании.

Основные генераторы составляют I очередь пожаротушения, ре­зервные — II

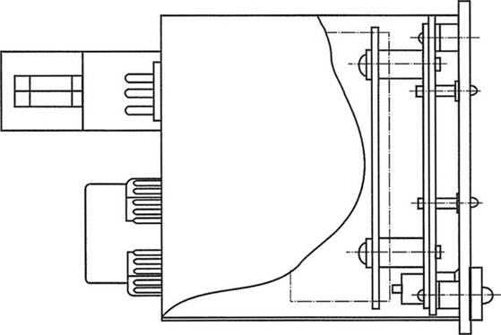
БУП (рис. 3.2) представляет собой электронный блок в металли­ческом корпусе, устанавливаемый в пульт или на любую вертикаль­ную поверхность.

Электрическое соединение с другими изделиями обеспечивается с помощью разъема, расположенного на задней панели БУП. Элементы индикации и управления размещены на передней и задней панелях.

На задней панели (рис. 3.2, а) расположены: тумблер режима ра­боты — ДЕЖУРСТВО ОТКЛ. ПРОВЕРКА; держатели плавких вста­вок цепей питания — ПИТАНИЕ; держатель плавкой вставки конт­роля пуска.

 

3


 

Рис. 3.1. Генератор установки газового пожаротушения


 

Рис. 3.2. Блок управления пожаротушением: азадняя панель


 

На лицевой панели (рис. 3.2, б) размещены: зеленые светодиоды работы — ДЕЖУРСТВО и ПРОВЕРКА; зеленый индикатор отклю­чения автоматического режима — АВТОПУСК ОТКЛ; тумблер включения автоматического режима — АВТОПУСК; красный све­тодиод ПОЖАР; красные светодиоды ПУСК I и II ОЧЕРЕДИ; зеле­ные светодиоды ГОТОВНОСТЬ I и II ОЧЕРЕДИ; красные светоди­оды целостности цепей пускогенератора — НЕТ ЦЕПИ 1... 4; крас-

Рис. 3.2 (продолжение). Блок управления пожаротушением:

б — лицевая панель


 

ный светодиод КОНТРОЛЬ ПУСКА; кнопка ручной проверки ис­правности установки — ПРОВЕРКА; кнопка отключения звукового сигнала — ОТКЛ. ЗВОНКА; кнопки ПУСК ПОЖАРОТУШЕНИЯ I и II ОЧЕРЕДИ.

Для обеспечения возможности дистанционного пуска генератора в составе установки имеется ПДП (рис. 3.3), представляющий собой

кнопки ПУСК ПОЖАРОТУШЕ­НИЯ I и II ОЧЕРЕДИ, размещен­ные в металлическом корпусе ПДП и с помощью электромон­тажа соединенные с БУП.

УГП работает следующим об­разом.

При установке тумблера ре­жима работы в положение ДЕ­ЖУРСТВО на электронные узлы БУП подается напряжение пита­ния, и БУП переходит в дежурный режим, о чем свидетельствует све­чение светодиода ДЕЖУРСТВО.

БУП контролирует цепь пуска каждого генератора. В случае об­рыва цепи пуска (цепи пиро­патрона) генератора загорается светодиод НЕТ ЦЕПИ с соответ­ствующим номером, срабатывает звуковая сигнализация. Звуковой сигнал отключается нажатием                                                     . .

кнопки ОТКЛ. ЗВОНКА. При обрыве цепи другого генератора звуко­вая сигнализация включается вновь. В случае обрыва цепей двух ге­нераторов одной очереди гаснет соответствующий светодиод ГО­ТОВНОСТЬ I или II ОЧЕРЕДИ. Для работы установки в автоматиче­ском режиме тумблер АВТОПУСК устанавливается в положение АВТОПУСК ВКЛ.

При срабатывании пожарных извещателей УПС-Т выдает сигнал «Пожар», который, поступая в БУП, запускает узел временной задер­жки на 5—10 с. По истечении этого времени БУП подает на цепи пуска генератора I очереди рабочий ток, обеспечивающий подрыв пиропатрона генератора и воспламенение тушащей композиции. При получении сигнала от УПС-Т на БУП загорается светодиод ПОЖАР, через 5—10 с при появлении пускового тока загорается светодиод ПУСК I ОЧЕРЕДИ. Сгорание цепей пиропатронов вызывает свече-

ние светодиодов НЕТ ЦЕПИ 1 и 2; гаснет светодиод ГОТОВНОСТЬ I ОЧЕРЕДИ, срабатывает звуковая сигнализация.

Ручной пуск I очереди при нажатии кнопки ПУСК ПОЖАРОТУ­ШЕНИЯ I ОЧЕРЕДИ вызывает срабатывание цепей запуска генера­тора без временной задержки, и светодиод ПУСК I ОЧЕРЕДИ заго­рается сразу после нажатия кнопки. Срабатывание пиропатронов ге­нераторов вызывает индикацию и звуковую сигнализацию, как и при работе в автоматическом режиме.

Одновременно с запуском генераторов I очереди БУП обеспечи­вает выходной сигнал напряжением 50 В постоянного тока для уп­равления технологическим оборудованием и, в частности, для отклю­чения вентиляции.

Пуск генераторов II очереди производят исключительно вручную

      при нажатии кнопки ПУСК ПОЖАРОТУШЕНИЯ II ОЧЕРЕДИ. Запуск генераторов, индикация и звуковая сигнализация аналогичны той, что описаны для I очереди.

Дистанционный пуск установки с ПДП обеспечивается замыка­ющими контактами кнопок, подключенными параллельно замыка­ющим контактам одноименных кнопок ПУСК ПОЖАРОТУШЕНИЯ на БУП. Запуск установки в ПДП полностью идентичен запуску с БУП. Для контроля пуска установки на задней панели БУП под ско­бой установлен держатель плавкой вставки, на передней панели — красный светодиод КОНТРОЛЬ ПУСКА. При запуске генераторов вручную или автоматически перегорает плавкая вставка и загорается светодиод. Таким образом фиксируется санкционированный запуск генераторов. Пуск генераторов не от цепей запуска БУП (при целост­ности плавкой вставки) свидетельствует о самопроизвольном их сра­батывании.

Установка тумблера режима работы в положение ПРОВЕРКА раз­рывает цепь, подающую питание на генераторы, загорается светодиод ПРОВЕРКА, а БУП переходит в режим проверки.

Нажатием кнопки ПРОВЕРКА напряжение питания подается на узел временной задержки пуска I очереди, узел пуска II очереди, включение звуковой сигнализации, узлы контроля цепей пуска гене­раторов. Загораются светодиоды ПОЖАР, ПУСК II ОЧЕРЕДИ, НЕТ ЦЕПИ 1...4, ДЕЖУРСТВО, звенит звонок. Через 5—10 с загорается светодиод ПУСК I ОЧЕРЕДИ.

При отпускании кнопки ПРОВЕРКА светится только светодиод ПРОВЕРКА.

Если тумблер режима работы — в положении OTKJL, напряжение питания снято со всех составных частей установки.

Одной их главных частей установки является генератор, кото­рый состоит из стальной трубы — один конец ее заглушен, а на дру­гом конце установлен пиропатрон, который поджигает при сраба­тывании самоактивирующуюся тушащую композицию, расположен­ную внутри трубы. Для выхода огнегасящей смеси по периметру и длине трубы есть отверстия. Генератор крепится в ПУВ с помощью хомутов.

Так как винт крепления задней панели БУП опломбирован на заводе-изготовителе, в процессе работы для персонала доступны только тумблеры и держатели плавких вставок. Кнопки ПУСК ПОЖА­РОТУШЕНИЯ расположены под крышкой с пломбой, что обеспечи­вает защиту от случайного нажатия.

Кнопки ПДП установлены внутри корпуса, закрывающегося крышкой.

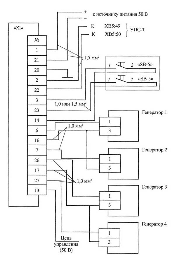
Нажать на кнопку можно, только сорвав пломбу и открыв крышку ПДП. Электрическое соединение составных частей установки между собой и с другими элементами электрооборудования осуществляется в соответствии с рис. 3.4.

Запрещается:

      эксплуатировать установку без наличия пломб;

      эксплуатировать оборудование, не прошедшее очередное техни­ческое обслуживание;

      выполнять последующие операции при появлении неисправнос­тей до выявления и устранения причин, их вызывающих;

      использовать плавкие вставки, не соответствующие номиналу. При работе с генераторами огнегасящей смеси запрещается:

      подвергать генераторы механическим воздействиям (удар, паде­ние), разбирать их;

      допускать посторонних лиц на рабочее место;

      курить;

      пользоваться огнем и нагревательными приборами;

      устанавливать генератор в незаземленный или с неисправным заземлением ПУВ;

Рис. 3.4. Электрическое соединение составных частей установки газового пожаротушения между собой и с другими элементами электрооборудования


 

      состыковывать с генератором штепсельный соединитель, нахо­дящийся под напряжением, и подавать напряжение на цепи пиропат­рона генератора.

Особая осторожность при работе с установкой требуется при вы­полнении операций, связанных с заменой генераторов (снятие и ус­тановка) и подключением проводов и кабелей, которые могут ока­заться под напряжением.

При пуске установки концентрация вредных веществ не пред­ставляет опасности для человека, но обладает слабовыраженным, быстропроходящим раздражающим действием на кожу и слизис­тую оболочку, вызывает слезотечение, резь в глазах, першение в горле. Для предотвращения распространения аэрозольной туша­щей смеси в вагоне при пуске установки должна отключаться вен­тиляция.

Наибольшая концентрация аэрозольной смеси создается в служеб­ном купе и купе приемосдатчика, эти помещения после срабатывания установки необходимо проветрить до исчезновения в воздухе не­прозрачной аэрозоли и той тушащей дисперсной смеси, которая осела в виде порошка.

При обнаружении неисправности установки обслуживающий пер­сонал обязан немедленно доложить об этом начальнику поезда или электромеханику.

К работе с установкой допускаются лица, изучившие инструкцию по ее эксплуатации и имеющие квалификационную группу по элект­робезопасности не ниже III.

 





Cодержание

Предисловие
Глава 1. БАГАЖНЫЕ И ГРУЗОБАГАЖНЫЕ ПЕРЕВОЗКИ

1.1. Багажные вагоны
1.1.1. Общие сведения
1.1.2. Типы багажных вагонов

1.1.3. Система отопления багажного вагона (назначение и устройство)
1.1.4. Система водоснабжения багажного вагона (назначение и устройство)
1.1.5. Система электрооборудования почтового и багажного вагонов (назначение и устройство)
1.1.6. Техника безопасности при обслуживании электрооборудования вагона
1.1.7. Система вентиляции почтового и багажного вагонов

1.1.8. Правила эксплуатации багажных вагонов
1.1.9. Устранение неисправностей в системах вагонов

1.1.10. Техника безопасности при эксплуатации вагона

1.2. Перевозка багажа и грузобагажа
1.2.1. Действующие нормативные документы о порядке перевозки пассажиров, ручной клади, багажа и грузобагажа по железной дороге
1.2.2. Общие положения Федеральных законов «О железнодорожном транспорте в Российской Федерации» и «Устава железнодорожного транспорта Российской Федерации»
1.2.3. Структура Министерства транспорта РФ

1.2.4. Структурная реформа железнодорожного транспорта
1.2.5. Управление пассажирскими перевозками
1.2.6. Должностные обязанности приемосдатчика груза и багажа на станциях и в поездах
1.2.7. Условия приема багажа и грузобагажа к перевозке

1.2.8. Требования к упаковке
1.2.9. Оформление перевозки грузобагажа в вагонах пассажирского парка
1.2.10. Перевозка мелких домашних животных, птиц, собак, пчел
1.2.11. Перевозка саженцев, растений и другого посадочного материала
1.2.12. Перевозка покойников

1.2.13. Порядок провоза мотоциклов, мотороллеров, мопедов, телевизоров и других вещей
1.2.14. Порядок перевозки печатной продукции
1.2.15. Перевозка багажа и грузобагажа по разовым (служебным) железнодорожным билетам

1.2.16. Правила перевозок опасных грузов
1.2.17. Правила перевозок скоропортящихся грузов
1.2.18. Перевозка биопрепаратов
1.2.19. Запрещенные к перевозке грузы
1.2.20. План формирования почтово-багажных поездов и вагонов

1.2.21. Прием багажа в вагон
1.2.22. Пломбирование вагонов
1.2.23. Действия работников при возникновении чрезвычайных ситуаций (обнаружении посторонних предметов, подозрительных лиц, получении сообщений о грозящем происшествии и т.д.)


1.3. Организация работы багажного отделения
1.3.1. Оперативное планирование работы вокзала и багажного отделения
1.3.2. Специализация багажных помещений, их оборудование и оснащение средствами пожаротушения
1.3.3. Прием и сдача дежурства приемосдатчиком груза и багажа на станциях

1.3.4. Служебные обязанности приемосдатчика груза и багажа на станции
1.3.5. Порядок приема багажа и грузобагажа на станции

1.3.6. Проверка проездных документов
1.3.7. Нанесение железнодорожной маркировки
1.3.8. Объявление ценности багажа и грузобагажа
1.3.9. Заполнение ярлыка (форма ЛУ-59)
1.3.10. Вручение проездных документов и ярлыка пассажиру (отправителю)
1.3.11. Порядок оплаты перевозки грузобагажа
1.3.12. Правила оформления перевозочных документов (багажных и грузобагажных ведомостей)

1.3.13. Правила оформления сдаточных списков
1.3.14. Платформенный багаж
1.3.15. Порядок рационального размещения багажа и грузобагажа в складских помещениях или на тележке по направлениям и поездам
1.3.16. Учет принятого к перевозке багажа и грузобагажа и ответственность за его сохранность
1.3.17. Сроки доставки багажа и грузобагажа
1.3.18. Действия приемосдатчика груза и багажа на станции при обнаружении им багажа и грузобагажа без документов или документов без багажа и грузобагажа
1.3.19. Порядок сдачи багажа, грузобагажа и перевозочных документов в багажный вагон на станциях отправления
1.3.20. Служебные обязанности и ответственность приемосдатчика груза и багажа в поездах

1.3.21. Порядок выгрузки багажа и грузобагажа на станции назначения
1.3.22. Порядок приема и выдачи багажа, грузобагажа в пути следования
1.3.23. Порядок выдачи багажа и грузобагажа на станции назначения
1.3.24. Порядок хранения прибывшего багажа и грузобагажа
1.3.25. Соблюдение техники безопасности работниками, занятыми погрузкой, выгрузкой багажа и грузобагажа

1.3.26. Технология переработки транзитного багажа и грузобагажа
1.3.27. Оформление перевозки багажа и грузобагажа при внутриузловых передачах на автотранспорте


1.4. Весовое хозяйство. Виды механизмов
1.4.1. Типы весов и сроки проведения поверок
1.4.2. Нанесение на весы государственных поверительных клейм
1.4.3. Порядок и технология взвешивания на товарных передвижных и стационарных весах
1.4.4. Действия приемосдатчика груза и багажа на станции при выявлении неисправности весов

1.5. Организация работы приемосдатчика груза и багажа в поездах
1.5.1. Правила коммерческого осмотра поездов и вагонов
1.5.2. Порядок приема багажа и грузобагажа в багажный вагон перед отправлением в рейс
1.5.3. Рациональные схемы размещения багажа и грузобагажа в багажном вагоне
1.5.4. Ответственность за правильность ведения документации
1.5.5. Своевременная информация станций (телеграммой или по телефону) о предстоящей выгрузке тяжеловесных и крупногабаритных грузов

1.5.6. Контроль багажных вагонов и отчет о выполненном рейсе

1.6. Обеспечение сохранности багажа и грузобагажа при перевозках
1.6.1. Организационно-технические мероприятия по обеспечению сохранности багажа и грузобагажа при их перевозке

1.6.2. Случаи и причины несохранности багажа и грузобагажа при погрузке, выгрузке или перегрузке работниками станции
1.6.3. Расследование и оформление случаев несохранных перевозок
1.6.4. Ответственность за несохранность перевозимого багажа и грузобагажа
1.6.5. Ответственность перевозчиков, владельцев инфраструктур, грузоотправителей (отправителей), грузополучателей (получателей), пассажиров

1.7. Актово-претензионная работа
1.7.1. Причины и порядок составления коммерческих актов
1.7.2. Описание в коммерческом акте результата проверки груза

1.7.3. Причины и порядок составления актов общей формы и других актов
1.7.4. Работа по розыску грузов и перевозочных документов
1.7.5. Понятие о претензиях и исках, основные сведения о порядке их расследования
1.7.6. Служебная инструкция по актово-претензионной работе на железных дорогах


Глава 2. ОХРАНА ТРУДА
2.1. Основные понятия и составные части охраны труда
2.2. Основы трудового законодательства

2.3. Производственная санитария и гигиена труда
2.4. Порядок и периодичность проводимых испытаний по Правилам технической эксплуатации железных дорог Российской Федерации и инструкциям
2.5. Порядок проведения инструктажей, обучения и проверки знаний по охране труда и технике безопасности

2.6. Производственный травматизм и его профилактика
2.7. Порядок расследования несчастных случаев на производстве
2.8. Общие меры безопасности при нахождении на железнодорожных путях

2.9. Требования безопасности труда при техническом обслуживании вагона
2.10. Техника безопасности при ликвидации аварийных ситуаций
2.11. Оказание первой (доврачебной) помощи при несчастных случаях
2.11.1. Последовательность оказания первой помощи

2.11.2. Способы оказания первой помощи
2.11.3. Первая помощь при электротравмах
2.11.4. Первая помощь при обмороке, тепловом и солнечном ударе, утоплении
2.11.5. Первая помощь при обморожениях
2.11.6. Первая помощь при ожогах
2.11.7. Отравления, укусы насекомыми и ядовитыми змеями
2.11.8. Первая помощь людям, подверженным припадкам
2.11.9. Травмы глаз
2.11.10. Первая помощь при переломах, вывихах и растяжении связок
2.11.11. Первая помощь при кровотечениях

2.11.12. Первая помощь при ранениях
2.11.13. Переноска и перевозка пострадавшего


Глава 3. ОБЕСПЕЧЕНИЕ ПОЖАРНОЙ БЕЗОПАСНОСТИ В ПОЕЗДАХ

3.1. Общие положения

3.2. Требования по обеспечению пожарной безопасности
3.3. Основные причины возникновения пожаров в вагонах пассажирских поездов

3.4. Обязанности обслуживающего персонала при обнаружении пожара
3.5. Оснащенность вагонов средствами пожаротушения

3.6. Установка пожарной сигнализации (УПС)
3.7. Установка пожарной сигнализации типа УПС-Т (транспортная)

3.8. Установка газового пожаротушения (УГП)
3.9. Типы огнетушителей, их технические характеристики
3.10. Содержание и ремонт огнетушителей
3.11. Эксплуатация огнетушителей самосрабатывающих порошковых (ОСП), установленных в пультах управления электрооборудованием вагонов

Рекомендуемая литература