СЦБИСТ - железнодорожный форум, блоги, фотогалерея, социальная сеть
Вернуться   СЦБИСТ - железнодорожный форум, блоги, фотогалерея, социальная сеть > Эксплуатация устройств СЦБ > Лаборатория СЦБ > Терминатор СЦБ
Терминатор СЦБ Рекомендации по совершенствованию технического обслуживания и ремонта устройств СЦБ
Закладки ДневникиПоддержка Сообщество Комментарии к фото Сообщения за день
Ответить в этой теме   Перейти в раздел этой темы    
 
В мои закладки Подписка на тему по электронной почте Отправить другу по электронной почте Опции темы Поиск в этой теме
Старый 20.10.2010, 19:28   #616 (ссылка)
V.I.P.
 
Аватар для Rafa

Регистрация: 24.10.2009
Адрес: МОЙДОДЫР
Сообщений: 5,650
Поблагодарил: 388 раз(а)
Поблагодарили 577 раз(а)
Фотоальбомы: не добавлял
А.В. да пожалуйста!!!!!!!


Rafa вне форума   Цитировать 1
Старый 25.10.2010, 19:02   #617 (ссылка)
НЕзнайка

Автор темы
 
Аватар для VIC

Регистрация: 04.03.2009
Сообщений: 1,391
Поблагодарил: 629 раз(а)
Поблагодарили 202 раз(а)
Фотоальбомы: 83 фото
Репутация: 474
давно хочу узнать:
"ПХ - ОХ" - это "пэха-оха" или "пэикс - оикс"
и откуда вообще всплыло это "Х"?
VIC вне форума   Цитировать 0
Старый 25.10.2010, 20:22   #618 (ссылка)
ст. Баджал
 
Аватар для tiksi

Регистрация: 21.07.2009
Сообщений: 7,818
Поблагодарил: 790 раз(а)
Поблагодарили 994 раз(а)
Фотоальбомы: 47 фото
Коллеги, мы все и всегда были не правы. В 1936 году на схемах не найдено "ПХ и ОХ", 1953 год- на схемах (внимание!) начертано П х 110 и О х 110, имено знак умножения "Х".
Получается говорить надо "Пна220" и "Она220".
Я говорю ПэХа и ОХа.
tiksi вне форума   Цитировать 0
Старый 25.10.2010, 20:25   #619 (ссылка)
НЕзнайка

Автор темы
 
Аватар для VIC

Регистрация: 04.03.2009
Сообщений: 1,391
Поблагодарил: 629 раз(а)
Поблагодарили 202 раз(а)
Фотоальбомы: 83 фото
Репутация: 474
хорошо звучит "от полюсов пна-она срабатывает"... _0)
VIC вне форума   Цитировать 0
Старый 27.10.2010, 22:05   #620 (ссылка)
Кандидат в V.I.P.
 
Аватар для шцм

Регистрация: 04.05.2009
Сообщений: 24
Поблагодарил: 10 раз(а)
Поблагодарили 7 раз(а)
Фотоальбомы: не добавлял
Репутация: 0
Цитата:
Сообщение от VIC Посмотреть сообщение
хорошо звучит "от полюсов пна-она срабатывает"... _0)
Вик, там по РУССКИ НАПИСАНО П --О откуда взялся ИКС в русском языке такой буквы нет. Я всю жизнь называю эсха--эмсх пеха---оха, что значить переменное напряжение. С уважением к тебе. Очень нравится раздел!!
шцм вне форума   Цитировать 0
Старый 03.11.2010, 07:16   #621 (ссылка)
НЕзнайка

Автор темы
 
Аватар для VIC

Регистрация: 04.03.2009
Сообщений: 1,391
Поблагодарил: 629 раз(а)
Поблагодарили 202 раз(а)
Фотоальбомы: 83 фото
Репутация: 474
вникаю в схемы макета по изучению огневых реле в лаборатории основы автоматики...

стенд содержит сии две схемы видимо генераторов импульсов :

1) на кдр-ках

схемка была нарисована как на первом листе ... но вроде как в таком виде она работать не может и я изменил рисунок (справа)

2) на НМПШ

тут тоже я что-то не понимаю как сие работает ... опять ошибка что ли в рисунке ???

так вот вопрос какой:
- такие схемы действительно где-то используются?
- или использовались?
VIC вне форума   Цитировать 0
Старый 03.11.2010, 16:43   #622 (ссылка)
V.I.P.
 
Аватар для Rafa

Регистрация: 24.10.2009
Адрес: МОЙДОДЫР
Сообщений: 5,650
Поблагодарил: 388 раз(а)
Поблагодарили 577 раз(а)
Фотоальбомы: не добавлял
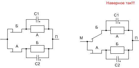
VIC для нормальной работы 3-й схемы, обмотки реле надо включить встречно. Выводы 1-3 или 2-4 поменять местами.
Rafa вне форума   Цитировать 1
Поблагодарили:
Данный пост получил благодарности от пользователей
Старый 03.11.2010, 18:51   #623 (ссылка)
НЕзнайка

Автор темы
 
Аватар для VIC

Регистрация: 04.03.2009
Сообщений: 1,391
Поблагодарил: 629 раз(а)
Поблагодарили 202 раз(а)
Фотоальбомы: 83 фото
Репутация: 474
Цитата:
Сообщение от Rafa Посмотреть сообщение
VIC для нормальной работы 3-й схемы, обмотки реле надо включить встречно. Выводы 1-3 или 2-4 поменять местами.
а поподробнее мона ее принцип ...
ну тогда получается так : на время заряда кондера по двум обмоткам течет ток в разных направлениях и поля вычитаются , поторм кондер заряжается и ток только по одлной обмотке , релюха срабатывает про нижней обмотке, релюха сама себя отключает от питания, кондер разряжается на резик и сама релюха на замедлении которое дает короткозамкнутая обмотка...
так чтоли?
VIC вне форума   Цитировать 0
Старый 03.11.2010, 23:11   #624 (ссылка)
V.I.P.
 
Аватар для Rafa

Регистрация: 24.10.2009
Адрес: МОЙДОДЫР
Сообщений: 5,650
Поблагодарил: 388 раз(а)
Поблагодарили 577 раз(а)
Фотоальбомы: не добавлял
Ну да.
Сначала по обмоткам 1-3 и 2-4 течут токи, которые создают встречные потоки. Ток через обмотку 2-4 уменьшается. При этом заряжается кондер С2. Далее реле притянет якорь по обмотке 1-3. Кондер С2 подключится к обмотке 2-4, и начнет на нее разряжаться. Далее работа схемы аналогична.
Кстати схема №2 намного выгоднее, чем схема №3.
В схеме №3 нужно вести расчеты параметров схемы, для нормальной ее работы.

Rafa добавил 03.11.2010 в 21:11
VIC на схеме №2 надо было показать притянутое состояние якоря реле Б.

Последний раз редактировалось Rafa; 03.11.2010 в 23:11. Причина: Добавлено сообщение
Rafa вне форума   Цитировать 1
Поблагодарили:
Данный пост получил благодарности от пользователей
Старый 04.11.2010, 07:19   #625 (ссылка)
НЕзнайка

Автор темы
 
Аватар для VIC

Регистрация: 04.03.2009
Сообщений: 1,391
Поблагодарил: 629 раз(а)
Поблагодарили 202 раз(а)
Фотоальбомы: 83 фото
Репутация: 474
Цитата:
Сообщение от Rafa Посмотреть сообщение
Кондер С2 подключится к обмотке 2-4, и начнет на нее разряжаться.
хммм глядя по схеме у меня получается, что КОндер разряжается либо через резистор R2 либо на обе обмотки ГИ через R1...
нет вру не через обе, по одной 2-4... а потом когда кондер кончиться ЭДС в 1-3 подержит чуток...

остается главный вопрос: эти схемы действительно где-то применяются или их из макета нужно демонтировать ?
VIC вне форума   Цитировать 0
Старый 04.11.2010, 07:22   #626 (ссылка)
V.I.P.
 
Аватар для Rafa

Регистрация: 24.10.2009
Адрес: МОЙДОДЫР
Сообщений: 5,650
Поблагодарил: 388 раз(а)
Поблагодарили 577 раз(а)
Фотоальбомы: не добавлял
Может когда-то применялись, когда не было маятниковых трансмиттеров МТ
Rafa вне форума   Цитировать 1
Старый 04.11.2010, 09:20   #627 (ссылка)
НЕзнайка

Автор темы
 
Аватар для VIC

Регистрация: 04.03.2009
Сообщений: 1,391
Поблагодарил: 629 раз(а)
Поблагодарили 202 раз(а)
Фотоальбомы: 83 фото
Репутация: 474
а схема последнего генератора оказывается есть в книжке Дмитриева где собственно и описана ее работа ... блин когда же я научусь "работать с литературой" _0)
VIC вне форума   Цитировать 0
Старый 04.11.2010, 18:25   #628 (ссылка)
Корифей СЦБ
 
Аватар для Александр

Регистрация: 25.02.2009
Адрес: Ленинград
Возраст: 49
Сообщений: 9,629
Поблагодарил: 1617 раз(а)
Поблагодарили 2353 раз(а)
Фотоальбомы: 1 фото
Репутация: 1386
Цитата:
Сообщение от VIC
"ПХ - ОХ" - это "пэха-оха" или "пэикс - оикс"
и откуда вообще всплыло это "Х"?
Немного добавлю: СХ-МСХ -это нерезервируемое питание, С-МС (в новых схемах АПС это АС,АС20,АС31,АМС, БС,БС20,БС31,БМС) -резервируемые от батареи при отключении ПэХа-ОХа
__________________
"Не думай. Думаешь - не говори. Думаешь и говоришь - не пиши. Думаешь, говоришь и пишешь - не подписывай. Думаешь, говоришь, пишешь и подписываешь - не удивляйся."
Ф.Э. Дзержинский.
Александр вне форума   Цитировать 2
Старый 05.11.2010, 08:37   #629 (ссылка)
НЕзнайка

Автор темы
 
Аватар для VIC

Регистрация: 04.03.2009
Сообщений: 1,391
Поблагодарил: 629 раз(а)
Поблагодарили 202 раз(а)
Фотоальбомы: 83 фото
Репутация: 474
а "с" надо полагать это "синусоидальный"?
VIC вне форума   Цитировать 0
Старый 06.11.2010, 10:28   #630 (ссылка)
НЕзнайка

Автор темы
 
Аватар для VIC

Регистрация: 04.03.2009
Сообщений: 1,391
Поблагодарил: 629 раз(а)
Поблагодарили 202 раз(а)
Фотоальбомы: 83 фото
Репутация: 474
есть может у кого фото ИПЧП , а то лежит одна головка без жерди и контактов... хотца что-нибудь замутить чтоб было похоже (ну хоть чуть чуть на настоящий)
VIC вне форума   Цитировать 0
Похожие темы
Тема Автор Раздел Ответов Последнее сообщение
Обслуживание горочных устройств. yuri230382 Горочные системы 172 25.03.2015 10:05
Нормы времени на обслуживание устройств Leonidych Общие вопросы эксплуатации устройств СЦБ 20 25.09.2012 16:39
КЛУБ-У (обслуживание устройств на ТО-2) Zommer Қазақстан темір жолы 7 28.06.2012 22:39
СБОРНИК БАЗОВЫХ ЦЕН НА ТЕХНИЧЕСКОЕ ОБСЛУЖИВАНИЕ МИКРОПРОЦЕССОРНЫХ СИСТЕМ И УСТРОЙСТВ ЖЕЛЕЗНОДОРОЖНОЙ АВТОМАТИКИ И ТЕЛЕМЕХАНИКИ Андрей13 Микропроцессорные и релейно-процессорные централизации 0 10.10.2010 20:19
Работа устройств САУТ (KAMAZ учится) KAMAZ Разговоры обо всем 3 26.08.2010 18:49

Ответить в этой теме   Перейти в раздел этой темы   Translate to English

Возможно вас заинтересует информация по следующим меткам (темам):
, , , , , , , , , , , , , , , , , , , , , , , , , , , , , , , , , , , , , , , , , , , , , , , , , , , , , , , , , , , , , , , , , , , , , , , , , , , , , , , , , , , , ,


Здесь присутствуют: 1 (пользователей: 0 , гостей: 1)
 

Ваши права в разделе
Вы не можете создавать новые темы
Вы не можете отвечать в темах
Вы не можете прикреплять вложения
Вы не можете редактировать свои сообщения

BB коды Вкл.
Смайлы Вкл.
[IMG] код Вкл.
HTML код Выкл.
Trackbacks are Вкл.
Pingbacks are Вкл.
Refbacks are Выкл.



Часовой пояс GMT +3, время: 11:07.

Яндекс.Метрика Справочник 
сцбист.ру сцбист.рф

СЦБИСТ (ранее назывался: Форум СЦБистов - Railway Automation Forum) - крупнейший сайт работников локомотивного хозяйства, движенцев, эсцебистов, путейцев, контактников, вагонников, связистов, проводников, работников ЦФТО, ИВЦ железных дорог, дистанций погрузочно-разгрузочных работ и других железнодорожников.
Связь с администрацией сайта: admin@scbist.com
1 2 3 4 5 6 7 8 9 10 11 12 13 14 15 16 17 18 19 20 21 22 23 24 25 26 27 28 29 30 31 32 33 34 
Powered by vBulletin® Version 3.8.1
Copyright ©2000 - 2026, Jelsoft Enterprises Ltd.
Powered by NuWiki v1.3 RC1 Copyright ©2006-2007, NuHit, LLC Перевод: zCarot