СЦБИСТ - железнодорожный форум, блоги, фотогалерея, социальная сеть
Ушел из жизни Крупицкий Адольф Зельманович
6 февраля 2026 года ушел из жизни Крупицкий Адольф Зельманович, более шести десятков лет проработавший в институте «Гипротранссигналсвязь». Всю свою трудовую деятельность А.З. Крупицкий посвятил проектному делу. После окончанию обучения в Ленинградском институте инженеров железнодорожного транспорта в 1959 году начал свою профессиональную деятельность в качестве старшего электромеханика дистанции сигнализации и связи на Казахской железной дороге. В 1960 году пришел на работу в институт на должность инженера, работал руководителем группы, главным инженером проектов.

Читать далее
Вернуться   СЦБИСТ - железнодорожный форум, блоги, фотогалерея, социальная сеть > Эксплуатация устройств СЦБ > Лаборатория СЦБ > Терминатор СЦБ
Терминатор СЦБ Рекомендации по совершенствованию технического обслуживания и ремонта устройств СЦБ
Закладки ДневникиПоддержка Сообщество Комментарии к фото Сообщения за день
Ответить в этой теме   Перейти в раздел этой темы    
 
В мои закладки Подписка на тему по электронной почте Отправить другу по электронной почте Опции темы Поиск в этой теме
Старый 19.12.2012, 04:16   #901 (ссылка)
Super V.I.P.
 
Аватар для led

Регистрация: 09.04.2009
Сообщений: 1,963
Поблагодарил: 11 раз(а)
Поблагодарили 153 раз(а)
Фотоальбомы: 3 фото
Репутация: 107
Цитата:
Сообщение от zawodik Посмотреть сообщение
Когда мы ее изгибаем, ее сопротивление растет, как нам об этом говорит сопромат.
Закон Гука же, школьный курс физики. Я такого слова-то - "сопромат" не знал, когда этот закон изучали :-)
led вне форума   Цитировать 0
Старый 10.01.2013, 15:59   #902 (ссылка)
НЕзнайка

Автор темы
 
Аватар для VIC

Регистрация: 04.03.2009
Сообщений: 1,388
Поблагодарил: 628 раз(а)
Поблагодарили 194 раз(а)
Фотоальбомы: 83 фото
Репутация: 441
при электротяге постоянного тока на станциях основная РЦ это: РЦ25-ДСШ15-ЭТ00-С-93 ?
VIC вне форума   Цитировать 0
Старый 10.01.2013, 16:29   #903 (ссылка)
Super V.I.P.
 
Аватар для Евгений002

Регистрация: 05.04.2009
Адрес: Ямал
Возраст: 69
Сообщений: 4,370
Поблагодарил: 402 раз(а)
Поблагодарили 655 раз(а)
Фотоальбомы: не добавлял
Репутация: 600
РЦ25-ЭТ00-С-90 с ДСШ-13А тоже успешно работают.
Евгений002 вне форума   Цитировать 0
Поблагодарили:
Данный пост получил благодарности от пользователей
Старый 04.02.2013, 10:28   #904 (ссылка)
НЕзнайка

Автор темы
 
Аватар для VIC

Регистрация: 04.03.2009
Сообщений: 1,388
Поблагодарил: 628 раз(а)
Поблагодарили 194 раз(а)
Фотоальбомы: 83 фото
Репутация: 441
А где спрятался БДР на этой картинке?
http://scbist.com/photoplog/index.php?n=6260

шарюсь по фоткам ищу муфту УПМ с БДР-ом чтобы готовая была ... а пока не попадается ... хочется прямо с кабельной массой найти...

или я опять устарел морально и сейчас уже каб. массу не льют?
VIC вне форума   Цитировать 0
Старый 04.02.2013, 12:49   #905 (ссылка)
Кандидат в V.I.P.
 
Аватар для Митя

Регистрация: 25.05.2010
Адрес: Алматы Казахстан
Сообщений: 10
Поблагодарил: 0 раз(а)
Поблагодарили 0 раз(а)
Фотоальбомы: не добавлял
Репутация: 0
Господа, прошу помощи. Нужна схема подключения трансформатора СТ-4 по первичной обмотке с напряжением 110В. Всё время включали 220 а сейчас заказчику 110 захотелось. Помогите
Митя вне форума   Цитировать 0
Старый 04.02.2013, 13:12   #906 (ссылка)
Корифей СЦБ
 
Аватар для Александр

Регистрация: 25.02.2009
Адрес: Ленинград
Возраст: 49
Сообщений: 9,604
Поблагодарил: 1615 раз(а)
Поблагодарили 2349 раз(а)
Фотоальбомы: 1 фото
Репутация: 1386
http://szhat.ru/page.php?book=7&page=645
http://szhat.ru/page.php?book=7&page=644

только для древних СТ-4
Все новые только 220
__________________
"Не думай. Думаешь - не говори. Думаешь и говоришь - не пиши. Думаешь, говоришь и пишешь - не подписывай. Думаешь, говоришь, пишешь и подписываешь - не удивляйся."
Ф.Э. Дзержинский.
Александр вне форума   Цитировать 2
Старый 07.02.2013, 11:53   #907 (ссылка)
НЕзнайка

Автор темы
 
Аватар для VIC

Регистрация: 04.03.2009
Сообщений: 1,388
Поблагодарил: 628 раз(а)
Поблагодарили 194 раз(а)
Фотоальбомы: 83 фото
Репутация: 441
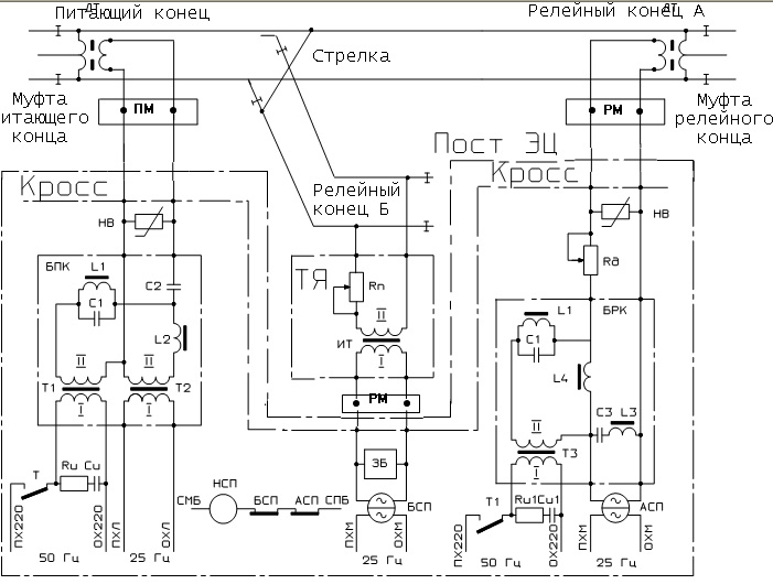
Мучаю АОС ШЧ:

не могу найти в разделе отказ типа КЗ в станционной фазочувствительной РЦ:


-оба путевых без тока,
-U на кроссе питающего - норма,
- U рельсах пит. конца - занижено
- U в соседней - норма
- ток в рельсах мал
- U в муфте ДТ - занижено, при отключении нагрузки - растет
- U в муфте РМ - норма
- подключение в муфтах и дт и РМ хорошее
- перемычки ДТ - нормально
- ДТ исправен
- изостык исправен
- U ниже нормы до стрелки везде
- еще три места изоляции на стрелке проверил - исправно.

в общем парюсь ... если бы было к.з. рельсов то ток в цепи бы шел большой... может где не то что нажимаю или глазами что игнорирую в списках ...
опять же непонятно как в РМ может быть норма, а в муфте ДТ уже занижено ... хотел было на доп обмотку дт попенять ... тк ведь говорят норма с ДТ...

Еще вопрос, не существует ли диаграмм поиска неисправностей приближенных к схемам АОС-а... а то начал одну сочинять для студентов своих ... что-то страшное получается ...
http://scbist.com/scb/uploaded/33_1360227147.vsd

вот и подумалось может велосипед придумываю...

похоже нашел , кто решил погадать сразу не открывайте...
Щелкните, чтобы увидеть содержимое


пробой стыка на ответвлении А
(еще раз проходил , попались похожие симптомы) но не понимаю почему эта неисправность повлекла понижение в кабельной муфте ДТ и не повлекла понижение в муфте... это типа как ДТ питающего сработал как повышающий для сигнального тока из соседней рц и дал нам Uсвоя-Uчужая в кабельной муфте?

Последний раз редактировалось VIC; 07.02.2013 в 12:33.
VIC вне форума   Цитировать 0
Старый 07.02.2013, 17:31   #908 (ссылка)
статус
 
Аватар для Кабанбай Батыр

Регистрация: 20.10.2009
Сообщений: 3,237
Поблагодарил: 579 раз(а)
Поблагодарили 819 раз(а)
Фотоальбомы: 92 фото
Записей в дневнике: 10
Цитата:
Сообщение от VIC Посмотреть сообщение
Мучаю АОС ШЧ:
Однако...стремный АОС у Вас!

По данному отказу: если был пробой изолирующего стыка на ответвлении А и при этом "горела" только данная РЦ, то на этом изостыке неправильно выполнено чередование полярности. Читаем " Устройства СЦБ. Технология обслуживания" . 1999г. (Технологические карты стр. 36).
Кабанбай Батыр вне форума   Цитировать 0
Старый 07.02.2013, 18:17   #909 (ссылка)
НЕзнайка

Автор темы
 
Аватар для VIC

Регистрация: 04.03.2009
Сообщений: 1,388
Поблагодарил: 628 раз(а)
Поблагодарили 194 раз(а)
Фотоальбомы: 83 фото
Репутация: 441
Цитата:
Сообщение от Александр Михайлович Посмотреть сообщение
А и при этом "горела" только данная РЦ
там по данным рядом стоит питающий конец, по ту сторону
VIC вне форума   Цитировать 0
Старый 07.02.2013, 18:47   #910 (ссылка)
статус
 
Аватар для Кабанбай Батыр

Регистрация: 20.10.2009
Сообщений: 3,237
Поблагодарил: 579 раз(а)
Поблагодарили 819 раз(а)
Фотоальбомы: 92 фото
Записей в дневнике: 10
Цитата:
рядом стоит питающий конец
Ну что бы от пробоя одного изолирующего стыка оба путевых реле (А и Б) без тока ...
Кабанбай Батыр вне форума   Цитировать 0
Старый 14.02.2013, 07:45   #911 (ссылка)
НЕзнайка

Автор темы
 
Аватар для VIC

Регистрация: 04.03.2009
Сообщений: 1,388
Поблагодарил: 628 раз(а)
Поблагодарили 194 раз(а)
Фотоальбомы: 83 фото
Репутация: 441
не могу найти в разделе отказ типа КЗ в станционной фазочувствительной РЦ:

следующая заковыка:
- АСП обесточено, БСП под током
- Uрк а кросс = 0
- кабель = ок
- Uрц а =ок
- U муфта дт = значительно ниже нормы
- при отключении нагрузки повышается
- провода в РМ-ке нормально подключены
- U в РМ-ке значительно ниже и до и после отключения нагрузки
- ДТ = ок
- на кроссе провода подключены ок
- В схеме БРК соединение ок
- БРК исправен
- провода БРК-кросс = ок

все что успел проверить... пока время не кончилось ...
ключевым походу является "на муфте ДТ при отключении растет" а на "РМ-ке при отключении уже не возрастает"... но я вроде все проверил касаемое ДТ и РМ-ки... дальше вот пошел ковыряться в поиске к.з. на посту ...

VIC добавил 14.02.2013 в 08:45
внутренняя проверка
"Для определения расстояния между контактными пружинами авто¬переключателя необходимо пользоваться шаблонами из изолирующего материала размерами 5,7 и 11,6 мм для измерения мини¬мального расстояние между контактными пружинами со¬ответственно для контрольных и рабочих контактов при врубленном ноже;"

я чето парюсь шаблон при врубленном ноже пихать чтоли... там же некуда?

Последний раз редактировалось VIC; 14.02.2013 в 07:45. Причина: Добавлено сообщение
VIC вне форума   Цитировать 0
Старый 14.02.2013, 08:41   #912 (ссылка)
Новый пользователь
 
Аватар для Torquato Tasso

Регистрация: 07.07.2009
Сообщений: 5,879
Поблагодарил: 282 раз(а)
Поблагодарили 1013 раз(а)
Фотоальбомы: 1 фото
Цитата:
Сообщение от VIC Посмотреть сообщение
- кабель = ок
- Uрц а =ок
- ДТ = ок
- на кроссе провода подключены ок
- В схеме БРК соединение ок
- провода БРК-кросс = ок
Шо за новые технические термины?
Цитата:
Сообщение от VIC Посмотреть сообщение
"Для определения расстояния между контактными пружинами авто¬переключателя необходимо пользоваться шаблонами из изолирующего материала размерами 5,7 и 11,6 мм для измерения мини¬мального расстояние между контактными пружинами со¬ответственно для контрольных и рабочих контактов при врубленном ноже;"

я чето парюсь шаблон при врубленном ноже пихать чтоли... там же некуда?
Тут же ясно написано: "Для определения расстояния- это само собой, а для измерения минимального расстояние между контактными пружинами соответственно для контрольных и рабочих контактов при врубленном ноже- это само собой.
Torquato Tasso вне форума   Цитировать 0
Старый 14.02.2013, 08:45   #913 (ссылка)
НЕзнайка

Автор темы
 
Аватар для VIC

Регистрация: 04.03.2009
Сообщений: 1,388
Поблагодарил: 628 раз(а)
Поблагодарили 194 раз(а)
Фотоальбомы: 83 фото
Репутация: 441
проверка РЦ
"Состояние изолирующих элементов сережек остряков, стяжных полос, стрелочных гарнитур и распорок стрелочных переводов прове¬ряют вольтметром с внутренним сопротивлением 51 Ом. "
тоесть просто цешкой проверить нельзя... хотя как я понял все ей и проверяют и почему собственно 51 ... встречал конечно норму на сопротивление изостыка минимально допустимое ... но вдруг кто объяснит...
хотя со мной в проследнее время никто не разговаривает ... обиделись на что-то видимо... может ветка проклята ... происки проклятых империалистов... или еще что ...
VIC вне форума   Цитировать 0
Старый 14.02.2013, 08:47   #914 (ссылка)
Новый пользователь
 
Аватар для Torquato Tasso

Регистрация: 07.07.2009
Сообщений: 5,879
Поблагодарил: 282 раз(а)
Поблагодарили 1013 раз(а)
Фотоальбомы: 1 фото
Цитата:
Сообщение от VIC Посмотреть сообщение
проверка РЦ
"Состояние изолирующих элементов сережек остряков, стяжных полос, стрелочных гарнитур и распорок стрелочных переводов прове¬ряют вольтметром с внутренним сопротивлением 51 Ом. "
тоесть просто цешкой проверить нельзя... хотя как я понял все ей и проверяют и почему собственно 51 ... встречал конечно норму на сопротивление изостыка минимально допустимое ... но вдруг кто объяснит...
хотя со мной в проследнее время никто не разговаривает ... обиделись на что-то видимо... может ветка проклята ... происки проклятых империалистов... или еще что ...
Паралельно вольтметру подключают сопрот 51 Ом. Зачем? Угадать с 3-х раз.
Torquato Tasso вне форума   Цитировать 0
Поблагодарили:
Данный пост получил благодарности от пользователей
Старый 14.02.2013, 08:52   #915 (ссылка)
НЕзнайка

Автор темы
 
Аватар для VIC

Регистрация: 04.03.2009
Сообщений: 1,388
Поблагодарил: 628 раз(а)
Поблагодарили 194 раз(а)
Фотоальбомы: 83 фото
Репутация: 441
Цитата:
Сообщение от Torquato Tasso Посмотреть сообщение
Шо за новые технические термины?
ок= в норме, исправное

Цитата:
Сообщение от Torquato Tasso Посмотреть сообщение
Тут же ясно написано: "Для определения расстояния- это само собой, а для измерения минимального расстояние между контактными пружинами соответственно для контрольных и рабочих контактов при врубленном ноже- это само собой.
ничего не понял.... тупенький я ...

VIC добавил 14.02.2013 в 09:52
Цитата:
Сообщение от Torquato Tasso Посмотреть сообщение
Паралельно вольтметру подключают сопрот 51 Ом. Зачем? Угадать с 3-х раз.
за первую часть спасибо, мог бы угадать предложил бы варианты....

Последний раз редактировалось VIC; 14.02.2013 в 08:52. Причина: Добавлено сообщение
VIC вне форума   Цитировать 0
Похожие темы
Тема Автор Раздел Ответов Последнее сообщение
Обслуживание горочных устройств. yuri230382 Горочные системы 172 25.03.2015 11:05
Нормы времени на обслуживание устройств Leonidych Общие вопросы эксплуатации устройств СЦБ 20 25.09.2012 17:39
КЛУБ-У (обслуживание устройств на ТО-2) Zommer Қазақстан темір жолы 7 28.06.2012 23:39
СБОРНИК БАЗОВЫХ ЦЕН НА ТЕХНИЧЕСКОЕ ОБСЛУЖИВАНИЕ МИКРОПРОЦЕССОРНЫХ СИСТЕМ И УСТРОЙСТВ ЖЕЛЕЗНОДОРОЖНОЙ АВТОМАТИКИ И ТЕЛЕМЕХАНИКИ Андрей13 Микропроцессорные и релейно-процессорные централизации 0 10.10.2010 21:19
Работа устройств САУТ (KAMAZ учится) KAMAZ Разговоры обо всем 3 26.08.2010 19:49

Ответить в этой теме   Перейти в раздел этой темы   Translate to English

Возможно вас заинтересует информация по следующим меткам (темам):
, , , , , , , , , , , , , , , , , , , , , , , , , , , , , , , , , , , , , , , , , , , , , , , , , , , , , , , , , , , , , , , , , , , , , , , , , , , , , ,


Здесь присутствуют: 2 (пользователей: 0 , гостей: 2)
 

Ваши права в разделе
Вы не можете создавать новые темы
Вы не можете отвечать в темах
Вы не можете прикреплять вложения
Вы не можете редактировать свои сообщения

BB коды Вкл.
Смайлы Вкл.
[IMG] код Вкл.
HTML код Выкл.
Trackbacks are Вкл.
Pingbacks are Вкл.
Refbacks are Выкл.



Часовой пояс GMT +3, время: 16:15.

Яндекс.Метрика Справочник 
сцбист.ру сцбист.рф

СЦБИСТ (ранее назывался: Форум СЦБистов - Railway Automation Forum) - крупнейший сайт работников локомотивного хозяйства, движенцев, эсцебистов, путейцев, контактников, вагонников, связистов, проводников, работников ЦФТО, ИВЦ железных дорог, дистанций погрузочно-разгрузочных работ и других железнодорожников.
Связь с администрацией сайта: admin@scbist.com
1 2 3 4 5 6 7 8 9 10 11 12 13 14 15 16 17 18 19 20 21 22 23 24 25 26 27 28 29 30 31 32 33 34 
Powered by vBulletin® Version 3.8.1
Copyright ©2000 - 2026, Jelsoft Enterprises Ltd.
Powered by NuWiki v1.3 RC1 Copyright ©2006-2007, NuHit, LLC Перевод: zCarot