СЦБИСТ - железнодорожный форум, блоги, фотогалерея, социальная сеть
Ушел из жизни Крупицкий Адольф Зельманович
6 февраля 2026 года ушел из жизни Крупицкий Адольф Зельманович, более шести десятков лет проработавший в институте «Гипротранссигналсвязь». Всю свою трудовую деятельность А.З. Крупицкий посвятил проектному делу. После окончанию обучения в Ленинградском институте инженеров железнодорожного транспорта в 1959 году начал свою профессиональную деятельность в качестве старшего электромеханика дистанции сигнализации и связи на Казахской железной дороге. В 1960 году пришел на работу в институт на должность инженера, работал руководителем группы, главным инженером проектов.

Читать далее
Вернуться   СЦБИСТ - железнодорожный форум, блоги, фотогалерея, социальная сеть > Эксплуатация устройств СЦБ > Лаборатория СЦБ > Терминатор СЦБ
Терминатор СЦБ Рекомендации по совершенствованию технического обслуживания и ремонта устройств СЦБ
Закладки ДневникиПоддержка Сообщество Комментарии к фото Сообщения за день
Ответить в этой теме   Перейти в раздел этой темы    
 
В мои закладки Подписка на тему по электронной почте Отправить другу по электронной почте Опции темы Поиск в этой теме
Старый 31.03.2010, 08:43   #181 (ссылка)
Регулировщик-любитель
 
Аватар для Витос

Регистрация: 13.04.2009
Сообщений: 5,099
Поблагодарил: 853 раз(а)
Поблагодарили 1162 раз(а)
Фотоальбомы: 23 фото
Репутация: 1346
Цитата:
Сообщение от VIC Посмотреть сообщение
польщен, что Витос думает что я знаю где у диода катод, а где анод _0) а вот у транса точно не знаю где что
Извини, не хотел обидеть, а транзисторы просто очень старые, серия МП, я такие в последний раз встречал в аппаратуре СКЦ(еще применяется в ЭЦ ст. Тверь). МП-шками я увлекался еще в детстве.
__________________
Если проблему решить можно — не стоит о ней беспокоиться,
Если проблему решить нельзя — беспокоиться бесполезно.
Далай-Лама XIV.

Что было, то и будет, и что делалось, то и будет делаться, и нет ничего нового под солнцем. Бывает нечто, о чем говорят: "смотри, вот это новое"; но это было уже в веках, бывших прежде нас.
Книга Екклесиаста [9:10]


Витос вне форума   Цитировать 0
Старый 08.04.2010, 12:27   #182 (ссылка)
НЕзнайка

Автор темы
 
Аватар для VIC

Регистрация: 04.03.2009
Сообщений: 1,388
Поблагодарил: 628 раз(а)
Поблагодарили 194 раз(а)
Фотоальбомы: 83 фото
Репутация: 441
Цитата:
Сообщение от Витос Посмотреть сообщение
Извини, не хотел обидеть,
обиделся? вот еще! _0) ты же все верно подметил

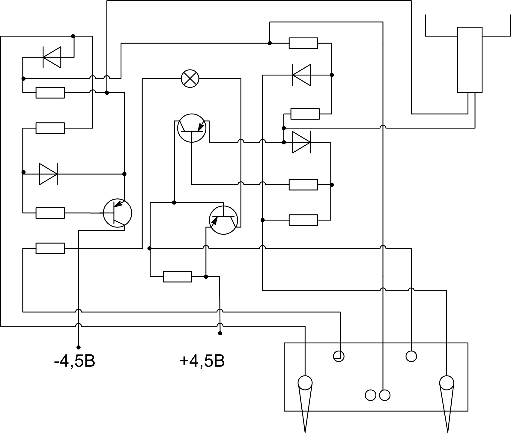
схема готова ... легче помоему не стало, обнаружились интересные вещи, оказывается выводов на одном из концов не два а целых 5! теперь уж точно тупик!
вложить с работы не могу кнопка обзор не работает, попробую из дома покамест могу примерно показать точки подключения проводов к прямоугольному блоку

________________________________
______3___________________4

__1____________5______________ 2

________________________________

1-2 иглы , 3 и 4 крохотные пеньки, 5 - 2 пенька объединенных

VIC добавил 31.03.2010 в 16:52
ну вот схема


она же в визио
http://scbist.com/scb/uploaded/33_vechdvig.vsd

я естественно не знаю какой проводимости транзисторы поэтому нарисовал на обум P-n-p... кроме того я уже не уверен что я правильно помню где у диода анод где катод ... по сему там где у него широкая юбка я рисовал катод... (вот что значит лень за цешкой сходить в лаборантскую и проверить ... я лучше обосрамлюсь прилюдно _0) )

VIC добавил 08.04.2010 в 10:27
ваяю лекцию в пауэр пойнте о бслуживании питающей установки, поскольку сам я электропитание не вел, на жд не работал (практика не в счет) единственные мои помощники ТО СЦБ и учебник электропитание Михайлов Частоедов, ну сороки могу 3 том найти со схемами питающих панелей...

счас сижу на первой ТК по питающей : измерение напряжений , возникают вопросы :
-какие питающие панели наиболее распространены?
(я в презентацию всавил покамест фото что были под рукой: ПВ-ЭЦК, ПР-ЭЦК, ПВП-ЭЦК, ПСТН-ЭЦК)
- есть-ли фотки у кого других?
- с вводной панелью вроде разобрался, напряжения в фазах основного и резервного мерим, лампочек горение контролируем...
про релейную уже не все понятно: ТО говорит что там переключатель должен позволять померить : 1) фидеры, 2) светофоров напряжение, 3) маршрутных указателей, 4) РЦ, 5) контрольные цепи стрелок, 6) контрольных ламп пульта управления, 7) питание местных обмоток ДСШ
это все на одном переключателе? где прописано на каком номере конкретно что? Берут меня сомнения что можно померить напряжение ламп табло ибо на моем фото напряжение на вольтметре на 30 В начинается
- выпрямительно-преобразовательная панель ... отсылает ТО к ТК 71, говорят измерить напряжение на выходе выпрмителя заряжвающего батарею 25,2-27,6 В, сверяясь со своим фото вижу вольтметр , получается просто подойти и посмотреть, ничего не нажимать?
возможность померить выпрямленное напряжение рабочей цепи стрелок в моем случае низзя т.к. стрелки тут питаются переменным током от панели ПСТН
...уф счас мозг закипит

Последний раз редактировалось VIC; 08.04.2010 в 12:27. Причина: Добавлено сообщение
VIC вне форума   Цитировать 0
Старый 08.04.2010, 18:36   #183 (ссылка)
V.I.P.
 
Аватар для mishascb

Регистрация: 18.02.2010
Возраст: 55
Сообщений: 303
Поблагодарил: 43 раз(а)
Поблагодарили 90 раз(а)
Фотоальбомы: не добавлял
Репутация: 17
Для VIC,
Фотографии панелей ПВ2-ЭЦ, ПР2-ЭЦ, фото№4- ЩВПУ внутри. Эти фото делал по поводу разнесения кабелей питания. Сейчас у меня фотоаппарат сломан, обещали через неделю сделать - постараюсь перефотографировать получше и распишу каким переключателем что меряется.
Миниатюры
Обслуживание устройств автоматики (vic учится)-1.jpg  Обслуживание устройств автоматики (vic учится)-2.jpg  Обслуживание устройств автоматики (vic учится)-3.jpg  Обслуживание устройств автоматики (vic учится)-4.jpg  
__________________
Есть такой город Нижняя Салда.
mishascb вне форума   Цитировать 0
Старый 09.04.2010, 15:46   #184 (ссылка)
НЕзнайка

Автор темы
 
Аватар для VIC

Регистрация: 04.03.2009
Сообщений: 1,388
Поблагодарил: 628 раз(а)
Поблагодарили 194 раз(а)
Фотоальбомы: 83 фото
Репутация: 441
Цитата:
Сообщение от mishascb Посмотреть сообщение
Фотографии панелей ПВ2-ЭЦ, ПР2-ЭЦ, фото№4- ЩВПУ внутри. Эти фото делал по поводу разнесения кабелей питания. Сейчас у меня фотоаппарат сломан, обещали через неделю сделать - постараюсь перефотографировать получше и распишу каким переключателем что меряется.
здОрово, спасибо бум ждать

VIC добавил 09.04.2010 в 13:40
вот какие есть у меня фотки:

Щелкните, чтобы увидеть содержимое












VIC добавил 09.04.2010 в 13:46
Щелкните, чтобы увидеть содержимое




Последний раз редактировалось VIC; 09.04.2010 в 15:46. Причина: Добавлено сообщение
VIC вне форума   Цитировать 0
Старый 10.04.2010, 14:25   #185 (ссылка)
Регулировщик-любитель
 
Аватар для Витос

Регистрация: 13.04.2009
Сообщений: 5,099
Поблагодарил: 853 раз(а)
Поблагодарили 1162 раз(а)
Фотоальбомы: 23 фото
Репутация: 1346
Цитата:
Сообщение от VIC Посмотреть сообщение
я естественно не знаю какой проводимости транзисторы
n-p-n
МП9А, МП 10, МП 10 (А, Б), МП11, МП11А,
МП35, МП36А, МП37, МП37А, МП37Б, МП38, МП38А,
МП101, МП 101 (А, Б), МП102, МП103, МП103А, МП111, МП111 (А. Б), МП112, МП113, МП113А,
ГТ122 (А, Б, В, Г),
П307, П307В, П308, П309,
ГТ404 (А, Б, В, Г)

p-n-p
МП13, МП13Б, МП14, МП14 (А, Б, И), МП15, МП15 (А, И),
МП16, МП16 (А, Б),
МП16Я1, МП16ЯН,
МП20, МП21, МП21 (А, Б),
МП25, МП25 (А, Б). МП26, МП26 (А, Б),
П27, П27 (А, Б), П28,
П29, П29А, П30,
МП39, МП39Б, МП40, МП40А, МП41, МП41А ....,
МП42, МП42 (А, Б),
1Т101, 1Т101 (А, Б), IT102, IT102A ,
МП194, МП115, МП106, МП114, МП115, МП116,
ГТ125 (А, Б, В, Г, Д, Е, Ж, И, К, Л),
ГТ402 (А, Б, В, Г),
ГТ405 (А, Б, В, Г),
П406, П407
__________________
Если проблему решить можно — не стоит о ней беспокоиться,
Если проблему решить нельзя — беспокоиться бесполезно.
Далай-Лама XIV.

Что было, то и будет, и что делалось, то и будет делаться, и нет ничего нового под солнцем. Бывает нечто, о чем говорят: "смотри, вот это новое"; но это было уже в веках, бывших прежде нас.
Книга Екклесиаста [9:10]



Последний раз редактировалось Витос; 10.04.2010 в 14:29.
Витос вне форума   Цитировать 0
Старый 11.04.2010, 12:36   #186 (ссылка)
ДОНЧАНИН
 
Аватар для glebas

Регистрация: 07.03.2009
Адрес: Донецк
Сообщений: 325
Поблагодарил: 65 раз(а)
Поблагодарили 71 раз(а)
Фотоальбомы: не добавлял
Репутация: 156
Какая-то интересная мнемосхема на панели ПСТН-ЭЦК, панель не резервируемая, а показан инвертор и батарея.
__________________
Не возможно знать все, но стремиться просто необходимо...
glebas вне форума   Цитировать 0
Старый 11.04.2010, 13:03   #187 (ссылка)
Super V.I.P.
 
Аватар для IGOR77

Регистрация: 22.08.2009
Адрес: Ленинградская обл.
Возраст: 48
Сообщений: 948
Поблагодарил: 136 раз(а)
Поблагодарили 105 раз(а)
Фотоальбомы: не добавлял
Репутация: 81
Цитата:
Сообщение от glebas Посмотреть сообщение
Какая-то интересная мнемосхема на панели ПСТН-ЭЦК, панель не резервируемая, а показан инвертор и батарея.
Похоже, на заводе один трафарет на все типы панелей ПСТ, видел тот же рисунок на других ПСТН.
IGOR77 вне форума   Цитировать 0
Старый 12.04.2010, 16:05   #188 (ссылка)
НЕзнайка

Автор темы
 
Аватар для VIC

Регистрация: 04.03.2009
Сообщений: 1,388
Поблагодарил: 628 раз(а)
Поблагодарили 194 раз(а)
Фотоальбомы: 83 фото
Репутация: 441
приношу свои извинения тем кто потратил трафик инета из-за моих гигантских картинок ... привык к безлимиту ( и года не прошло как _0)) впредь постараюсь делать картонки поменьше ,хоть и очень лениво писать макрос в шопе, а потом прогонять его по папке... ну раз другого средства нет по автоуменьшению ... то ничего не попишешь....

решил еще попытаться добить темку по обслуживанию РЦ ... а дошел я там до заземления девайсов на среднюю точку и рельс ... вопросов вроде много возникало когда читал ТО СЦБ счас по памяти что вспомню спросю:
1) диодные заземлители , реально применяются? ЕСли да то как они крепятся (что в открытую два диода запараллеленных висят на опоре ?
2) не врубился в контур который нужно прикопать вокруг РШ при зазаемлении через искровой промежуток ... смысл тогда в заземлении если молния и так уйдет в землю ?
3) как мерят сопротивление изоляции относительно земли - омметром? и нормочки сопротивления где можно посмотреть? или не нужно оно мне все это так подробно знать ?
4) если есть фото заземлений с удовольствием заберу , вставлю в презентацию и буду показывать студентам
VIC вне форума   Цитировать 0
Старый 12.04.2010, 16:30   #189 (ссылка)
Создатель
 
Аватар для Толян

Регистрация: 19.12.2009
Адрес: Россия
Возраст: 44
Сообщений: 1,267
Поблагодарил: 37 раз(а)
Поблагодарили 1415 раз(а)
Фотоальбомы: 2972 фото
Репутация: 60
Цитата:
Сообщение от VIC
приношу свои извинения тем кто потратил трафик инета из-за моих гигантских картинок
для таких случаев есть ббкод Спойлер -
__________________

Зарегистрируйтесь, чтобы скачивать файлы.
Внимание! Перед скачиванием книг и документов установите программу для просмотра книг отсюда. Примите участие в развитии ж/д вики-словаря / Журнал "АСИ" онлайн



Если не можете скачать файл... / Наше приложение ВКонтакте / Покупаем электронные версии ж.д. документов
Толян вне форума   Цитировать 0
Старый 12.04.2010, 17:03   #190 (ссылка)
Super V.I.P.
 
Аватар для ШВП

Регистрация: 14.02.2010
Адрес: Калтан
Сообщений: 1,807
Поблагодарил: 545 раз(а)
Поблагодарили 183 раз(а)
Фотоальбомы: не добавлял
Репутация: 129
Миша ,а сертификат на данную трубу есть? А трубу надо заделать,чтобы тяги не было.
ШВП вне форума   Цитировать 0
Старый 12.04.2010, 17:30   #191 (ссылка)
НЕзнайка

Автор темы
 
Аватар для VIC

Регистрация: 04.03.2009
Сообщений: 1,388
Поблагодарил: 628 раз(а)
Поблагодарили 194 раз(а)
Фотоальбомы: 83 фото
Репутация: 441
Цитата:
Сообщение от Толян Посмотреть сообщение
для таких случаев есть ббкод Спойлер -
у меня нет никакой картонки с буковкой "S"?
эх вы лыжи мои лыжи, по асфальту быстрыя! _0)

VIC добавил 12.04.2010 в 15:30

все что есть...

Последний раз редактировалось VIC; 12.04.2010 в 17:30. Причина: Добавлено сообщение
VIC вне форума   Цитировать 0
Старый 12.04.2010, 17:31   #192 (ссылка)
Создатель
 
Аватар для Толян

Регистрация: 19.12.2009
Адрес: Россия
Возраст: 44
Сообщений: 1,267
Поблагодарил: 37 раз(а)
Поблагодарили 1415 раз(а)
Фотоальбомы: 2972 фото
Репутация: 60
Цитата:
Сообщение от VIC
у меня нет никакой картонки с буковкой "S"?
надо жать конпку Расширенный режим внизу окна быстрого ответа
__________________

Зарегистрируйтесь, чтобы скачивать файлы.
Внимание! Перед скачиванием книг и документов установите программу для просмотра книг отсюда. Примите участие в развитии ж/д вики-словаря / Журнал "АСИ" онлайн



Если не можете скачать файл... / Наше приложение ВКонтакте / Покупаем электронные версии ж.д. документов
Толян вне форума   Цитировать 0
Старый 12.04.2010, 17:35   #193 (ссылка)
НЕзнайка

Автор темы
 
Аватар для VIC

Регистрация: 04.03.2009
Сообщений: 1,388
Поблагодарил: 628 раз(а)
Поблагодарили 194 раз(а)
Фотоальбомы: 83 фото
Репутация: 441
проба
Щелкните, чтобы увидеть содержимое


VIC добавил 12.04.2010 в 15:35
угу уже лучче ну а кроху показать чтобы?

Последний раз редактировалось VIC; 12.04.2010 в 17:35. Причина: Добавлено сообщение
VIC вне форума   Цитировать 0
Старый 12.04.2010, 17:48   #194 (ссылка)
Создатель
 
Аватар для Толян

Регистрация: 19.12.2009
Адрес: Россия
Возраст: 44
Сообщений: 1,267
Поблагодарил: 37 раз(а)
Поблагодарили 1415 раз(а)
Фотоальбомы: 2972 фото
Репутация: 60
Цитата:
Сообщение от VIC
угу уже лучче ну а кроху показать чтобы?
тоже Расширенный режим, там кнопку управление вложениями и загрузить картинки в открывшемся маленьком окне
__________________

Зарегистрируйтесь, чтобы скачивать файлы.
Внимание! Перед скачиванием книг и документов установите программу для просмотра книг отсюда. Примите участие в развитии ж/д вики-словаря / Журнал "АСИ" онлайн



Если не можете скачать файл... / Наше приложение ВКонтакте / Покупаем электронные версии ж.д. документов
Толян вне форума   Цитировать 0
Старый 12.04.2010, 18:01   #195 (ссылка)
НЕзнайка

Автор темы
 
Аватар для VIC

Регистрация: 04.03.2009
Сообщений: 1,388
Поблагодарил: 628 раз(а)
Поблагодарили 194 раз(а)
Фотоальбомы: 83 фото
Репутация: 441
проба вложений
Миниатюры
Обслуживание устройств автоматики (vic учится)-vl200_1.jpg  Обслуживание устройств автоматики (vic учится)-vl200_2.jpg  Обслуживание устройств автоматики (vic учится)-vl.jpg  
VIC вне форума   Цитировать 0
Похожие темы
Тема Автор Раздел Ответов Последнее сообщение
Обслуживание горочных устройств. yuri230382 Горочные системы 172 25.03.2015 11:05
Нормы времени на обслуживание устройств Leonidych Общие вопросы эксплуатации устройств СЦБ 20 25.09.2012 17:39
КЛУБ-У (обслуживание устройств на ТО-2) Zommer Қазақстан темір жолы 7 28.06.2012 23:39
СБОРНИК БАЗОВЫХ ЦЕН НА ТЕХНИЧЕСКОЕ ОБСЛУЖИВАНИЕ МИКРОПРОЦЕССОРНЫХ СИСТЕМ И УСТРОЙСТВ ЖЕЛЕЗНОДОРОЖНОЙ АВТОМАТИКИ И ТЕЛЕМЕХАНИКИ Андрей13 Микропроцессорные и релейно-процессорные централизации 0 10.10.2010 21:19
Работа устройств САУТ (KAMAZ учится) KAMAZ Разговоры обо всем 3 26.08.2010 19:49

Ответить в этой теме   Перейти в раздел этой темы   Translate to English

Возможно вас заинтересует информация по следующим меткам (темам):
, , , , , , , , , , , , , , , , , , , , , , , , , , , , , , , , , , , , , , , , , , , , , , , , , , , , , , , , , , , , , , , , , , , , , , , , , , , , , ,


Здесь присутствуют: 1 (пользователей: 0 , гостей: 1)
 

Ваши права в разделе
Вы не можете создавать новые темы
Вы не можете отвечать в темах
Вы не можете прикреплять вложения
Вы не можете редактировать свои сообщения

BB коды Вкл.
Смайлы Вкл.
[IMG] код Вкл.
HTML код Выкл.
Trackbacks are Вкл.
Pingbacks are Вкл.
Refbacks are Выкл.



Часовой пояс GMT +3, время: 22:29.

Яндекс.Метрика Справочник 
сцбист.ру сцбист.рф

СЦБИСТ (ранее назывался: Форум СЦБистов - Railway Automation Forum) - крупнейший сайт работников локомотивного хозяйства, движенцев, эсцебистов, путейцев, контактников, вагонников, связистов, проводников, работников ЦФТО, ИВЦ железных дорог, дистанций погрузочно-разгрузочных работ и других железнодорожников.
Связь с администрацией сайта: admin@scbist.com
1 2 3 4 5 6 7 8 9 10 11 12 13 14 15 16 17 18 19 20 21 22 23 24 25 26 27 28 29 30 31 32 33 34 
Powered by vBulletin® Version 3.8.1
Copyright ©2000 - 2026, Jelsoft Enterprises Ltd.
Powered by NuWiki v1.3 RC1 Copyright ©2006-2007, NuHit, LLC Перевод: zCarot