СЦБИСТ - железнодорожный форум, блоги, фотогалерея, социальная сеть
Ушел из жизни Крупицкий Адольф Зельманович
6 февраля 2026 года ушел из жизни Крупицкий Адольф Зельманович, более шести десятков лет проработавший в институте «Гипротранссигналсвязь». Всю свою трудовую деятельность А.З. Крупицкий посвятил проектному делу. После окончанию обучения в Ленинградском институте инженеров железнодорожного транспорта в 1959 году начал свою профессиональную деятельность в качестве старшего электромеханика дистанции сигнализации и связи на Казахской железной дороге. В 1960 году пришел на работу в институт на должность инженера, работал руководителем группы, главным инженером проектов.

Читать далее
Вернуться   СЦБИСТ - железнодорожный форум, блоги, фотогалерея, социальная сеть > Эксплуатация устройств СЦБ > Лаборатория СЦБ > Терминатор СЦБ
Терминатор СЦБ Рекомендации по совершенствованию технического обслуживания и ремонта устройств СЦБ
Закладки ДневникиПоддержка Сообщество Комментарии к фото Сообщения за день
Ответить в этой теме   Перейти в раздел этой темы    
 
В мои закладки Подписка на тему по электронной почте Отправить другу по электронной почте Опции темы Поиск в этой теме
Старый 20.02.2014, 18:12   #1096 (ссылка)
Новый пользователь
 
Аватар для Torquato Tasso

Регистрация: 07.07.2009
Сообщений: 5,879
Поблагодарил: 282 раз(а)
Поблагодарили 1013 раз(а)
Фотоальбомы: 1 фото
Цитата:
Сообщение от VIC Посмотреть сообщение
Вопрос: Никто не помнит сколько вольт выдавали аккумуляторы от рации Транспорт?
10шт Д 0.55 =12в
Torquato Tasso вне форума   Цитировать 0
Поблагодарили:
Данный пост получил благодарности от пользователей
Старый 09.03.2014, 10:27   #1097 (ссылка)
Кандидат в V.I.P.
 
Аватар для shurup_xxx

Регистрация: 08.09.2010
Адрес: г. Барановичи
Сообщений: 19
Поблагодарил: 0 раз(а)
Поблагодарили 0 раз(а)
Фотоальбомы: не добавлял
Репутация: 11
Цитата:
Вопрос: Никто не помнит сколько вольт выдавали аккумуляторы от рации Транспорт?
По моему 9 Вольт, завтра буду на работе, уточню, у нас пару таких завалялось, даже зарядное устройство для них осталось=)
shurup_xxx вне форума   Цитировать 0
Старый 09.03.2014, 11:09   #1098 (ссылка)
Super V.I.P.
 
Аватар для Шаэнн

Регистрация: 03.05.2010
Адрес: Ленинград
Возраст: 60
Сообщений: 759
Поблагодарил: 85 раз(а)
Поблагодарили 556 раз(а)
Фотоальбомы: 1121 фото
Репутация: 154
Зарядное устройство для аккумуляторов
http://static.scbist.com/scb/uploaded/4574_uz_81.djvu
Шаэнн вне форума   Цитировать 0
Поблагодарили:
Данный пост получил благодарности от пользователей
Старый 06.04.2014, 14:30   #1099 (ссылка)
НЕзнайка

Автор темы
 
Аватар для VIC

Регистрация: 04.03.2009
Сообщений: 1,388
Поблагодарил: 628 раз(а)
Поблагодарили 194 раз(а)
Фотоальбомы: 83 фото
Репутация: 441
не удасться ли мне с кого выцыганить схемку (желательно в визио) комплектация релейного статива ЭЦ или их в природе не существует ?
VIC вне форума   Цитировать 0
Старый 06.04.2014, 15:21   #1100 (ссылка)
V.I.P.
 
Аватар для Rafa

Регистрация: 24.10.2009
Адрес: МОЙДОДЫР
Сообщений: 5,650
Поблагодарил: 388 раз(а)
Поблагодарили 577 раз(а)
Фотоальбомы: не добавлял
хорошо бы
Rafa вне форума   Цитировать 1
Старый 06.05.2014, 12:46   #1101 (ссылка)
НЕзнайка

Автор темы
 
Аватар для VIC

Регистрация: 04.03.2009
Сообщений: 1,388
Поблагодарил: 628 раз(а)
Поблагодарили 194 раз(а)
Фотоальбомы: 83 фото
Репутация: 441
Предыстория: дипломник возжелал спроектировать АПК-ДК, сам он с Карасука видимо, предложил я ему веточку взять для проектирования, выбрал студент: Иртышское-Карасук, пошел студент в дистанцию попросить исходных данных ... толи он как-то неправильно попросил... толи и в правду информация им вопрошаемая очень секретная... в общем пришел почти ни с чем.

Вопрос: можно ли у нас (в хозяйстве сцб) какими нибудь программными методами удаленно посмотреть хотя бы количество сигнальных точек на перегонах, переездов на этом участке ?

Последний раз редактировалось VIC; 06.05.2014 в 12:47. Причина: Добавлено сообщение
VIC вне форума   Цитировать 0
Старый 27.05.2014, 19:23   #1102 (ссылка)
НЕзнайка

Автор темы
 
Аватар для VIC

Регистрация: 04.03.2009
Сообщений: 1,388
Поблагодарил: 628 раз(а)
Поблагодарили 194 раз(а)
Фотоальбомы: 83 фото
Репутация: 441
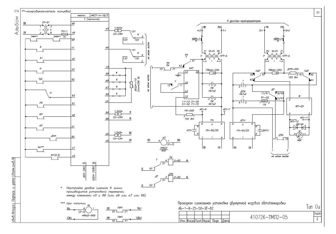
нашлась вот такая фотка, была обозвана у меня как "информация сигн точки в АПК-ДК"

Щелкните, чтобы увидеть содержимое




тоесть получается апк-дк должен мерить напряжения на сигнальной точке,
в то же время на схеме из альбома АПК-ДК подключения никаких датчиков к обмоткам реле не увидел ... неправильно смотрел, не та схема, я дятел (нужное подчеркнуть)?

Цитата:
тут подсказал сам дипломник, что возможно это с использованием аппаратуры ПИК-СТ?

Не смогу ли я у кого выклянчить стоимость оборудования АПК-ДК, а то есть кое-что но не все (нет КДСП, Источник бесперебойного питания(smart - UP8 RM)

еще вопрос по количеству плат на линейном пункте:
• PCA-6751-процессорная плата Pentium MMX является основным вычислительным устройством, обеспечивающим взаимодействие всех других компонент концентратора.
• PCL-846 - четырехпортовый, гальванически изолированный, контроллер интерфейса RS-422/485. Предназначен для организации связи концентратора с контроллерами нижнего уровня.
• PCL-735 - двенадцати канальная плата релейной коммутации, используется для включения лампочек индикации состояния переездной сигнализации на табло (пульт- табло).
• PCL-818L - плата аналого-цифрового преобразователя (АЦП), используется для подключения датчиков измерения токов и уровней напряжений ADAM - 3014.
Я так понял что по одной штучке каждой нуна? ПРав ли я или будет зависимость от количесва объектов?

Последний раз редактировалось VIC; 28.05.2014 в 19:35.
VIC вне форума   Цитировать 0
Старый 27.05.2014, 20:43   #1103 (ссылка)
V.I.P.
 
Аватар для Rafa

Регистрация: 24.10.2009
Адрес: МОЙДОДЫР
Сообщений: 5,650
Поблагодарил: 388 раз(а)
Поблагодарили 577 раз(а)
Фотоальбомы: не добавлял
ФОТКИ НЕ ОТКРЫВАЕТ
Rafa вне форума   Цитировать 1
Старый 27.05.2014, 21:12   #1104 (ссылка)
Новый пользователь
 
Аватар для Torquato Tasso

Регистрация: 07.07.2009
Сообщений: 5,879
Поблагодарил: 282 раз(а)
Поблагодарили 1013 раз(а)
Фотоальбомы: 1 фото
Цитата:
Сообщение от VIC Посмотреть сообщение
...никаких датчиков к обмоткам реле не увидел ... неправильно смотрел, не та схема, я дятел (нужное подчеркнуть)?
смотрел не тот сайт
Torquato Tasso вне форума   Цитировать 0
Старый 28.05.2014, 19:35   #1105 (ссылка)
НЕзнайка

Автор темы
 
Аватар для VIC

Регистрация: 04.03.2009
Сообщений: 1,388
Поблагодарил: 628 раз(а)
Поблагодарили 194 раз(а)
Фотоальбомы: 83 фото
Репутация: 441
поправил картинки ... двумя мессагами выше
VIC вне форума   Цитировать 0
Старый 28.05.2014, 19:37   #1106 (ссылка)
Новый пользователь
 
Аватар для Torquato Tasso

Регистрация: 07.07.2009
Сообщений: 5,879
Поблагодарил: 282 раз(а)
Поблагодарили 1013 раз(а)
Фотоальбомы: 1 фото
точки 1-2-3-4 это оно?
Torquato Tasso вне форума   Цитировать 0
Старый 28.05.2014, 19:40   #1107 (ссылка)
НЕзнайка

Автор темы
 
Аватар для VIC

Регистрация: 04.03.2009
Сообщений: 1,388
Поблагодарил: 628 раз(а)
Поблагодарили 194 раз(а)
Фотоальбомы: 83 фото
Репутация: 441
это скорее всего на длительность импульсов и интервалов кода смахивает
VIC вне форума   Цитировать 0
Старый 28.05.2014, 19:51   #1108 (ссылка)
Новый пользователь
 
Аватар для Torquato Tasso

Регистрация: 07.07.2009
Сообщений: 5,879
Поблагодарил: 282 раз(а)
Поблагодарили 1013 раз(а)
Фотоальбомы: 1 фото
на напряжение смахивает, как и ПХ-ОХ, П-М
Torquato Tasso вне форума   Цитировать 0
Старый 28.05.2014, 20:10   #1109 (ссылка)
НЕзнайка

Автор темы
 
Аватар для VIC

Регистрация: 04.03.2009
Сообщений: 1,388
Поблагодарил: 628 раз(а)
Поблагодарили 194 раз(а)
Фотоальбомы: 83 фото
Репутация: 441
начал рыться в нете и нарыл что
1. ПИК-10 = При новом
строительстве
не используется,
вместо него ставятся
устройства АКНСИ
2. пик-120 = При новом
строительстве
не используется,
вместо него ставятся
устройства КДС
3. АКС-Т = В настоящее вре-
мя заменяется
устройствами
АДСУ и БКА

НЕТ ли схемных решений у кого ... с новым оборудованием ... или может уже и не особо новым ...
VIC вне форума   Цитировать 0
Старый 29.05.2014, 11:20   #1110 (ссылка)
V.I.P.
 
Аватар для Rafa

Регистрация: 24.10.2009
Адрес: МОЙДОДЫР
Сообщений: 5,650
Поблагодарил: 388 раз(а)
Поблагодарили 577 раз(а)
Фотоальбомы: не добавлял
Цитата:
это скорее всего на длительность импульсов и интервалов кода смахивает

одновременно может мерять напряжение на первичке транса.
Rafa вне форума   Цитировать 1
Похожие темы
Тема Автор Раздел Ответов Последнее сообщение
Обслуживание горочных устройств. yuri230382 Горочные системы 172 25.03.2015 11:05
Нормы времени на обслуживание устройств Leonidych Общие вопросы эксплуатации устройств СЦБ 20 25.09.2012 17:39
КЛУБ-У (обслуживание устройств на ТО-2) Zommer Қазақстан темір жолы 7 28.06.2012 23:39
СБОРНИК БАЗОВЫХ ЦЕН НА ТЕХНИЧЕСКОЕ ОБСЛУЖИВАНИЕ МИКРОПРОЦЕССОРНЫХ СИСТЕМ И УСТРОЙСТВ ЖЕЛЕЗНОДОРОЖНОЙ АВТОМАТИКИ И ТЕЛЕМЕХАНИКИ Андрей13 Микропроцессорные и релейно-процессорные централизации 0 10.10.2010 21:19
Работа устройств САУТ (KAMAZ учится) KAMAZ Разговоры обо всем 3 26.08.2010 19:49

Ответить в этой теме   Перейти в раздел этой темы   Translate to English

Возможно вас заинтересует информация по следующим меткам (темам):
, , , , , , , , , , , , , , , , , , , , , , , , , , , , , , , , , , , , , , , , , , , , , , , , , , , , , , , , , , , , , , , , , , , , , , , , , , , ,


Здесь присутствуют: 2 (пользователей: 0 , гостей: 2)
 

Ваши права в разделе
Вы не можете создавать новые темы
Вы не можете отвечать в темах
Вы не можете прикреплять вложения
Вы не можете редактировать свои сообщения

BB коды Вкл.
Смайлы Вкл.
[IMG] код Вкл.
HTML код Выкл.
Trackbacks are Вкл.
Pingbacks are Вкл.
Refbacks are Выкл.



Часовой пояс GMT +3, время: 12:38.

Яндекс.Метрика Справочник 
сцбист.ру сцбист.рф

СЦБИСТ (ранее назывался: Форум СЦБистов - Railway Automation Forum) - крупнейший сайт работников локомотивного хозяйства, движенцев, эсцебистов, путейцев, контактников, вагонников, связистов, проводников, работников ЦФТО, ИВЦ железных дорог, дистанций погрузочно-разгрузочных работ и других железнодорожников.
Связь с администрацией сайта: admin@scbist.com
1 2 3 4 5 6 7 8 9 10 11 12 13 14 15 16 17 18 19 20 21 22 23 24 25 26 27 28 29 30 31 32 33 34 
Powered by vBulletin® Version 3.8.1
Copyright ©2000 - 2026, Jelsoft Enterprises Ltd.
Powered by NuWiki v1.3 RC1 Copyright ©2006-2007, NuHit, LLC Перевод: zCarot