СЦБИСТ - железнодорожный форум, блоги, фотогалерея, социальная сеть СЦБИСТ - железнодорожный форум, блоги, фотогалерея, социальная сеть
Вернуться   СЦБИСТ - железнодорожный форум, блоги, фотогалерея, социальная сеть > Эксплуатация устройств СЦБ > Лаборатория СЦБ > Терминатор СЦБ
Терминатор СЦБ Рекомендации по совершенствованию технического обслуживания и ремонта устройств СЦБ
Закладки ДневникиПоддержка Сообщество Комментарии к фото Сообщения за день
Ответить в этой теме    
 
В мои закладки Подписка на тему по электронной почте Отправить другу по электронной почте Опции темы Поиск в этой теме
Старый 22.11.2015, 19:23   #1306 (ссылка)
Кандидат в V.I.P.
 
Аватар для Revolt

Регистрация: 17.03.2011
Сообщений: 139
Поблагодарил: 5 раз(а)
Поблагодарили 12 раз(а)
Фотоальбомы: не добавлял
Репутация: 19
VIC, помница в период моей практики муханики отключали УТС на время окна, затем включали, проверки делали на память размыкали контрольные контакты и смотрели потерю контроля, также некое подобие щупа было подкладывали под УТС и смотрели даст контроль или нет, также проверки были с кнопками от колонки которая стояла около УТС.
Revolt вне форума   Цитировать 0
Поблагодарили:
Данный пост получил благодарности от пользователей
Старый 18.12.2015, 19:18   #1307 (ссылка)
НЕзнайка

Автор темы
 
Аватар для VIC

Регистрация: 04.03.2009
Сообщений: 1,384
Поблагодарил: 628 раз(а)
Поблагодарили 191 раз(а)
Фотоальбомы: 83 фото
Репутация: 405
ардуино-творчество вживую
https://yadi.sk/i/tru_8tLQmKiiJ
как и в прошлый раз какчество лучче будет если видюшку качнуть а не смотреть прямо с яндекс диска

Комментарии к сообщению (репутация)
Adagumer, положительно: Практически как настоящий!

Последний раз редактировалось VIC; 18.12.2015 в 19:21.
VIC вне форума   Цитировать 0
Старый 21.12.2015, 08:45   #1308 (ссылка)
ЛИИЖТ АТ-103 (1981-1986)
 
Аватар для Просто инженер АиТ

Регистрация: 16.10.2012
Адрес: Где резной палисад
Возраст: 64
Сообщений: 980
Поблагодарил: 220 раз(а)
Поблагодарили 140 раз(а)
Фотоальбомы: не добавлял
Репутация: 380
Цитата:
Ардуино-творчество вживую
Очень даже интересно!
Недавно тоже такую штучку приобрёл, в свободное время играюсь с ней. Как я понял, Вы делаете дешифратор или просто измеряете временные последовательности? Очень интересная задумка.
Я, чтобы не делать дополнительных устройств подключенных к Ардуино, делаю обмен по СОМ порту в программку на компе (в программе сделать кнопки, вывод чего-либо нет проблем), а там это обрабатываю, такой подход значительно облегчает и ускоряет отладку ПО Ардуино. Более того, в ПО на компе использую те же самые классы и функции, которые применяю в ПО Ардуино, таким образом отладку этих классов произвожу на компе с приемлемым отладчиком (кое где приходится использовать условную компиляцию).
То, чем Вы занимаетесь мне интересно, может быть чем-то смогу быть Вам полезен. Удачи Вам!
__________________
Не важна реальность, важно как мы к ней относимся!
Просто инженер АиТ вне форума   Цитировать 0
Старый 19.01.2016, 14:46   #1309 (ссылка)
НЕзнайка

Автор темы
 
Аватар для VIC

Регистрация: 04.03.2009
Сообщений: 1,384
Поблагодарил: 628 раз(а)
Поблагодарили 191 раз(а)
Фотоальбомы: 83 фото
Репутация: 405
Ваяю презенташку по расчету ординат если не сложно проверьте, может косяков кучу найдете, пока не встречал литературы в которой расчет ординат был бы по человечески описан
http://scbist.com/scb/uploaded/33_1453190478.zip
ссылка скорее всего заработает не сразу ...

яндекс диск ссылка https://yadi.sk/d/mR2JiD3VnLDDG

Последний раз редактировалось VIC; 19.01.2016 в 14:46. Причина: Добавлено сообщение
VIC вне форума   Цитировать 0
Старый 19.01.2016, 14:56   #1310 (ссылка)
ЛИИЖТ АТ-103 (1981-1986)
 
Аватар для Просто инженер АиТ

Регистрация: 16.10.2012
Адрес: Где резной палисад
Возраст: 64
Сообщений: 980
Поблагодарил: 220 раз(а)
Поблагодарили 140 раз(а)
Фотоальбомы: не добавлял
Репутация: 380
"следующей идеей собираюсь попробовать ДК для учебного полигона".
Мы в своё время делали ДК, но снимали прямо с лампочек пульт-табло. Очень простой монтаж, выполняется просто и быстро. Для этого сделали свой модуль съёма (48 дискретных сигнала) - простой как палка, регистры ввода, Альтера и элементы гальванической инверсной токовой петли, модули подключались как лампочки гирлянды (все в параллель), до 10 модулей на один СОМ порт. В пульт-табло модули крепились на колодке с размерами ПП20.
__________________
Не важна реальность, важно как мы к ней относимся!
Просто инженер АиТ вне форума   Цитировать 0
Старый 19.01.2016, 18:42   #1311 (ссылка)
Super V.I.P.
 
Аватар для Суховерша Алексей

Регистрация: 24.01.2011
Адрес: Калининград
Возраст: 63
Сообщений: 9,083
Поблагодарил: 1794 раз(а)
Поблагодарили 2156 раз(а)
Фотоальбомы: 710 фото
Репутация: 673
Цитата:
Сообщение от Просто инженер АиТ Посмотреть сообщение
"следующей идеей собираюсь попробовать ДК для учебного полигона".
Мы в своё время делали ДК, но снимали прямо с лампочек пульт-табло. Очень простой монтаж, выполняется просто и быстро. Для этого сделали свой модуль съёма (48 дискретных сигнала) - простой как палка, регистры ввода, Альтера и элементы гальванической инверсной токовой петли, модули подключались как лампочки гирлянды (все в параллель), до 10 модулей на один СОМ порт. В пульт-табло модули крепились на колодке с размерами ПП20.
Видно было давно, что наука в этом вопросе занималась мультиками...
__________________
Россия - Калининград.
Границы разные, страна - одна.

Я хотел бы служить кондуктором в трамвае, а уж хуже этой работы нет ничего на свете.
Суховерша Алексей вне форума   Цитировать 1
Старый 20.01.2016, 08:06   #1312 (ссылка)
ЛИИЖТ АТ-103 (1981-1986)
 
Аватар для Просто инженер АиТ

Регистрация: 16.10.2012
Адрес: Где резной палисад
Возраст: 64
Сообщений: 980
Поблагодарил: 220 раз(а)
Поблагодарили 140 раз(а)
Фотоальбомы: не добавлял
Репутация: 380
Этот девайс был разработан где-то 1997 г. От начала разработки до опытного образца 2 недели и это была не какая-то сложная разработка, а хорошее инженерное решение. Потому, что удалось избавится от кучи оптронов гальванической развязки дискретных сигналов. Естественно электроника шагнула далеко вперед. Обмен велся на скорости 19200 или 9600 бит/с. Этой скорости вполне хватало для съема дискретных сигналов, кроме того съём был с лампочек пульт-табло, которые питаются переменкой, поэтому быстрее, чем 1/50 снимать не возможно. Дребезг подавлялся программно, так же определялся режим мигания.
Очень простой и дешевый способ съёма, не требующий сложного монтажа, как, например, для ПИК-120.
Для сигнальных установок ДК делают как я знаю "ЮгПромАвтоматизация", "КИТ" и ёще некоторые разработчики. Дальше всех по объёму передаваемой информации с СУ продвинулась ЮгПромАвтоматизация.
Для ДК СУ две принципиальные задачи:
- как снять,
- и более сложная задача как передать на станцию.
Для передачи на станцию могут быть варианты:
- многоточка,
- передача с последовательными переприёмами на каждой СУ.
__________________
Не важна реальность, важно как мы к ней относимся!

Последний раз редактировалось Просто инженер АиТ; 20.01.2016 в 08:06. Причина: Добавлено сообщение
Просто инженер АиТ вне форума   Цитировать 0
Поблагодарили:
Данный пост получил благодарности от пользователей
Старый 21.01.2016, 09:23   #1313 (ссылка)
ЛИИЖТ АТ-103 (1981-1986)
 
Аватар для Просто инженер АиТ

Регистрация: 16.10.2012
Адрес: Где резной палисад
Возраст: 64
Сообщений: 980
Поблагодарил: 220 раз(а)
Поблагодарили 140 раз(а)
Фотоальбомы: не добавлял
Репутация: 380
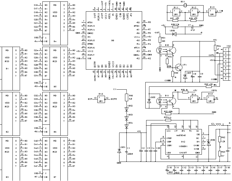
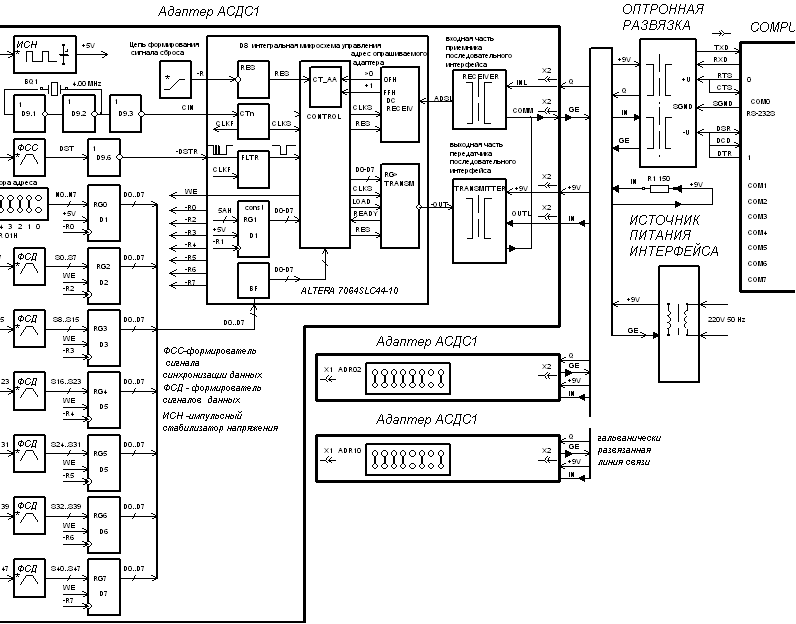
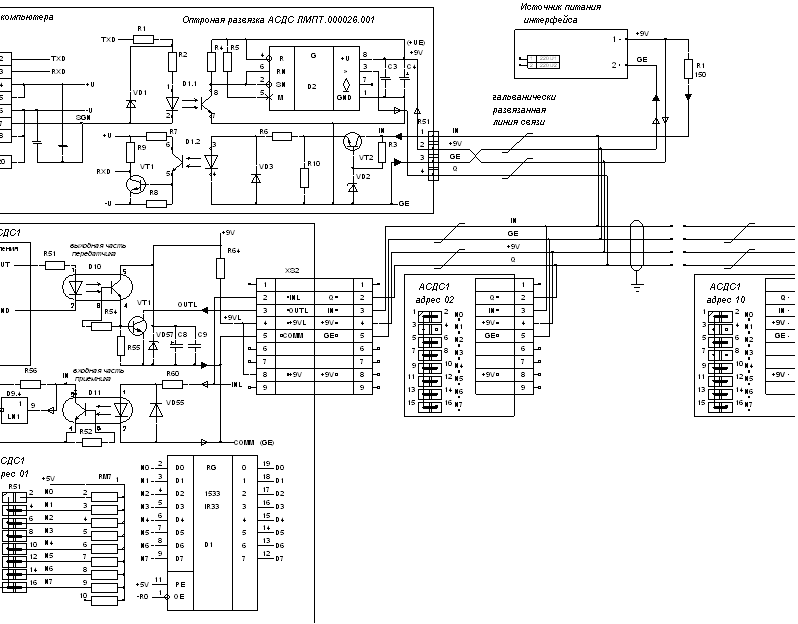
Структурная схема

Принципиальная схема


Последовательный интерфейс

Вот что удалось найти в архиве.

Просто инженер АиТ добавил 21.01.2016 в 10:23
Ещё была сделана одна разработка адаптера съёма дискретных сигналов. Несколько неудобно обрабатывать дискретные сигналы в компьютере, поэтому предварительную обработку отдали модулям съема, таким образом снятые сигналы можно было отдавать сразу в устройства связи (модем), не устанавливая компьютера на линейной станции.

АСДК получалась слишком простой, быстро монтируемой и главное экономичной (стоимость АСДК одной станции не превышала $1000) и это была наша большая и самая главная ошибка! Никому не нужны дешевые системы.
__________________
Не важна реальность, важно как мы к ней относимся!

Последний раз редактировалось Просто инженер АиТ; 21.01.2016 в 09:30. Причина: Добавлено сообщение
Просто инженер АиТ вне форума   Цитировать 0
Поблагодарили:
Данный пост получил благодарности от пользователей
Старый 25.01.2016, 08:10   #1314 (ссылка)
ЛИИЖТ АТ-103 (1981-1986)
 
Аватар для Просто инженер АиТ

Регистрация: 16.10.2012
Адрес: Где резной палисад
Возраст: 64
Сообщений: 980
Поблагодарил: 220 раз(а)
Поблагодарили 140 раз(а)
Фотоальбомы: не добавлял
Репутация: 380
В своё время разрабатывали мы Комплекс Горочный Микропроцессорный на базе элементов КТС-ЛИУС-2. В его состав входили различные модули:
- модуль процессора (на базе процессора КР580ВМ80),
- модуль ввода,
- модуль вывода и т.д.
В КГМ необходимо было вводить достаточно много дискретных сигналов, один модуль ввода мог ввести 32 дискретных сигнала, кол-во модулей устанавливаемых в блок было, вроде 21, т.е. нужное кол-во модулей не помещалось. Вот тогда В.В. Кольцов (сейчас гл. инженер ЮгПромАвтоматизации) предложил сделать матричный ввод (1988 г. в матрице были сухие контакты реле), т.е. поставить один элемент ввода и один элемент вывода, что позволило вводить 1024 сигнала (32*32). Кроме того сразу же сделать диагностику элементов ввода-вывода, искусственно по главным диагоналям вводить по одной 1, по другой 0.
Тоже самое можно сделать на базе Arduino. Рекомендую писать на "С" (или на С++)(изучение "С" займет не много времени), это гораздо проще и быстрее, чем на ассемблере.
Всем всего доброго!

Просто инженер АиТ добавил 25.01.2016 в 09:10
А еще. На адаптере ввода производится ввод дискретного сигнала, питаемый переменным током. Т.е. опрос в какой-то любой момент времени не подходит, поэтому на один из входов подаётся напряжение питание, которое генерирует что-то типа прерывания, в момент, когда на этом входе 1. По прерыванию начинается опрос всех дискретных сигналов (пока на входе прерывания 1) по принципу интегрирования состояния, если после интеграции получаем 1, то в регистр записывается 1.
__________________
Не важна реальность, важно как мы к ней относимся!

Последний раз редактировалось Просто инженер АиТ; 25.01.2016 в 12:21. Причина: Добавлено сообщение
Просто инженер АиТ вне форума   Цитировать 0
Старый 25.01.2016, 12:43   #1315 (ссылка)
ЛИИЖТ АТ-103 (1981-1986)
 
Аватар для Просто инженер АиТ

Регистрация: 16.10.2012
Адрес: Где резной палисад
Возраст: 64
Сообщений: 980
Поблагодарил: 220 раз(а)
Поблагодарили 140 раз(а)
Фотоальбомы: не добавлял
Репутация: 380
В 1993 г. на Вологодском отделении внедряли ДЦМ-Дон (элементная база КТС-ЛИУС2). Вот там впервые был сделан съём с лампочек пульт-табло матричным способом. Повозиться вместе с разработчиками пришлось не мало.
Чтобы сделать матричный ввод планировалось в релейной поставить от 1 до 3 дополнительных стативов с распаянными диодами, естественно в релейных эти стативы ставить было некуда.
Тогда мы с М.Б. Зингером предложили сделать конструктив с диодными платами (на что оформили рацуху (где-то валяется)(результат рацухи огромная экономия, а могли бы на деньги от рацухи купить по 3 Жигуля)), надобность в доп. стативах пропала.
Дальше переменка, пришлось сделать формирование прерывания на элементах ввода, откорректировать ПО ЛПУ.
И ёще ДЦМ-Дон имел горячее резервирование УВК на ЛПУ, т.е. ввод должен идти на два комплекта УВК ЛПУ. И тут начались мощные обвязки входов на элементах ввода. Элементы ввода стандартные, особо что-то не добавишь, но "пытливый детский ум" нашёл выход. Перед оптронами на входе эл-та ввода стояло несколько элементов (резисторы), так вот просто выпаяли последовательные резисторы и заменили их на диоды.
В итоге ввод всё же получился.
__________________
Не важна реальность, важно как мы к ней относимся!

Последний раз редактировалось Просто инженер АиТ; 25.01.2016 в 12:44. Причина: Добавлено сообщение
Просто инженер АиТ вне форума   Цитировать 0
Старый 25.01.2016, 14:27   #1316 (ссылка)
V.I.P.
 
Аватар для micush

Регистрация: 29.03.2009
Сообщений: 198
Поблагодарил: 94 раз(а)
Поблагодарили 50 раз(а)
Фотоальбомы: 1 фото
Репутация: 48
Цитата:
Сообщение от Просто инженер АиТ Посмотреть сообщение
В своё время разрабатывали мы Комплекс Горочный Микропроцессорный на базе элементов КТС-ЛИУС-2. В его состав входили различные модули:
- модуль процессора (на базе процессора КР580ВМ80),
И мне пришлось с таким поработать (возможно это был просто КТС-ЛИУС без двойки). Мы даже разработали на него свой МОНИТОР, который позволял не только пересылать по СОМ-порту программу с персоналки Нейрон (советский аналог IBM PC XT), но и производить с персоналки полноценную отладку (старт/стоп, просмотр регистров/памяти и т.п.)

Цитата:
один модуль ввода мог ввести 32 дискретных сигнала
У нас модули ввода были на 16 входов (если не путаю, вывода тоже, скорее всего, на 16).


Цитата:
На адаптере ввода производится ввод дискретного сигнала, питаемый переменным током. Т.е. опрос в какой-то любой момент времени не подходит, поэтому на один из входов подаётся напряжение питание, которое генерирует что-то типа прерывания, в момент, когда на этом входе 1. По прерыванию начинается опрос всех дискретных сигналов (пока на входе прерывания 1) по принципу интегрирования состояния, если после интеграции получаем 1, то в регистр записывается 1.
Не совсем понятно что имеется ввиду под "интеграцией". Если многократный опрос каждого входа с последующим подсчетом 1 и 0 то не совсем понятно для чего это нужно при наличие прерывания "приход положительной полуволны". Или интеграция за несколько периодов или за период >1 сек для определения что лампа горит, но мигает?

Можно вводить сигналы переменного тока и без дополнительного входа, обеспечивающего прерывание. Но тогда цикл опроса должен быть 1-2 мс чтобы за один период гарантированно поймать несколько 1 (остальные будут 0). Вот тут интеграция и пригодится чтобы не реагировать на одиночные 1 (считать их помехами). Заодно идет диагностика входа. Если на входе постоянно 1, то это признак пробоя полупроводниковых элементов.
micush вне форума   Цитировать 0
Старый 25.01.2016, 16:05   #1317 (ссылка)
ЛИИЖТ АТ-103 (1981-1986)
 
Аватар для Просто инженер АиТ

Регистрация: 16.10.2012
Адрес: Где резной палисад
Возраст: 64
Сообщений: 980
Поблагодарил: 220 раз(а)
Поблагодарили 140 раз(а)
Фотоальбомы: не добавлял
Репутация: 380
Цитата:
Не совсем понятно что имеется ввиду под "интеграцией". Если многократный опрос каждого входа с последующим подсчетом 1 и 0 то не совсем понятно для чего это нужно при наличие прерывания "приход положительной полуволны". Или интеграция за несколько периодов или за период >1 сек для определения что лампа горит, но мигает?
Дрожание контактов реле.
#define MaxLevel = 10 // Необходимый уровень интеграции, чтобы сигнал был в 1.

unsigned short MState[число дискретных сигналов/sizeof(unsigned short)]; // Бинарный массив дискретных сигналов.
int LevelState[число дискретных сигналов]; // Интеграторы.

// Функция определения состояния дискретного сигнала.
int Integ ( int State, // Состояние сигнала.
int Num ) // Его номер.
{
// Интегрирование.
if ( State != 0 ) LevelState[Num]++;
else LevelState[Num]--;
// Определение состояния сигнала и запись в бинарный массив.
if ( LevelState[Num] > MaxLevel )
{
MState[Num/sizeof(unsigned short)] |= 1<<(Num%sizeof(unsigned short));
return 1;
}
else
{
MState[Num/sizeof(unsigned short)] &= ~(1<<(Num%sizeof(unsigned short)));
}
return 0;
}
Ну как-то так.

Просто инженер АиТ добавил 25.01.2016 в 16:58
Цитата:
Если на входе постоянно 1, то это признак пробоя полупроводниковых элементов.
Несколько слабая диагностика. Например, есть стрелки, которые очень редко переводятся!

Просто инженер АиТ добавил 25.01.2016 в 17:06
Цитата:
Мы даже разработали на него свой МОНИТОР, который позволял не только пересылать по СОМ-порту программу с персоналки Нейрон (советский аналог IBM PC XT), но и производить с персоналки полноценную отладку (старт/стоп, просмотр регистров/памяти и т.п.)
Для КТС-ЛИУС2 у нас был очень мощный кроссовый отладчик собственной разработки. Сначала он был реализован на Искре-226 (могу ошибаться). Затем появился Robotron-1715 переделали под него. Ну, а последняя версия была реализована под IBM.
Почему я говорю мощный отладчик. У этого отладчика, например, можно было установить Break по условию записи/чтению определенного байта из любой области памяти или порта. Очень мощная система окон с установкой уровня косвенности (до 9 уровня). И так далее.
__________________
Не важна реальность, важно как мы к ней относимся!

Последний раз редактировалось Просто инженер АиТ; 25.01.2016 в 16:05. Причина: Добавлено сообщение
Просто инженер АиТ вне форума   Цитировать 0
Старый 26.01.2016, 13:57   #1318 (ссылка)
НЕзнайка

Автор темы
 
Аватар для VIC

Регистрация: 04.03.2009
Сообщений: 1,384
Поблагодарил: 628 раз(а)
Поблагодарили 191 раз(а)
Фотоальбомы: 83 фото
Репутация: 405
не врубился очень быстро уже на "матрице".

свою прожку писал естественно на СИ... но матерился после бейсика очень часто... да что там "часто" ... "без остановки" матерился.

сегодня наконец-то подключили к РШ на измерительной панели к переменке, заработало , но не сразу (кондер подбирали для сглаживания пульсации) на мосте.

Последний раз редактировалось VIC; 26.01.2016 в 13:58. Причина: Добавлено сообщение
VIC вне форума   Цитировать 0
Старый 26.01.2016, 15:47   #1319 (ссылка)
ЛИИЖТ АТ-103 (1981-1986)
 
Аватар для Просто инженер АиТ

Регистрация: 16.10.2012
Адрес: Где резной палисад
Возраст: 64
Сообщений: 980
Поблагодарил: 220 раз(а)
Поблагодарили 140 раз(а)
Фотоальбомы: не добавлял
Репутация: 380
Цитата:
сегодня наконец-то подключили к РШ на измерительной панели к переменке, заработало , но не сразу (кондер подбирали для сглаживания пульсации) на мосте.
Мы тоже делали контроллер для аналогово съёма напряжения на том же процессоре, что стоит в Arduino. Но мы не сглаживали, а сразу оцифровали, считали средне квадратичное и делали быстрое преобразование Фурье для спектрального анализа. Считывание с АЦП по прерываниям от таймера, остальная обработка на фоне.
Я, когда (году 1987, книг тогда не было и я учился по чужим исходникам) изучал 'С' после ассемблера и Бейсика, тоже не мог привыкнуть!

Просто инженер АиТ добавил 26.01.2016 в 16:49
Чтобы не скучно было.
/*------------------------------------------------------------------------------
Класс Фурье преобразования
05.03.2015 13:35
------------------------------------------------------------------------------*/
class TFure
{
private:
// Параметры для Спектрального Анализа
public:
TFure ( ) : FureA ( NULL ), FureB ( NULL ), FureC ( NULL ),
Buff ( NULL )
{ }

~TFure ( )
{
if ( FureA != NULL )
{ delete ( FureA ); FureA = NULL; }
if ( FureB != NULL )
{ delete ( FureB ); FureB = NULL; }
if ( FureC != NULL )
{ delete ( FureC ); FureC = NULL; }
if ( Buff != NULL )
{ delete ( Buff ); Buff = NULL; }
}
//-----------------------------------------
// Исходные данные Спектрального Анализа.
int Count; // Общее кол-во Отсчётов в Выборке.
// Всегда должно быть Count >= FrequencyDiscr.
int FrequencyDiscr; // Частота Дискретизации, на каком
// кол-во отсчётов следует определять
// Спектральный анализ.
int StepFrequency; // Шаг Частоты определени
// Спектрального Анализа.
//------------------------------------------------------------
int CountPoints; // Необходимое кол-во Отсчётов дл
// требуемого Шага Частоты.
// Вычисление CountPoints = FrequencyDiscr/StepFrequency;
//------------------------------------------------------------
int CountHarmonicFrequency; // Кол-во Гармоник
//------------------------------------------------------------
int FrViewBeg; // Частота начала Сп. Анализа.
int FrViewEnd; // Частота конца Сп. Анализа.

int IndViewBeg; // Индекс начала Сп. Анализа.
int IndViewEnd; // Индекс конца Сп. Анализа.
//------------------------------------------------------------
Word* Buff; // Указатель на Буфер.
//--------------------------------------
// Преобразование Фурье.
double* FureA; // Коэффициенты А.
double* FureB; // Коэффициенты В.
double* FureC; // Коэффициенты С.
double FureCMax; // Максимум.
double IndCMax; // Индекс Максимума.
//-----------------------------------------
// Преобразование Фурье 27.02.2014 16:42
void MakeFure ( int _StepFrequency );

};
/*------------------------------------------------------------------------------
Преобразование Фурье
27.02.2014 16:42
------------------------------------------------------------------------------*/
void TFure::MakeFure ( int _StepFrequency ) // Шаг Частоты Дискретизации.
{
if ( _StepFrequency == 0 )
return;

StepFrequency = _StepFrequency;
// Определим сколько точек надо Анализировать?
/*
Так как полное количество точек определяетс количеством точек на 1 секунду
при частоте дискретизации для файла Wav равное FrequencyDiscr, тогда
T = 1 / FrequencyDiscr;
Дл исследуемой частоты, гармоники, которой будем вычислять период будет
равен t = 1 / StepFrequency.
А количество точек определится из отношени t/T. После некоторых
преобразований получаем CountPoints = FrequencyDiscr/StepFrequency;
*/
CountPoints = FrequencyDiscr/StepFrequency;
double K = 2.0/CountPoints;
double DeltaT = K * M_PI;
//-------------------------------------------------------------------
// Создадим буфера для Коэффициентов по кол-во Гармоник.

// Количество Гармоник.
CountHarmonicFrequency = (FrViewEnd - StepFrequency)/StepFrequency + 1;
IndViewBeg = FrViewBeg/StepFrequency;
IndViewEnd = FrViewEnd/StepFrequency + 1;
//-------------------------------------------------------------------
if ( FureA != NULL )
{ delete ( FureA ); FureA = NULL; }
if ( FureB != NULL )
{ delete ( FureB ); FureB = NULL; }
if ( FureC != NULL )
{ delete ( FureC ); FureC = NULL; }
FureA = new double[CountHarmonicFrequency];
FureB = new double[CountHarmonicFrequency];
FureC = new double[CountHarmonicFrequency];
//----------------------------------------
if ( FureA == NULL
|| FureB == NULL
|| FureC == NULL )
return;
//----------------------------------------
int SizeFure = CountHarmonicFrequency*sizeof(double);
memset ( FureA, 0, SizeFure );
memset ( FureB, 0, SizeFure );
memset ( FureC, 0, SizeFure );
//-------------------------------------------------------------------
// Бежим по Отсчётам.
for ( int j=0; j < CountPoints; j++ )
{
//------------------------------------------------
// Получить значение Отсчёта.
double CurAmp = Buff[j];
//------------------------------------------------
// Бежим по гармоникам.
for ( int i=1; i <= CountHarmonicFrequency; i++ )
{
FureA[i-1] += CurAmp * cos( (j*i*DeltaT));
FureB[i-1] += CurAmp * sin( (j*i*DeltaT));
}
}
//-------------------------------------------------------------------
// Получить Модуль Вектора.
FureCMax = 0;
IndCMax = 0;
for ( int i=0; i < CountHarmonicFrequency; i++ )
{
FureC[i] = sqrt( K * ((FureA[i]*FureA[i])
+ (FureB[i]*FureB[i])) );
if ( FureCMax < FureC[i] )
{
FureCMax = FureC[i];
IndCMax = i;
}
}
}
__________________
Не важна реальность, важно как мы к ней относимся!

Последний раз редактировалось Просто инженер АиТ; 26.01.2016 в 15:47. Причина: Добавлено сообщение
Просто инженер АиТ вне форума   Цитировать 0
Старый 27.01.2016, 11:52   #1320 (ссылка)
ЛИИЖТ АТ-103 (1981-1986)
 
Аватар для Просто инженер АиТ

Регистрация: 16.10.2012
Адрес: Где резной палисад
Возраст: 64
Сообщений: 980
Поблагодарил: 220 раз(а)
Поблагодарили 140 раз(а)
Фотоальбомы: не добавлял
Репутация: 380
"А помощник-студент так до сих пор пробует зажигать светодиодики по нажатию кнопки... ему тоже до фурье еще далеко."
VIC - предлагаю открытое свободное сотрудничество, т.е. просто помощь, например, при написании ПО (иногда появляется свободное время в свободное от работы время (каламбур какой-то получился )).
__________________
Не важна реальность, важно как мы к ней относимся!

Последний раз редактировалось Просто инженер АиТ; 27.01.2016 в 11:52. Причина: Добавлено сообщение
Просто инженер АиТ вне форума   Цитировать 0
Похожие темы
Тема Автор Раздел Ответов Последнее сообщение
Обслуживание горочных устройств. yuri230382 Горочные системы 172 25.03.2015 11:05
Нормы времени на обслуживание устройств Leonidych Общие вопросы эксплуатации устройств СЦБ 20 25.09.2012 17:39
КЛУБ-У (обслуживание устройств на ТО-2) Zommer Қазақстан темір жолы 7 28.06.2012 23:39
СБОРНИК БАЗОВЫХ ЦЕН НА ТЕХНИЧЕСКОЕ ОБСЛУЖИВАНИЕ МИКРОПРОЦЕССОРНЫХ СИСТЕМ И УСТРОЙСТВ ЖЕЛЕЗНОДОРОЖНОЙ АВТОМАТИКИ И ТЕЛЕМЕХАНИКИ Андрей13 Микропроцессорные и релейно-процессорные централизации 0 10.10.2010 21:19
Работа устройств САУТ (KAMAZ учится) KAMAZ Разговоры обо всем 3 26.08.2010 19:49

Ответить в этой теме

Возможно вас заинтересует информация по следующим меткам (темам):
, , , , , , , , , , , , , , , , , , , , , , , , , , , , , , , , , , , , , , , , , , , , , , , , , , , , , , , , , , , , , , , , , ,


Здесь присутствуют: 2 (пользователей: 0 , гостей: 2)
 

Ваши права в разделе
Вы не можете создавать новые темы
Вы не можете отвечать в темах
Вы не можете прикреплять вложения
Вы не можете редактировать свои сообщения

BB коды Вкл.
Смайлы Вкл.
[IMG] код Вкл.
HTML код Выкл.
Trackbacks are Вкл.
Pingbacks are Вкл.
Refbacks are Выкл.



Часовой пояс GMT +3, время: 08:33.

Справочник 
сцбист.ру сцбист.рф

СЦБИСТ (ранее назывался: Форум СЦБистов - Railway Automation Forum) - крупнейший сайт работников локомотивного хозяйства, движенцев, эсцебистов, путейцев, контактников, вагонников, связистов, проводников, работников ЦФТО, ИВЦ железных дорог, дистанций погрузочно-разгрузочных работ и других железнодорожников.
Связь с администрацией сайта: admin@scbist.com
1 2 3 4 5 6 7 8 9 10 11 12 13 14 15 16 17 18 19 20 21 22 23 24 25 26 27 28 29 30 31 32 33 34