СЦБИСТ - железнодорожный форум, блоги, фотогалерея, социальная сеть
Вернуться   СЦБИСТ - железнодорожный форум, блоги, фотогалерея, социальная сеть > Эксплуатация устройств СЦБ > Общие вопросы эксплуатации устройств СЦБ
Общие вопросы эксплуатации устройств СЦБ Смотрите также фото: Реле, Аппараты управления, ДГА и панели питания, Переезды, Релейные и микропроцессорные централизации, автоблокировки, ДЦ, СЦБ в метро.
Закладки ДневникиПоддержка Сообщество Комментарии к фото Сообщения за день
Ответить в этой теме   Перейти в раздел этой темы    
 
В мои закладки Подписка на тему по электронной почте Отправить другу по электронной почте Опции темы Поиск в этой теме
Старый 27.10.2011, 20:40   #421 (ссылка)
Super V.I.P.
 
Аватар для каркуша

Регистрация: 23.08.2010
Адрес: Дом, милый дом...
Возраст: 54
Сообщений: 1,454
Поблагодарил: 84 раз(а)
Поблагодарили 210 раз(а)
Фотоальбомы: не добавлял
Репутация: 217
вот такой вопрос возник. в новых головках стоит какое то термореле, схему пока не видел, и первую голову тока завтра вешать будем, но народ у кого уже висит жалуется, типа это реле срабатывает и головка гаснет, в посте ничего толковово нет, поделитесь инфой у кого есть
__________________
КУПАЕТСЯ ТОТ, КОМУ ЛЕНЬ ПОЧЕСАТЬСЯ.
каркуша вне форума   Цитировать 0
Старый 28.10.2011, 00:50   #422 (ссылка)
V.I.P.
 
Аватар для Алекс.А

Регистрация: 23.01.2010
Сообщений: 223
Поблагодарил: 42 раз(а)
Поблагодарили 15 раз(а)
Фотоальбомы: не добавлял
Репутация: 42
РосАТовские ССС без проблем?. А у кого еще были такие проблемы как не включение ССС при подаче напряжения х.х 14.8 В? (В режиме х.х с СОБС-2А(М) при номинальном на входе 220 с обмоток II и III снимается 14.84В. При напряжении на первичной 220+5% - 15.58В. С вводом ПТЭ будет и 16.32В. ССС при таком напряжении не светят. Кроме этого проявился эфффект фантомной засветки негорящих ССС - ночью в свете головного огня локомотива на светофоре светятся желтым три ССС - один ярче - горит, на двух других "отраженка". Кто как борется с такими " проблемками"?
Алекс.А вне форума   Цитировать 0
Старый 28.10.2011, 01:18   #423 (ссылка)
статус
 
Аватар для Кабанбай Батыр

Регистрация: 20.10.2009
Сообщений: 3,237
Поблагодарил: 579 раз(а)
Поблагодарили 819 раз(а)
Фотоальбомы: 92 фото
Записей в дневнике: 10
Цитата:
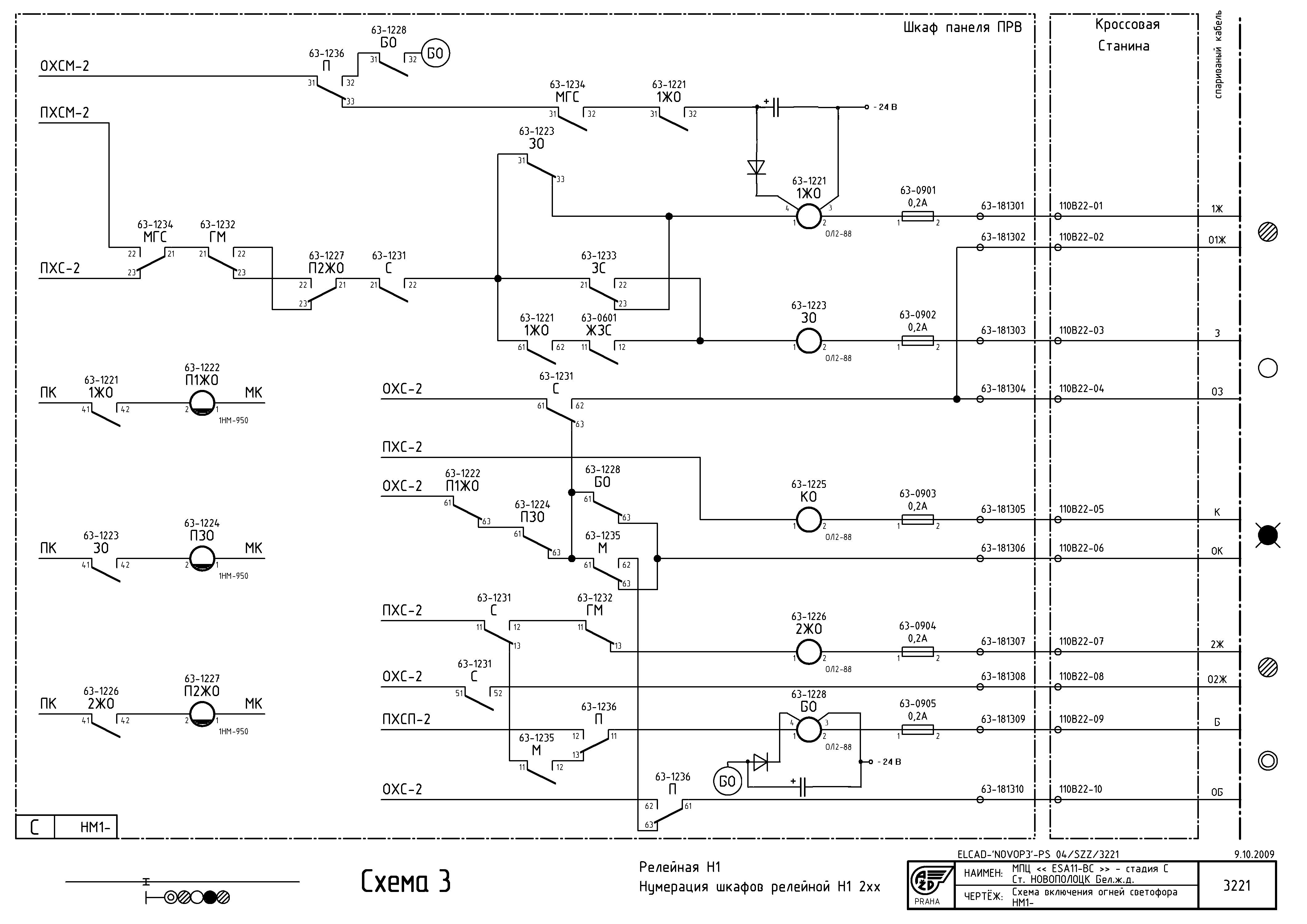
Сообщение от btz.ogk Посмотреть сообщение
Вот схема. Работает так...
Во Львове мигалку сделали на отдельном комплекте реле (как на пригласительный сигнал).
Кабанбай Батыр вне форума   Цитировать 0
Старый 03.11.2011, 14:51   #424 (ссылка)
Super V.I.P.
 
Аватар для Юстас

Регистрация: 03.07.2009
Адрес: г.Екатеринбург
Возраст: 63
Сообщений: 1,294
Поблагодарил: 127 раз(а)
Поблагодарили 256 раз(а)
Фотоальбомы: не добавлял
Репутация: 398
Цитата:
Сообщение от Admin
где ж можно, если жизнь показывает что нельзя?
Какая такая жизнь? Параллельно обмотке конденсатор 1000 мкФ и проблема "уходит". Я ж про модули постоянного тока талдычу.
__________________
"После игры короля кладут в тот же ящик, что и пешку"
Юстас вне форума   Цитировать 0
Старый 04.11.2011, 02:05   #425 (ссылка)
V.I.P.
 
Аватар для Алекс.А

Регистрация: 23.01.2010
Сообщений: 223
Поблагодарил: 42 раз(а)
Поблагодарили 15 раз(а)
Фотоальбомы: не добавлял
Репутация: 42
ССС РоСАТ без проблем? Неужели никто не устанавливал? У нас с этими головками за неделю внедрения поимели столько отказов (сигнальные точки из-за изменения питающего напряжения гаснут, работают в мигающем режиме), что наверное уже перекрыло количество отказов ламп накаливания за год. Как победить эту "не блаж"?
Алекс.А вне форума   Цитировать 0
Старый 08.11.2011, 19:57   #426 (ссылка)
Кандидат в V.I.P.
 
Аватар для DOMAIN

Регистрация: 09.10.2010
Возраст: 49
Сообщений: 11
Поблагодарил: 7 раз(а)
Поблагодарили 0 раз(а)
Фотоальбомы: не добавлял
Репутация: 11
У нас часто выходят из строя РоСатовские головки, работающие в мигающем режиме (предупредительные С.Т.). Есть еще проблема при работе в мигающем режиме происходит кратковременное обесточивание реле РО (АОШ-180/0,45). Блокировка по высокоомной обмотке выполнена правильно. Никакого ответа на это РоСат не дал.
DOMAIN вне форума   Цитировать 0
Старый 10.11.2011, 14:16   #427 (ссылка)
Super V.I.P.
 
Аватар для Юстас

Регистрация: 03.07.2009
Адрес: г.Екатеринбург
Возраст: 63
Сообщений: 1,294
Поблагодарил: 127 раз(а)
Поблагодарили 256 раз(а)
Фотоальбомы: не добавлял
Репутация: 398
btz.ogk,
Диод в схеме какую функцию выполняет?
__________________
"После игры короля кладут в тот же ящик, что и пешку"
Юстас вне форума   Цитировать 0
Старый 10.11.2011, 15:41   #428 (ссылка)
статус
 
Аватар для Кабанбай Батыр

Регистрация: 20.10.2009
Сообщений: 3,237
Поблагодарил: 579 раз(а)
Поблагодарили 819 раз(а)
Фотоальбомы: 92 фото
Записей в дневнике: 10
Цитата:
Сообщение от Юстас Посмотреть сообщение
btz.ogk,
Диод в схеме какую функцию выполняет?
Наверное выделяет постоянную составляющую. А кондер ее зглаживает и дает небольшое замедление.
Кабанбай Батыр вне форума   Цитировать 0
Старый 11.11.2011, 06:35   #429 (ссылка)
Super V.I.P.
 
Аватар для Юстас

Регистрация: 03.07.2009
Адрес: г.Екатеринбург
Возраст: 63
Сообщений: 1,294
Поблагодарил: 127 раз(а)
Поблагодарили 256 раз(а)
Фотоальбомы: не добавлял
Репутация: 398
Цитата:
Сообщение от Александр Михайлович
Наверное выделяет постоянную составляющую. А кондер ее зглаживает и дает небольшое замедление.
Там же однополярное напряжение подано? Пусть даже и импульсное ... Или я не догоняю?
__________________
"После игры короля кладут в тот же ящик, что и пешку"
Юстас вне форума   Цитировать 0
Старый 11.11.2011, 09:31   #430 (ссылка)
Super V.I.P.
 
Аватар для Юстас

Регистрация: 03.07.2009
Адрес: г.Екатеринбург
Возраст: 63
Сообщений: 1,294
Поблагодарил: 127 раз(а)
Поблагодарили 256 раз(а)
Фотоальбомы: не добавлял
Репутация: 398
Цитата:
Сообщение от btz.ogk
Чтобы конденсатор не шунтировал обмотку
Понятно. Тогда можно попробовать подключить обмотке 3-4 параллельно (встречно питанию) просто один диод ... тоже замедление будет.
__________________
"После игры короля кладут в тот же ящик, что и пешку"
Юстас вне форума   Цитировать 0
Старый 11.11.2011, 10:01   #431 (ссылка)
статус
 
Аватар для Кабанбай Батыр

Регистрация: 20.10.2009
Сообщений: 3,237
Поблагодарил: 579 раз(а)
Поблагодарили 819 раз(а)
Фотоальбомы: 92 фото
Записей в дневнике: 10
Щелкните, чтобы увидеть содержимое
А не чё, что полюса ОХСМ-2 и -24 объединяются ?
А еще можно организовать выпрямитель (диодный мост с кондером) для питания обмотки 3-4.
Цитата:
Я говорил выше, что вмешательство в обмотку 3-4 при работе обмотки 1-2 сразу приводит к сбоям в работе реле.
Может в этом и есть "ноу хау" ?
Кабанбай Батыр вне форума   Цитировать 0
Старый 11.11.2011, 10:12   #432 (ссылка)
Super V.I.P.
 
Аватар для Юстас

Регистрация: 03.07.2009
Адрес: г.Екатеринбург
Возраст: 63
Сообщений: 1,294
Поблагодарил: 127 раз(а)
Поблагодарили 256 раз(а)
Фотоальбомы: не добавлял
Репутация: 398
Цитата:
Сообщение от Александр Михайлович
А не чё, что полюса ОХСМ-2 и -24 объединяются
Согласен. Не очень хорошо

Юстас добавил 11.11.2011 в 11:12
Но при пробое конденсатора по-любому объединятся ...
__________________
"После игры короля кладут в тот же ящик, что и пешку"

Последний раз редактировалось Юстас; 11.11.2011 в 10:12. Причина: Добавлено сообщение
Юстас вне форума   Цитировать 0
Старый 11.11.2011, 10:28   #433 (ссылка)
статус
 
Аватар для Кабанбай Батыр

Регистрация: 20.10.2009
Сообщений: 3,237
Поблагодарил: 579 раз(а)
Поблагодарили 819 раз(а)
Фотоальбомы: 92 фото
Записей в дневнике: 10
Цитата:
Сообщение от Юстас Посмотреть сообщение
Не очень хорошо
Это очень лояльно сказано.
НЕДОПУСТИМО !!!
Кабанбай Батыр вне форума   Цитировать 0
Старый 11.11.2011, 11:36   #434 (ссылка)
V.I.P.
 
Аватар для Алекс.А

Регистрация: 23.01.2010
Сообщений: 223
Поблагодарил: 42 раз(а)
Поблагодарили 15 раз(а)
Фотоальбомы: не добавлял
Репутация: 42
У нас часто выходят из строя РоСатовские головки, работающие в мигающем режиме (предупредительные С.Т.). Есть еще проблема при работе в мигающем режиме происходит кратковременное обесточивание реле РО (АОШ-180/0,45). Блокировка по высокоомной обмотке выполнена правильно. Никакого ответа на это РоСат не дал.
А к нам приезжал представитель РоСАТа так он нас еще и обвинил в том, что ССС гаснут. Не можете, говорит, вы работать с ЭЧ в вопросах качества электроснабжения.
К примеру в момент установки ССС напряжение питания сигнальной точки было 220В. В соответствии с рекомендациями РоСАТ и принципиальной схемой точки питание МСХ, СХ12 включили от второй обмотки тр-ра СОБС (т.е 14.8В х.х. 13В по нагрузкой). Вроде все в допуске. Далее если не дай бог со стороны энергетиков прилетит перенапряжение или наборот понизится, даже кратковременно, даже на 10%, ССС горящая в данный момент гаснет и не включается до тех пор пока ее не выключишь и включишь (или переключится контактами реле Ж и З). А на предвходных в режиме мигания вообще песня - может самопроизвольно и практически без видимых причин погаснуть.
Реле РО по типовым решениям РоСАТ работает в импульсном режиме, а его контакт "немножечко так" искажает код З.
В общем - Чудо, а не ССС.
И машинисты жалуются что слепит.
Рацпредложение по РО набросали, отправили в ШЛ. Подпишут - выложу.
Алекс.А вне форума   Цитировать 0
Старый 28.11.2011, 18:48   #435 (ссылка)
Кандидат в V.I.P.
 
Аватар для Filon

Регистрация: 20.05.2009
Сообщений: 9
Поблагодарил: 5 раз(а)
Поблагодарили 1 раз(а)
Фотоальбомы: не добавлял
Репутация: 0
Цитата:
Сообщение от Алекс.А Посмотреть сообщение
ССС РоСАТ без проблем? Неужели никто не устанавливал? У нас с этими головками за неделю внедрения поимели столько отказов (сигнальные точки из-за изменения питающего напряжения гаснут, работают в мигающем режиме), что наверное уже перекрыло количество отказов ламп накаливания за год. Как победить эту "не блаж"?
Зачем ставить то что не работает? На протяжении с 2002 года по 2011 г стоят ССМ завода Транссигнал не было ни одного отказа, посветку исключили сразу в паралель голове включили резистор 47 Ом, с 2005 года от вандалов были сняты лестницы, то есть перевели светофоры на необслуживаемые.В 2008 гоу запустили станцию на модулях Пермского оптикомеханического завода после пуска отказов по вине модулей не было, доработок схемы тоже, в этомгоду делали первую ревизию, полет нормальный, путем установки дополнительных трансформаторов в панели питания сделали ночной режим работы, так как машинисты жаловались что их ослепляет.
Filon вне форума   Цитировать 0
Похожие темы
Тема Автор Раздел Ответов Последнее сообщение
СВЕТОФОРЫ Legon Постовое и напольное оборудование 39 02.02.2017 15:06
=Техн. решения= Системы светодиодные светооптческие мачтовых светофоров НКМР.676636.030-00-ТР savage Системы централизации и блокировки 5 05.10.2012 12:22
Светодиодные головки-расчет надежности Ahiles Ищу/Предлагаю 1 16.03.2011 00:21
Светофоры vl10-1510 Поиск документации 2 02.06.2010 19:48
Светодиодные светофоры ganz77 Постовое и напольное оборудование 4 15.01.2010 01:55

Ответить в этой теме   Перейти в раздел этой темы   Translate to English

Возможно вас заинтересует информация по следующим меткам (темам):
, , , , , , , , , , , , , , , , , , , , , , , , , , , , , , , , , , , , , , , , , , , , , , , , , , , , , , , , , , , , , ,


Здесь присутствуют: 1 (пользователей: 0 , гостей: 1)
 

Ваши права в разделе
Вы не можете создавать новые темы
Вы не можете отвечать в темах
Вы не можете прикреплять вложения
Вы не можете редактировать свои сообщения

BB коды Вкл.
Смайлы Вкл.
[IMG] код Вкл.
HTML код Выкл.
Trackbacks are Вкл.
Pingbacks are Вкл.
Refbacks are Выкл.



Часовой пояс GMT +3, время: 21:22.

Яндекс.Метрика Справочник 
сцбист.ру сцбист.рф

СЦБИСТ (ранее назывался: Форум СЦБистов - Railway Automation Forum) - крупнейший сайт работников локомотивного хозяйства, движенцев, эсцебистов, путейцев, контактников, вагонников, связистов, проводников, работников ЦФТО, ИВЦ железных дорог, дистанций погрузочно-разгрузочных работ и других железнодорожников.
Связь с администрацией сайта: admin@scbist.com
1 2 3 4 5 6 7 8 9 10 11 12 13 14 15 16 17 18 19 20 21 22 23 24 25 26 27 28 29 30 31 32 33 34 
Powered by vBulletin® Version 3.8.1
Copyright ©2000 - 2026, Jelsoft Enterprises Ltd.
Powered by NuWiki v1.3 RC1 Copyright ©2006-2007, NuHit, LLC Перевод: zCarot