СЦБИСТ - железнодорожный форум, блоги, фотогалерея, социальная сеть
Вернуться   СЦБИСТ - железнодорожный форум, блоги, фотогалерея, социальная сеть > Эксплуатация устройств СЦБ > Лаборатория СЦБ > Терминатор СЦБ
Терминатор СЦБ Рекомендации по совершенствованию технического обслуживания и ремонта устройств СЦБ
Закладки ДневникиПоддержка Сообщество Комментарии к фото Сообщения за день
Ответить в этой теме   Перейти в раздел этой темы    
 
В мои закладки Подписка на тему по электронной почте Отправить другу по электронной почте Опции темы Поиск в этой теме
Старый 17.02.2012, 21:10   #151 (ссылка)
Super V.I.P.
 
Аватар для СУНДЕТОВ

Регистрация: 22.11.2010
Сообщений: 1,838
Поблагодарил: 760 раз(а)
Поблагодарили 1349 раз(а)
Фотоальбомы: 20 фото
Репутация: 549
Цитата:
Сообщение от Николай Николаевич Посмотреть сообщение
Неизбежно сгорит при очередном переключении фидеров.
Это да,но я назвал 2А так. ПОБС -300 ВТ,СОБС -135 ВТ.
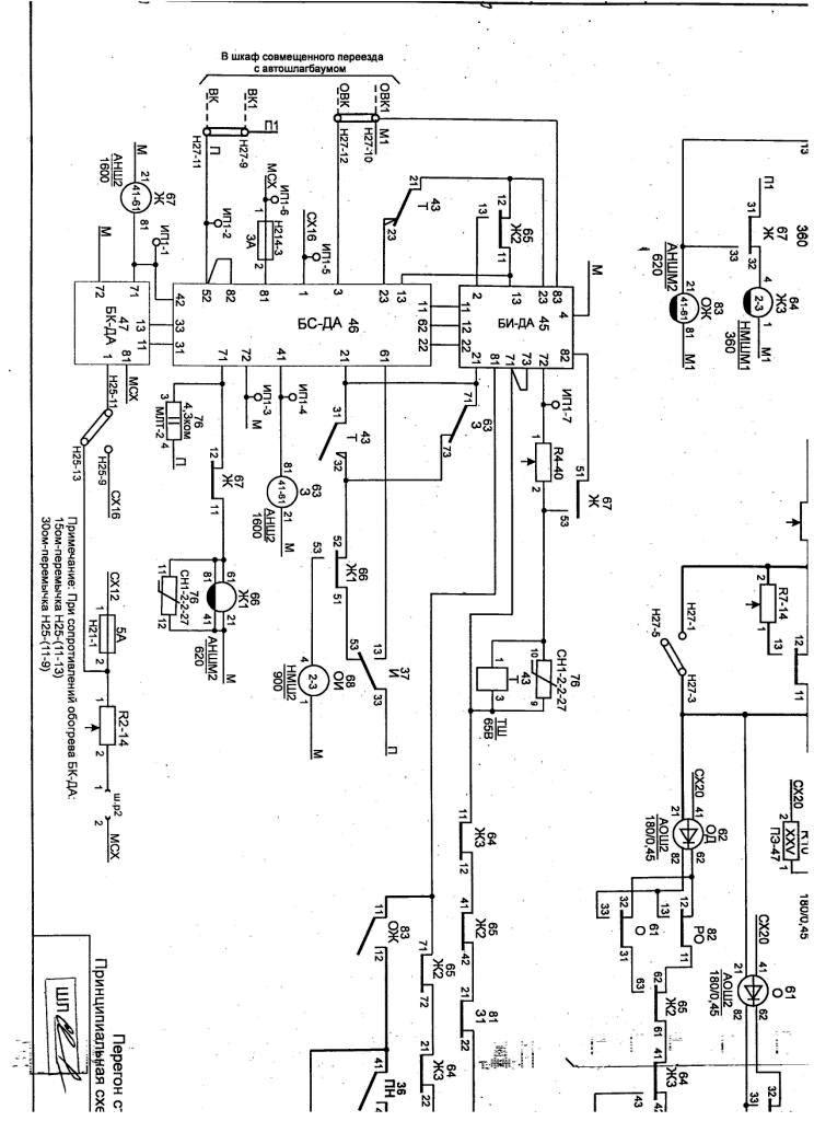
И еще: в цепи МСХ ( так удобнее по монтажке изменение внести
на типовом РШ) установка предохранителя на БС-ДА , защита
трансформатора С привыходе диода на БС.(мы уже закончили).

Последний раз редактировалось СУНДЕТОВ; 17.02.2012 в 21:17.
СУНДЕТОВ вне форума   Цитировать 0
Старый 17.02.2012, 21:30   #152 (ссылка)
Super V.I.P.
 
Аватар для Евгений002

Регистрация: 05.04.2009
Адрес: Ямал
Возраст: 69
Сообщений: 4,370
Поблагодарил: 402 раз(а)
Поблагодарили 655 раз(а)
Фотоальбомы: не добавлял
Репутация: 600
Цитата:
Сообщение от Николай Николаевич Посмотреть сообщение
В цепи включения первичной обмотки трансформатора ПОБС не может быть предохранителя номиналом менее 3А, в цепи СОБСа - менее 2А. Независимо от нагрузки. Неизбежно сгорит при очередном переключении фидеров.
Если не изменяет память, Пр на СОБСы обогрева РШ-1А.......плохо.

Не поленился, заглянул в схему-
РШ УЗП Т2-СОБС-2М, рождает полюс П-М-----1А
Т3-ПОБС-5М--полюс обогрева контактов АП-----2А
Т1--СОБС-2М-питание ББК-М------------------1А

Последний раз редактировалось Евгений002; 17.02.2012 в 21:37.
Евгений002 вне форума   Цитировать 0
Старый 17.02.2012, 21:45   #153 (ссылка)
Super V.I.P.
 
Аватар для СУНДЕТОВ

Регистрация: 22.11.2010
Сообщений: 1,838
Поблагодарил: 760 раз(а)
Поблагодарили 1349 раз(а)
Фотоальбомы: 20 фото
Репутация: 549
Цитата:
Сообщение от Евгений002 Посмотреть сообщение
Пр на СОБСы обогрева РШ-1А.......плохо.
А было то 0,5А , а сейчас 1А на первичке.
Но все это зависит от нагрузки на вторичной.
А по справочнику взято максимальная, но СЦБиные
трансы, как и сами СЦБисты могут и больше выдержат.
СУНДЕТОВ вне форума   Цитировать 0
Старый 18.02.2012, 13:00   #154 (ссылка)
Super V.I.P.

Автор темы
 
Аватар для Суховерша Алексей

Регистрация: 24.01.2011
Адрес: Калининград
Возраст: 63
Сообщений: 9,085
Поблагодарил: 1796 раз(а)
Поблагодарили 2156 раз(а)
Фотоальбомы: 710 фото
Репутация: 673
Цитата:
Сообщение от СУНДЕТОВ Посмотреть сообщение
Да, для них информация к размышлению.
А вот защита самого питания ПБ,МБ В РШ: сейчас мы начали ставит предохранитель на 10А в сторону схемы
от РТА на ПБ для защиты при КЗ. А от РТА в сторону ПХ,ОХ какая защита, согласно указании на ПХ 20А
и еще по 20А на входе ПХ,ОХ (которые служат как
выключатели ). Наверное пора поменят 20А на 2А
в цепи транса СБ, хоть при неисправности РТА или ПОБС-2 будет защита.
Правильно. Давно пора. меня пред в 20А на первичке трансформатора для РТА давно бесит.
__________________
Россия - Калининград.
Границы разные, страна - одна.

Я хотел бы служить кондуктором в трамвае, а уж хуже этой работы нет ничего на свете.
Суховерша Алексей вне форума   Цитировать 1
Старый 20.02.2012, 12:35   #155 (ссылка)
V.I.P.
 
Аватар для Грозощит

Регистрация: 12.04.2011
Сообщений: 460
Поблагодарил: 71 раз(а)
Поблагодарили 259 раз(а)
Фотоальбомы: не добавлял
Репутация: 133
http://scbist.com/downloads.php?do=file&id=375&act=down
Ссылка на письмо ЦШ на сеть по грозе
__________________
Выше всех добродетелей рассуждение, ибо всякая добродетель без разума — пуста.

Пётр I - первый император и основатель Российской Империи
Грозощит вне форума   Цитировать 1
Поблагодарили:
Данный пост получил благодарности от пользователей
Старый 20.02.2012, 13:37   #156 (ссылка)
Super V.I.P.
 
Аватар для Евгений002

Регистрация: 05.04.2009
Адрес: Ямал
Возраст: 69
Сообщений: 4,370
Поблагодарил: 402 раз(а)
Поблагодарили 655 раз(а)
Фотоальбомы: не добавлял
Репутация: 600
Выравниватели ВОЦШ, установленные в ПХ-ОХ(осевые контакты реле) внедрялись для защиты от коммутационных импульсов перенапряжения при переключении фидеров питания, их демонтировать?
Евгений002 вне форума   Цитировать 0
Старый 20.02.2012, 13:47   #157 (ссылка)
V.I.P.
 
Аватар для Алекс.А

Регистрация: 23.01.2010
Сообщений: 223
Поблагодарил: 42 раз(а)
Поблагодарили 15 раз(а)
Фотоальбомы: не добавлял
Репутация: 42
УЗП1-500-0.26 и УЗП1РУ-1000 отсутствуют, а до грозового уже неделеко. Чем их можно заменить?
Алекс.А вне форума   Цитировать 0
Старый 20.02.2012, 14:34   #158 (ссылка)
Super V.I.P.
 
Аватар для Евгений002

Регистрация: 05.04.2009
Адрес: Ямал
Возраст: 69
Сообщений: 4,370
Поблагодарил: 402 раз(а)
Поблагодарили 655 раз(а)
Фотоальбомы: не добавлял
Репутация: 600
Цитата:
Сообщение от Алекс.А Посмотреть сообщение
УЗП1-500-0.26 и УЗП1РУ-1000 отсутствуют, а до грозового уже неделеко. Чем их можно заменить?
В первом "раунде" обсуждения этой темы летом уже шел разговор о переносе на 1м этапе в КЯ существующих ВОЦШ и РВНШ до приобретения УЗП1, мы надеялись получить официальное разрешение в этом документе, если не изменяет память, Николай Николаевич такое решение в своих постах на Форуме поддерживал, но.....
Евгений002 вне форума   Цитировать 0
Старый 20.02.2012, 15:31   #159 (ссылка)
__
 
Аватар для Николай Николаевич

Регистрация: 10.09.2010
Адрес: Москва
Возраст: 64
Сообщений: 13,931
Поблагодарил: 408 раз(а)
Поблагодарили 2363 раз(а)
Фотоальбомы: не добавлял
Репутация: 1516
Цитата:
Сообщение от Евгений002 Посмотреть сообщение
В первом "раунде" обсуждения этой темы летом уже шел разговор о переносе на 1м этапе в КЯ существующих ВОЦШ и РВНШ до приобретения УЗП1, мы надеялись получить официальное разрешение в этом документе, если не изменяет память, Николай Николаевич такое решение в своих постах на Форуме поддерживал, но.....
Это уже как минимум ДВАЖДЫ разрешено в 2010 и в 2011 годах!!!

Николай Николаевич добавил 20.02.2012 в 16:31
Цитата:
Сообщение от Евгений002 Посмотреть сообщение
Выравниватели ВОЦШ, установленные в ПХ-ОХ(осевые контакты реле) внедрялись для защиты от коммутационных импульсов перенапряжения при переключении фидеров питания, их демонтировать?
Демонтировать. Их целесообразность - весьма надуманна. Польза - не очевидна, а вред - как и в случае с расположенными в РШ РВНШ-250 и ВОЦШ-220 на вводе фидеров - налицо.

Последний раз редактировалось Николай Николаевич; 20.02.2012 в 15:31. Причина: Добавлено сообщение
Николай Николаевич вне форума   Цитировать 0
Старый 20.02.2012, 22:53   #160 (ссылка)
V.I.P.
 
Аватар для Алекс.А

Регистрация: 23.01.2010
Сообщений: 223
Поблагодарил: 42 раз(а)
Поблагодарили 15 раз(а)
Фотоальбомы: не добавлял
Репутация: 42
Цитата:
Это уже как минимум ДВАЖДЫ разрешено в 2010 и в 2011 годах!!!
Ни одном документе прямого разрешения на замену УЗП на ВОЦН нет. Поэтому в случае разбора я уже догадываюсь кто неправ...
Если суть указания должна читаться между строк то это неправильное указание. Указание не должно читаться двояко.
В указании должно быть записано "разрешено". Или хотя бы на схемах под названием УРП написано в скобках (ВОЦН).
И куда теперь устанавливать ЗФ-220?

Последний раз редактировалось Алекс.А; 20.02.2012 в 23:18.
Алекс.А вне форума   Цитировать 0
Поблагодарили:
Данный пост получил благодарности от пользователей
Старый 21.02.2012, 05:28   #161 (ссылка)
__
 
Аватар для Николай Николаевич

Регистрация: 10.09.2010
Адрес: Москва
Возраст: 64
Сообщений: 13,931
Поблагодарил: 408 раз(а)
Поблагодарили 2363 раз(а)
Фотоальбомы: не добавлял
Репутация: 1516
Цитата:
Сообщение от Алекс.А Посмотреть сообщение
Ни одном документе прямого разрешения на замену УЗП на ВОЦН нет. Поэтому в случае разбора я уже догадываюсь кто неправ...
Если суть указания должна читаться между строк то это неправильное указание. Указание не должно читаться двояко.
В указании должно быть записано "разрешено". Или хотя бы на схемах под названием УРП написано в скобках (ВОЦН).
И куда теперь устанавливать ЗФ-220?
Если в КЯ установлен ЗФ-220 - то никакой другой "приблуды" в виде РВНШ-250 - ВОЦШ-220 для защиты фидера устанавливать не нужно...
Смысл предыдущих указаний - не в ЗАМЕНЕ РВНШ и ВОЦШ на соответствующие УЗП, а в ВЫНОСЕ их из РШ в КЯ!!!
Неужели не понятно - все беды - от ненужного соединения цепей ОПХ-ООХ и РПХ-РОХ со средней точкой ДТ!!!
Николай Николаевич вне форума   Цитировать 0
Старый 21.02.2012, 09:50   #162 (ссылка)
Super V.I.P.
 
Аватар для СУНДЕТОВ

Регистрация: 22.11.2010
Сообщений: 1,838
Поблагодарил: 760 раз(а)
Поблагодарили 1349 раз(а)
Фотоальбомы: 20 фото
Репутация: 549
Цитата:
Сообщение от СУНДЕТОВ Посмотреть сообщение
И еще: в цепи МСХ ( так удобнее по монтажке изменение внести
на типовом РШ) установка предохранителя на БС-ДА , защита
трансформатора С привыходе диода на БС.(мы уже закончили).
Предохраитель на БС-ДА и включение обогрева БК-ДА.
СУНДЕТОВ вне форума   Цитировать 0
Старый 21.02.2012, 10:15   #163 (ссылка)
V.I.P.
 
Аватар для Грозощит

Регистрация: 12.04.2011
Сообщений: 460
Поблагодарил: 71 раз(а)
Поблагодарили 259 раз(а)
Фотоальбомы: не добавлял
Репутация: 133
Цитата:
Ни одном документе прямого разрешения на замену УЗП на ВОЦН нет. Поэтому в случае разбора я уже догадываюсь кто неправ...
Если суть указания должна читаться между строк то это неправильное указание. Указание не должно читаться двояко.
В указании должно быть записано "разрешено". Или хотя бы на схемах под названием УРП написано в скобках (ВОЦН).
И куда теперь устанавливать ЗФ-220?
Замечание принимается, но были редакторские (не мои) правки, в чем то улучшили документ, в чем-то наоборот.
ЗФ не более легален, чем УЗП, на который есть утвержденные ЦШЗ-1 ТР на включение, правда нуждающиеся в доработке. Настоящее письмо было предназначено в первую очередь на устройства выполненные по типовым альбомам, но многочисленные изменения разного уровня принятия решений (ОТМ, указания и т.д.) их не оставили. Для того, чтобы документы, в т.ч. и письма ЦШ и нормативные по этой тематике были корректней в будущем мной открыта на форуме тема "Пока не грянул гром". Чтобы нам всем учить и учиться, задавать вопросы, делиться информацией и находить решения.

Последний раз редактировалось Грозощит; 21.02.2012 в 10:23.
Грозощит вне форума   Цитировать 1
Старый 21.02.2012, 11:03   #164 (ссылка)
V.I.P.
 
Аватар для Алекс.А

Регистрация: 23.01.2010
Сообщений: 223
Поблагодарил: 42 раз(а)
Поблагодарили 15 раз(а)
Фотоальбомы: не добавлял
Репутация: 42
Цитата:
Если в КЯ установлен ЗФ-220 - то никакой другой "приблуды" в виде РВНШ-250 - ВОЦШ-220 для защиты фидера устанавливать не нужно...
Если ЗФ-220 установлены в ПЯ заземленные на ДТ то какие варианты используем:
1 Демонтируем ВОЦШ (ВОЦН) цепей ПХ-ОХ в РШ.
2 ПЯ переносим к КЯ АБ (в КЯ он не входит), заземляем его на низковольтное заземление АБ и демонтируем ВОЦШ (ВОЦН) в РШ.
По второму варианту что устанавливаем в КЯ?
Алекс.А вне форума   Цитировать 0
Старый 21.02.2012, 11:13   #165 (ссылка)
__
 
Аватар для Николай Николаевич

Регистрация: 10.09.2010
Адрес: Москва
Возраст: 64
Сообщений: 13,931
Поблагодарил: 408 раз(а)
Поблагодарили 2363 раз(а)
Фотоальбомы: не добавлял
Репутация: 1516
Цитата:
Сообщение от Алекс.А Посмотреть сообщение
Если ЗФ-220 установлены в ПЯ заземленные на ДТ то какие варианты используем:
1 Демонтируем ВОЦШ (ВОЦН) цепей ПХ-ОХ в РШ.
2 ПЯ переносим к КЯ АБ (в КЯ он не входит), заземляем его на низковольтное заземление АБ и демонтируем ВОЦШ (ВОЦН) в РШ.
По второму варианту что устанавливаем в КЯ?
Ну еще раз!
Если у Вас ЗФ-220 - то РВНШ и ВОЦШ в РШ УЖЕ НЕ ДОЛЖНО БЫТЬ!!!
Заземление ЗФ-220 на среднюю точку ДТ - электротехническая ДИКОСТЬ (не Ваша, а идеологов).
Для расположения ЗФ-220 ИМЕННО в КЯ был разработан и выпускается специальный КЯ, в нем всё помещается.
Как вариант - ПЯ перенести к силовой опоре, в ПЯ - ЗФ-220 с заземлением на низковольтное заземление опоры, тогда в КЯ - только соединительные двухштырки.
Николай Николаевич вне форума   Цитировать 0
Похожие темы
Тема Автор Раздел Ответов Последнее сообщение
Борьба с грозой Andrei Zekanov Терминатор СЦБ 50 02.05.2018 20:15
[Гудок] [21 июня 2011] Как бороться с нарушениями дисциплины на производстве? Admin Газета "Гудок" 0 03.07.2011 10:16
как бороться с ДС Rus1359 Общие вопросы эксплуатации устройств СЦБ 17 16.08.2010 13:16

Ответить в этой теме   Перейти в раздел этой темы   Translate to English

Возможно вас заинтересует информация по следующим меткам (темам):
, , , , , , , , , , , , , , , , , , , , , , , , , , , , , , , , , , , , , , , , , , , , , , , , , , , , , , , , , , , , , , , , , , , , , , , , , , ,


Здесь присутствуют: 1 (пользователей: 0 , гостей: 1)
 

Ваши права в разделе
Вы не можете создавать новые темы
Вы не можете отвечать в темах
Вы не можете прикреплять вложения
Вы не можете редактировать свои сообщения

BB коды Вкл.
Смайлы Вкл.
[IMG] код Вкл.
HTML код Выкл.
Trackbacks are Вкл.
Pingbacks are Вкл.
Refbacks are Выкл.



Часовой пояс GMT +3, время: 10:07.

Яндекс.Метрика Справочник 
сцбист.ру сцбист.рф

СЦБИСТ (ранее назывался: Форум СЦБистов - Railway Automation Forum) - крупнейший сайт работников локомотивного хозяйства, движенцев, эсцебистов, путейцев, контактников, вагонников, связистов, проводников, работников ЦФТО, ИВЦ железных дорог, дистанций погрузочно-разгрузочных работ и других железнодорожников.
Связь с администрацией сайта: admin@scbist.com
1 2 3 4 5 6 7 8 9 10 11 12 13 14 15 16 17 18 19 20 21 22 23 24 25 26 27 28 29 30 31 32 33 34 
Powered by vBulletin® Version 3.8.1
Copyright ©2000 - 2026, Jelsoft Enterprises Ltd.
Powered by NuWiki v1.3 RC1 Copyright ©2006-2007, NuHit, LLC Перевод: zCarot