СЦБИСТ - железнодорожный форум, блоги, фотогалерея, социальная сеть
Ушел из жизни Крупицкий Адольф Зельманович
6 февраля 2026 года ушел из жизни Крупицкий Адольф Зельманович, более шести десятков лет проработавший в институте «Гипротранссигналсвязь». Всю свою трудовую деятельность А.З. Крупицкий посвятил проектному делу. После окончанию обучения в Ленинградском институте инженеров железнодорожного транспорта в 1959 году начал свою профессиональную деятельность в качестве старшего электромеханика дистанции сигнализации и связи на Казахской железной дороге. В 1960 году пришел на работу в институт на должность инженера, работал руководителем группы, главным инженером проектов.

Читать далее
Вернуться   СЦБИСТ - железнодорожный форум, блоги, фотогалерея, социальная сеть > Эксплуатация устройств СЦБ > Постовое и напольное оборудование > Локомотивные устройства и АЛС
Закладки ДневникиПоддержка Сообщество Комментарии к фото Сообщения за день
Ответить в этой теме   Перейти в раздел этой темы    
 
В мои закладки Подписка на тему по электронной почте Отправить другу по электронной почте Опции темы Поиск в этой теме
Старый 27.08.2011, 09:03   #91 (ссылка)
__
 
Аватар для Николай Николаевич

Регистрация: 10.09.2010
Адрес: Москва
Возраст: 64
Сообщений: 13,931
Поблагодарил: 408 раз(а)
Поблагодарили 2363 раз(а)
Фотоальбомы: не добавлял
Репутация: 1516
Михаил Владимирович,

Ваша проблема в том, что у Вас не кодируется участок приближения. Поэтому первичная расшифровка кодов с "белого" происходит при движении по коротким рельсовым цепям. РЦ по 50 - 60 м, да еще две подряд - это и при уже имеющемся на локомотиве и расшифрованном коде не очень "комфортный" режим даже при небольших скоростях. А при расшифровке "с нуля" - вдвойне.
Кстати, если на перегоне полуавтоматика - то согласно ПТЭ участок приближения должен кодироваться!
В Вашем случае - с учетом переезда и фактической длины рельсовой цепи, непосредственно прилегающей ко входному светофору - достаточно закодировать именно эту РЦ. Надо сделать её обычной кодовой - со стороны входного светофора - питающий конец, на переезде - релейный, там дешифратор кодовой а/б. Контакты реле Ж - в цепи извещения к станции и к переезду. Особенность кодирования РЦ перед входным светофором при полуавтоматической блокировке - не нужно делать перенос красного огня,т.е. срывать кодирование кодом КЖ при перегорании лампы красного огня на входном светофоре.
Удачи!
Я правильно понимаю, что это не ОАО "РЖД"? Иначе все, о чем я написал, может существенно ускориться...
Николай Николаевич вне форума   Цитировать 0
Старый 27.08.2011, 10:19   #92 (ссылка)
Super V.I.P.
 
Аватар для СУНДЕТОВ

Регистрация: 22.11.2010
Сообщений: 1,834
Поблагодарил: 760 раз(а)
Поблагодарили 1349 раз(а)
Фотоальбомы: 20 фото
Репутация: 549
Цитата:
Сообщение от Михаил Владимирович Посмотреть сообщение
Попробуем включить предварительное кодирование 5СП. Сбои по 5 раз в месяц, дело в том, что участок перед входным не кодируется т.к. на участке приближения переезд, кодируется только входная рельсовая цепь, при сквозном пропуске сбои характера КЖ-З, Ж-З, тут и ежу понятно, что сбои из-за коротких рельсовых цепей я думаю при объединении рельсовых цепей сбои бы прекратились, вот только как это оформить
Тут причина что-то другой и по характеру,у тебя НП 97м и СП 93м согласно схеме.Унас 50м и были переходы на Б.
Николай Николаевич прав, куда делать перенос, если на ПН нет красного.
У нас тоже переезд и включили в цеп БС-ДА контакт ТШ и цепь кодиро-
вания РЦ т.к. переезд со стороны входного, для исключения изменения
временных параметров.Как то ездил в другую дистанцию (попросили) тоже были по нескольку в неделью, а оказалось ВВ линия и токи "Фуко",
поднял ток и сбой прекратились.
Миниатюры
Сбой кодов АЛСН за выходным светофором.-pereezd1.jpg  

Последний раз редактировалось СУНДЕТОВ; 27.08.2011 в 10:36.
СУНДЕТОВ вне форума   Цитировать 0
Старый 27.08.2011, 11:19   #93 (ссылка)
V.I.P.
 
Аватар для Rafa

Регистрация: 24.10.2009
Адрес: МОЙДОДЫР
Сообщений: 5,650
Поблагодарил: 388 раз(а)
Поблагодарили 577 раз(а)
Фотоальбомы: не добавлял
Цитата:
Сообщение от Николай Николаевич Посмотреть сообщение
не нужно делать перенос красного огня,т.е. срывать кодирование кодом КЖ при перегорании лампы красного огня на входном светофоре.
Конечно не надо, ведь на предупредительном только желтый и зеленый .

Rafa добавил 27.08.2011 в 11:15
Цитата:
Сообщение от СУНДЕТОВ Посмотреть сообщение
У нас тоже переезд и включили в цеп БС-ДА контакт ТШ и цепь кодиро-
вания РЦ т.к. переезд со стороны входного, для исключения изменения
временных параметров.Как то ездил в другую дистанцию (попросили) тоже были по нескольку в неделью
По идеи тут не имеет значения или контакт реле И или Т в цепи БС так как они работают синхронно.

Rafa добавил 27.08.2011 в 11:19
Я думую вообще надо убрать 50-метровую РЦ переезда (совместить с ЧП) и сделать кодирование как в однопутной КАБ.

Rafa добавил 27.08.2011 в 11:19
От нее толку мало.

Последний раз редактировалось Rafa; 27.08.2011 в 11:19. Причина: Добавлено сообщение
Rafa вне форума   Цитировать 1
Старый 27.08.2011, 11:28   #94 (ссылка)
__
 
Аватар для Николай Николаевич

Регистрация: 10.09.2010
Адрес: Москва
Возраст: 64
Сообщений: 13,931
Поблагодарил: 408 раз(а)
Поблагодарили 2363 раз(а)
Фотоальбомы: не добавлял
Репутация: 1516
Цитата:
Сообщение от Rafa Посмотреть сообщение
Конечно не надо, ведь на предупредительном только желтый и зеленый .
суть не в том, что на предупредительном только желтый и зеленый. Если входной красный - то предупредительный желтый, и если входной погасший - предупредительный желтый...
Суть в том, что по перегону с полуавтоматикой машинист едет по белому огню локомотивного светофора. Если при перегорании красного огня на входном выключить кодирование - то на участке приближения он так и будет ехать по белому. И автостоп после проезда красного не сработает!

Николай Николаевич добавил 27.08.2011 в 11:28
Цитата:
Сообщение от Rafa Посмотреть сообщение
Я думую вообще надо убрать 50-метровую РЦ переезда (совместить с ЧП) и сделать кодирование как в однопутной КАБ.

Rafa добавил 27.08.2011 в 11:19
От нее толку мало.
Ну я бы не горячился. Переезд на участке без автоблокировки, 3 рельсовых цепи, классическая схема, решены все вопросы открытия - закрытия переезда.
К теме АЛС это не имеет никакого отношения.
А участок приближения при полуавтоматике кодировать нужно по ПТЭ. При такой длине РЦ перед входным светофором - достаточно эту РЦ сделать кодовой - и все решается. Именно кодовой, а не наложить кодирование - это принципиально! Остальное трогать не нужно.

Последний раз редактировалось Николай Николаевич; 27.08.2011 в 11:28. Причина: Добавлено сообщение
Николай Николаевич вне форума   Цитировать 0
Старый 27.08.2011, 11:37   #95 (ссылка)
V.I.P.
 
Аватар для Rafa

Регистрация: 24.10.2009
Адрес: МОЙДОДЫР
Сообщений: 5,650
Поблагодарил: 388 раз(а)
Поблагодарили 577 раз(а)
Фотоальбомы: не добавлял
Цитата:
Сообщение от Николай Николаевич Посмотреть сообщение
Суть в том, что по перегону с полуавтоматикой машинист едет по белому огню локомотивного светофора. Если при перегорании красного огня на входном выключить кодирование - то на участке приближения он так и будет ехать по белому. И автостоп после проезда красного не сработает!
Ну да, при ПАБ срывать КЖ опасно.



Николай Николаевич

Для открытия переезда при ПАБ имеется кодирование в хвост?

Последний раз редактировалось Rafa; 27.08.2011 в 11:39. Причина: Добавлено сообщение
Rafa вне форума   Цитировать 1
Старый 27.08.2011, 11:48   #96 (ссылка)
__
 
Аватар для Николай Николаевич

Регистрация: 10.09.2010
Адрес: Москва
Возраст: 64
Сообщений: 13,931
Поблагодарил: 408 раз(а)
Поблагодарили 2363 раз(а)
Фотоальбомы: не добавлял
Репутация: 1516
Цитата:
Сообщение от Rafa Посмотреть сообщение



Николай Николаевич

Для открытия переезда при ПАБ имеется кодирование в хвост?
Нет, для открытия переезда как раз и устраивается "средняя" рельсовая цепь. А дальше - алгоритм определения направления движения, очередность занятия - освобождения плюс выдержка времени "термичкой" от потери шунта.
Николай Николаевич вне форума   Цитировать 0
Старый 27.08.2011, 11:55   #97 (ссылка)
V.I.P.
 
Аватар для Rafa

Регистрация: 24.10.2009
Адрес: МОЙДОДЫР
Сообщений: 5,650
Поблагодарил: 388 раз(а)
Поблагодарили 577 раз(а)
Фотоальбомы: не добавлял
Николай Николаевич кодирование РЦ НП перед ПН идет со станции?
По легенде светофор ПН управляется с поста.
Rafa вне форума   Цитировать 1
Старый 27.08.2011, 12:05   #98 (ссылка)
__
 
Аватар для Николай Николаевич

Регистрация: 10.09.2010
Адрес: Москва
Возраст: 64
Сообщений: 13,931
Поблагодарил: 408 раз(а)
Поблагодарили 2363 раз(а)
Фотоальбомы: не добавлял
Репутация: 1516
Цитата:
Сообщение от Rafa Посмотреть сообщение
Николай Николаевич кодирование РЦ НП перед ПН идет со станции?
По легенде светофор ПН управляется с поста.
Я думаю, что это не принципиально. Все зависит от того, что на станции. Если ЭЦ - по какому альбому? В старых альбомах участки приближения как правило кодировались с РШ входного светофора. В более поздних - с поста ЭЦ. Если на станции МКУ - то скорее всего или из РШ входного светофора, или из РШ выходных светофоров.
Николай Николаевич вне форума   Цитировать 0
Старый 27.08.2011, 12:28   #99 (ссылка)
V.I.P.
 
Аватар для Rafa

Регистрация: 24.10.2009
Адрес: МОЙДОДЫР
Сообщений: 5,650
Поблагодарил: 388 раз(а)
Поблагодарили 577 раз(а)
Фотоальбомы: не добавлял
Цитата:
Сообщение от Николай Николаевич Посмотреть сообщение
поздних - с поста ЭЦ. Если на станции МКУ - то скорее всего или из РШ входного светофора, или из РШ выходных светофоров.
Николай Николаевич
Как я понимаю от светофора Н поступает код КЖ по РЦ ЧП и транслируется в РЦ П.
От этих кодов через БС срабатывает реле Ж на переезде и транслируется на пост.
Так вот у меня такой вопрос.
Когда поезд заедет за ПН выключится реле Ж, но для открытия переезда нам надо контроль свободности П.
Каким образом это происходит?
У меня в голове крутится только кодирование в хвост от светофора ПН.
Или как-то по другому происходит контроль?
.................................................. ............

Вот что значит нету информации по переездам при ПАБ.
Все на догадках.

Последний раз редактировалось Rafa; 27.08.2011 в 12:31.
Rafa вне форума   Цитировать 1
Старый 27.08.2011, 12:35   #100 (ссылка)
__
 
Аватар для Николай Николаевич

Регистрация: 10.09.2010
Адрес: Москва
Возраст: 64
Сообщений: 13,931
Поблагодарил: 408 раз(а)
Поблагодарили 2363 раз(а)
Фотоальбомы: не добавлял
Репутация: 1516
Rafa,
Честно - этот момент я на память не помню. А альбома под рукой нет. Если до меня никто не ответит - то я на неделе гляну. Заодно и сам вспомню.
Николай Николаевич вне форума   Цитировать 0
Поблагодарили:
Данный пост получил благодарности от пользователей
Старый 27.08.2011, 15:01   #101 (ссылка)
Super V.I.P.
 
Аватар для СУНДЕТОВ

Регистрация: 22.11.2010
Сообщений: 1,834
Поблагодарил: 760 раз(а)
Поблагодарили 1349 раз(а)
Фотоальбомы: 20 фото
Репутация: 549
Цитата:
Сообщение от Rafa Посмотреть сообщение
Николай Николаевич

Для открытия переезда при ПАБ имеется кодирование в хвост?
__________________
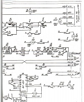
Нет,Николай Николаевич прав,в хвост только при АБ.
Для чего 3 РЦ,для переезда.ПН ,есть разные варианты,
можно со станции 3 жилы и СТ-4 на ПН.Есть вариант
установки РШ и управлят огнями через сигнальные
провода ЗС,ОЗС магис.кабелем связи. И в РШ дешифра-
тор БС-ДА,БК извешение на станцию ИП,ОИП.У нас 210км
ПАБ с РШ. 100км 2-х путная кодовая АБ и 250км АБ пост.тока (имп.)
Миниатюры
Сбой кодов АЛСН за выходным светофором.-pab-pn.jpg  

Последний раз редактировалось СУНДЕТОВ; 27.08.2011 в 15:16. Причина: Добавлено сообщение
СУНДЕТОВ вне форума   Цитировать 0
Старый 27.08.2011, 15:18   #102 (ссылка)
V.I.P.
 
Аватар для Rafa

Регистрация: 24.10.2009
Адрес: МОЙДОДЫР
Сообщений: 5,650
Поблагодарил: 388 раз(а)
Поблагодарили 577 раз(а)
Фотоальбомы: не добавлял
Цитата:
Сообщение от СУНДЕТОВ Посмотреть сообщение
Нет,Николай Николаевич прав,в хвост только при АБ.
Для чего 3 РЦ,для переезда.ПН ,есть разные варианты,
Ну, а как тогда фиксируется освобождение РЦ П (50м)?
По любому ж кодированием в хвост от светофора ПН. Или как?
Или это вообще отдельная РЦ которая получает коды от РШ переезда.
Хотя врятли, ведь должна быть трансляция кодов из РЦ ЧП в П, так как это единый участок приближения.
Rafa вне форума   Цитировать 1
Старый 27.08.2011, 15:22   #103 (ссылка)
Super V.I.P.
 
Аватар для СУНДЕТОВ

Регистрация: 22.11.2010
Сообщений: 1,834
Поблагодарил: 760 раз(а)
Поблагодарили 1349 раз(а)
Фотоальбомы: 20 фото
Репутация: 549
Цитата:
Сообщение от Rafa Посмотреть сообщение
По идеи тут не имеет значения или контакт реле И или Т в цепи БС так как они работают синхронно.
Так ТШ как включит,для трансляции и нашли выход.
СУНДЕТОВ вне форума   Цитировать 0
Старый 27.08.2011, 15:31   #104 (ссылка)
V.I.P.
 
Аватар для Rafa

Регистрация: 24.10.2009
Адрес: МОЙДОДЫР
Сообщений: 5,650
Поблагодарил: 388 раз(а)
Поблагодарили 577 раз(а)
Фотоальбомы: не добавлял
СУНДЕТОВ согласно вашей схеме РЦ НГП кодовая.
Коды идут от входного.
Так, а если такой случай как у Михаила Владимировича, есть наличие 50 метровой РЦ П?
Думаю, что идет трансляция из ЧП в П, что вы и написали выше.
А как-же тогда будет фиксироваться освобождение этой РЦ при движении поезда в нечетном направлении, если коды идут от входного.
Получается будет задержка на открытие, пока хвост не уйдет за Н.
Или все таки в хвост что-то будет идти .
Rafa вне форума   Цитировать 1
Старый 27.08.2011, 15:43   #105 (ссылка)
Super V.I.P.
 
Аватар для СУНДЕТОВ

Регистрация: 22.11.2010
Сообщений: 1,834
Поблагодарил: 760 раз(а)
Поблагодарили 1349 раз(а)
Фотоальбомы: 20 фото
Репутация: 549
Цитата:
Сообщение от Rafa Посмотреть сообщение
как у Михаила Владимировича, есть наличие 50 метровой РЦ П
У них РЦ должно быть отдельно, у нас ближе к входому
и сделали трасляцию.
СУНДЕТОВ вне форума   Цитировать 0
Похожие темы
Тема Автор Раздел Ответов Последнее сообщение
Сбои кодов Sergey Gorbachev Общие вопросы эксплуатации устройств СЦБ 228 21.06.2016 21:16
Машинист заявляет сбой кодов АЛСН Андрей13 Общие вопросы эксплуатации устройств СЦБ 24 21.12.2012 10:58
Сбой АЛСН на станции Артем Макаров Локомотивные устройства и АЛС 26 18.02.2012 17:07
Ищу схему управления выходным двухзначным светофором Stockwell Поиск документации 1 04.02.2010 12:35
Сбои АЛСН zhuravlev Октябрьская железная дорога 6 24.07.2009 09:15

Ответить в этой теме   Перейти в раздел этой темы   Translate to English

Возможно вас заинтересует информация по следующим меткам (темам):
, , , , , , , , , , , , , , , , , , , , , , , , , , ,


Здесь присутствуют: 1 (пользователей: 0 , гостей: 1)
 

Ваши права в разделе
Вы не можете создавать новые темы
Вы не можете отвечать в темах
Вы не можете прикреплять вложения
Вы не можете редактировать свои сообщения

BB коды Вкл.
Смайлы Вкл.
[IMG] код Вкл.
HTML код Выкл.
Trackbacks are Вкл.
Pingbacks are Вкл.
Refbacks are Выкл.



Часовой пояс GMT +3, время: 21:13.

Яндекс.Метрика Справочник 
сцбист.ру сцбист.рф

СЦБИСТ (ранее назывался: Форум СЦБистов - Railway Automation Forum) - крупнейший сайт работников локомотивного хозяйства, движенцев, эсцебистов, путейцев, контактников, вагонников, связистов, проводников, работников ЦФТО, ИВЦ железных дорог, дистанций погрузочно-разгрузочных работ и других железнодорожников.
Связь с администрацией сайта: admin@scbist.com
1 2 3 4 5 6 7 8 9 10 11 12 13 14 15 16 17 18 19 20 21 22 23 24 25 26 27 28 29 30 31 32 33 34 
Powered by vBulletin® Version 3.8.1
Copyright ©2000 - 2026, Jelsoft Enterprises Ltd.
Powered by NuWiki v1.3 RC1 Copyright ©2006-2007, NuHit, LLC Перевод: zCarot