СЦБИСТ - железнодорожный форум, блоги, фотогалерея, социальная сеть
Вернуться   СЦБИСТ - железнодорожный форум, блоги, фотогалерея, социальная сеть > Эксплуатация устройств СЦБ > Классические релейные системы ЭЦ, АБ и ПАБ > Автоматические и полуавтоматические блокировки
Закладки ДневникиПоддержка Сообщество Комментарии к фото Сообщения за день
Ответить в этой теме   Перейти в раздел этой темы    
 
В мои закладки Подписка на тему по электронной почте Отправить другу по электронной почте Опции темы Поиск в этой теме
Старый 08.02.2021, 22:07   #136 (ссылка)
Super V.I.P.
 
Аватар для vetal

Регистрация: 27.05.2009
Сообщений: 2,558
Поблагодарил: 649 раз(а)
Поблагодарили 1070 раз(а)
Фотоальбомы: не добавлял
Репутация: 1549
Цитата:
Сообщение от Александр II
А в штампе в титуле что написано? Может подъезной путь добавляли, вот и проект.
Чтобы в 74-м ставили прожекторные светофоры?
Я обслуживал станцию 57-го года на реле НШ и 60-го года на НМШ.
На свежих схемах станции написано, что, например, чертёж составлен на основании обновления тех. документации или замены аппаратуры на малогабаритную, а на схемах 1974 года, только, то что "они откорректированы после регулировки". Устройствами СЦБ станция оборудована вроде раньше 1974 года, но вот какие конкретно были изменения в 1974 году не знаю.
vetal вне форума   Цитировать 0
Поблагодарили:
Данный пост получил благодарности от пользователей
Старый 04.09.2022, 22:35   #137 (ссылка)
Super V.I.P.
 
Аватар для vetal

Регистрация: 27.05.2009
Сообщений: 2,558
Поблагодарил: 649 раз(а)
Поблагодарили 1070 раз(а)
Фотоальбомы: не добавлял
Репутация: 1549
Есть станция по РПБ-4 к которой примыкают подъездные пути. Со стороны подъездных путей станция ограждена маневровыми светофорами. В типовом альбоме РПБ-4 нет схем управления такими светофорами((( А интересует схема исключения задания лобовых маршрутов на приемоотправочный путь от такого маневрового светофора и от входного светофора противоположной горловины. Например, как показано на рисунке ниже, от светофора "М1" и от входного "Ч" на путь №4. Ниже привожу с альбома РПБ-4 схему исключающего реле для входного светофора "Н". Для маневрового светофора должна быть тоже схема исключающего реле, контакты которого вводятся в схему приемомаршрутного реле Н(Ч)ПМ. У кого есть схема управления маневровым светофором при РПБ-4, в частности схема исключающего реле, просьба поделиться схемкой. К действующей на станции схеме есть вопросы и хочется сравнить данную схему со схемой другой станции.


vetal добавил 04.09.2022 в 23:35
Цитата:
Сообщение от vetal
К действующей на станции схеме есть вопросы и хочется сравнить данную схему со схемой другой станции.
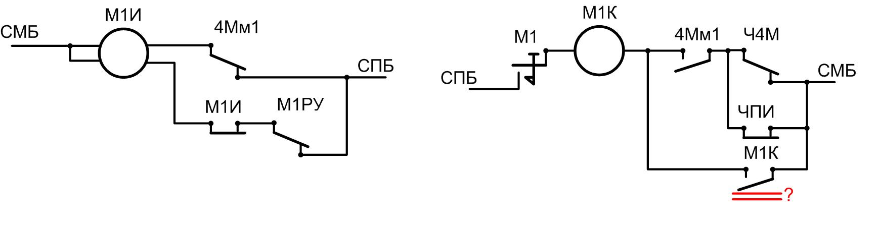
Если перерисовать нашу действующую схему под схем план, который приводил на рисунке выше, то получаются вот такие вот схемы исключающего реле "М1И" и схема кнопочного реле М1К светофора М1. Отсутствие лобового маршрута на путь №4 от входного светофора "Ч" проверяется в цепи возбуждения реле М1К контактами исключающего реле ЧПИ. В случае, если будет задан враждебный маршрут на путь №4, то будет под током маршрутное реле "Ч4М" и без тока реле "ЧПИ", и таким образом реле М1К не станет под ток. Но зачем-то (и это главный вопрос) после возбуждения реле М1К своим контактом шунтирует проверяемые ранее условия безопасности. Не понимаю зачем это было сделано. Фишка в том, что данный светофор стоит в непосредственной близости к переезду и открывается с замедлением в 45с. Исключающее реле М1И обесточится только после открытия светофора М1, т.е. через 45с. А на протяжении 45 секунд своим фронтовым контактом реле М1И сохраняет цепь возбуждения реле ЧПМ для открытия входного светофора "Ч". И если нажать в это время кнопку открытия входного светофора, то сработает реле ЧПМ, зашунтирует своим контактом контакт исключающего реле М1И в цепи своего срабатывания и светофор "Ч" будет стоять открытым и после открытия светофора М1. На схеме 4Мм1 - это контакты маршрутного реле маршрута от светофора М1 на путь № 4.

Последний раз редактировалось vetal; 04.09.2022 в 22:35. Причина: Добавлено сообщение
vetal вне форума   Цитировать 0
Поблагодарили:
Данный пост получил благодарности от пользователей
Старый 04.02.2023, 12:25   #138 (ссылка)
Super V.I.P.
 
Аватар для vetal

Регистрация: 27.05.2009
Сообщений: 2,558
Поблагодарил: 649 раз(а)
Поблагодарили 1070 раз(а)
Фотоальбомы: не добавлял
Репутация: 1549
Поделюсь здесь двухпроводной схемой управления предупредительным линзовым светофором из книги "Системы путевой полуавтоматической блокировки РПБ и БПЛЦ". Интересна схема тем, что реле переключающее показание светофора "ПВР" находится в путевой коробке возле светофора, а по двум проводам одновременно протекает переменный ток для лампочки и постоянный ток для реле. Кто-то мне рассказывал, что к предупредительному светофору у них уложен кабель четвёрка. 2 жили - прожекторный светофор и 2 жилы - РЦ, запаса нет. Там бы эта схема помогла бы перейти с прожекторного на линзовый светофор, пока не уложат кабель нормальной ёмкости.
vetal вне форума   Цитировать 0
Поблагодарили:
Данный пост получил благодарности от пользователей
Старый 06.02.2026, 20:26   #139 (ссылка)
Super V.I.P.
 
Аватар для vetal

Регистрация: 27.05.2009
Сообщений: 2,558
Поблагодарил: 649 раз(а)
Поблагодарили 1070 раз(а)
Фотоальбомы: не добавлял
Репутация: 1549
А есть у кого в эксплуатации станция с двумя однопутными подходами по РПБ-4 в горловине и одним или двумя однопутными подходами в другой горловине и МКУ на станции? И на стрелочном посту стрелочный централизатор без рукоятки "приём/отправление". Если у кого есть такая станция, то просьба откликнуться. Интересует, как сделана схема приёмо-маршрутного реле при открытии входного светофора. В типовом альбоме приведена схема для одного подхода в каждой горловине.
vetal вне форума   Цитировать 0
Старый 07.02.2026, 15:37   #140 (ссылка)
Super V.I.P.
 
Аватар для ШВП

Регистрация: 14.02.2010
Адрес: Калтан
Сообщений: 1,822
Поблагодарил: 545 раз(а)
Поблагодарили 185 раз(а)
Фотоальбомы: не добавлял
Репутация: 129
Давно было.Завалился вокзал.МКУ перетаскивали с модернизацией.Вот в лоб сигналы открывались если был открыт входной от подъезников.типового не было на два подхода.Потом пока Входной не открыт в другой горловине не устанавливали маршрутную рукоятку.
ШВП вне форума   Цитировать 0
Старый 07.02.2026, 18:30   #141 (ссылка)
Super V.I.P.
 
Аватар для vetal

Регистрация: 27.05.2009
Сообщений: 2,558
Поблагодарил: 649 раз(а)
Поблагодарили 1070 раз(а)
Фотоальбомы: не добавлял
Репутация: 1549
Цитата:
Сообщение от ШВП
Давно было.Завалился вокзал.МКУ перетаскивали с модернизацией.Вот в лоб сигналы открывались если был открыт входной от подъезников.типового не было на два подхода.Потом пока Входной не открыт в другой горловине не устанавливали маршрутную рукоятку.
А схем не осталось? Хочу посмотреть как у Вас были включены контакты маршрутных реле двух направлений в горловине в схеме приёмо-маршрутного реле входного светофора противоположной горловины. О проблеме с входными знаю.
vetal вне форума   Цитировать 0
Старый 07.02.2026, 19:13   #142 (ссылка)
Super V.I.P.
 
Аватар для ШВП

Регистрация: 14.02.2010
Адрес: Калтан
Сообщений: 1,822
Поблагодарил: 545 раз(а)
Поблагодарили 185 раз(а)
Фотоальбомы: не добавлял
Репутация: 129
Уже 24 года УЭЦМ.Навряд ли что осталось.
ШВП вне форума   Цитировать 0
Старый 16.02.2026, 17:17   #143 (ссылка)
Super V.I.P.
 
Аватар для СЭМ

Регистрация: 28.02.2010
Возраст: 63
Сообщений: 517
Поблагодарил: 380 раз(а)
Поблагодарили 380 раз(а)
Фотоальбомы: 6 фото
Репутация: 413
vetal,

Цитата:
А есть у кого в эксплуатации станция с двумя однопутными подходами по РПБ-4 в горловине и одним или двумя однопутными подходами в другой горловине и МКУ на станции? И на стрелочном посту стрелочный централизатор без рукоятки "приём/отправление". Если у кого есть такая станция, то просьба откликнуться. Интересует, как сделана схема приёмо-маршрутного реле при открытии входного светофора. В типовом альбоме приведена схема для одного подхода в каждой горловине.

vetal, вот схема. Станция 4-хпутная, перегоны полуавтоматика, с нечетной стороны один подход, с четной два, правда один без полуавтоматики, просто подход с комбината, но это не важно. Прием четных с главного пути перегона на 1,2,3,4 пути, с подхода комбината только на 3 и 4 путь. Так вот в цепи НПМР включены контакты ЧПМР и ЧПМРК. В цепи через к-т ЧПМРК с контактами основных поездных маршрутов Ч3МР, Ч4МР включены к-ты маршрутов с комбината на 3 и 4 путь Ч3МРК, Ч4МРК.
СЭМ вне форума   Цитировать 0
Поблагодарили:
Данный пост получил благодарности от пользователей
Старый 16.02.2026, 19:35   #144 (ссылка)
Super V.I.P.
 
Аватар для vetal

Регистрация: 27.05.2009
Сообщений: 2,558
Поблагодарил: 649 раз(а)
Поблагодарили 1070 раз(а)
Фотоальбомы: не добавлял
Репутация: 1549
Цитата:
Сообщение от СЭМ
вот схема. Станция 4-хпутная, перегоны полуавтоматика, с нечетной стороны один подход, с четной два, правда один без полуавтоматики, просто подход с комбината, но это не важно. Прием четных с главного пути перегона на 1,2,3,4 пути, с подхода комбината только на 3 и 4 путь. Так вот в цепи НПМР включены контакты ЧПМР и ЧПМРК. В цепи через к-т ЧПМРК с контактами основных поездных маршрутов Ч3МР, Ч4МР включены к-ты маршрутов с комбината на 3 и 4 путь Ч3МРК, Ч4МРК.
Схема реле НПМР типовая по какому-то альбому или разрабатывалась только для конкретной станции? В РПБ-4 если открыт встречный светофор, то реле Н(Ч)ПМ сработает если в противоположной горловине приготовлен маршрут на другой путь. Здесь же на схеме логика другая... Спасибо за схему!
vetal вне форума   Цитировать 0
Старый 17.02.2026, 05:57   #145 (ссылка)
Super V.I.P.
 
Аватар для СЭМ

Регистрация: 28.02.2010
Возраст: 63
Сообщений: 517
Поблагодарил: 380 раз(а)
Поблагодарили 380 раз(а)
Фотоальбомы: 6 фото
Репутация: 413
Цитата:
Схема реле НПМР типовая по какому-то альбому или разрабатывалась только для конкретной станции? В РПБ-4 если открыт встречный светофор, то реле Н(Ч)ПМ сработает если в противоположной горловине приготовлен маршрут на другой путь. Здесь же на схеме логика другая... Спасибо за схему!
Схема по альбому РПБ-4, типовая, под конкретную станцию только по количеству путей отличается, принцип один. На моей схеме так и есть, при открытом встречном входном на один и тот же путь ПМ не встанет, на разные пути цепь идет напрямую минуя к-т ПМ встречного входного. Посмотрите внимательно, ну или давайте обсудим, что не так в ней
СЭМ вне форума   Цитировать 0
Старый 17.02.2026, 18:28   #146 (ссылка)
Super V.I.P.
 
Аватар для vetal

Регистрация: 27.05.2009
Сообщений: 2,558
Поблагодарил: 649 раз(а)
Поблагодарили 1070 раз(а)
Фотоальбомы: не добавлял
Репутация: 1549
Цитата:
Сообщение от СЭМ
Схема по альбому РПБ-4, типовая, под конкретную станцию только по количеству путей отличается, принцип один. На моей схеме так и есть, при открытом встречном входном на один и тот же путь ПМ не встанет, на разные пути цепь идет напрямую минуя к-т ПМ встречного входного. Посмотрите внимательно, ну или давайте обсудим, что не так в ней
У вас схема хорошая, правильная, но не как в типовом альбоме РПБ-4. Может потому, что в типовом альбоме схема для однопутного подхода. В вашей схеме, например, если приготовить в обоих горловинах маршрут на 1-й путь, то замкнутые контакты маршрутных реле Н1МР и Ч1МР включаются последовательно и проверяется закрытое состояние встречного светофора тыловым контактом ЧПМР. Если встречный входной открыт, то ЧПМР будет под током и реле НПМР не сработает. В альбоме РПБ-4 другая логика. Если будет приготовлен аналогичный маршрут в обоих горловинах и открыт встречный входной, то схема через замкнутый контакт Н1МР и тыловые контакты других маршрутных реле Н2МР-Н4МР "опрашивает" контакты маршрутных реле противоположной горловины Ч2МР-Ч4МР и если, например, будет приготовлен маршрут на второй путь, то через замкнутый контакт Ч2МР соберётся цепочка срабатывания реле НПМР.Поэтому вопрос - в каком типовом альбоме можно посмотреть схему НПМР как на вашей схеме или это местное схемное решение?

vetal добавил 17.02.2026 в 11:28
И контактов исключающего реле ЧПИ нет в цепи НПМР, а вместо ЧПИ используются контакты ЧПМР...

Последний раз редактировалось vetal; 17.02.2026 в 18:30. Причина: Добавлено сообщение
vetal вне форума   Цитировать 0
Старый 18.02.2026, 16:23   #147 (ссылка)
Super V.I.P.
 
Аватар для СЭМ

Регистрация: 28.02.2010
Возраст: 63
Сообщений: 517
Поблагодарил: 380 раз(а)
Поблагодарили 380 раз(а)
Фотоальбомы: 6 фото
Репутация: 413
Цитата:
В альбоме РПБ-4 другая логика.
vetal, да, признаю, моя схема отличается от РПБ-4. По какому альбому она, не могу сказать, скорее всего так проектом сделана была, т.к. схема годов 70-х. Эта станция не имеет исключающих реле. Вот схема другой станции, это точно по РПБ-4. Здесь так же с четной стороны два подхода, с главного на 1,2,3,4 пути, с комбината только на 1 и 2 путь, поэтому в цепи НПМ на 1 и 2 путь включены Ч1МК, Ч2МК.

Последний раз редактировалось СЭМ; 18.02.2026 в 16:25.
СЭМ вне форума   Цитировать 0
Поблагодарили:
Данный пост получил благодарности от пользователей
Старый 19.02.2026, 21:12   #148 (ссылка)
Super V.I.P.
 
Аватар для vetal

Регистрация: 27.05.2009
Сообщений: 2,558
Поблагодарил: 649 раз(а)
Поблагодарили 1070 раз(а)
Фотоальбомы: не добавлял
Репутация: 1549
Цитата:
Сообщение от СЭМ
да, признаю, моя схема отличается от РПБ-4. По какому альбому она, не могу сказать, скорее всего так проектом сделана была, т.к. схема годов 70-х. Эта станция не имеет исключающих реле. Вот схема другой станции, это точно по РПБ-4. Здесь так же с четной стороны два подхода, с главного на 1,2,3,4 пути, с комбината только на 1 и 2 путь, поэтому в цепи НПМ на 1 и 2 путь включены Ч1МК, Ч2МК.
По этой схеме нельзя открыть входной светофор на путь 1 и 2 если в противоположной горловине с этих путей приготовлен маршрут на комбинат (тыловые контакты Ч1МК и Ч2МК). А вот как бы должна выглядеть схема если бы вместо комбината был перегон с РПБ-4? И входной светофор должен открываться на разрешающее показание при приготовлении маршрута в противоположной горловине на каждый перегон с любого пути.
vetal вне форума   Цитировать 0
Старый 23.02.2026, 08:25   #149 (ссылка)
Super V.I.P.
 
Аватар для СЭМ

Регистрация: 28.02.2010
Возраст: 63
Сообщений: 517
Поблагодарил: 380 раз(а)
Поблагодарили 380 раз(а)
Фотоальбомы: 6 фото
Репутация: 413
Цитата:
А вот как бы должна выглядеть схема если бы вместо комбината был перегон с РПБ-4? И входной светофор должен открываться на разрешающее показание при приготовлении маршрута в противоположной горловине на каждый перегон с любого пути.


vetal, ну вот набросал схему как я ее вижу, согласно требования альбома и НТП. На станцию ,,А,, и на ,,Комбинат,, перегоны оборудованы ПАБ, маршруты с любого пути на оба перегона, на ст. ,,А,, маршруты Ч1М-Ч4М, на ст. ,,Комбинат,, Ч1МК-Ч4МК. Хотелось бы посмотреть типовую схему , но тоже не встречал.
СЭМ вне форума   Цитировать 0
Поблагодарили:
Данный пост получил благодарности от пользователей
Старый 23.02.2026, 09:46   #150 (ссылка)
Super V.I.P.
 
Аватар для ШВП

Регистрация: 14.02.2010
Адрес: Калтан
Сообщений: 1,822
Поблагодарил: 545 раз(а)
Поблагодарили 185 раз(а)
Фотоальбомы: не добавлял
Репутация: 129
Иваныч уже е помню почему.НО пока нечетный не открыт в четной горловине рукоятка не Устонавливалась.И еще при пригласительном только работа с одним поездом
ШВП вне форума   Цитировать 0
Ответить в этой теме   Перейти в раздел этой темы   Translate to English

Возможно вас заинтересует информация по следующим меткам (темам):
, , , , , , , , , , , , , , , , , , , ,


Здесь присутствуют: 1 (пользователей: 0 , гостей: 1)
 

Ваши права в разделе
Вы не можете создавать новые темы
Вы не можете отвечать в темах
Вы не можете прикреплять вложения
Вы не можете редактировать свои сообщения

BB коды Вкл.
Смайлы Вкл.
[IMG] код Вкл.
HTML код Выкл.
Trackbacks are Вкл.
Pingbacks are Вкл.
Refbacks are Выкл.



Часовой пояс GMT +3, время: 02:42.

Яндекс.Метрика Справочник 
сцбист.ру сцбист.рф

СЦБИСТ (ранее назывался: Форум СЦБистов - Railway Automation Forum) - крупнейший сайт работников локомотивного хозяйства, движенцев, эсцебистов, путейцев, контактников, вагонников, связистов, проводников, работников ЦФТО, ИВЦ железных дорог, дистанций погрузочно-разгрузочных работ и других железнодорожников.
Связь с администрацией сайта: admin@scbist.com
1 2 3 4 5 6 7 8 9 10 11 12 13 14 15 16 17 18 19 20 21 22 23 24 25 26 27 28 29 30 31 32 33 34 
Powered by vBulletin® Version 3.8.1
Copyright ©2000 - 2026, Jelsoft Enterprises Ltd.
Powered by NuWiki v1.3 RC1 Copyright ©2006-2007, NuHit, LLC Перевод: zCarot