СЦБИСТ - железнодорожный форум, блоги, фотогалерея, социальная сеть
Вернуться   СЦБИСТ - железнодорожный форум, блоги, фотогалерея, социальная сеть > Эксплуатация устройств СЦБ > Общие вопросы эксплуатации устройств СЦБ
Общие вопросы эксплуатации устройств СЦБ Смотрите также фото: Реле, Аппараты управления, ДГА и панели питания, Переезды, Релейные и микропроцессорные централизации, автоблокировки, ДЦ, СЦБ в метро.
Закладки ДневникиПоддержка Сообщество Комментарии к фото Сообщения за день
Ответить в этой теме   Перейти в раздел этой темы    
 
В мои закладки Подписка на тему по электронной почте Отправить другу по электронной почте Опции темы Поиск в этой теме
Старый 26.05.2015, 20:48   #1321 (ссылка)
Кандидат в V.I.P.
 
Аватар для A нас рать!

Регистрация: 11.10.2014
Сообщений: 188
Поблагодарил: 9 раз(а)
Поблагодарили 18 раз(а)
Фотоальбомы: не добавлял
Репутация: -2
Цитата:
Сообщение от tyubik Посмотреть сообщение
Мудеете.
Вот мну интересно, Тюбас ашипку спецом забацал, чтобы нас проверить. Или он считает всех мудеями?

Комментарии к сообщению (репутация)
Rafa, отрицательно: A нас рать!
A нас рать! вне форума   Цитировать 0
Старый 26.05.2015, 21:24   #1322 (ссылка)
Старший системный механик
 
Аватар для Rustmaker

Регистрация: 11.04.2011
Адрес: Возле железки, шестьдесят лет...
Сообщений: 807
Поблагодарил: 117 раз(а)
Поблагодарили 173 раз(а)
Фотоальбомы: не добавлял
Репутация: 396
Мерить ЦЭшкой на стыке, конечно, круто. Если нормативы есть.
А вот если на секунду представить, что возможно мерить сопротивление умным прибором, которому до лампы все эти горбаноиды на осциллографе, с шаблоном всё будет в порядке?
__________________
...
Rustmaker вне форума   Цитировать 1
Старый 26.05.2015, 22:05   #1323 (ссылка)
Super V.I.P.
 
Аватар для Adagumer

Регистрация: 16.02.2012
Сообщений: 5,283
Поблагодарил: 6723 раз(а)
Поблагодарили 979 раз(а)
Фотоальбомы: не добавлял
Репутация: 1704
Цитата:
Сообщение от Rustmaker
что возможно мерить .......... умным прибором
К данным приборам надо ещё и понятие иметь "что от него получить можем!
Намедни дистанцию потрясла эпидемия желания "Проверки стрелочного привода осциллографом", на вопрос "Что желаете конкретно увидеть?" один из ответов был "работу какой-то пружины". Прошла какая-то телеграмма "мерять осциллографом" что мерять?, как мерять? никто толком не знает , вот и мечуться!
Adagumer вне форума   Цитировать 0
Старый 26.05.2015, 22:20   #1324 (ссылка)
__
 
Аватар для Николай Николаевич

Регистрация: 10.09.2010
Адрес: Москва
Возраст: 64
Сообщений: 13,931
Поблагодарил: 408 раз(а)
Поблагодарили 2363 раз(а)
Фотоальбомы: не добавлял
Репутация: 1516
Цитата:
Сообщение от Adagumer Посмотреть сообщение
К данным приборам надо ещё и понятие иметь "что от него получить можем!
Намедни дистанцию потрясла эпидемия желания "Проверки стрелочного привода осциллографом", на вопрос "Что желаете конкретно увидеть?" один из ответов был "работу какой-то пружины". Прошла какая-то телеграмма "мерять осциллографом" что мерять?, как мерять? никто толком не знает , вот и мечуться!
Неужели правда?
Несколько десятков лет назад осциллографом диагностировали работу щеточно-коллекторного узла стрелочного электродвигателя постоянного тока. И иногда - попутно - выявляли пружинность остряков стрелочного перевода. Информации на эту тему тогда было предостаточно, в том числе - и в журнале АСИ.
Просить выложить сюда эту телеграмму я даже и не решаюсь...
Не сразу все и вспоминается - основной задачей такой диагностики все-таки было выявление обрыва секций якоря. А состояние щеток и коллектора - это уже попутно.

Последний раз редактировалось Николай Николаевич; 26.05.2015 в 22:40.
Николай Николаевич вне форума   Цитировать 0
Старый 26.05.2015, 22:27   #1325 (ссылка)
Старший системный механик
 
Аватар для Rustmaker

Регистрация: 11.04.2011
Адрес: Возле железки, шестьдесят лет...
Сообщений: 807
Поблагодарил: 117 раз(а)
Поблагодарили 173 раз(а)
Фотоальбомы: не добавлял
Репутация: 396
А я всегда повторяю, чго главной частью любого оружия является голова его владельца.
__________________
...
Rustmaker вне форума   Цитировать 1
Старый 26.05.2015, 22:32   #1326 (ссылка)
Super V.I.P.
 
Аватар для Adagumer

Регистрация: 16.02.2012
Сообщений: 5,283
Поблагодарил: 6723 раз(а)
Поблагодарили 979 раз(а)
Фотоальбомы: не добавлял
Репутация: 1704
Цитата:
Сообщение от Николай Николаевич
диагностировали работу щеточно-коллекторного узла стрелочного электродвигателя постоянного тока
Таким образом проверяют в мастерских РТУ при выпуске двигателей, для подключения собрана специальная приставка, а тут товарищи желают на поле мерять. И судя по интенсивности запросов "по осциллографу" хвоста кто-то накрутил. Была ли телеграмма или тут чьё-то устное указание мне толком неведомо, но народ жаждет осциллографов в надежде что он точно укажет причину дефекта!
Adagumer вне форума   Цитировать 0
Старый 26.05.2015, 22:38   #1327 (ссылка)
__
 
Аватар для Николай Николаевич

Регистрация: 10.09.2010
Адрес: Москва
Возраст: 64
Сообщений: 13,931
Поблагодарил: 408 раз(а)
Поблагодарили 2363 раз(а)
Фотоальбомы: не добавлял
Репутация: 1516
Цитата:
Сообщение от Adagumer Посмотреть сообщение
Таким образом проверяют в мастерских РТУ при выпуске двигателей, для подключения собрана специальная приставка, а тут товарищи желают на поле мерять. И судя по интенсивности запросов "по осциллографу" хвоста кто-то накрутил. Была ли телеграмма или тут чьё-то устное указание мне толком неведомо, но народ жаждет осциллографов в надежде что он точно укажет причину дефекта!
У меня в дистанции осциллографы и приставки были практически у всех старших электромехаников. Подключалось все это дело в релейной вместо рабочего предохранителя. Электромоторы с обрывом секций якоря периодически выявлялись. И грязные коллекторы тоже.
Николай Николаевич вне форума   Цитировать 0
Поблагодарили:
Данный пост получил благодарности от пользователей
Старый 27.05.2015, 00:26   #1328 (ссылка)
Super V.I.P.
 
Аватар для vetal

Регистрация: 27.05.2009
Сообщений: 2,558
Поблагодарил: 649 раз(а)
Поблагодарили 1070 раз(а)
Фотоальбомы: не добавлял
Репутация: 1549
Цитата:
Сообщение от tyubik
Как правильно: Pepsi в водку или наоборот? Хорошо, что начинаете осознавать, какая буря процессов бушует в рельсах. И переходное сопротивление, оказывается, одним замером не выявить.
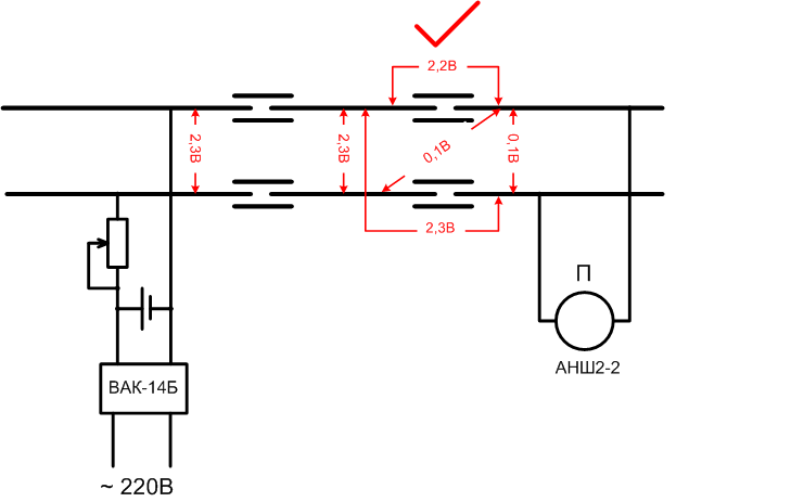
Еще с автономкой не разобрались))) Вот РЦ постоянного тока, стык с переходным сопротивлением на рисунке (отмечен галочкой) определен вольтметром верно?
vetal вне форума   Цитировать 0
Старый 27.05.2015, 06:53   #1329 (ссылка)
АфроСЦБист

Автор темы
 
Аватар для tyubik

Регистрация: 22.10.2010
Адрес: Ивантеевка
Возраст: 50
Сообщений: 13,217
Поблагодарил: 477 раз(а)
Поблагодарили 847 раз(а)
Фотоальбомы: не добавлял
Репутация: 1601
Цитата:
Сообщение от vetal Посмотреть сообщение
Еще с автономкой не разобрались))) Вот РЦ постоянного тока, стык с переходным сопротивлением на рисунке (отмечен галочкой) определен вольтметром верно?
Да.

tyubik добавил 27.05.2015 в 07:53
Но если Вы готовы в победном кличе воскликнуть:
- А что мешало ... бла-бла-бла ... сразу?!
то ответ " Нет!"

Последний раз редактировалось tyubik; 27.05.2015 в 07:03. Причина: Добавлено сообщение
tyubik вне форума   Цитировать 0
Старый 27.05.2015, 06:59   #1330 (ссылка)
__
 
Аватар для Luke

Регистрация: 07.08.2010
Сообщений: 3,003
Поблагодарил: 537 раз(а)
Поблагодарили 607 раз(а)
Фотоальбомы: не добавлял
Записей в дневнике: 3
Репутация: 810
Цитата:
Сообщение от Николай Николаевич Посмотреть сообщение
Неужели правда?
Несколько десятков лет назад осциллографом диагностировали работу щеточно-коллекторного узла стрелочного электродвигателя постоянного тока. И иногда - попутно - выявляли пружинность остряков стрелочного перевода. Информации на эту тему тогда было предостаточно, в том числе - и в журнале АСИ.
Просить выложить сюда эту телеграмму я даже и не решаюсь...
Не сразу все и вспоминается - основной задачей такой диагностики все-таки было выявление обрыва секций якоря. А состояние щеток и коллектора - это уже попутно.
К слову сказать, если использовать вышеуказанный алгоритм, то современные системы диагностики без участия человека смогут определять плохие движки. Например, подключить всю эту "музыку" к АПК-ДК и прописать не сложную "математику", определяющую по диаграмме неисправный двигатель.
Вот только кому об этом подсказать?
Luke вне форума   Цитировать 0
Старый 27.05.2015, 07:01   #1331 (ссылка)
Super V.I.P.
 
Аватар для vetal

Регистрация: 27.05.2009
Сообщений: 2,558
Поблагодарил: 649 раз(а)
Поблагодарили 1070 раз(а)
Фотоальбомы: не добавлял
Репутация: 1549
Цитата:
Сообщение от tyubik
Да.
А на участке с эл. тягой и не интенсивным движением поездов и если мерять не за поездом, а к РЦ не подключен согласующий дросель-трансформатор, к которому подключается отсасывающий фидер ТП такими измерениями найти стык с переходным сопротивлением можно?
vetal вне форума   Цитировать 0
Старый 27.05.2015, 07:02   #1332 (ссылка)
АфроСЦБист

Автор темы
 
Аватар для tyubik

Регистрация: 22.10.2010
Адрес: Ивантеевка
Возраст: 50
Сообщений: 13,217
Поблагодарил: 477 раз(а)
Поблагодарили 847 раз(а)
Фотоальбомы: не добавлял
Репутация: 1601
Цитата:
Сообщение от vetal Посмотреть сообщение
А на участке с эл. тягой и не интенсивным движением поездов и если мерять не за поездом, а к РЦ не подключен согласующий дросель-трансформатор, к которому подключается отсасывающий фидер ТП такими измерениями найти стык с переходным сопротивлением можно?
Можно.
tyubik вне форума   Цитировать 0
Старый 27.05.2015, 07:03   #1333 (ссылка)
Super V.I.P.
 
Аватар для Евгений002

Регистрация: 05.04.2009
Адрес: Ямал
Возраст: 69
Сообщений: 4,370
Поблагодарил: 402 раз(а)
Поблагодарили 655 раз(а)
Фотоальбомы: не добавлял
Репутация: 600
Цитата:
Неужели правда?
Несколько десятков лет назад осциллографом диагностировали работу щеточно-коллекторного узла стрелочного электродвигателя постоянного тока. И иногда - попутно - выявляли пружинность остряков стрелочного перевода.
Если не путаю, однажды при таких измерениях получили ложный контроль стрелки, перепутать Л1, Л2 при подключении схемы для осциллографа-это на раз, потом пошли указиловки по 3-му штырю на разъёмах этой схемы. Считаю эта технология сложная и опасная, тем более, что есть простая альтернатива, пружинность остряков прекрасно выявляется при проверке стрелок тестовым переводом стрелки курбелем, логично включить такую проверку при проведении КМО, а обрыв ламелей коллектора-омметром при выполнении ГТП, попутно и коллектор ШН очистит и состояние щеток проверит.
Евгений002 вне форума   Цитировать 0
Старый 27.05.2015, 07:04   #1334 (ссылка)
АфроСЦБист

Автор темы
 
Аватар для tyubik

Регистрация: 22.10.2010
Адрес: Ивантеевка
Возраст: 50
Сообщений: 13,217
Поблагодарил: 477 раз(а)
Поблагодарили 847 раз(а)
Фотоальбомы: не добавлял
Репутация: 1601
Цитата:
Сообщение от Luke Посмотреть сообщение
К слову сказать, если использовать вышеуказанный алгоритм, то современные системы диагностики без участия человека смогут определять плохие движки. Например, подключить всю эту "музыку" к АПК-ДК и прописать не сложную "математику", определяющую по диаграмме неисправный двигатель.
Вот только кому об этом подсказать?
Пре электродвигателях переменного тока особенно.
tyubik вне форума   Цитировать 0
Старый 27.05.2015, 07:05   #1335 (ссылка)
Super V.I.P.
 
Аватар для vetal

Регистрация: 27.05.2009
Сообщений: 2,558
Поблагодарил: 649 раз(а)
Поблагодарили 1070 раз(а)
Фотоальбомы: не добавлял
Репутация: 1549
Цитата:
Сообщение от tyubik
Но если Вы готовы в попедном кличе воскликнуть:
- А что мешало ... бла-бла-бла ... сразу?!
то ответ " Нет!"
Т.е. сразу померять параллельно стыку напряжение и сказать, что у него есть переходное сопротивление нельзя, а только надо мерять еще параллельно рельсам до и после стыка?
vetal вне форума   Цитировать 0
Похожие темы
Тема Автор Раздел Ответов Последнее сообщение
Вопросы к ЦШ yuri230382 ЦШ ОАО "РЖД" - обратная связь 5244 20.10.2022 13:13
Вопросы по РПБ КБ ЦШ Антон Турутин Автоматические и полуавтоматические блокировки 28 21.11.2020 19:35
Вопросы по ЭЦ-И Incredible_spirit ЭЦ-И 15 04.03.2019 13:06
не бывает глупых вопросов , бывают глупые ответы. svetovor Разговоры обо всем 16 23.08.2015 21:37
[ОМ] Вопросы без ответов Admin Газета "Октябрьская магистраль" 0 17.02.2011 18:18

Ответить в этой теме   Перейти в раздел этой темы   Translate to English

Возможно вас заинтересует информация по следующим меткам (темам):
, , , , , , , , , , , , , , , , , , , , , , , , , , , , , , , , , , , , , , , , , , , , , , , , , , , , , , , , , , , , , , , , , , , , , , , , , , , , , , , , , , , , , , , , , , , , , , , , , , , , , , , , , , , , , , , , , , , , , , , , , , , , , , , , , , , , , , , , , , , , , , , , , , , , , , , , , , , ,


Здесь присутствуют: 27 (пользователей: 0 , гостей: 27)
 

Ваши права в разделе
Вы не можете создавать новые темы
Вы не можете отвечать в темах
Вы не можете прикреплять вложения
Вы не можете редактировать свои сообщения

BB коды Вкл.
Смайлы Вкл.
[IMG] код Вкл.
HTML код Выкл.
Trackbacks are Вкл.
Pingbacks are Вкл.
Refbacks are Выкл.



Часовой пояс GMT +3, время: 12:50.

Яндекс.Метрика Справочник 
сцбист.ру сцбист.рф

СЦБИСТ (ранее назывался: Форум СЦБистов - Railway Automation Forum) - крупнейший сайт работников локомотивного хозяйства, движенцев, эсцебистов, путейцев, контактников, вагонников, связистов, проводников, работников ЦФТО, ИВЦ железных дорог, дистанций погрузочно-разгрузочных работ и других железнодорожников.
Связь с администрацией сайта: admin@scbist.com
1 2 3 4 5 6 7 8 9 10 11 12 13 14 15 16 17 18 19 20 21 22 23 24 25 26 27 28 29 30 31 32 33 34 
Powered by vBulletin® Version 3.8.1
Copyright ©2000 - 2026, Jelsoft Enterprises Ltd.
Powered by NuWiki v1.3 RC1 Copyright ©2006-2007, NuHit, LLC Перевод: zCarot