СЦБИСТ - железнодорожный форум, блоги, фотогалерея, социальная сеть
Вернуться   СЦБИСТ - железнодорожный форум, блоги, фотогалерея, социальная сеть > Эксплуатация устройств СЦБ > Общие вопросы эксплуатации устройств СЦБ
Общие вопросы эксплуатации устройств СЦБ Смотрите также фото: Реле, Аппараты управления, ДГА и панели питания, Переезды, Релейные и микропроцессорные централизации, автоблокировки, ДЦ, СЦБ в метро.
Закладки ДневникиПоддержка Сообщество Комментарии к фото Сообщения за день
Ответить в этой теме   Перейти в раздел этой темы    
 
В мои закладки Подписка на тему по электронной почте Отправить другу по электронной почте Опции темы Поиск в этой теме
Старый 29.06.2025, 00:19   #10276 (ссылка)
Опытный пользователь
 
Аватар для Serzh2008

Регистрация: 04.04.2009
Возраст: 47
Сообщений: 29
Поблагодарил: 16 раз(а)
Поблагодарили 10 раз(а)
Фотоальбомы: не добавлял
Репутация: 12
Цитата:
Сообщение от Nogik Посмотреть сообщение
В типовых схемах кодирования эц-11 нету примера кодирования участка пути перед выходными светофором. Участок пути следует закодировать как путь? Применить нетиповое решение?
Почему не типовое. Просто закодировать как путь
Serzh2008 вне форума   Цитировать 0
Старый 29.06.2025, 00:25   #10277 (ссылка)
V.I.P.
 
Аватар для Nogik

Регистрация: 14.07.2015
Адрес: Заречье
Сообщений: 130
Поблагодарил: 24 раз(а)
Поблагодарили 17 раз(а)
Фотоальбомы: 3 фото
Репутация: 80
Цитата:
Сообщение от владимир владимирович3 Посмотреть сообщение
закодируй как стрелочный участок
Если как стрелочный, то при подаче маневровым маршрутом на участок пути кодирование его включено не будет

Nogik добавил 29.06.2025 в 00:25
Цитата:
Сообщение от Serzh2008
закодировать как путь
А где взять контакт исключающего реле?. Оно должно отключать коды при задании встречного маршрута на этот участок

Последний раз редактировалось Nogik; 29.06.2025 в 00:26. Причина: Добавлено сообщение
Nogik вне форума   Цитировать 1
Старый 29.06.2025, 01:02   #10278 (ссылка)
Корифей СЦБ
 
Аватар для Александр

Регистрация: 25.02.2009
Адрес: Ленинград
Возраст: 49
Сообщений: 9,610
Поблагодарил: 1616 раз(а)
Поблагодарили 2351 раз(а)
Фотоальбомы: 1 фото
Репутация: 1386
Цитата:
Сообщение от Nogik Посмотреть сообщение
В типовых схемах кодирования эц-11 нету примера кодирования участка пути перед выходными светофором. Участок пути следует закодировать как путь? Применить нетиповое решение?
Есть альбом "особые условия кодирования" или "особые случаи кодирования". Не помню название дословно.
__________________
"Не думай. Думаешь - не говори. Думаешь и говоришь - не пиши. Думаешь, говоришь и пишешь - не подписывай. Думаешь, говоришь, пишешь и подписываешь - не удивляйся."
Ф.Э. Дзержинский.

Последний раз редактировалось Александр; 29.06.2025 в 01:05.
Александр вне форума   Цитировать 2
Старый 29.06.2025, 01:14   #10279 (ссылка)
Опытный пользователь
 
Аватар для Serzh2008

Регистрация: 04.04.2009
Возраст: 47
Сообщений: 29
Поблагодарил: 16 раз(а)
Поблагодарили 10 раз(а)
Фотоальбомы: не добавлял
Репутация: 12
Цитата:
Сообщение от Nogik Посмотреть сообщение
Если как стрелочный, то при подаче маневровым маршрутом на участок пути кодирование его включено не будет

Nogik добавил 29.06.2025 в 00:25

А где взять контакт исключающего реле?. Оно должно отключать коды при задании встречного маршрута на этот участок
исключающие реле нужно для

9.2. Защита от перекрытия светофора в маршруте на путь при переключении фидеров питания из-за медленного восстановления путевого реле пути, имеющего кодирование с двух сторон, осуществляется отключением кодирования пути со стороны входного конца до включения исключающего реле (ЧИ, НИ).

тут кодирование с одного конца, с противоположного только в маршруте. и это нужно только для ДСШ для ТРЦ нет

Serzh2008 добавил 29.06.2025 в 01:14
Цитата:
Сообщение от Александр Посмотреть сообщение
Есть альбом "особые условия кодирования" или "особые случаи кодирования". Не помню название дословно.
411112-ТМП Особые случаи кодирования станционных путей электрической централизации»

Последний раз редактировалось Serzh2008; 29.06.2025 в 01:14. Причина: Добавлено сообщение
Serzh2008 вне форума   Цитировать 0
Поблагодарили:
Данный пост получил благодарности от пользователей
Старый 10.07.2025, 20:57   #10280 (ссылка)
Super V.I.P.
 
Аватар для Механик 123

Регистрация: 24.05.2017
Сообщений: 581
Поблагодарил: 574 раз(а)
Поблагодарили 292 раз(а)
Фотоальбомы: не добавлял
Репутация: 588
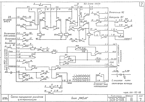
Воюем с наборной группой блочки. Может кто подскажет… Имеем: маневровые светофоры в створе с блоками НМIIП и НМIIАП. На примере альбомной станции – пусть это будут светофоры М11 и М13.
Если кнопка М13 нажимается конечной в маршруте от М1 до М13, то от шины НМ в блоке светофора М11 (НМIIП) включится кнопочное реле КН и загорится соответственно зеленая ячейка у светофора М11. Далее работа схемы понятна.
Допустим, кнопка М13 нажимается второй (вариантной) в поездном маршруте от НД на второй путь (для движения «по корыту»). Как должны включиться КНы в блоках М11 и М13 после нажатия кнопки М13?


Механик 123 вне форума   Цитировать 0
Старый 11.07.2025, 05:30   #10281 (ссылка)
Super V.I.P.
 
Аватар для gematogen

Регистрация: 18.06.2009
Сообщений: 845
Поблагодарил: 364 раз(а)
Поблагодарили 367 раз(а)
Фотоальбомы: не добавлял
Репутация: 257
Цитата:
Воюем с наборной группой блочки. Может кто подскажет…
Рискну предположить.
"Корыто" предполагает наличие некоторого расстояния между стрелочными съездами. То есть "дно" этого корыта должно быть достаточно длинным для того, чтобы не допустить излома поезда.
На примере вашей же схемы - почему нельзя задать вариантный маршрут от входного Н по минусу стрелок 3/5 и сразу же по минусу стрелок 9/11?
Потому что стрелки №5 и №9 могут находиться достаточно близко (их рамные рельсы даже вполне могут располагаться стык-в-стык), то есть у "корыта" как бы отсутствует "донышко", и задание подобного маршрута вообще исключено.
Точно также отсутствует "донышко" у "корыта" при задании маршрута от входного НД по минусу стрелок 9/11 и 17/19.
Ведь между стрелками 11 и 17 нет бесстрелочного участка. Если бы он был, и имел достаточную длину для умещения хотя бы одного локомотива, то светофоры М11 и М13 не поставили бы в створе, а разнесли по границам этого бесстрелочного участка.
Поэтому, как мне кажется, такого вариантного маршрута просто не существует, и нажатие кнопки М11 (М13) в качестве вариантной ни к чему не приводит.
Вариант проезда по корыту я вижу только от входного Н по минусу 3/5 и затем по минусу 13/15.
Это что касается приведенной вами примерной схемы.
В той схеме, с которой вы воюете, все конечно может быть иначе. Хотя - вы же говорите, блоки НМIIП и НМIIАП - то есть у вас маневровые тоже стоят в створе друг с другом - значит, возможно нет бесстрелочного участка и нет вариантного маршрута как такового.

Последний раз редактировалось gematogen; 11.07.2025 в 05:40.
gematogen вне форума   Цитировать 0
Старый 11.07.2025, 08:02   #10282 (ссылка)
Super V.I.P.
 
Аватар для Механик 123

Регистрация: 24.05.2017
Сообщений: 581
Поблагодарил: 574 раз(а)
Поблагодарили 292 раз(а)
Фотоальбомы: не добавлял
Репутация: 588
Вариантный маршрут есть. Мне пока непонятно срабатывание кнопочных реле. Вроде все просто, но лыжи уже не едут...
Механик 123 вне форума   Цитировать 0
Старый 14.07.2025, 12:09   #10283 (ссылка)
Super V.I.P.
 
Аватар для Старик Хоттабыч

Регистрация: 31.01.2012
Адрес: Форум СЦБИСТ
Возраст: 66
Сообщений: 3,728
Поблагодарил: 1284 раз(а)
Поблагодарили 1183 раз(а)
Фотоальбомы: 24 фото
Репутация: 524
Цитата:
Сообщение от Механик 123 Посмотреть сообщение
Вариантный маршрут есть. Мне пока непонятно срабатывание кнопочных реле. Вроде все просто, но лыжи уже не едут...
смажь их спиртиком под сало.....
__________________
"Я этим заявлением объявляю, что все мои персональные данные, фотографии, рисунки, переписка и так далее являются объектами моего авторского права (согласно Бернской Конвенции). Для коммерческого использования всех вышеупомянутых объектов авторского права в каждом конкретном случае необходимо мое письменное разрешение."
Старик Хоттабыч вне форума   Цитировать 0
Старый 14.07.2025, 20:14   #10284 (ссылка)
V.I.P.
 
Аватар для strelochnik

Регистрация: 18.03.2009
Возраст: 50
Сообщений: 267
Поблагодарил: 48 раз(а)
Поблагодарили 150 раз(а)
Фотоальбомы: 4 фото
Репутация: 317
Цитата:
Сообщение от Механик 123 Посмотреть сообщение
Вариантный маршрут есть. Мне пока непонятно срабатывание кнопочных реле. Вроде все просто, но лыжи уже не едут...
Насколько я вижу - при нажатии M13 как вариантной, в НМIIАП КН срабатывает через тыл АКН, фронт К, 21 вывод, и шину ТЧМ, которая не обестачивается, раз вы набираете поездной. А после отпускания кнопки, по цепи 28 - 18 срабатывает КН в соседнем - НМIIП М11. Если вариантной нажать М11 - то срабатывает аналогично, но зеркально. А дальше всё как обычно.
Или я вопрос не правильно понял...?

strelochnik добавил 14.07.2025 в 20:14
Цитата:
Сообщение от gematogen Посмотреть сообщение
Рискну предположить.
"Корыто" предполагает наличие некоторого расстояния между стрелочными съездами. То есть "дно" этого корыта должно быть достаточно длинным для того, чтобы не допустить излома поезда.
Где-то здесь мелькала цифра 12,5 метров между остряками на "дне" корыта. Если меньше - езда по корыту исключается. Я когда-то пробовал такой маршрут - зависает на зеленых ячейках и оба съезда корыта теряют контроль, пока не сбросишь набор. Вроде как-то это цепью ВЗ в стрелочных блоках делалось...

Последний раз редактировалось strelochnik; 14.07.2025 в 20:14. Причина: Добавлено сообщение
strelochnik вне форума   Цитировать 0
Поблагодарили:
Данный пост получил благодарности от пользователей
Старый 15.07.2025, 09:36   #10285 (ссылка)
Корифей СЦБ
 
Аватар для Александр

Регистрация: 25.02.2009
Адрес: Ленинград
Возраст: 49
Сообщений: 9,610
Поблагодарил: 1616 раз(а)
Поблагодарили 2351 раз(а)
Фотоальбомы: 1 фото
Репутация: 1386
Цитата:
Сообщение от strelochnik Посмотреть сообщение
мелькала цифра 12,5 метров между остряками на "дне" корыта.
В СП.235 мелькала цифра.
Только не между остряками, а между рамами.
__________________
"Не думай. Думаешь - не говори. Думаешь и говоришь - не пиши. Думаешь, говоришь и пишешь - не подписывай. Думаешь, говоришь, пишешь и подписываешь - не удивляйся."
Ф.Э. Дзержинский.
Александр вне форума   Цитировать 2
Поблагодарили:
Данный пост получил благодарности от пользователей
Старый 08.08.2025, 17:51   #10286 (ссылка)
V.I.P.
 
Аватар для YaPostovoy

Регистрация: 11.08.2011
Сообщений: 483
Поблагодарил: 110 раз(а)
Поблагодарили 114 раз(а)
Фотоальбомы: не добавлял
Репутация: 122
Приветствую, старейшины. Прошу помочь с устранением отказа.
Вводные такие - БМРЦ (МРЦ-13), панели питания СП1 50/25 с ФУ-1, полуавтоблокировка.
Утренняя гроза погубила ПРТ-А на питающем конце участка приближения. Также почему-то ФУ-1 у другого луча, но на этом же ПЧ 50/25 поменяло полярность у 3 рельсовых цепей. На пулье ДСП монтажные провод кнопок сплавились в жгуте (заменены при устранении), сгорело несколько предохранителей в релейной. Все восстановили, вроде все работает, НО - не задаются поездные маршруты. Ни в одну, ни в другую сторону. При нажатии начальной кнопки зеленый шильдик загорается, зеленая стрелка направления загорается, При нажатии конечной кнопки зеленый шильдик загорается. Белая полоса ложится. Гаснет зеленый шильдик конца маршрута, остается гореть зеленый шильдик начала маршрута. Сигнал не открывается. Вспомогательное управление не помогает. Повторное нажатие кнопки начала маршрута ничего не дает, а вот конца маршрута - заново загорается зеленая стрела направления (но уже в другую сторону соответственно). С блока НН шины Н, Ч, и т.д. уходят (на всякий случай даже поменяли блок). Ввиду напряженной маневровой работы особого времени для экспериментов не было, но теоретически ничего в голову уже не приходило. Оставили до понедельника. Может, подскажете советами? Спасибо.
YaPostovoy вне форума   Цитировать 0
Старый 08.08.2025, 19:20   #10287 (ссылка)
Опытный пользователь
 
Аватар для владимир владимирович3

Регистрация: 06.07.2017
Сообщений: 241
Поблагодарил: 15 раз(а)
Поблагодарили 48 раз(а)
Фотоальбомы: не добавлял
Репутация: 112
1 сгорел стативный пред.
2 в одной из струн ИГ в блоке пропал контакт
владимир владимирович3 вне форума   Цитировать 0
Поблагодарили:
Данный пост получил благодарности от пользователей
Старый 10.08.2025, 11:34   #10288 (ссылка)
Super V.I.P.
 
Аватар для gematogen

Регистрация: 18.06.2009
Сообщений: 845
Поблагодарил: 364 раз(а)
Поблагодарили 367 раз(а)
Фотоальбомы: не добавлял
Репутация: 257
Цитата:
Сообщение от YaPostovoy Посмотреть сообщение
Приветствую, старейшины. Прошу помочь с устранением отказа.
Гаснет зеленый шильдик конца маршрута, остается гореть зеленый шильдик начала маршрута.
Может, подскажете советами? Спасибо.
Вот от индикации и пляшите.
Отчего остается гореть начальный шильдик? Его включает какое-то реле.
А почему это реле включено, когда должно быть выключено?
Так постепенно и дойдете.
В потерю контакта слабо верится, после грозы. Где-то еще какой-то прожог не нашли.
gematogen вне форума   Цитировать 0
Старый 10.08.2025, 15:39   #10289 (ссылка)
V.I.P.
 
Аватар для YaPostovoy

Регистрация: 11.08.2011
Сообщений: 483
Поблагодарил: 110 раз(а)
Поблагодарили 114 раз(а)
Фотоальбомы: не добавлял
Репутация: 122
Цитата:
Вот от индикации и пляшите.
Пытались. Но ведь маневровые маршруты спокойно задаются и эти же шильдики спокойно гаснут.
YaPostovoy вне форума   Цитировать 0
Старый 11.08.2025, 11:01   #10290 (ссылка)
V.I.P.
 
Аватар для YaPostovoy

Регистрация: 11.08.2011
Сообщений: 483
Поблагодарил: 110 раз(а)
Поблагодарили 114 раз(а)
Фотоальбомы: не добавлял
Репутация: 122
Нашли. Для начала - на фото блок ПС-220. Сгорело реле выключенной стрелки, которая находилась раньше перед входным сигналом.
Фактически стрелки нет, но приборы стоят, выкороченные какими-то перемычками (не указаны в схемах). Следствие привело нас к тому, что в блоке С этой стрелки реле ПК и МК одновременно находятся под током. Выкорачивание блока С (12-22) позволило открыть входной сигнал, но не открывало выходные. Также маршрут все равно не отменялся. Только искусственное размыкание.
Замена блока ПС решило проблему.
На втором фото видно, что явно был сильный разряд или даже дуга - снаружи корпуса точка прожига видна даже.
Миниатюры
Глупые вопросы-2025-08-11-12-43-50.jpg  Глупые вопросы-2025-08-11-12-44-00.jpg  
YaPostovoy вне форума   Цитировать 0
Поблагодарили:
Данный пост получил благодарности от пользователей
Похожие темы
Тема Автор Раздел Ответов Последнее сообщение
Вопросы к ЦШ yuri230382 ЦШ ОАО "РЖД" - обратная связь 5244 20.10.2022 14:13
Вопросы по РПБ КБ ЦШ Антон Турутин Автоматические и полуавтоматические блокировки 28 21.11.2020 20:35
Вопросы по ЭЦ-И Incredible_spirit ЭЦ-И 15 04.03.2019 14:06
не бывает глупых вопросов , бывают глупые ответы. svetovor Разговоры обо всем 16 23.08.2015 22:37
[ОМ] Вопросы без ответов Admin Газета "Октябрьская магистраль" 0 17.02.2011 19:18

Ответить в этой теме   Перейти в раздел этой темы   Translate to English

Возможно вас заинтересует информация по следующим меткам (темам):
, , , , , , , , , , , , , , , , , , , , , , , , , , , , , , , , , , , , , , , , , , , , , , , , , , , , , , , , , , , , , , , , , , , , , , , , , , , , , , , , , , , , , , , , , , , , , , , , , , , , , , , , , , , , , , , , , , , , , , , , , , , , , , , , , , , , , , , , , , , , , , , , , , , ,


Здесь присутствуют: 3 (пользователей: 0 , гостей: 3)
 

Ваши права в разделе
Вы не можете создавать новые темы
Вы не можете отвечать в темах
Вы не можете прикреплять вложения
Вы не можете редактировать свои сообщения

BB коды Вкл.
Смайлы Вкл.
[IMG] код Вкл.
HTML код Выкл.
Trackbacks are Вкл.
Pingbacks are Вкл.
Refbacks are Выкл.



Часовой пояс GMT +3, время: 23:27.

Яндекс.Метрика Справочник 
сцбист.ру сцбист.рф

СЦБИСТ (ранее назывался: Форум СЦБистов - Railway Automation Forum) - крупнейший сайт работников локомотивного хозяйства, движенцев, эсцебистов, путейцев, контактников, вагонников, связистов, проводников, работников ЦФТО, ИВЦ железных дорог, дистанций погрузочно-разгрузочных работ и других железнодорожников.
Связь с администрацией сайта: admin@scbist.com
1 2 3 4 5 6 7 8 9 10 11 12 13 14 15 16 17 18 19 20 21 22 23 24 25 26 27 28 29 30 31 32 33 34 
Powered by vBulletin® Version 3.8.1
Copyright ©2000 - 2026, Jelsoft Enterprises Ltd.
Powered by NuWiki v1.3 RC1 Copyright ©2006-2007, NuHit, LLC Перевод: zCarot