СЦБИСТ - железнодорожный форум, блоги, фотогалерея, социальная сеть
Вернуться   СЦБИСТ - железнодорожный форум, блоги, фотогалерея, социальная сеть > Эксплуатация устройств СЦБ > Общие вопросы эксплуатации устройств СЦБ
Общие вопросы эксплуатации устройств СЦБ Смотрите также фото: Реле, Аппараты управления, ДГА и панели питания, Переезды, Релейные и микропроцессорные централизации, автоблокировки, ДЦ, СЦБ в метро.
Закладки ДневникиПоддержка Сообщество Комментарии к фото Сообщения за день
Ответить в этой теме   Перейти в раздел этой темы   Translate to English    
 
Translate to English В мои закладки Подписка на тему по электронной почте Отправить другу по электронной почте Опции темы Поиск в этой теме
Старый 21.05.2017, 19:37   #16 (ссылка)
__
 
Аватар для Николай Николаевич

Регистрация: 10.09.2010
Адрес: Москва
Возраст: 64
Сообщений: 13,931
Поблагодарил: 408 раз(а)
Поблагодарили 2363 раз(а)
Фотоальбомы: не добавлял
Репутация: 1516
Цитата:
Сообщение от СЭМ Посмотреть сообщение
И не причем здесь ни заземление РШ, ни тяговый ток, ни защита, в РШ ли она стоит или в КЯ, сдается что это схемная недоработка, при скачке напряжения ( по переменнику, как бы не был недоволен Дрозд) скачок прилетает от энергетиков, на мосте блока возрастает нагрузка более 10 А, почему?
Все-таки автономная тяга да ПАБ - это некий частный случай, который не совсем подходит для обобщений.
Для того, чтобы перенапряжение не прилетало от энергетиков - защиту нужно ставить не в РШ, а в КЯ. И запитывать БС-ДА от ПЧ-50/25. Есть и дополнительные меры, но в принципе этого должно быть достаточно.

Николай Николаевич добавил 21.05.2017 в 19:37
Цитата:
Сообщение от СЭМ Посмотреть сообщение
Может стоит подумать схемным спецам?
Это вряд ли...
ЧКАБ уже полтора десятка лет как не должна вновь проектироваться и строиться!

Последний раз редактировалось Николай Николаевич; 21.05.2017 в 19:37. Причина: Добавлено сообщение
Николай Николаевич вне форума   Цитировать 0
Старый 21.05.2017, 19:38   #17 (ссылка)
Super V.I.P.
 
Аватар для ШНС КРП

Регистрация: 23.12.2010
Адрес: РФ
Возраст: 55
Сообщений: 3,400
Поблагодарил: 2662 раз(а)
Поблагодарили 3712 раз(а)
Фотоальбомы: 30 фото
Записей в дневнике: 1
Репутация: 1389
Цитата:
У нас БС-ДА горели как спички при грозе, вылетали именно Д 242, а они 10 амперные,
Уже 10 лет назад поменяли их на КД203Д и сказано было менять их раз в 10 лет. А теперь новая(прошлогодняя) рекомендация вроде от ПКТБ-И - эти диоды заменить на мосты типа КВРС-5010(ток 50А) или подобные и конденсатор высоковольтный к нему (например К5-15 3 кВ, от 6800 пкФ)
У нас, правда, не вылетают эти диоды.
__________________
Будьте добрее, когда это возможно. А это возможно всегда.

© Далай Лама
ШНС КРП вне форума   Цитировать 0
Старый 21.05.2017, 19:39   #18 (ссылка)
__
 
Аватар для Николай Николаевич

Регистрация: 10.09.2010
Адрес: Москва
Возраст: 64
Сообщений: 13,931
Поблагодарил: 408 раз(а)
Поблагодарили 2363 раз(а)
Фотоальбомы: не добавлял
Репутация: 1516
Цитата:
Сообщение от СЭМ Посмотреть сообщение
Мы запитали все БС-ДА от постоянки, благо такая возможность есть, уже четвертый год не сгорел ни один блок.
А вот здесь пожалуйста поподробнее...
Николай Николаевич вне форума   Цитировать 0
Старый 21.05.2017, 20:01   #19 (ссылка)
Super V.I.P.
 
Аватар для Евгений002

Регистрация: 05.04.2009
Адрес: Ямал
Возраст: 69
Сообщений: 4,370
Поблагодарил: 402 раз(а)
Поблагодарили 655 раз(а)
Фотоальбомы: не добавлял
Репутация: 600
Цитата:
Сообщение от Николай Николаевич Посмотреть сообщение
А вот здесь пожалуйста поподробнее...
Что то давно было, отдельный внешний мостик от своего трансформатора рождали П-М сигнальной точки, аварийное реле......
Евгений002 вне форума   Цитировать 0
Старый 22.05.2017, 06:50   #20 (ссылка)
Кандидат в V.I.P.

Автор темы
 
Аватар для Faceless

Регистрация: 22.05.2010
Сообщений: 300
Поблагодарил: 19 раз(а)
Поблагодарили 31 раз(а)
Фотоальбомы: не добавлял
Репутация: 96
Цитата:
Сообщение от Николай Николаевич Посмотреть сообщение
"Фонарем" коллега назвал мачтовый светофор как возможный молниеприемник...
Несколько вопросов:
- "низковольтные разрядники заземлены на свой заземлитель" - о чем речь? Где они установлены?
- "оба питания от 27,5 кВ" - поподробнее пожалуйста. Одно - от ДПР, а другое?
Повторюсь, что запитать БС-ДА от дополнительного ПЧ-50/25 нужно "еще вчера" - как для стабилизации временных параметров кодов АЛС, так и для повышения грозозащищенности.

Николай Николаевич добавил 21.05.2017 в 19:15


РШ горят - исключительно от наличия в конструктиве РШ разрядников!!!
Место разрядников - в кабельном ящике!
Говоря "низковольтные" подразумевал ящики. Ну и разрядники, соответственно, установленные в них, тоже. Свой заземлитель - штырь в земле на расстоянии не ближе 10 метров от пути и сопротивлением не более 30 Ом. По крайней мере, должен быть...
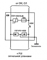
Два питания, основное - СЦБ, резервное - ДПР. Оба 27,5 кВ, поэтому сильно зависимы от контактной сети. На СЦБ установлен КТП, на ДПР - ЗНОМ. В низковольтных ящиках установлены УЗП, в РШ защиты по питанию нет.
Надеюсь под дополнительным ПЧ подразумевается тот, что для неправильного направления? Ставить еще один точно не вариант.
Миниатюры
Грозовой период.-nizkovoltnyi.jpg  

Последний раз редактировалось Faceless; 22.05.2017 в 06:54.
Faceless вне форума   Цитировать 0
Старый 22.05.2017, 10:44   #21 (ссылка)
Super V.I.P.
 
Аватар для СУНДЕТОВ

Регистрация: 22.11.2010
Сообщений: 1,834
Поблагодарил: 760 раз(а)
Поблагодарили 1349 раз(а)
Фотоальбомы: 20 фото
Репутация: 549
Мы установили везде между БС-ДА и трансформатором С предохранители на 3А , чтобы хотя бы спасти трансформатор С и сохранит красный огонь на светофоре. Согласно типовой монтажной схемы предохранитель лучше установит на полюс МСХ, для уменьшения монтажных работ. А если в РШ есть аккумуляторная группа, то есть смысл, нам пришлось на точке установит аккумуляторы из-за того, что не было второго фидера и запитали БС от ПБ, МБ. А так ставит резисторы внутри БС-ДА (тем более после диодного моста) и дополнительную защиты проблему не решит.
СУНДЕТОВ вне форума   Цитировать 0
Старый 22.05.2017, 12:33   #22 (ссылка)
Кандидат в V.I.P.

Автор темы
 
Аватар для Faceless

Регистрация: 22.05.2010
Сообщений: 300
Поблагодарил: 19 раз(а)
Поблагодарили 31 раз(а)
Фотоальбомы: не добавлял
Репутация: 96
Предохранители 3 А есть. Но они и не горят, мост не встает на короткое. Красный огонь на светофоре остается, более того, точка только из КЖ выйти не может, как правило, то есть если подпитать кратковременно Ж, то работа восстанавливается до следующего поезда (на одном отказе так и приходилось после каждого поезда кратковременно подпитывать, чтобы по сигналам шли, так как с собой была 1 БСка, а вышли из строя две на соседних точках, пока не привезли вторую)
Faceless вне форума   Цитировать 0
Старый 22.05.2017, 12:49   #23 (ссылка)
Super V.I.P.
 
Аватар для СУНДЕТОВ

Регистрация: 22.11.2010
Сообщений: 1,834
Поблагодарил: 760 раз(а)
Поблагодарили 1349 раз(а)
Фотоальбомы: 20 фото
Репутация: 549
СУНДЕТОВ вне форума   Цитировать 0
Старый 22.05.2017, 13:30   #24 (ссылка)
__
 
Аватар для Николай Николаевич

Регистрация: 10.09.2010
Адрес: Москва
Возраст: 64
Сообщений: 13,931
Поблагодарил: 408 раз(а)
Поблагодарили 2363 раз(а)
Фотоальбомы: не добавлял
Репутация: 1516
Цитата:
Сообщение от Faceless Посмотреть сообщение
Говоря "низковольтные" подразумевал ящики. Ну и разрядники, соответственно, установленные в них, тоже. Свой заземлитель - штырь в земле на расстоянии не ближе 10 метров от пути и сопротивлением не более 30 Ом. По крайней мере, должен быть...
Два питания, основное - СЦБ, резервное - ДПР. Оба 27,5 кВ, поэтому сильно зависимы от контактной сети. На СЦБ установлен КТП, на ДПР - ЗНОМ. В низковольтных ящиках установлены УЗП, в РШ защиты по питанию нет.
Надеюсь под дополнительным ПЧ подразумевается тот, что для неправильного направления? Ставить еще один точно не вариант.
Зараза под названием УЗП - тот, который вместо ВОЦ-220/ВОЦШ-220 -
появилась на Западно-Сибирской ж.д. и как инфекция, распространилась по всей сети. Как следствие - грозозащищенность стала ХУЖЕ! Как пример - появились грозовые отказы, которых раньше не было, например - выход из строя электродвигателей КПТШ. Эту тему мы уже обсуждали. Ну и плюс дикое с точки зрения электротехники решение включить последовательно варистор и предохранитель - мы это тоже обсуждали совсем недавно.
Поэтому первый совет - исключить УЗП и поставить ВОЦШ-220 на вводе каждого фидера. Можно - в КЯ, можно в РШ, естественно - без предохранителя.
Второе - Вы пишите про питание от линиии СЦБ напряжением 27,5 кВ через КТП. Вопрос - КТП трехфазные? Питание по схеме "фаза" - "ноль"? А изолирующий трансформатор установлен? Если нет - то вся гроза будет Ваша, и никакая защита не поможет!
Николай Николаевич вне форума   Цитировать 0
Старый 22.05.2017, 17:55   #25 (ссылка)
Кандидат в V.I.P.

Автор темы
 
Аватар для Faceless

Регистрация: 22.05.2010
Сообщений: 300
Поблагодарил: 19 раз(а)
Поблагодарили 31 раз(а)
Фотоальбомы: не добавлял
Репутация: 96
Цитата:
Сообщение от Николай Николаевич Посмотреть сообщение
Зараза под названием УЗП - тот, который вместо ВОЦ-220/ВОЦШ-220 -
появилась на Западно-Сибирской ж.д. и как инфекция, распространилась по всей сети. Как следствие - грозозащищенность стала ХУЖЕ! Как пример - появились грозовые отказы, которых раньше не было, например - выход из строя электродвигателей КПТШ. Эту тему мы уже обсуждали. Ну и плюс дикое с точки зрения электротехники решение включить последовательно варистор и предохранитель - мы это тоже обсуждали совсем недавно.
Поэтому первый совет - исключить УЗП и поставить ВОЦШ-220 на вводе каждого фидера. Можно - в КЯ, можно в РШ, естественно - без предохранителя.
Второе - Вы пишите про питание от линиии СЦБ напряжением 27,5 кВ через КТП. Вопрос - КТП трехфазные? Питание по схеме "фаза" - "ноль"? А изолирующий трансформатор установлен? Если нет - то вся гроза будет Ваша, и никакая защита не поможет!
А где обсуждали включение предохранителя последовательно с варистором? Я считал, что предохранитель только для контроля срабатывания, ввиду многоразовости УЗП.
КТП однофазные. Вообще, вдоль ж.д. линии идет три высоковольтных провода - два ДПР и один СЦБ, на всех с.у. установлены трансформаторы 27,5/0,22 (ЗНОМ, КТПП, КТП и т.п.), все однофазные.
Почему в случае трехфазных все грозы должны быть "наши"? Для расширения кругозора, так сказать.
Ну и кроме БС-ДА, как правило, ничего не страдает, а до него еще один изолирующий трансформатор ведь - СОБС.
В общем, наметил следующие мероприятия:
- замена УЗП1-500-0,26 на ВОЦШ-220 в низковольтных ящиках;
- включение БС-ДА от ПЧ50/25;
- что-то еще хотел...
Faceless вне форума   Цитировать 0
Старый 22.05.2017, 18:27   #26 (ссылка)
__
 
Аватар для Николай Николаевич

Регистрация: 10.09.2010
Адрес: Москва
Возраст: 64
Сообщений: 13,931
Поблагодарил: 408 раз(а)
Поблагодарили 2363 раз(а)
Фотоальбомы: не добавлял
Репутация: 1516
Цитата:
Сообщение от Faceless Посмотреть сообщение
А где обсуждали включение предохранителя последовательно с варистором? Я считал, что предохранитель только для контроля срабатывания, ввиду многоразовости УЗП.
В одной из веток здесь, на форуме.
Если предохранитель "тонкий", то он сгорит при первом же срабатывании УЗП и тем самым лишит УЗП свойства "многоразовости"/ Если предохранитель "толстый", то он не сгорит и при полном пробое УЗП и не защитит шкаф от возгорания монтажа.

Николай Николаевич добавил 22.05.2017 в 18:19
Цитата:
Сообщение от Faceless Посмотреть сообщение
КТП однофазные. Вообще, вдоль ж.д. линии идет три высоковольтных провода - два ДПР и один СЦБ, на всех с.у. установлены трансформаторы 27,5/0,22 (ЗНОМ, КТПП, КТП и т.п.), все однофазные.
Почему в случае трехфазных все грозы должны быть "наши"? Для расширения кругозора, так сказать.
Проблема не в количестве фаз, а в схеме подключения/ Чтобы с трехфазной КТП снять 220 В, нужно подключиться по схеме "фаза" - "ноль". "Ноль" - это "земля", а "земля" - это основной канал проникновения перенапряжений в цепи питания. Поэтому обязательно нужен изолирующий трансформатор 220/220 на КТП!

Николай Николаевич добавил 22.05.2017 в 18:27
Цитата:
Сообщение от Faceless Посмотреть сообщение
В общем, наметил следующие мероприятия:
- замена УЗП1-500-0,26 на ВОЦШ-220 в низковольтных ящиках;
- включение БС-ДА от ПЧ50/25;
- что-то еще хотел...
В части "что-то еще":
- на некоторых ж.д. есть опыт включения катушек от низкоомных (токовых) реле в цепь питания БС-ДА. Сам я такое не применял, в деталях рассказать не могу...
- устройство дополнительного заземления обратной тяговой сети переменного тока в точках установки междупутных обвязок - решение эффективное, но не узаконенное, хотя народ на некоторых дорогах практикует...
- ну и "классическое" - отключение заземления РШ на грозовой период (я Вам этого не говорил)!

Последний раз редактировалось Николай Николаевич; 22.05.2017 в 18:27. Причина: Добавлено сообщение
Николай Николаевич вне форума   Цитировать 0
Поблагодарили:
Данный пост получил благодарности от пользователей
Старый 22.05.2017, 18:33   #27 (ссылка)
Super V.I.P.
 
Аватар для Евгений002

Регистрация: 05.04.2009
Адрес: Ямал
Возраст: 69
Сообщений: 4,370
Поблагодарил: 402 раз(а)
Поблагодарили 655 раз(а)
Фотоальбомы: не добавлял
Репутация: 600
Цитата:
А где обсуждали включение предохранителя последовательно с варистором?
Возможно здесь:http://scbist.com/terminator-scb/103...i-molniei.html

Евгений002 добавил 22.05.2017 в 18:33
Цитата:
Чтобы с трехфазной КТП снять 220 В, нужно подключиться по схеме "фаза" - "ноль". "Ноль" - это "земля"
Это если вторичная обмотке-"звезда", а если включить её "треугольником"?

Последний раз редактировалось Евгений002; 22.05.2017 в 18:33. Причина: Добавлено сообщение
Евгений002 вне форума   Цитировать 0
Поблагодарили:
Данный пост получил благодарности от пользователей
Старый 22.05.2017, 19:07   #28 (ссылка)
Кандидат в V.I.P.

Автор темы
 
Аватар для Faceless

Регистрация: 22.05.2010
Сообщений: 300
Поблагодарил: 19 раз(а)
Поблагодарили 31 раз(а)
Фотоальбомы: не добавлял
Репутация: 96
Цитата:
Сообщение от Николай Николаевич Посмотреть сообщение
В одной из веток здесь, на форуме.
Если предохранитель "тонкий", то он сгорит при первом же срабатывании УЗП и тем самым лишит УЗП свойства "многоразовости"/ Если предохранитель "толстый", то он не сгорит и при полном пробое УЗП и не защитит шкаф от возгорания монтажа.

Николай Николаевич добавил 22.05.2017 в 18:19


Проблема не в количестве фаз, а в схеме подключения/ Чтобы с трехфазной КТП снять 220 В, нужно подключиться по схеме "фаза" - "ноль". "Ноль" - это "земля", а "земля" - это основной канал проникновения перенапряжений в цепи питания. Поэтому обязательно нужен изолирующий трансформатор 220/220 на КТП!

Николай Николаевич добавил 22.05.2017 в 18:27


В части "что-то еще":
- на некоторых ж.д. есть опыт включения катушек от низкоомных (токовых) реле в цепь питания БС-ДА. Сам я такое не применял, в деталях рассказать не могу...
- устройство дополнительного заземления обратной тяговой сети переменного тока в точках установки междупутных обвязок - решение эффективное, но не узаконенное, хотя народ на некоторых дорогах практикует...
- ну и "классическое" - отключение заземления РШ на грозовой период (я Вам этого не говорил)!
Спасибо со помощь, о последнем пункте тоже уже думал... Постараемся до него не довести. По поводу КТП, у нас в качестве второго провода первичной обмотки выступает, по сути, рельс, хоть они и однофазные. Никаких дополнительных изолирующих трансформаторов 220/220 никогда в подобных случаях не видел...
Faceless вне форума   Цитировать 0
Старый 22.05.2017, 19:13   #29 (ссылка)
__
 
Аватар для Николай Николаевич

Регистрация: 10.09.2010
Адрес: Москва
Возраст: 64
Сообщений: 13,931
Поблагодарил: 408 раз(а)
Поблагодарили 2363 раз(а)
Фотоальбомы: не добавлял
Репутация: 1516
Цитата:
Сообщение от Faceless Посмотреть сообщение
По поводу КТП, у нас в качестве второго провода первичной обмотки выступает, по сути, рельс, хоть они и однофазные. Никаких дополнительных изолирующих трансформаторов 220/220 никогда в подобных случаях не видел...
Если у Вас однофазные КТПО - то вопросов нет! Это тот же самый ЗНОМ.
Первичная обмотка тут ни при чем...
Изолирующий трансформатор нужен, если питание берется с трехфазных КТП.
Николай Николаевич вне форума   Цитировать 0
Старый 22.05.2017, 19:16   #30 (ссылка)
Кандидат в V.I.P.

Автор темы
 
Аватар для Faceless

Регистрация: 22.05.2010
Сообщений: 300
Поблагодарил: 19 раз(а)
Поблагодарили 31 раз(а)
Фотоальбомы: не добавлял
Репутация: 96
Цитата:
Сообщение от Николай Николаевич Посмотреть сообщение
- устройство дополнительного заземления обратной тяговой сети переменного тока в точках установки междупутных обвязок - решение эффективное, но не узаконенное, хотя народ на некоторых дорогах практикует...
Пункт 4.1.9 методических указаний "12013/ЦДИ от 31.03.2016 МУ по защите ус-в ЖАТ от перенапряжений" нельзя считать законным основанием?
Правда тут через искровой...
Миниатюры
Грозовой период.-bezymyannyi.jpg  
Faceless вне форума   Цитировать 0
Похожие темы
Тема Автор Раздел Ответов Последнее сообщение
Обслуживание тормозов в зимный период ryabinin72 Тяговый подвижной состав 0 15.11.2012 09:49
[РЖД ТВ] Летний период – время особой активности вандалов Admin Новости на сети дорог 0 13.07.2012 23:02
период высоких температур Анонимный Путейцы 3 04.07.2012 21:04
Юго-Западная железная дорога в период Гражданской войны Admin Экскурс в историю железных дорог 0 07.03.2012 13:11
Анализ сходов подвижного состава в период с 01.01.12г. по 14.02.12г. Grin59 Нарушения безопасности на сети дорог 24 17.02.2012 14:12

Ответить в этой теме   Перейти в раздел этой темы   Translate to English

Возможно вас заинтересует информация по следующим меткам (темам):
, , , ,


Здесь присутствуют: 1 (пользователей: 0 , гостей: 1)
 

Ваши права в разделе
Вы не можете создавать новые темы
Вы не можете отвечать в темах
Вы не можете прикреплять вложения
Вы не можете редактировать свои сообщения

BB коды Вкл.
Смайлы Вкл.
[IMG] код Вкл.
HTML код Выкл.
Trackbacks are Вкл.
Pingbacks are Вкл.
Refbacks are Выкл.



Часовой пояс GMT +3, время: 13:21.

Яндекс.Метрика Справочник 
сцбист.ру сцбист.рф

СЦБИСТ (ранее назывался: Форум СЦБистов - Railway Automation Forum) - крупнейший сайт работников локомотивного хозяйства, движенцев, эсцебистов, путейцев, контактников, вагонников, связистов, проводников, работников ЦФТО, ИВЦ железных дорог, дистанций погрузочно-разгрузочных работ и других железнодорожников.
Связь с администрацией сайта: admin@scbist.com
1 2 3 4 5 6 7 8 9 10 11 12 13 14 15 16 17 18 19 20 21 22 23 24 25 26 27 28 29 30 31 32 33 34 
Powered by vBulletin® Version 3.8.1
Copyright ©2000 - 2026, Jelsoft Enterprises Ltd.
Powered by NuWiki v1.3 RC1 Copyright ©2006-2007, NuHit, LLC Перевод: zCarot