СЦБИСТ - железнодорожный форум, блоги, фотогалерея, социальная сеть
Вернуться   СЦБИСТ - железнодорожный форум, блоги, фотогалерея, социальная сеть > Эксплуатация устройств СЦБ > Постовое и напольное оборудование > Переездная сигнализация
Закладки ДневникиПоддержка Сообщество Комментарии к фото Сообщения за день
Ответить в этой теме   Перейти в раздел этой темы   Translate to English    
 
Translate to English В мои закладки Подписка на тему по электронной почте Отправить другу по электронной почте Опции темы Поиск в этой теме
Старый 18.06.2013, 18:38   #166 (ссылка)
Кандидат в V.I.P.
 
Аватар для sepeshin

Регистрация: 31.03.2009
Сообщений: 21
Поблагодарил: 30 раз(а)
Поблагодарили 1 раз(а)
Фотоальбомы: не добавлял
Репутация: 10
Добрый день! Нужна информация - в каком случае нерегулируемый ж/д переезд должен быть оборудован АПС и, соответственно, стать регулируемым. Есть нерегулируемый переезд , требуют оборудовать АПС - как отмазаться, на что сослаться, какой документ предъявить?
sepeshin вне форума   Цитировать 0
Старый 18.06.2013, 18:55   #167 (ссылка)
ст. Баджал
 
Аватар для tiksi

Регистрация: 21.07.2009
Сообщений: 7,810
Поблагодарил: 790 раз(а)
Поблагодарили 994 раз(а)
Фотоальбомы: 47 фото
Цитата:
Сообщение от sepeshin
Нужна информация - в каком случае нерегулируемый ж/д переезд должен быть оборудован АПС ... как отмазаться?
Хотите продолжать видеть, как людишки под поезд попадают?
ПТЭ отсылает к ФЗ 257, статья 21 от 2007 года.
tiksi вне форума   Цитировать 0
Старый 19.06.2013, 00:09   #168 (ссылка)
Кандидат в V.I.P.
 
Аватар для sepeshin

Регистрация: 31.03.2009
Сообщений: 21
Поблагодарил: 30 раз(а)
Поблагодарили 1 раз(а)
Фотоальбомы: не добавлял
Репутация: 10
Цитата:
Сообщение от tiksi Посмотреть сообщение
Хотите продолжать видеть, как людишки под поезд попадают?
ПТЭ отсылает к ФЗ 257, статья 21 от 2007 года.
Людишки там не ходют, а раз в час машина какая проезжает. про поезд вообще - раз в сутки - это уже очень много.
а за ФЗ 257, статья 21 от 2007 года спасибо, только врядли пройдет - у нас ФЗ РФ не действуют, хоть на них и можно сослаться
sepeshin вне форума   Цитировать 0
Старый 19.06.2013, 05:31   #169 (ссылка)
Super V.I.P.
 
Аватар для led

Регистрация: 09.04.2009
Сообщений: 1,963
Поблагодарил: 11 раз(а)
Поблагодарили 153 раз(а)
Фотоальбомы: 3 фото
Репутация: 107
Ну дык ты сначала озвучивай откель ты. А-то спрашивает "на что сослаться", а мы тут гадать должны...
led вне форума   Цитировать 0
Старый 19.06.2013, 07:56   #170 (ссылка)
ст. Баджал
 
Аватар для tiksi

Регистрация: 21.07.2009
Сообщений: 7,810
Поблагодарил: 790 раз(а)
Поблагодарили 994 раз(а)
Фотоальбомы: 47 фото
sepeshin, где переезд то? Я про страну.
tiksi вне форума   Цитировать 0
Старый 19.06.2013, 10:00   #171 (ссылка)
Кандидат в V.I.P.
 
Аватар для sepeshin

Регистрация: 31.03.2009
Сообщений: 21
Поблагодарил: 30 раз(а)
Поблагодарили 1 раз(а)
Фотоальбомы: не добавлял
Репутация: 10
Молдавия, инструкции действуют те же, что и в РФ.
sepeshin вне форума   Цитировать 0
Старый 19.06.2013, 10:04   #172 (ссылка)
Регулировщик-любитель
 
Аватар для Витос

Регистрация: 13.04.2009
Сообщений: 5,099
Поблагодарил: 853 раз(а)
Поблагодарили 1162 раз(а)
Фотоальбомы: 23 фото
Репутация: 1346
Цитата:
Сообщение от sepeshin Посмотреть сообщение
Молдавия, инструкции действуют те же, что и в РФ.
Ты первый из Молдавии.
__________________
Если проблему решить можно — не стоит о ней беспокоиться,
Если проблему решить нельзя — беспокоиться бесполезно.
Далай-Лама XIV.

Что было, то и будет, и что делалось, то и будет делаться, и нет ничего нового под солнцем. Бывает нечто, о чем говорят: "смотри, вот это новое"; но это было уже в веках, бывших прежде нас.
Книга Екклесиаста [9:10]


Витос вне форума   Цитировать 0
Старый 19.06.2013, 10:15   #173 (ссылка)
ст. Баджал
 
Аватар для tiksi

Регистрация: 21.07.2009
Сообщений: 7,810
Поблагодарил: 790 раз(а)
Поблагодарили 994 раз(а)
Фотоальбомы: 47 фото
sepeshin, инструкции ж.д те же, но Закон регламентирующий деятельность ж.д. разные.
Могу предложить только это: если кто то хочет обустроить переезд АПСом, давите его, его же деньгами. Проэкт, строительство, эксплуатация, итого 100500 мильонов доларов. Пусть его жаба задавит.

tiksi добавил 19.06.2013 в 10:15
Почитайте свою "ИНСТРУКЦИЯ ПО ЭКСПЛУАТАЦИИ ЖЕЛЕЗНОДОРОЖНЫХ ПЕРЕЕЗДОВ".

Последний раз редактировалось tiksi; 19.06.2013 в 10:15. Причина: Добавлено сообщение
tiksi вне форума   Цитировать 0
Старый 19.06.2013, 10:30   #174 (ссылка)
Кандидат в V.I.P.
 
Аватар для sepeshin

Регистрация: 31.03.2009
Сообщений: 21
Поблагодарил: 30 раз(а)
Поблагодарили 1 раз(а)
Фотоальбомы: не добавлял
Репутация: 10
Цитата:
Сообщение от tiksi Посмотреть сообщение
sepeshin, инструкции ж.д те же, но Закон регламентирующий деятельность ж.д. разные.
Могу предложить только это: если кто то хочет обустроить переезд АПСом, давите его, его же деньгами. Проэкт, строительство, эксплуатация, итого 100500 мильонов доларов. Пусть его жаба задавит.

tiksi добавил 19.06.2013 в 10:15
Почитайте свою "ИНСТРУКЦИЯ ПО ЭКСПЛУАТАЦИИ ЖЕЛЕЗНОДОРОЖНЫХ ПЕРЕЕЗДОВ".
А Вы думаете я ее не прочитав задаю вопрос?
Нет там того, что мне нужно. Скажу больше - в ЦП-566 тоже нет нужной мне информации, и в СССР-овской тоже нет.
sepeshin вне форума   Цитировать 0
Старый 19.06.2013, 10:36   #175 (ссылка)
ст. Баджал
 
Аватар для tiksi

Регистрация: 21.07.2009
Сообщений: 7,810
Поблагодарил: 790 раз(а)
Поблагодарили 994 раз(а)
Фотоальбомы: 47 фото
sepeshin, боже упаси, я так не думал.
Вообщем, как начальник решит, тому и быть. Были бы деньги. Отбиться, не имея ресурсов, трудно.
Опишите переезд, движение оба, назначение автодороги, что вокруг, какие грузы перевозят ВВ, пассажирское есть, электроснабжение 1 категории есть? .......?
tiksi вне форума   Цитировать 0
Старый 19.06.2013, 10:57   #176 (ссылка)
Кандидат в V.I.P.
 
Аватар для SER

Регистрация: 28.10.2009
Сообщений: 32
Поблагодарил: 1 раз(а)
Поблагодарили 8 раз(а)
Фотоальбомы: не добавлял
Репутация: 5
Здесь надо понять:
1. Юридически данный нерегулируемый переезд официально открыт или нет. (есть куча нерегулируемых переездов сделанных тихой сапой в лихие годы, но официально нигде не числищехся)
2. Если открыт официально - то на чьем балансе.
Если официальных бумаг по открытию нет, то как вариант посмотрите приказ Минтранса РФ по открытию переезда.

Последний раз редактировалось SER; 19.06.2013 в 11:24.
SER вне форума   Цитировать 0
Старый 19.06.2013, 13:29   #177 (ссылка)
V.I.P.
 
Аватар для НОТАли

Регистрация: 20.09.2010
Возраст: 37
Сообщений: 301
Поблагодарил: 40 раз(а)
Поблагодарили 45 раз(а)
Фотоальбомы: не добавлял
Репутация: 84
Цитата:
Есть нерегулируемый переезд , требуют оборудовать АПС - как отмазаться, на что сослаться, какой документ предъявить?
Из ЦП-566: " Оборудование действующих переездов устройствами переездной сигнализации осуществляется железными дорогами в соответствии с годовыми и перспективными планами." Я бы для начала попросила взглянуть на эти планы...
НОТАли вне форума   Цитировать 0
Старый 19.06.2013, 16:39   #178 (ссылка)
Кандидат в V.I.P.
 
Аватар для sepeshin

Регистрация: 31.03.2009
Сообщений: 21
Поблагодарил: 30 раз(а)
Поблагодарили 1 раз(а)
Фотоальбомы: не добавлял
Репутация: 10
Цитата:
Сообщение от tiksi Посмотреть сообщение
sepeshin, боже упаси, я так не думал.
Вообщем, как начальник решит, тому и быть. Были бы деньги. Отбиться, не имея ресурсов, трудно.
Опишите переезд, движение оба, назначение автодороги, что вокруг, какие грузы перевозят ВВ, пассажирское есть, электроснабжение 1 категории есть? .......?
переезд 4-й категории, движение - один состав в сутки-двое, грузы - уголь(мазут), пассажирского нет(было лет 25-30 назад - один дизель в день), электроснабжение - 1 фидер только, автодорога - точно не скажу - между поселками в стороне(параллельно) основной трассе, вокруг холмы поля с бурьяном, когда-то давно ходил автобус - в середине 90-х убрали этот маршрут. Собственно после отмены маршрутного автобуса переезд и перевели в разряд нерегулируемых.

sepeshin добавил 19.06.2013 в 16:39
Цитата:
Сообщение от НОТАли Посмотреть сообщение
Из ЦП-566: " Оборудование действующих переездов устройствами переездной сигнализации осуществляется железными дорогами в соответствии с годовыми и перспективными планами." Я бы для начала попросила взглянуть на эти планы...
у нас, собственно, есть только бизнес-план развития, в нем нет планов по оборудованию данного(да и других нерегулируемых) переезда устройствами АПС.

Последний раз редактировалось sepeshin; 19.06.2013 в 16:39. Причина: Добавлено сообщение
sepeshin вне форума   Цитировать 0
Старый 19.06.2013, 18:01   #179 (ссылка)
V.I.P.
 
Аватар для Rafa

Регистрация: 24.10.2009
Адрес: МОЙДОДЫР
Сообщений: 5,650
Поблагодарил: 388 раз(а)
Поблагодарили 577 раз(а)
Фотоальбомы: не добавлял
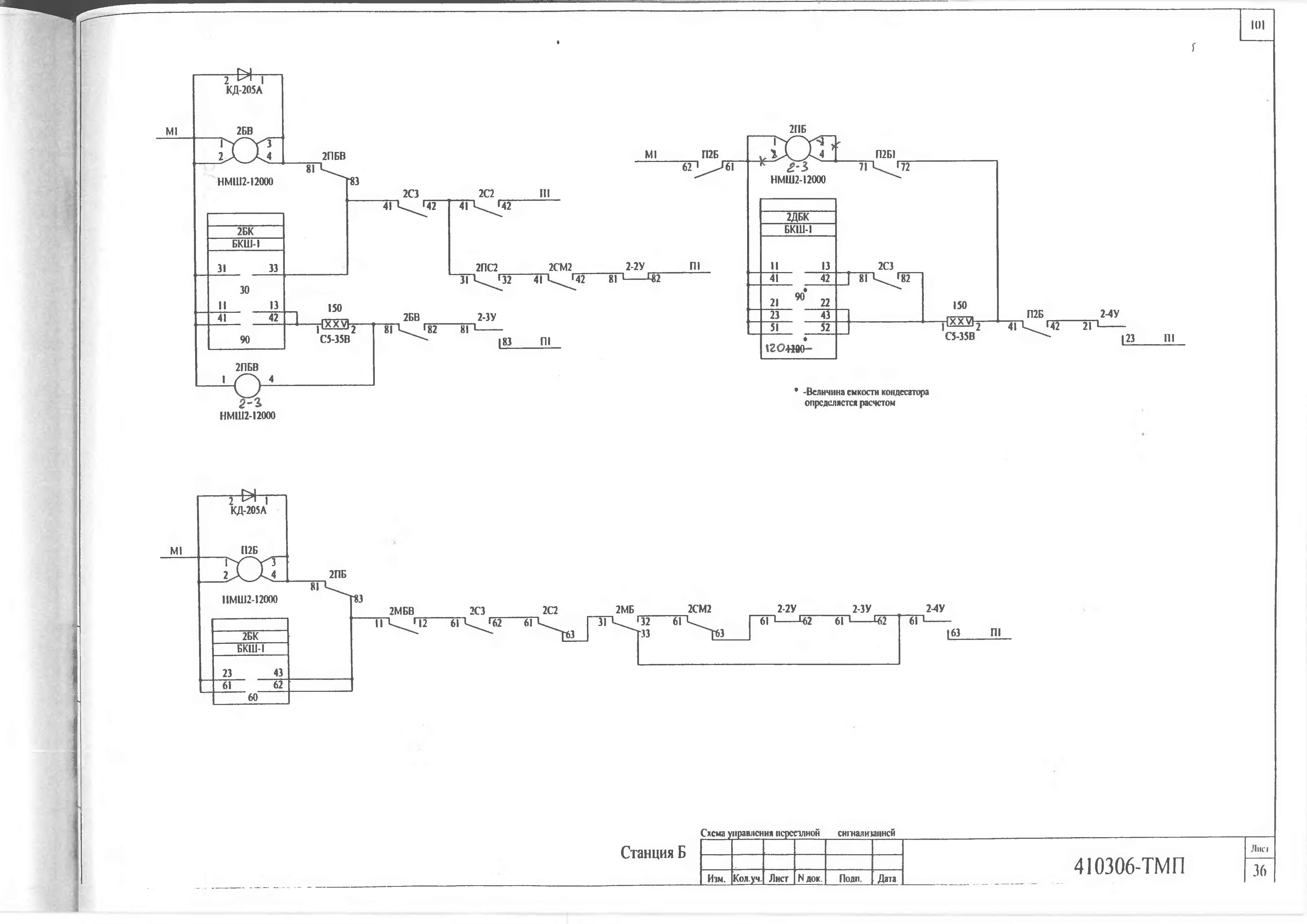
В АПС столкнулся с таким моментом.
.................................................. ..........................

Предположим пульс-паре П2Б - 2ПБ осталось работать 5 секунд .
105 уже проработала из 110 (время необходимое для освобождения поездом участков 1у, 2у, 3у).
Пусть поезд только освобождает 2у. Пульс-пара 2БВ - 2ПБВ получает питание для повторной работы. 2МБВ вновь сработает.
Теперь по истечении 5с пульс-пара П2Б - 2ПБ прекратит свою работу и выключится реле 2МБ.
Пульс - пара П2Б - 2ПБ вновь получает питание через тыловой 2МБ для повторной работы.
Получается, что пульс - пара П2Б - 2ПБ может получить вторичнное питание без контроля освобождения участков 2У и 3У и опять может работать 110с.

.................................................. ........................
Rafa вне форума   Цитировать 1
Старый 19.06.2013, 21:33   #180 (ссылка)
V.I.P.
 
Аватар для olenevod

Регистрация: 21.12.2012
Адрес: Россия, Сибирь.
Сообщений: 386
Поблагодарил: 218 раз(а)
Поблагодарили 57 раз(а)
Фотоальбомы: не добавлял
Репутация: 34
В прошлый закидон по теме МТ, кто-то выкладывал на форуме "хитрую методику" регулировки МТ так, что он будет работать чуть ли не от 5-ти вольт. Пока мои "олени" "жевали ягель" тема как-то быстренько "соскользнула" с форума. Я прекрасно понимаю что пришло время ДИМов, но.......дело принципа. Может автор методы откликнется,а? Или "сольёт" инфу где её покопать можно? И ещё вопрос: Как МТ может зависнуть в верхнем положении? Насколько я понимаю вниз маятник тянет только его собственный вес (МТ-2; МТ-2М)?
olenevod вне форума   Цитировать 0
Похожие темы
Тема Автор Раздел Ответов Последнее сообщение
переезды узп РАВ Ищу/Предлагаю 17 26.07.2014 14:39
переезды YMI Переездная сигнализация 17 06.09.2012 21:44
Железнодорожные переезды. Путевая часть - 501-01-6.89 Admin Путь, путевое хозяйство 4 05.09.2011 07:14
переезды с узп РАВ Курсовое и дипломное проектирование 1 11.03.2011 05:10
Станционные переезды glebas Поиск документации 25 13.04.2010 21:55

Ответить в этой теме   Перейти в раздел этой темы   Translate to English

Возможно вас заинтересует информация по следующим меткам (темам):
, , , , , , , , , ,


Здесь присутствуют: 1 (пользователей: 0 , гостей: 1)
 

Ваши права в разделе
Вы не можете создавать новые темы
Вы не можете отвечать в темах
Вы не можете прикреплять вложения
Вы не можете редактировать свои сообщения

BB коды Вкл.
Смайлы Вкл.
[IMG] код Вкл.
HTML код Выкл.
Trackbacks are Вкл.
Pingbacks are Вкл.
Refbacks are Выкл.



Часовой пояс GMT +3, время: 03:13.

Яндекс.Метрика Справочник 
сцбист.ру сцбист.рф

СЦБИСТ (ранее назывался: Форум СЦБистов - Railway Automation Forum) - крупнейший сайт работников локомотивного хозяйства, движенцев, эсцебистов, путейцев, контактников, вагонников, связистов, проводников, работников ЦФТО, ИВЦ железных дорог, дистанций погрузочно-разгрузочных работ и других железнодорожников.
Связь с администрацией сайта: admin@scbist.com
1 2 3 4 5 6 7 8 9 10 11 12 13 14 15 16 17 18 19 20 21 22 23 24 25 26 27 28 29 30 31 32 33 34 
Powered by vBulletin® Version 3.8.1
Copyright ©2000 - 2026, Jelsoft Enterprises Ltd.
Powered by NuWiki v1.3 RC1 Copyright ©2006-2007, NuHit, LLC Перевод: zCarot