СЦБИСТ - железнодорожный форум, блоги, фотогалерея, социальная сеть

СЦБИСТ - железнодорожный форум, блоги, фотогалерея, социальная сеть (https://scbist.com/)
-   Общие вопросы эксплуатации устройств СЦБ (https://scbist.com/obschie-voprosy-ekspluatacii-ustroistv-scb/)
-   -   Косяки проектировщиков (https://scbist.com/obschie-voprosy-ekspluatacii-ustroistv-scb/376-kosyaki-proektirovschikov.html)

Вы просматриваете версию для печати. Если вы хотите увидеть статью полностью - перейдите по ссылке

Бригадир 13.05.2010 10:13

Цитата:

Сообщение от Jonh Silver
Хоть бы дужку какую предусмотрели, что-ли

Действительно... или кнопку пломбируемую.
Для такой же "ловушки" реле КзК - предусмотрено изьятие предохранителя, а тут прямо реле - круто!

ШВП 13.05.2010 15:01

Цитата:

Сообщение от Бригадир
Станция по ЭЦ-МПК с блоками БМРЦ-БН. Замедление на сигнальных реле через шины ВКз, ПВз. Кроме того шина ПВз питает цепь самоблокировки реле ГМ. Но кроме цепи б

Когда мы нашли у себя такой косяк один матерый СЦБист сказал: хорошая схема,перекрытия никогда не будет.

Алексей Доронин 21.05.2010 18:35

"Да и забывать не надо что проектировщик на бумаге не видит - работает это или нет"
Ну не знаю, почему тогда механики видят, что не будет работать, изменяют схему, и отправляют обратно! Причём тип схемы новый совсем! кодировкой тогда занимались. Только косяк один пропустили. :net:

Тараскин 04.06.2010 23:26

москва пассажирская киевская.
на этой станции есть маневровый район который считается отдельной станцией (москва товарная). проще говоря контейнерная площадка которая не имеет своих вытяжных путей. при этом выезд маневрового состава производился по немаршрутизированным манёврам на станцию москва пассажирская причём по 3м вариантам. но когда стрелки на товарной включили в централизацию все только радовались. НО централизация получилась странная ПРИ ПЕРЕДАЧЕ СТРЕЛОК НА МЕСТНОЕ УПРАВЛЕНИЕ СЪЕЗД 236/237 ЗАГОНЯЕТСЯ В МИНУС ТО ЕСТЬ В РАЗРЕЗ МАНЕВРОВОМУ СОСТАВУ ВЫЕЗЖАЮЩЕМУ С ТОВАРКИ. И ОТ М239 ДО СТРЕЛКИ 237/237 НЕ МНОГО НЕ МАЛО ПОМЕЩАЕТСЯ ТЕПЛОВОЗ РЕЗЕРВОМ. и это ошибкой то не назовёшь а бюрокретинизм или *Иванов**Иванов**Иванов**Иванов**Иванов*олитет не могу сказать

ШВП 19.06.2010 09:09

Входной Н время от времени машинисты заявляют желтый огонь не мыргает.Приезжаешь смотришь все работает.Так как реле НМГС вкючаеся через тыловой контакт реле НМ1АГМ,а реле НЗС через фронтовой и на зеленый никто не жаловался,то ума не хватало посмотреть хвост.Оказалось в блоке П-62 1АП в контакт 222 введен контакт 1П.Если на 1 пути что нибудь стоит,желтый не моргает.

Vlad SCB 07.07.2010 22:48

Все лучшии косяки ещё в переди судя по к-ву и качеству технологий...

led 08.07.2010 04:23

Цитата:

Сообщение от ШВП (Сообщение 17527)
Входной Н время от времени машинисты заявляют желтый огонь не мыргает.Приезжаешь смотришь все работает.Так как реле НМГС вкючаеся через тыловой контакт реле НМ1АГМ,а реле НЗС через фронтовой и на зеленый никто не жаловался,то ума не хватало посмотреть хвост.Оказалось в блоке П-62 1АП в контакт 222 введен контакт 1П.Если на 1 пути что нибудь стоит,желтый не моргает.

Вы бы прицепили к сообщению кусочек схемплана, посмотреть хочется.
ps. Большинство постов из этой темы - описание косяков, которые должны выявляться и устраняться при регулировке, но, как Вы сказали "ума не хватило".

Александр II 30.12.2010 22:12

Господа проектировщики.

А не хотите ли прокомментировать вот эту ветку http://scbist.com/showthread.php?p=31839#post31839?

Nafanya 01.01.2011 16:38

Цитата:

Сообщение от led (Сообщение 18761)
Вы бы прицепили к сообщению кусочек схемплана, посмотреть хочется.
ps. Большинство постов из этой темы - описание косяков, которые должны выявляться и устраняться при регулировке, но, как Вы сказали "ума не хватило".

Правильнее сказать - времени не хватило на нормальную проверку.

Медет 13.01.2011 08:40

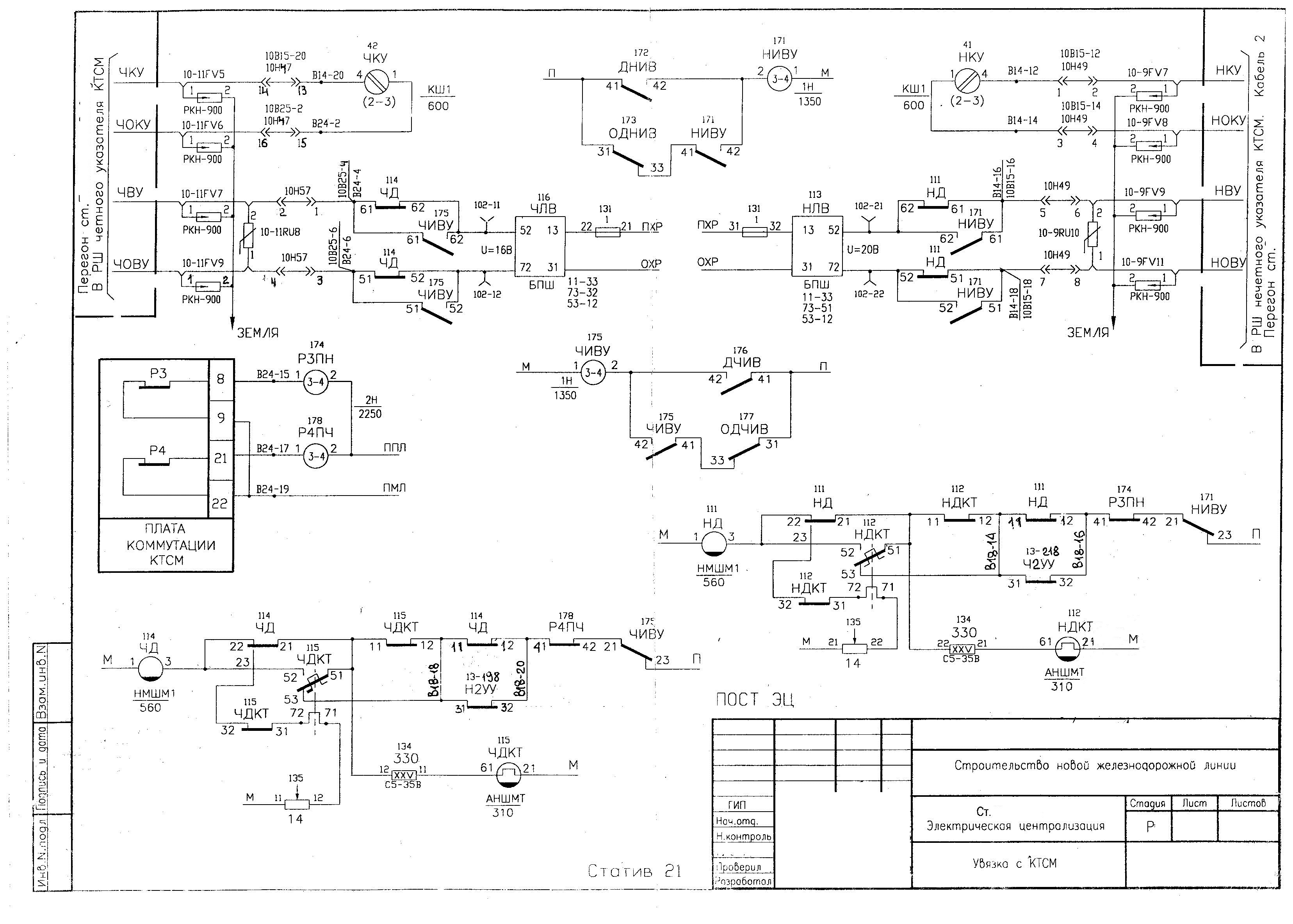
Указатель перегрева букс "V".
В представленной схеме "Увязка с КТСМ" имеется ошибка. Хотелось бы узнать мнения проектировщиков, как ее устранить?
Станция МПЦ Диалог, перегоны АБТЦМ.
http://scbist.com/scb/uploaded/1807_ktcm.jpg

Александр62 13.01.2011 09:19

Так уже устраняли,надо было просто подписать у проектировщиков и вся проблема.Просто включаются еще контакты реле участков приближения и все.

Медет 13.01.2011 09:49

Цитата:

Сообщение от Александр62 (Сообщение 32889)
Так уже устраняли,надо было просто подписать у проектировщиков и вся проблема.Просто включаются еще контакты реле участков приближения и все.

Если Вы имеете ввиду контакты первого и вторых участков, то это будет не правильно! Если бы были контакты третьего участка, то это другое дело.

Александр62 13.01.2011 10:41

А что неправильно? У вас разве ПОНАБ в обе стороны работает(четную и нечетную)?

Медет 13.01.2011 12:13

Цитата:

Сообщение от Александр62 (Сообщение 32893)
А что неправильно? У вас разве ПОНАБ в обе стороны работает(четную и нечетную)?

В одну сторону! Вы раскажите как вы их включили?

Александр62 13.01.2011 13:00

Насколько я помню, к тыловому контакту реле Ч2УУ, допаяли фронтовой контактн Ч2ИП. Там вся проблема была в том, что если КТСМ подработал не при своем направлении, схема сама не восстанавливалась, мешал контакт реле Ч2УУ.Поэтому его при не своем направлении и обошли. А схемы точней можно посмотреть на станциях, где-то их точно рисовали.


Часовой пояс GMT +3, время: 22:55.

Powered by vBulletin® Version 3.8.1
Copyright ©2000 - 2026, Jelsoft Enterprises Ltd. Перевод: zCarot


Яндекс.Метрика