СЦБИСТ - железнодорожный форум, блоги, фотогалерея, социальная сеть
Вернуться   СЦБИСТ - железнодорожный форум, блоги, фотогалерея, социальная сеть > Эксплуатация железных дорог, вагоны, контактная сеть, связь, коммерческая работа > Связь на железнодорожном транспорте
Связь на железнодорожном транспорте Подфорум связистов
Закладки ДневникиПоддержка Сообщество Комментарии к фото Сообщения за день
Ответить в этой теме   Перейти в раздел этой темы    
 
В мои закладки Подписка на тему по электронной почте Отправить другу по электронной почте Опции темы Поиск в этой теме
Старый 19.04.2023, 21:34   #31 (ссылка)
Super V.I.P.
 
Аватар для Adagumer

Регистрация: 16.02.2012
Сообщений: 5,283
Поблагодарил: 6723 раз(а)
Поблагодарили 979 раз(а)
Фотоальбомы: не добавлял
Репутация: 1704
Цитата:
Сообщение от Alex_Mn
в принципе это и невозможно
Это как, у передатчика нет тюнера или выход настроен на сопротивление кабеля!
Adagumer вне форума   Цитировать 0
Старый 20.04.2023, 17:42   #32 (ссылка)
V.I.P.
 
Аватар для Alex_Mn

Регистрация: 02.04.2023
Сообщений: 260
Поблагодарил: 2 раз(а)
Поблагодарили 39 раз(а)
Фотоальбомы: не добавлял
Репутация: 120
Цитата:
Сообщение от Adagumer Посмотреть сообщение
Это как, у передатчика нет тюнера или выход настроен на сопротивление кабеля!
я даж как то вообразить не могу:
1. у передатчика тюнер (бред какой то) (если стоит цель уменьшить мощность то имеет смысл)
2. выход настроен на сопротивление кабеля (бред еще круче)
понимаеш слово "настроить" или "согласовать" имеет какой то смысл в нашем случаи это КСВ. чтоб уменьшить потери в кабеле и передать в нагрузку.
внутреннее сопротивление передатчика не влияет на КСВ. идеальный передатчик имеет сопротивление равно 0. все что выше это уменьшает КПД передатчика.
бредом считаю еще измерять КСВ без кабеля. как можно измерять согласование двух предметов если одного предмета нет.
Alex_Mn вне форума   Цитировать 0
Старый 20.04.2023, 19:16   #33 (ссылка)
Super V.I.P.
 
Аватар для Adagumer

Регистрация: 16.02.2012
Сообщений: 5,283
Поблагодарил: 6723 раз(а)
Поблагодарили 979 раз(а)
Фотоальбомы: не добавлял
Репутация: 1704
Цитата:
Сообщение от Alex_Mn
идеальный передатчик имеет сопротивление равно 0. все что выше это уменьшает КПД передатчика
Каково же будет КСВ на границе раздела между передатчиком и кабелем?
Adagumer вне форума   Цитировать 0
Старый 20.04.2023, 19:49   #34 (ссылка)
V.I.P.
 
Аватар для Alex_Mn

Регистрация: 02.04.2023
Сообщений: 260
Поблагодарил: 2 раз(а)
Поблагодарили 39 раз(а)
Фотоальбомы: не добавлял
Репутация: 120
Цитата:
Сообщение от Adagumer Посмотреть сообщение
Каково же будет КСВ на границе раздела между передатчиком и кабелем?
не знаю как тебе уж обьяснить.
КСВ это отношение антены с кабелем
Alex_Mn вне форума   Цитировать 0
Старый 20.04.2023, 20:30   #35 (ссылка)
Опытный пользователь
 
Аватар для Электронщик

Регистрация: 04.08.2010
Сообщений: 18
Поблагодарил: 4 раз(а)
Поблагодарили 1 раз(а)
Фотоальбомы: не добавлял
Репутация: 0
Вы ошибаетесь и подзабыли теорию длинных линий. Выходной каскад передатчика на рабочей частоте имеет выходное сопротивление около 50 Ом.
Электронщик вне форума   Цитировать 0
Старый 20.04.2023, 21:33   #36 (ссылка)
Super V.I.P.
 
Аватар для Adagumer

Регистрация: 16.02.2012
Сообщений: 5,283
Поблагодарил: 6723 раз(а)
Поблагодарили 979 раз(а)
Фотоальбомы: не добавлял
Репутация: 1704
Цитата:
Сообщение от Электронщик
подзабыли теорию длинных линий
Товарищ скорее всего и не знал азбучных истин или просто троллит форум!
Adagumer вне форума   Цитировать 0
Старый 21.04.2023, 08:43   #37 (ссылка)
V.I.P.
 
Аватар для Alex_Mn

Регистрация: 02.04.2023
Сообщений: 260
Поблагодарил: 2 раз(а)
Поблагодарили 39 раз(а)
Фотоальбомы: не добавлял
Репутация: 120
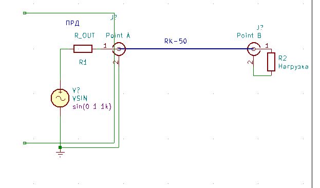
тогда просветите.

R1=50 ом (выходное сопротивление передатчика)
R2=50 ом (антена, нагрузка)
допустим VSIN выдает синусоиду Urms = 100 вольт
его нагрузкой считается как R1 так и R2 получим ток в 1 А
на резисторе R2 напряжение будет 50 вольт, как результат на нагрузку достанется 50 ватт.
--------
условие когда R1 = 0 то все 100 вольт достанется нагрузке R2 и там будет ток уже 2 А как результат мощность уже 200 ватт.

если ваше согласование имеет цель снизить мощность в 4 раза то такое согласование вполне можно применять.

Alex_Mn добавил 21.04.2023 в 09:43
вот тут я как раз прописные истины и прописал. считаите иначе ткните меня носом.

Последний раз редактировалось Alex_Mn; 21.04.2023 в 08:43. Причина: Добавлено сообщение
Alex_Mn вне форума   Цитировать 0
Старый 21.04.2023, 10:26   #38 (ссылка)
Корифей СЦБ
 
Аватар для Александр

Регистрация: 25.02.2009
Адрес: Ленинград
Возраст: 49
Сообщений: 9,629
Поблагодарил: 1617 раз(а)
Поблагодарили 2353 раз(а)
Фотоальбомы: 1 фото
Репутация: 1386
Alex_Mn, https://habr.com/ru/articles/183006/
и продолжение далее
__________________
"Не думай. Думаешь - не говори. Думаешь и говоришь - не пиши. Думаешь, говоришь и пишешь - не подписывай. Думаешь, говоришь, пишешь и подписываешь - не удивляйся."
Ф.Э. Дзержинский.
Александр вне форума   Цитировать 2
Старый 21.04.2023, 10:30   #39 (ссылка)
Super V.I.P.
 
Аватар для Adagumer

Регистрация: 16.02.2012
Сообщений: 5,283
Поблагодарил: 6723 раз(а)
Поблагодарили 979 раз(а)
Фотоальбомы: не добавлял
Репутация: 1704
Цитата:
Сообщение от Alex_Mn
условие когда R1 = 0 то все 100 вольт достанется нагрузке R2 и там будет ток уже 2 А как результат мощность уже 200 ватт.
Вы нарисовали абсолютный генератор (без внутреннего сопротивления), а это уже в раздел к по вечным двигателям!
Если идти таким путём то снизьте сопротивление нагрузки до нуля и ток будет миллиарды ампер, с помощью такой антенны можно будет сжигать космические корабли!
Adagumer вне форума   Цитировать 0
Старый 21.04.2023, 12:04   #40 (ссылка)
V.I.P.
 
Аватар для Alex_Mn

Регистрация: 02.04.2023
Сообщений: 260
Поблагодарил: 2 раз(а)
Поблагодарили 39 раз(а)
Фотоальбомы: не добавлял
Репутация: 120
Цитата:
Сообщение от Adagumer Посмотреть сообщение
Вы нарисовали абсолютный генератор (без внутреннего сопротивления),
ну да я это и привел к чему нужно стремится. а вам то есть что расказать?

Alex_Mn добавил 21.04.2023 в 13:04
Цитата:
Сообщение от Александр Посмотреть сообщение
Alex_Mn, https://habr.com/ru/articles/183006/
и продолжение далее
нее до туда не дойдем, до трех еще не научились считать, а там умножать нужно.

Последний раз редактировалось Alex_Mn; 21.04.2023 в 12:04. Причина: Добавлено сообщение
Alex_Mn вне форума   Цитировать 0
Старый 21.04.2023, 13:09   #41 (ссылка)
Super V.I.P.
 
Аватар для Adagumer

Регистрация: 16.02.2012
Сообщений: 5,283
Поблагодарил: 6723 раз(а)
Поблагодарили 979 раз(а)
Фотоальбомы: не добавлял
Репутация: 1704
Цитата:
Сообщение от Alex_Mn
я это и привел к чему нужно стремится.
То есть живёте в "виртуальной реальности", а с обычным железом видать не сталкивались!
Adagumer вне форума   Цитировать 0
Старый 21.04.2023, 13:16   #42 (ссылка)
V.I.P.
 
Аватар для Alex_Mn

Регистрация: 02.04.2023
Сообщений: 260
Поблагодарил: 2 раз(а)
Поблагодарили 39 раз(а)
Фотоальбомы: не добавлял
Репутация: 120
Цитата:
Сообщение от Adagumer Посмотреть сообщение
То есть живёте в "виртуальной реальности", а с обычным железом видать не сталкивались!
нуда вас попросил чтоб научили, а вы что то слились, так и буду неучем.
Alex_Mn вне форума   Цитировать 0
Старый 21.04.2023, 17:31   #43 (ссылка)
Super V.I.P.
 
Аватар для Adagumer

Регистрация: 16.02.2012
Сообщений: 5,283
Поблагодарил: 6723 раз(а)
Поблагодарили 979 раз(а)
Фотоальбомы: не добавлял
Репутация: 1704
Цитата:
Сообщение от Alex_Mn
нуда вас попросил чтоб научили
Зачем вас учить, когда вы сами тут разжувывать собрались!

Цитата:
Сообщение от Alex_Mn
если интересно могу разжувать на понятном языке что такое КСВ.
Adagumer вне форума   Цитировать 0
Старый 21.04.2023, 18:12   #44 (ссылка)
V.I.P.
 
Аватар для Alex_Mn

Регистрация: 02.04.2023
Сообщений: 260
Поблагодарил: 2 раз(а)
Поблагодарили 39 раз(а)
Фотоальбомы: не добавлял
Репутация: 120
Цитата:
Сообщение от Adagumer Посмотреть сообщение
Зачем вас учить, когда вы сами тут разжувывать собрались!
а вы как учите? ссылаитесь на свое "эго", или какие то расчеты и эксперементы?



кстати если не трудно поделитесь трудами или статьями где говорится об согласовании выходного усилителя в кабел, и в чем согласование то? еслив на другом конце кабеля ничего нет передовать некуда в чем смысл согласование?
и как называется сие согласование?

Последний раз редактировалось Alex_Mn; 21.04.2023 в 18:14. Причина: Добавлено сообщение
Alex_Mn вне форума   Цитировать 0
Старый 21.04.2023, 21:55   #45 (ссылка)
Super V.I.P.
 
Аватар для Adagumer

Регистрация: 16.02.2012
Сообщений: 5,283
Поблагодарил: 6723 раз(а)
Поблагодарили 979 раз(а)
Фотоальбомы: не добавлял
Репутация: 1704
Цитата:
Сообщение от Alex_Mn
кстати если не трудно поделитесь трудами или статьями где говорится об согласовании выходного усилителя в кабел
Вот статья для первокурсников:
https://vpayaem.ru/inf_ksw.html
Цитата:
Сообщение от Alex_Mn
на другом конце кабеля ничего нет передовать некуда в чем смысл согласование?
На другом конце "ничего" быть не может хотя допустимы крайние варианты или сопротивление равно нулю КЗ или бесконечности - разрыв. В обоих случаях сигнал дойдя до конца полностью от него отразиться и вернётся к передатчику в неизменном виде с учётом затухания в кабеле, и на эту самую вернувшуюся величину снизит выходную мощность передатчика.
Adagumer вне форума   Цитировать 0
Похожие темы
Тема Автор Раздел Ответов Последнее сообщение
КРП радиосвязи KVZradist Связь на железнодорожном транспорте 77 20.07.2022 04:22
паспорта станционной радиосвязи GRISHKO-K Связь на железнодорожном транспорте 0 17.03.2018 21:27
Мачта радиосвязи и энергетики _stranger_1992 Связь на ж/д транспорте 3 26.10.2016 12:14
тетра стантарт в радиосвязи виктор2011 Связь на железнодорожном транспорте 0 23.04.2012 22:17
Реестр оборудования радиосвязи ОАО «РЖД» Admin Связь на ж/д транспорте 0 18.09.2011 10:28

Ответить в этой теме   Перейти в раздел этой темы   Translate to English

Возможно вас заинтересует информация по следующим меткам (темам):
, , , , , , , , , ,


Здесь присутствуют: 1 (пользователей: 0 , гостей: 1)
 

Ваши права в разделе
Вы не можете создавать новые темы
Вы не можете отвечать в темах
Вы не можете прикреплять вложения
Вы не можете редактировать свои сообщения

BB коды Вкл.
Смайлы Вкл.
[IMG] код Вкл.
HTML код Выкл.
Trackbacks are Вкл.
Pingbacks are Вкл.
Refbacks are Выкл.



Часовой пояс GMT +3, время: 12:28.

Яндекс.Метрика Справочник 
сцбист.ру сцбист.рф

СЦБИСТ (ранее назывался: Форум СЦБистов - Railway Automation Forum) - крупнейший сайт работников локомотивного хозяйства, движенцев, эсцебистов, путейцев, контактников, вагонников, связистов, проводников, работников ЦФТО, ИВЦ железных дорог, дистанций погрузочно-разгрузочных работ и других железнодорожников.
Связь с администрацией сайта: admin@scbist.com
1 2 3 4 5 6 7 8 9 10 11 12 13 14 15 16 17 18 19 20 21 22 23 24 25 26 27 28 29 30 31 32 33 34 
Powered by vBulletin® Version 3.8.1
Copyright ©2000 - 2026, Jelsoft Enterprises Ltd.
Powered by NuWiki v1.3 RC1 Copyright ©2006-2007, NuHit, LLC Перевод: zCarot