СЦБИСТ - железнодорожный форум, блоги, фотогалерея, социальная сеть
Ушел из жизни Крупицкий Адольф Зельманович
6 февраля 2026 года ушел из жизни Крупицкий Адольф Зельманович, более шести десятков лет проработавший в институте «Гипротранссигналсвязь». Всю свою трудовую деятельность А.З. Крупицкий посвятил проектному делу. После окончанию обучения в Ленинградском институте инженеров железнодорожного транспорта в 1959 году начал свою профессиональную деятельность в качестве старшего электромеханика дистанции сигнализации и связи на Казахской железной дороге. В 1960 году пришел на работу в институт на должность инженера, работал руководителем группы, главным инженером проектов.

Читать далее
Вернуться   СЦБИСТ - железнодорожный форум, блоги, фотогалерея, социальная сеть > Эксплуатация устройств СЦБ > Постовое и напольное оборудование > Рельсовые цепи, счетчики осей
Закладки ДневникиПоддержка Сообщество Комментарии к фото Сообщения за день
Ответить в этой теме   Перейти в раздел этой темы    
 
В мои закладки Подписка на тему по электронной почте Отправить другу по электронной почте Опции темы Поиск в этой теме
Старый 10.08.2013, 23:26   #91 (ссылка)
Опытный пользователь
 
Аватар для скобарь74

Регистрация: 04.12.2011
Сообщений: 1,316
Поблагодарил: 68 раз(а)
Поблагодарили 111 раз(а)
Фотоальбомы: не добавлял
Репутация: 87
Цитата:
появление ложной свободности
Хочется уточнить-это вы видите на мониторе ДСП или вам говорят результаты АПК-ДК?
скобарь74 вне форума   Цитировать 0
Старый 10.08.2013, 23:44   #92 (ссылка)
статус
 
Аватар для Кабанбай Батыр

Регистрация: 20.10.2009
Сообщений: 3,237
Поблагодарил: 579 раз(а)
Поблагодарили 819 раз(а)
Фотоальбомы: 92 фото
Записей в дневнике: 10
Цитата:
Сообщение от скобарь74 Посмотреть сообщение
Хочется уточнить-это вы видите на мониторе ДСП или вам говорят результаты АПК-ДК?
И как себя ведут путевые реле ?
Кабанбай Батыр вне форума   Цитировать 0
Старый 10.08.2013, 23:51   #93 (ссылка)
V.I.P.
 
Аватар для DIMONN

Регистрация: 21.06.2010
Адрес: Зауралье
Сообщений: 277
Поблагодарил: 60 раз(а)
Поблагодарили 57 раз(а)
Фотоальбомы: 6 фото
Репутация: 42
напряжение выставляли по цешке?
DIMONN вне форума   Цитировать 0
Старый 10.08.2013, 23:56   #94 (ссылка)
Новичок
 
Аватар для scdist

Регистрация: 18.07.2013
Адрес: Челябинская область
Сообщений: 21
Поблагодарил: 0 раз(а)
Поблагодарили 0 раз(а)
Фотоальбомы: не добавлял
Репутация: 0
С шунтом такого не может быть, поэтому и не получается. Остаточное на приемниках 0
scdist вне форума   Цитировать 0
Старый 10.08.2013, 23:59   #95 (ссылка)
статус
 
Аватар для Кабанбай Батыр

Регистрация: 20.10.2009
Сообщений: 3,237
Поблагодарил: 579 раз(а)
Поблагодарили 819 раз(а)
Фотоальбомы: 92 фото
Записей в дневнике: 10
Цитата:
С шунтом такого не может быть, поэтому и не получается.
поясните.
Кабанбай Батыр вне форума   Цитировать 0
Старый 10.08.2013, 23:59   #96 (ссылка)
Super V.I.P.
 
Аватар для СУНДЕТОВ

Регистрация: 22.11.2010
Сообщений: 1,834
Поблагодарил: 760 раз(а)
Поблагодарили 1349 раз(а)
Фотоальбомы: 20 фото
Репутация: 549
Цитата:
Сообщение от Евгений Кайгородов 27881 Посмотреть сообщение
Остаточное на приемниках 0
Такого на ТРЦ не видел и основной недостаток .
СУНДЕТОВ вне форума   Цитировать 0
Старый 11.08.2013, 00:03   #97 (ссылка)
статус
 
Аватар для Кабанбай Батыр

Регистрация: 20.10.2009
Сообщений: 3,237
Поблагодарил: 579 раз(а)
Поблагодарили 819 раз(а)
Фотоальбомы: 92 фото
Записей в дневнике: 10
Цитата:
Рельсовая цепь имеет два релейных конца А и Б, питающий конец по середине. В начале поезд заступает на релейный конец Б. Когда хвост поезда находится в конце ответвления А кратковременно шунт теряется периодически.Остаточное на приемниках 0,03 и 0,05 в.
Проблема при поездной обстановке (под номером 3)?

Кабанбай Батыр вне форума   Цитировать 0
Старый 11.08.2013, 00:07   #98 (ссылка)
Super V.I.P.
 
Аватар для APCnik

Регистрация: 26.07.2009
Сообщений: 2,635
Поблагодарил: 323 раз(а)
Поблагодарили 584 раз(а)
Фотоальбомы: 1 фото
Приемники этих ТРЦ пробовали менять? Может проблема в их работе. С локомотива в р.ц. может лезть "всякая гадость" через колесные пары.
__________________
ДАЙ ВАМ БОГ ТО - ЧЕГО ВЫ ЖЕЛАЕТЕ ДРУГИМ!

APCnik вне форума   Цитировать 0
Старый 11.08.2013, 00:09   #99 (ссылка)
Super V.I.P.
 
Аватар для T1000

Регистрация: 23.07.2011
Адрес: Москва
Возраст: 44
Сообщений: 2,799
Поблагодарил: 156 раз(а)
Поблагодарили 273 раз(а)
Фотоальбомы: не добавлял
Репутация: 560
И кодирующий транс на каком конце ковыряли?
T1000 вне форума   Цитировать 0
Старый 11.08.2013, 01:28   #100 (ссылка)
Новичок
 
Аватар для scdist

Регистрация: 18.07.2013
Адрес: Челябинская область
Сообщений: 21
Поблагодарил: 0 раз(а)
Поблагодарили 0 раз(а)
Фотоальбомы: не добавлял
Репутация: 0
Проблема происходит в ситуации 3. Приемники меняли. Кодирование уменьшали на питающем конце.
scdist вне форума   Цитировать 0
Старый 11.08.2013, 09:18   #101 (ссылка)
Super V.I.P.
 
Аватар для Shaddix

Регистрация: 24.11.2009
Возраст: 40
Сообщений: 519
Поблагодарил: 29 раз(а)
Поблагодарили 83 раз(а)
Фотоальбомы: не добавлял
Репутация: 60
какое напряжение на путевом приемнике в момент ложной свободности? смотрели по апк-дк или без диагностики засекали? Табло ДСП или монитор?
__________________
здесь чудес не бывает
Shaddix вне форума   Цитировать 0
Старый 11.08.2013, 09:47   #102 (ссылка)
V.I.P.
 
Аватар для DIMONN

Регистрация: 21.06.2010
Адрес: Зауралье
Сообщений: 277
Поблагодарил: 60 раз(а)
Поблагодарили 57 раз(а)
Фотоальбомы: 6 фото
Репутация: 42
Кодирущие трансформаторы здесь не причем, частоты разные, выставляйте В7-63 или аналогом согласно расчетов и все уйдет. Испытано помогло
DIMONN вне форума   Цитировать 0
Старый 11.08.2013, 11:18   #103 (ссылка)
Super V.I.P.
 
Аватар для APCnik

Регистрация: 26.07.2009
Сообщений: 2,635
Поблагодарил: 323 раз(а)
Поблагодарили 584 раз(а)
Фотоальбомы: 1 фото
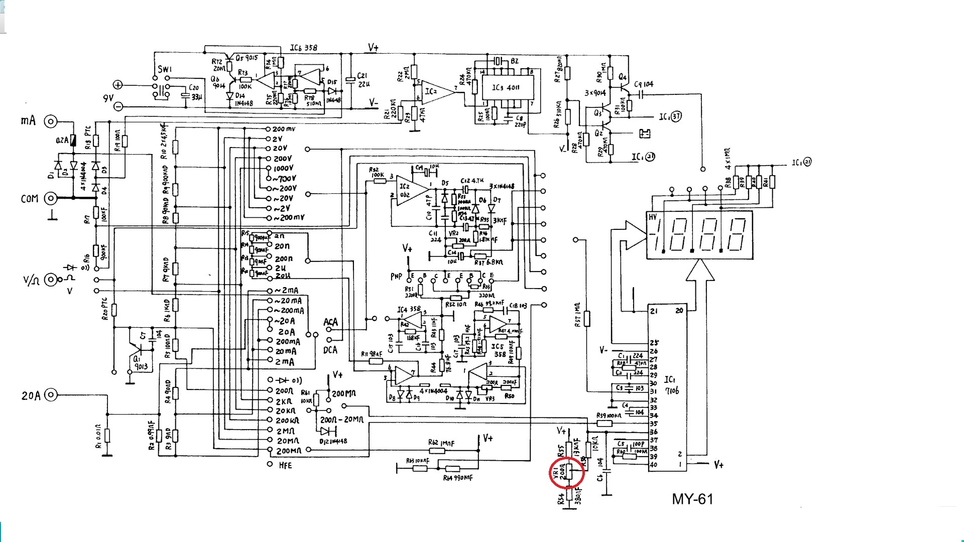
Shaddix, прав. Наверное китайцы по заказу РЖД делают. Если его не поверять будет работать нормально еще 100 лет. После поверки приборов такого типа у нас, пиши - пропало. Их можно смело выбрасывать на помойку. В мультиметрах MY-61 имеется единственный регулировочный резистор, который "шаловливые ручки" поверителя обязательно должны его покрутить.

__________________
ДАЙ ВАМ БОГ ТО - ЧЕГО ВЫ ЖЕЛАЕТЕ ДРУГИМ!


Последний раз редактировалось APCnik; 11.08.2013 в 11:24.
APCnik вне форума   Цитировать 0
Старый 11.08.2013, 15:00   #104 (ссылка)
Новичок
 
Аватар для scdist

Регистрация: 18.07.2013
Адрес: Челябинская область
Сообщений: 21
Поблагодарил: 0 раз(а)
Поблагодарили 0 раз(а)
Фотоальбомы: не добавлял
Репутация: 0
Во вторник будем тестировать сразу несколькими В7-63. О результатах отпишусь.
scdist вне форума   Цитировать 0
Старый 11.08.2013, 19:45   #105 (ссылка)
Super V.I.P.
 
Аватар для Евгений002

Регистрация: 05.04.2009
Адрес: Ямал
Возраст: 69
Сообщений: 4,370
Поблагодарил: 402 раз(а)
Поблагодарили 655 раз(а)
Фотоальбомы: не добавлял
Репутация: 600
Цитата:
Сообщение от Евгений Кайгородов 27881 Посмотреть сообщение
Во вторник будем тестировать сразу несколькими В7-63. О результатах отпишусь.
Нормальненько!!!! Ложная свободность и во ВТОРНИК

У Вашего ШЧ железные нервы.....или голова

По всем канонам ШЛ должен давно уже "ночевать" на этой станции, хотя......возможно он уже в ШЧР........

Последний раз редактировалось Евгений002; 11.08.2013 в 20:29.
Евгений002 вне форума   Цитировать 0
Похожие темы
Тема Автор Раздел Ответов Последнее сообщение
Рельсовые цепи Василий К Общие вопросы эксплуатации устройств СЦБ 71 01.10.2013 11:29
Рельсовые цепи miitovets Курсовое и дипломное проектирование 7 05.09.2012 14:44
Рельсовые цепи NoRd Ищу/Предлагаю 2 01.02.2010 13:00
Тональные рельсовые цепи: за и против с позиций ресурсосбережения СЦБист Статьи по СЦБ 0 03.09.2009 07:18
Рельсовые цепи Artemmen Программное обеспечение и визуальные материалы 1 06.05.2009 20:20

Ответить в этой теме   Перейти в раздел этой темы   Translate to English

Возможно вас заинтересует информация по следующим меткам (темам):
, , , , , , , , , , ,


Здесь присутствуют: 1 (пользователей: 0 , гостей: 1)
 

Ваши права в разделе
Вы не можете создавать новые темы
Вы не можете отвечать в темах
Вы не можете прикреплять вложения
Вы не можете редактировать свои сообщения

BB коды Вкл.
Смайлы Вкл.
[IMG] код Вкл.
HTML код Выкл.
Trackbacks are Вкл.
Pingbacks are Вкл.
Refbacks are Выкл.



Часовой пояс GMT +3, время: 12:46.

Яндекс.Метрика Справочник 
сцбист.ру сцбист.рф

СЦБИСТ (ранее назывался: Форум СЦБистов - Railway Automation Forum) - крупнейший сайт работников локомотивного хозяйства, движенцев, эсцебистов, путейцев, контактников, вагонников, связистов, проводников, работников ЦФТО, ИВЦ железных дорог, дистанций погрузочно-разгрузочных работ и других железнодорожников.
Связь с администрацией сайта: admin@scbist.com
1 2 3 4 5 6 7 8 9 10 11 12 13 14 15 16 17 18 19 20 21 22 23 24 25 26 27 28 29 30 31 32 33 34 
Powered by vBulletin® Version 3.8.1
Copyright ©2000 - 2026, Jelsoft Enterprises Ltd.
Powered by NuWiki v1.3 RC1 Copyright ©2006-2007, NuHit, LLC Перевод: zCarot