СЦБИСТ - железнодорожный форум, блоги, фотогалерея, социальная сеть
Вернуться   СЦБИСТ - железнодорожный форум, блоги, фотогалерея, социальная сеть > Помощь студентам, аспирантам, учащимся > Курсовое и дипломное проектирование
Курсовое и дипломное проектирование Помощь в написании дипломов и курсовых работ
Закладки ДневникиПоддержка Сообщество Комментарии к фото Сообщения за день
Ответить в этой теме   Перейти в раздел этой темы    
 
В мои закладки Подписка на тему по электронной почте Отправить другу по электронной почте Опции темы Поиск в этой теме
Старый 17.06.2011, 22:11   #1 (ссылка)
Кандидат в V.I.P.
 
Аватар для 1Grum1

Регистрация: 24.05.2010
Сообщений: 18
Поблагодарил: 8 раз(а)
Поблагодарили 0 раз(а)
Фотоальбомы: не добавлял
Репутация: 11

Тема: увязка ЭССО с ПАБ


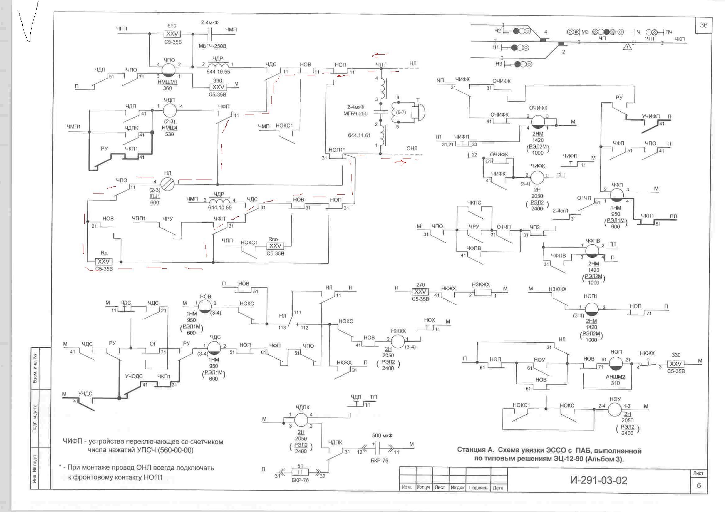
объясните пожалуйста работу схемы(( а то я никак не могу ее понять(( из альбома И-291-03 . лист 6. И-291-03-02

Последний раз редактировалось 1Grum1; 17.06.2011 в 22:30.
1Grum1 вне форума   Цитировать 0
Старый 18.06.2011, 09:00   #2 (ссылка)
Super V.I.P.
 
Аватар для СУНДЕТОВ

Регистрация: 22.11.2010
Сообщений: 1,834
Поблагодарил: 760 раз(а)
Поблагодарили 1349 раз(а)
Фотоальбомы: 20 фото
Репутация: 549
Цитата:
Сообщение от 1Grum1 Посмотреть сообщение
объясните пожалуйста работу схемы(( а то я никак не могу ее понять(( из альбома И-291-03 . лист 6. И-291-03-02
Если количество отправленных и принятых осей
совпадают то срабатывает реле КП и ( его контакты
в цепи дачи прибытия) автоматический подается на
станцию отправления "прибытие". Если нет то прибытие подается вручную.
Был диск с описанием ЭССО ,что-то не нашел.

Последний раз редактировалось СУНДЕТОВ; 18.06.2011 в 09:05.
СУНДЕТОВ вне форума   Цитировать 0
Старый 18.06.2011, 21:01   #3 (ссылка)
Кандидат в V.I.P.

Автор темы
 
Аватар для 1Grum1

Регистрация: 24.05.2010
Сообщений: 18
Поблагодарил: 8 раз(а)
Поблагодарили 0 раз(а)
Фотоальбомы: не добавлял
Репутация: 11
спасибо)) но мне хотя бы одну цепочку по той схеме узнать))я был бы очень рад этому))

1Grum1 добавил 18.06.2011 в 21:01

Последний раз редактировалось 1Grum1; 18.06.2011 в 21:01. Причина: Добавлено сообщение
1Grum1 вне форума   Цитировать 0
Старый 19.06.2011, 09:17   #4 (ссылка)
Super V.I.P.
 
Аватар для СУНДЕТОВ

Регистрация: 22.11.2010
Сообщений: 1,834
Поблагодарил: 760 раз(а)
Поблагодарили 1349 раз(а)
Фотоальбомы: 20 фото
Репутация: 549
[quote=1Grum1;50392]спасибо)) но мне хотя бы одну цепочку по той схеме узнать))я был бы очень рад этому))

В той схеме РУ-значить что станция на диспетчерском(центральном)
управлений,ЧКП1-повторитель реле контроля перегона ЭССО.
В этом ЧхКП.
Миниатюры
увязка ЭССО с ПАБ-pab.jpg  
СУНДЕТОВ вне форума   Цитировать 0
Старый 19.06.2011, 10:46   #5 (ссылка)
Кандидат в V.I.P.

Автор темы
 
Аватар для 1Grum1

Регистрация: 24.05.2010
Сообщений: 18
Поблагодарил: 8 раз(а)
Поблагодарили 0 раз(а)
Фотоальбомы: не добавлял
Репутация: 11
Л-НОХП-НХОВ-ЧХДСО-ЧХФП-ЧХДП-ЧХКП-ХЛМ2
ХЛП2-ЧХРУ-ЧХКП-ЧХВП-ЧХДСО-НХОВ-НХОП-ОЛ
это цепь контроля перегона?
1Grum1 вне форума   Цитировать 0
Старый 19.06.2011, 11:10   #6 (ссылка)
Super V.I.P.
 
Аватар для СУНДЕТОВ

Регистрация: 22.11.2010
Сообщений: 1,834
Поблагодарил: 760 раз(а)
Поблагодарили 1349 раз(а)
Фотоальбомы: 20 фото
Репутация: 549
Цитата:
Сообщение от 1Grum1 Посмотреть сообщение
Л-НОХП-НХОВ-ЧХДСО-ЧХФП-ЧХДП-ЧХКП-ХЛМ2
ХЛП2-ЧХРУ-ЧХКП-ЧХВП-ЧХДСО-НХОВ-НХОП-ОЛ
это цепь контроля перегона?
Цепь прохождения прибытия.Здесь двухполюсное
включение.Станция с 3-я подходами и добавлено Х.
СУНДЕТОВ вне форума   Цитировать 0
Поблагодарили:
Данный пост получил благодарности от пользователей
Старый 19.06.2011, 14:57   #7 (ссылка)
статус
 
Аватар для Кабанбай Батыр

Регистрация: 20.10.2009
Сообщений: 3,237
Поблагодарил: 579 раз(а)
Поблагодарили 819 раз(а)
Фотоальбомы: 92 фото
Записей в дневнике: 10
1Grum1, сформируйте еще раз свой вопрос. А то разброд и шатания получаются .... Вам алгоритм работы ПАБ необходим, или назначение реле ???
А то схема одна,
Щелкните, чтобы увидеть содержимое

вопрос другой ?
Цитата:
это цепь контроля перегона?
Кабанбай Батыр вне форума   Цитировать 0
Старый 19.06.2011, 15:47   #8 (ссылка)
Кандидат в V.I.P.

Автор темы
 
Аватар для 1Grum1

Регистрация: 24.05.2010
Сообщений: 18
Поблагодарил: 8 раз(а)
Поблагодарили 0 раз(а)
Фотоальбомы: не добавлял
Репутация: 11
назначение реле)

на рисунке я обозначил схему прибытия поезда?
1Grum1 вне форума   Цитировать 0
Старый 19.06.2011, 16:27   #9 (ссылка)
Super V.I.P.
 
Аватар для СУНДЕТОВ

Регистрация: 22.11.2010
Сообщений: 1,834
Поблагодарил: 760 раз(а)
Поблагодарили 1349 раз(а)
Фотоальбомы: 20 фото
Репутация: 549
Цитата:
Сообщение от 1Grum1 Посмотреть сообщение
на рисунке я обозначил схему прибытия поезда?
Это получение согласия, прибытие ЧФП под током,
т.е. фронтовой.
СУНДЕТОВ вне форума   Цитировать 0
Старый 19.06.2011, 17:40   #10 (ссылка)
Кандидат в V.I.P.

Автор темы
 
Аватар для 1Grum1

Регистрация: 24.05.2010
Сообщений: 18
Поблагодарил: 8 раз(а)
Поблагодарили 0 раз(а)
Фотоальбомы: не добавлял
Репутация: 11
ООО кажется до меня доходит потихоньку)))
а для чего нужно реле ЧИФК?
1Grum1 вне форума   Цитировать 0
Старый 19.06.2011, 21:45   #11 (ссылка)
статус
 
Аватар для Кабанбай Батыр

Регистрация: 20.10.2009
Сообщений: 3,237
Поблагодарил: 579 раз(а)
Поблагодарили 819 раз(а)
Фотоальбомы: 92 фото
Записей в дневнике: 10
1Grum1. для начала изучите ЭТОТ материал (алгоритм работы ПАБ и описалово небольшое).
О работе схемы прибытия:
для фиксации прибытия поезда на станцию используется реле ЧФП (при нормальной работе схемы оно становится под ток по обмотке 1-4). Реле ЧФПВ - это вспомогательное реле, т.к. фиксация поезда выполняется в два этапа, реле ЧФПВ фиксирует первый этап. Также в цепи обмотки 1-4 реле ЧФП находится фронтовой контакт реле ЧКП1 - это собственно и есть контроль наличия поезда на перегоне, реле которое включается от ЭССО.

Реле ЧИФК служит для искусственной фиксации прибытия поезда. Если при работе схемы фиксации прибытия поезда возник сбой или проблема с РЦ на станции или сбойнула система ЭССО, то ДСП может, нажав кнопку "ЧИФП", восстановить нормальную работу схемы РПБ.
Кабанбай Батыр вне форума   Цитировать 0
Поблагодарили:
Данный пост получил благодарности от пользователей
Старый 19.06.2011, 22:12   #12 (ссылка)
Кандидат в V.I.P.

Автор темы
 
Аватар для 1Grum1

Регистрация: 24.05.2010
Сообщений: 18
Поблагодарил: 8 раз(а)
Поблагодарили 0 раз(а)
Фотоальбомы: не добавлял
Репутация: 11
спасибо)) информация очень помогла))
1Grum1 вне форума   Цитировать 0
Старый 20.10.2011, 20:44   #13 (ссылка)
Кандидат в V.I.P.
 
Аватар для Круглое Поле

Регистрация: 19.10.2011
Сообщений: 2
Поблагодарил: 0 раз(а)
Поблагодарили 0 раз(а)
Фотоальбомы: не добавлял
Репутация: 0
ЭССО наложено на полуавтоматику . В одну сторону счёт осей проходит нормально, в другую сторону остаются на перегоне нечётные оси. В чём проблема ???
Круглое Поле вне форума   Цитировать 0
Старый 20.10.2011, 21:08   #14 (ссылка)
Гость
 
Аватар для Guest2

Фотоальбомы: не добавлял
Цитата:
В одну сторону счёт осей проходит нормально, в другую сторону остаются на перегоне нечётные оси. В чём проблема ???
Для начала проверьте правильность подключения в ПЯ (путевой ящик) проводов датчиков и НЭМ (цвета). Проверьте правильно ли установлены датчики относительно направления движения. Ну заодно можно и все остальное посмотреть( сопротивления датчиков и сопротивление изоляции линии и датчиков).
  Цитировать
Старый 20.10.2011, 23:50   #15 (ссылка)
статус
 
Аватар для Кабанбай Батыр

Регистрация: 20.10.2009
Сообщений: 3,237
Поблагодарил: 579 раз(а)
Поблагодарили 819 раз(а)
Фотоальбомы: 92 фото
Записей в дневнике: 10
Цитата:
Сообщение от Круглое Поле Посмотреть сообщение
ЭССО наложено на полуавтоматику . В одну сторону счёт осей проходит нормально, в другую сторону остаются на перегоне нечётные оси. В чём проблема ???
При следовании поезда в четном направлении - ЭССО отрабатывает правильно, а в нечетном направлении остаются оси ?
Первое что пришло: датчик необходимо на 180 градусов развернуть ... ? Возможно ошибаюсь.
Кабанбай Батыр вне форума   Цитировать 0
Похожие темы
Тема Автор Раздел Ответов Последнее сообщение
Увязка ПВ-ЭЦ и ДГА Sama Y Устройства электропитания и ДГА 19 23.07.2024 14:00
ЭССО Admin Wiki 1 19.03.2014 08:29
=Ищу= ЭССО антипин артем Курсовое и дипломное проектирование 17 03.11.2012 02:30
СИР-ЭССО Admin Wiki СЦБ 0 11.05.2011 20:07
Увязка ДГА Э-8Р с ПВ Jivoy Устройства электропитания и ДГА 1 16.02.2011 16:20

Ответить в этой теме   Перейти в раздел этой темы   Translate to English

Возможно вас заинтересует информация по следующим меткам (темам):
,


Здесь присутствуют: 1 (пользователей: 0 , гостей: 1)
 

Ваши права в разделе
Вы не можете создавать новые темы
Вы не можете отвечать в темах
Вы не можете прикреплять вложения
Вы не можете редактировать свои сообщения

BB коды Вкл.
Смайлы Вкл.
[IMG] код Вкл.
HTML код Выкл.
Trackbacks are Вкл.
Pingbacks are Вкл.
Refbacks are Выкл.



Часовой пояс GMT +3, время: 23:06.

Яндекс.Метрика Справочник 
сцбист.ру сцбист.рф

СЦБИСТ (ранее назывался: Форум СЦБистов - Railway Automation Forum) - крупнейший сайт работников локомотивного хозяйства, движенцев, эсцебистов, путейцев, контактников, вагонников, связистов, проводников, работников ЦФТО, ИВЦ железных дорог, дистанций погрузочно-разгрузочных работ и других железнодорожников.
Связь с администрацией сайта: admin@scbist.com
1 2 3 4 5 6 7 8 9 10 11 12 13 14 15 16 17 18 19 20 21 22 23 24 25 26 27 28 29 30 31 32 33 34 
Powered by vBulletin® Version 3.8.1
Copyright ©2000 - 2026, Jelsoft Enterprises Ltd.
Powered by NuWiki v1.3 RC1 Copyright ©2006-2007, NuHit, LLC Перевод: zCarot