СЦБИСТ - железнодорожный форум, блоги, фотогалерея, социальная сеть
Вернуться   СЦБИСТ - железнодорожный форум, блоги, фотогалерея, социальная сеть > Эксплуатация устройств СЦБ > Постовое и напольное оборудование > Устройства электропитания и ДГА
Закладки ДневникиПоддержка Социальные группы Поиск Сообщения за день Все разделы прочитаны Комментарии к фото Сообщения за день
Ответить в этой теме   Перейти в раздел этой темы    
 
В мои закладки Подписка на тему по электронной почте Отправить другу по электронной почте Опции темы Поиск в этой теме
Старый 05.08.2010, 11:47   #1 (ссылка)
Создатель
 
Аватар для Толян

Регистрация: 19.12.2009
Адрес: Россия
Возраст: 45
Сообщений: 1,267
Поблагодарил: 37 раз(а)
Поблагодарили 1416 раз(а)
Фотоальбомы: 2972 фото
Репутация: 60

Тема: Блок управления зарядом БУЗ


Блок управления зарядом БУЗ


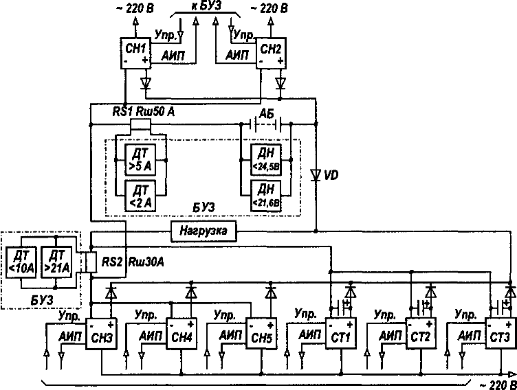
Общие сведения. Блок БУЗ предназначен для эксплуатации в составе панелей ПВП1-ЭЦК и ПВВ-ЭЦ и служит для:

автоматического управления выпрямителями, обеспечивающими содержание аккумуляторной батареи в рабочем состоянии;

автоматического управления выпрямителями, питающими нагрузку; передачи на пульт ДСП, панели ПВП1-ЭЦК или ПВВ-ЭЦ и лицевую панель БУЗ оптического сигнала неисправности выпрямителей (АИП), обрыва батареи, разряда батареи;

передачи на панели ПВП1-ЭЦК или ПВВ-ЭЦ оптической информации о режиме заряда аккумуляторной батареи;

возможности ручного отключения каждой из трех групп сигнализации аварии источников питания (АИП) с индикацией об этом на панели ПВП1-ЭЦК или ПВВ-ЭЦ;

оптической индикации на лицевой панели БУЗ информации о включенных выпрямителях (стабилизаторах тока) нагрузки;

возможности ручного включения выпрямителей (стабилизаторов тока) нагрузки;

возможности ручной установки режима заряда аккумуляторной батареи.

Технические характеристики

Напряжение включения режима ускоренного заряда «3» при

длительности действия более (4 ± 1) с, В....................24,5 ± 0,2

Ток включения режима «3» при длительности действия

более (60 ± 10) с, А, более ................................5

Напряжение включения режима непрерывного подзаряда «ПЗ» при токе заряда менее 2 А и длительности действия более (60 ± 10) с, В......................................28,0 ± 0,6

Напряжение включения датчика «ДН < 21,6» при длительности действия более (8 ± 2) с, В ..........................21,6 ± 0,2

То же выключения, В......................................24,5 ± 0,2

Ток, А, от стабилизаторов СНЗ—СН5, при котором очередной стабилизатор тока:

включается........................................ .....Более 21

выключается ...........................................Менее 10

Периодичность прохождения импульса проверки

наличия батареи, с ......................................60 ± 20

Длительность формирования сигнала контроля отключения батареи, с ...................................224 ± 40




Функционально-принципиальная схема включения датчиков блока БУЗ, аккумуляторной батареи, нагрузки и блоков питания






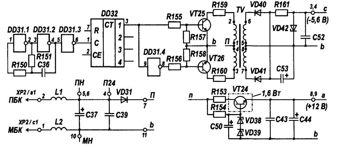
Принципиальная схема платы А1 блока БУЗ








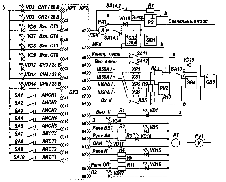
Принципиальная схема платы А3 блока БУЗ



Схема проверки блока БУЗ
__________________

Зарегистрируйтесь, чтобы скачивать файлы.
Внимание! Перед скачиванием книг и документов установите программу для просмотра книг отсюда. Примите участие в развитии ж/д вики-словаря / Журнал "АСИ" онлайн



Если не можете скачать файл... / Наше приложение ВКонтакте / Покупаем электронные версии ж.д. документов

Последний раз редактировалось Толян; 05.08.2010 в 11:49.
Толян вне форума   Цитировать 0
Поблагодарили:
Данный пост получил благодарности от пользователей
Старый 06.11.2010, 14:31   #2 (ссылка)
Super V.I.P.
 
Аватар для Шаэнн

Регистрация: 03.05.2010
Адрес: Ленинград
Возраст: 60
Сообщений: 760
Поблагодарил: 85 раз(а)
Поблагодарили 556 раз(а)
Фотоальбомы: 1121 фото
Репутация: 154
Схемы БУЗ
http://scbist.com/scb/uploaded/4574_buz.djvu
Шаэнн вне форума   Цитировать 0
Поблагодарили:
Данный пост получил благодарности от пользователей
Старый 02.12.2010, 20:49   #3 (ссылка)
Super V.I.P.
 
Аватар для Шаэнн

Регистрация: 03.05.2010
Адрес: Ленинград
Возраст: 60
Сообщений: 760
Поблагодарил: 85 раз(а)
Поблагодарили 556 раз(а)
Фотоальбомы: 1121 фото
Репутация: 154
Блок управления зарядом БУЗ
Инструкция по настройке и проверке
http://scbist.com/scb/uploaded/4574_buz_buz.djvu
Шаэнн вне форума   Цитировать 0
Похожие темы
Тема Автор Раздел Ответов Последнее сообщение
Блок БКР-УП-2 - 36993-200-00 РЭ Admin Приборы и напольное оборудование 0 18.02.2011 17:41
БЛОК НПМ?? Алмаз Дипломы, курсовые, лекции, рефераты по СЦБ 4 23.11.2010 07:54
БЛОК НСС?? Алмаз Дипломы, курсовые, лекции, рефераты по СЦБ 3 22.11.2010 12:47
Блок НСО??? Алмаз Ищу/Предлагаю 3 20.11.2010 19:04
[Статья] Сигнальный блок БСМ и блок управления БУМ [Метро] Admin Статьи по СЦБ 0 09.11.2010 15:14

Ответить в этой теме   Перейти в раздел этой темы   Translate to English

Возможно вас заинтересует информация по следующим меткам (темам):
, ,


Здесь присутствуют: 1 (пользователей: 0 , гостей: 1)
 
Опции темы Поиск в этой теме
Поиск в этой теме:

Расширенный поиск

Ваши права в разделе
Вы не можете создавать новые темы
Вы не можете отвечать в темах
Вы не можете прикреплять вложения
Вы не можете редактировать свои сообщения

BB коды Вкл.
Смайлы Вкл.
[IMG] код Вкл.
HTML код Выкл.
Trackbacks are Вкл.
Pingbacks are Вкл.
Refbacks are Выкл.



Часовой пояс GMT +3, время: 06:55.

Яндекс.Метрика Справочник 
сцбист.ру сцбист.рф

СЦБИСТ (ранее назывался: Форум СЦБистов - Railway Automation Forum) - крупнейший сайт работников локомотивного хозяйства, движенцев, эсцебистов, путейцев, контактников, вагонников, связистов, проводников, работников ЦФТО, ИВЦ железных дорог, дистанций погрузочно-разгрузочных работ и других железнодорожников.
Связь с администрацией сайта: admin@scbist.com
1 2 3 4 5 6 7 8 9 10 11 12 13 14 15 16 17 18 19 20 21 22 23 24 25 26 27 28 29 30 31 32 33 34 
Powered by vBulletin® Version 3.8.1
Copyright ©2000 - 2026, Jelsoft Enterprises Ltd.
Powered by NuWiki v1.3 RC1 Copyright ©2006-2007, NuHit, LLC Перевод: zCarot