СЦБИСТ - железнодорожный форум, блоги, фотогалерея, социальная сеть

СЦБИСТ - железнодорожный форум, блоги, фотогалерея, социальная сеть (https://scbist.com/)
-   Тяговый подвижной состав (https://scbist.com/tyagovyi-podvizhnoi-sostav/)
-   -   =Сборник= Тепловозы TЭ33A и TЭ33AC (ES44ACi). Документация (https://scbist.com/tyagovyi-podvizhnoi-sostav/55191-teplovozy-te33a-i-te33ac-es44aci-dokumentaciya.html)

Вы просматриваете версию для печати. Если вы хотите увидеть статью полностью - перейдите по ссылке

relsamaster 29.08.2022 08:17

Тепловозы TЭ33A и TЭ33AC (ES44ACi). Документация
 
В этой теме будет представлена информация по тепловозу ТЭ33А и его трофейной версии TЭ33AC (ES44ACi). Причиной появления этой темы - почти полное отсутствие в свободном доступе литературы о локомотиве, необходимость организовать процесс технического обучения на освобождённых от укрорейха железных дорогах. Материал найден мной на Приднепровской железной дороге, благодарю всех, кто поспособствовал в его поиске.
В документах имеются предупреждения об авторском праве и конфиденциальности, но мной они ПОЛНОСТЬЮ ИГНОРИРУЮТСЯ - в гробу видел законодательство США и его сателлитов, по крайней мере до тех пор, когда США научаться уважать чужой суверенитет.

Тепловоз
ТЭ33А
является представителем американского локомотивостроения для развивающихся стран. Это значит, что в его конструкции не реализовано никаких прорывных технологий будущего. Но и от локомотивов из далёкого прошлого, имеющихся в эксплуатации в ОАО Укрзализныця, он всё же отличается. Без обучения на него не пересядешь! И этот факт - причина того, что на Львовской дороге их эксплуатация пошла через пень-колоду.
Этот локомотив оснащен консолидированной архитектурой управления (ССА), которая является компьютеризированной электронной системой управления. ССА управляет локомотивом и всеми его бортовыми системами, обеспечивает все измерительные, вычислительные и управляющие функции, а также принимает решения. К ССА подключен целый ряд электронных блоков и два интеллектуальных дисплея (SDIS). Через экраны SDIS машинист взаимодействует с системой, настраивая и управляя функциями локомотива.
К глубокой зраде укрорейха почти вся документация на этот тепловоз была представлена НА РУССКОМ ЯЗЫКЕ. Украиноязычная аудитория не рассматривалась заводом-изготовителем как целевая!
Все документы можно скачать по приведенным к ним ссылкам, из Украины - используя VPN.
Для начала представлю такой документ:


Тепловоз TЭ33AC (ES44ACi). Руководство по эксплуатации, Укрзализныця. 2018

Документ № GEJ-7227 для тепловозов ТЭЗЗА-2001 - ТЭЗЗА-2030.

http://scbist.com/scb/uploaded/1_1710909171.pdf

https://cloud.mail.ru/public/k2Xs/41oJRkCGR

Целью данного руководства является предоставление инструкций по эксплуатации локомотива. В книге приведено описание работы систем локомотива и их назначение. Также описываются процедуры управления локомотивом.

СОДЕРЖАНИЕ

1 ВВЕДЕНИЕ .................................................. ....... 7
2 ОБЩАЯ ИНФОРМАЦИЯ........................................ .......... 9
2.1 КОНСОЛИДИРОВАННАЯ АРХИТЕКТУРА УПРАВЛЕНИЯ (ССА).................... 9
2.2 КОМПОНОВКА ЛОКОМОТИВА........................................ ..... 9
2.3 РАСПОЛОЖЕНИЕ АППАРАТУРЫ........................................ .. 11
2.4 ОБЩАЯ ИНФОРМАЦИЯ........................................ ......... 15
2.5 СИСТЕМА ЭЛЕКТРОННОГО ПНЕВМАТИЧЕСКОГО ТОРМОЗА (ЕАВ)............... 16
2.6 ИНТЕЛЛЕКТУАЛЬНЫЕ ДИСПЛЕИ (SDIS................................... 16
3 ОБОРУДОВАНИЕ В КАБИНЕ............................................ 19
3.1 КОНСОЛЬ МАШИНИСТА......................................... ....... 19
3.2 ЦЕНТРАЛЬНЫЕ КОНСОЛИ........................................... ... 34
3.3 КОНСОЛИ ЧЛЕНОВ ЭКИПАЖА........................................... 36
3.4 ПАНЕЛЬ УПРАВЛЕНИЯ ДВИГАТЕЛЕМ (ЕС) - ПЕРВАЯ КАБИНА МАШИНИСТА...... 38
3.5 ПАНЕЛЬ 2 УПРАВЛЕНИЯ ДВИГАТЕЛЕМ (ЕС) - ВТОРАЯ КАБИНА МАШИНИСТА.... 45
3.6 СТОЯНОЧНЫЙ ТОРМОЗ............................................ .... 48
3.7 ПОТОЛОЧНАЯ КОНСОЛЬ........................................... .... 49
3.8 ОГНЕТУШИТЕЛИ...................................... ............... 52
3.9 ТУАЛЕТНЫЙ ОТСЕК............................................. ..... 52
4 ДРУГИЕ УСТРОЙСТВА И ОБОРУДОВАНИЕ ................................ 55
4.1 ШКАФ ЭЛЕКТРООБОРУДОВАНИЯ............................... .......... 55
4.2 ОБОРУДОВАНИЕ В УПРАВЛЯЮЩЕМ ОТСЕКЕ................................ 57
4.3 ПЕРЕКЛЮЧАТЕЛЬ АККУМУЛЯТОРА...................................... . 59
4.4 РАЗЪЕДИНИТЕЛЬ АККУМУЛЯТОРОВ ДЛЯ ПРОВЕДЕНИЯ ТЕХНИЧЕСКОГО ОБСЛУЖИВАНИЯ...................................... .. 60
4.5 СИСТЕМА ПНЕВМАТИЧЕСКОГО ТОРМОЗА.................................. 61
4.6 ВОЗДУШНЫЙ КОМПРЕССОР........................................ ..... 70
4.7 КЛАПАНЫ ГЛАВНОГО ВОЗДУШНОГО РЕЗЕРВУАРА И РАЗОБЩАЮЩИЕ КРАНЫ ПНЕВМОСИСТЕМ...................................... ......... 74
4.8 СИСТЕМА МОНИТОРИНГА И СМОТРОВЫЕ СТЕКЛА МАКСИМАЛЬНОГО УРОВНЯ ДИЗЕЛЬНОГО ТОПЛИВА........................................ 75
4.9 ЗАПРАВКА/СПУСК ОХЛАЖДАЮЩЕЙ ВОДЫ И СМОТРОВЫЕ СТЕКЛА УРОВНЯ ОХЛАЖДАЮЩЕЙ ВОДЫ.............................................. ... 75
4.10 МАСЛОМЕРНЫЙ ЩУП И ЗАЛИВНАЯ ГОРЛОВИНА ДВИГАТЕЛЯ................... 78
4.11 КРЫШКА ПРОВОРАЧИВАНИЯ ДВИГАТЕЛЯ.................................. 79
4.12 МОНИТОРИНГДИЗЕЛЬНОГО ДВИГАТЕЛЯ................................... 80
4.13 СИСТЕМА ПОЖАРОТУШЕНИЯ..................................... ....... 81
4.14 АВАРИЙНАЯ СИСТЕМА ОТСЕЧКИ ПОДАЧИ ТОПЛИВА И ОСТАНОВА ДВИГАТЕЛЯ.... 81
4.15 РАСПРЕДЕЛЕНИЕ В ПОДВИЖНОМ СОСТАВЕ ЭНЕРГИИ АККУМУЛЯТОРОВ.......... 82
5 ИНТЕЛЛЕКТУАЛЬНЫЕ ДИСПЛЕИ (SDIS).................................... 83
5.1 ВВЕДЕНИЕ.......................................... ................. 83
5.2 ЭКСПЛУАТАЦИЯ...................................... ................. 83
6 ЭЛЕКТРОННЫЙ ПНЕВМАТИЧЕСКИЙ ТОРМОЗ SDIS............................. 95
6.1 ВВЕДЕНИЕ.......................................... ................. 95
6.2 ЭКСПЛУАТАЦИЯ...................................... ................. 95
6.3 НАСТРОЙКА ЭЛЕКТРОННОГО ПНЕВМАТИЧЕСКОГО ТОРМОЗА SDIS................ 99
6.4 УСТРАНЕНИЕ НЕПОЛАДОК ПНЕВМАТИЧЕСКОГО ТОРМОЗА...................... 100
7 РАСПРЕДЕЛЕННОЕ ПИТАНИЕ SDIS....................................... 103
7.1 ВВЕДЕНИЕ.......................................... ................ 103
7.2 ЭКСПЛУАТАЦИЯ...................................... ................ 103
8 СООБЩЕНИЯ ДЛЯ МАШИНИСТА (ОПЕРАТОРА SDIS).......................... Ill
8.1 ВВЕДЕНИЕ.......................................... ................ Ill
8.2 ЭКСПЛУАТАЦИЯ...................................... ................ Ill
9 ПЕРЕКЛЮЧАТЕЛИ SDIS ............................................... 113
9.1 ВВЕДЕНИЕ.......................................... ................ 113
9.2 ЭКСПЛУАТАЦИЯ...................................... ................ 114
10 СЧЕТЧИК РАССТОЯНИЯ SDIS........................................... 119
10.1 ВВЕДЕНИЕ.......................................... ................ 119
10.2 ЭКСПЛУАТАЦИЯ...................................... ................ 119
11 SDIS МЕРНОГО КИЛОМЕТРА......................................... ... 123
11.1 ВВЕДЕНИЕ.......................................... ................ 123
11.2 ЭКСПЛУАТАЦИЯ...................................... ................ 123
12 ЭКРАННЫЕ ЭЛЕМЕНТЫ УПРАВЛЕНИЯ SDIS................................. 127
12.1 ВВЕДЕНИЕ.......................................... ................ 127
12.2 ЭКСПЛУАТАЦИЯ...................................... ................ 127
12.3 ФУНКЦИЯ ЭНЕРГОСБЕРЕЖЕНИЯ ЭКРАНА................................... 128
13 ВЫБОР КОНСОЛИ SDIS ............................................... 131
13.1 ВВЕДЕНИЕ.......................................... ................ 131
13.2 ЭКСПЛУАТАЦИЯ...................................... ................ 131
14 РЕГИСТРАТОР СОБЫТИЙ НА ДИСПЛЕЕ SDIS............................... 135
14.1 ВВЕДЕНИЕ.......................................... ................ 135
14.2 ЭКСПЛУАТАЦИЯ...................................... ................ 135
15 ЗАГРУЗКА ДАННЫХ SDIS.............................................. 137
15.1 ВВЕДЕНИЕ.......................................... ................ 137
15.2 ЭКСПЛУАТАЦИЯ...................................... ................ 137
16 РЕГУЛИРУЕМЫЕ ПАРАМЕТРЫ НА ДИСПЛЕЕ SDIS............................ 139
16.1 ВВЕДЕНИЕ.......................................... ................ 139
16.2 ЭКСПЛУАТАЦИЯ...................................... ................ 139
17 МОНИТОР ПРОЕЗДА SDIS.............................................. 141
17.1 ВВЕДЕНИЕ.......................................... ................ 141
17.2 ЭКСПЛУАТАЦИЯ...................................... ................ 141
18 МОНИТОР ЛОКОМОТИВА SDIS ......................................... 143
18.1 ВВЕДЕНИЕ.......................................... ............... 143
18.2 ЭКСПЛУАТАЦИЯ...................................... ............... 143
19 СТАТИСТИКА SDIS.............................................. .... 145
19.1 ВВЕДЕНИЕ.......................................... ............... 145
19.2 ЭКСПЛУАТАЦИЯ...................................... ............... 145
20 РАБОТА ЛОКОМОТИВА........................................ ........ 149
20.1 СИСТЕМА КОНТРОЛЯ БДИТЕЛЬНОСТИ МАШИНИСТА. ТРЕВОЖНЫЕ ОПОВЕЩЕНИЯ И СООБЩЕНИЯ .................................................. .... 149
20.2 ПРЕЖДЕ ЧЕМ ПОДНЯТЬСЯ НА БОРТ ЛОКОМОТИВА.......................... 151
20.3 ПОСЛЕ ТОГО КАК ВЫ ПОДНЯЛИСЬ НА БОРТ ЛОКОМОТИВА................... 151
20.4 ЗАПУСК ДВИГАТЕЛЯ......................................... ........ 152
20.5 ПОДОГРЕВ И ПУСК ДВИГАТЕЛЯ ПРИ ХОЛОДНОЙ ПОГОДЕ.................... 154
20.6 ЗАРЯДКА ВОЗДУШНОГО РЕЗЕРВУАРА ЛОКОМОТИВА......................... 154
20.7 НАСТРОЙКА ЛОКОМОТИВА ДЛЯ ЭКСПЛУАТАЦИИ ........................... 154
20.8 ПРЕЖДЕ ЧЕМ НАЧИНАТЬ ДВИЖЕНИЕ ЛОКОМОТИВА.......................... 156
20.9 ДВИЖЕНИЕ ПОЕЗДА............................................ ...... 158
20.10 ОСТАНОВКА ПОЕЗДА............................................ .... 159
20.11 РУЧНОЕ ВЫКЛЮЧЕНИЕ ДВИГАТЕЛЯ..................................... 160
20.12 ПРЕЖДЕ ЧЕМ ОСТАВИТЬ ЛОКОМОТИВ................................... 161
20.13 МЕХАНИЧЕСКИЙ И ЭЛЕКТРИЧЕСКИЙ ОСТАНОВ ЛОКОМОТИВА................. 161


ПЕРЕЧЕНЬ РИСУНКОВ

1 Отсеки кабины локомотива........................................ .......... 10
2 Расположение зон управления локомотива.................................... 12
3 Расположение аппаратуры (часть 1 из 2).................................... 13
4 Расположение аппаратуры (часть 2 из 2).................................... 14
5 Типичный вид экрана и сенсорных клавиш SDIS............................... 17
6 Консоль машиниста (часть 1 из 2).......................................... 20
7 Консоль машиниста (часть 2 из 2).......................................... 21
8 Переключатели вспомогательных огней и головных прожекторов................ 22
9 Переключатель/рычаг гудка............................................. .... 24
10 Главный контроллер (МС).............................................. ..... 26
11 Положения общей ручки питания и рукоятки реверса главного контроллера... 27
12 Электрический тормозной кран (EBV)........................................ 29
13 Положения рукоятки автоматического тормоза................................ 30
14 Положения рукоятки независимого тормоза................................... 32
15 Центральная консоль........................................... ............ 35
16 Консоль члена экипажа........................................... .......... 38
17 Панель управления двигателем (ЕС) (часть 1 из 2).......................... 40
18 Панель управления двигателем (ЕС) (часть 2 из 2).......................... 41
19 Панель управления двигателем 2 (ЕС2)...................................... 46
20 Кран стояночного тормоза с индикатором.................................... 49
21 Потолочная консоль........................................... ............. 50
22 Освещение потолочной консоли членов экипажа (вспомогательное освещение). 51
23 Туалетный отсек............................................. .............. 53
24 Шкаф электрооборудования............................... ................... 56
25 Расположение зон управления........................................ ....... 58
26 Индикаторы заряда конденсаторов (CCL)..................................... 59
27 Переключатель аккумулятора (BS)........................................... 60
28 Отключение аккумулятора для технического обслуживания (MBD)............... 61
29 Упрощенная схема FastBrake......................................... ....... 62
30 Расположение компонентов в пневматическом рабочем блоке (POU)............. 63
31 Отсек пневматического тормоза........................................... .. 64
32 Разобщающий кран и электромагнитные клапаны подачи песка (передняя ходовая часть)............................................ ..... 69
33 Концевые соединения пневматического тормоза.............................. 70
34 Воздушный компрессор........................................ ............. 71
35 Панель электромагнитных клапанов......................................... 72
36 Заправка и проверка уровня масла компрессора............................. 73
37 Стандартный осушитель воздуха........................................... . 74
38 Расположение компонентов системы подачи воздуха ......................... 75
39 Бок топливного бака с кнопкой Аварийной остановки, заливным отверстием и смотровым стеклом........................................... 76
40 Расположение смотровых стекол на баке с охлаждающей водой................ 77
41 Слив охлаждающей воды.............................................. ...... 78
42 Масломерный щуп и заливная горловина двигателя........................... 79
43 Крышка проворачивания двигателя......................................... ..... 80
44 Схема Главного рабочего экрана SDIS.......................................... 85
45 Главный рабочий экран LOD (0000-0)........................................... 90
46 Экран дополнительного меню рабочего дисплея локомотива (LOD) (0000-1)........ 91
47 Главный рабочий экран AUX (0000-0)........................................... 92
48 Экран дополнительного меню вспомогательного дисплея (AUX) (0000-1)........... 93
49 Экран настроек электронного пневматического тормоза (2005-0)................. 96
50 Экран изменения настроек электронного пневматического тормоза (2005-1)....... 97
51 Экран подтверждения настроек электронного пневматического тормоза (2005-2).... 98
52 Навигация экрана SDIS для функции распределенного питания.................... 104
53 Экран меню распределенного питания LOD (2310-0).............................. 105
54 Рабочий экран распределенного питания LOD (2301-0)........................... 106
55 Экран изменения режима распределенного питания «выполнить/отменить» LOD (2301-2)............................................ 108
56 Удаленный рабочий экран распределенного питания LOD (2301-1)................. 109
57 Экран сообщений машиниста (5001-0)........................................... 111
58 Экран выключателей (1000-0).............................................. 113
59 Экран отключения двигателей и датчиков скорости (1010-0)................. 115
60 Экран подтверждения выключателей (1000-1)................................ 116
61 Экран монитора самозагрузки локомотива (0020-0).......................... 117
62 Экран настроек счетчика пройденного пути (1200-0)........................ 119
63 Экран изменения настроек счетчика пройденного пути (1200-1).............. 120
64 Экран мерного километра — начального километра (1100-0).................. 123
65 Экран мерного километра - последнего километра (1100-0)................... 125
66 Экран управления экранами (3000-0)........................................ 128
67 Экран ввода пароля машиниста (3100-0)..................................... 129
68 Экран выбора консоли (3050-0)............................................. 131
69 Экран состояния регистратора событий (9300-0)............................. 136
70 Экран загрузки данных локомотива (9000-0)................................. 137
71 Экран загрузки данных локомотива - экран удаления журнала (9000-1)........ 138
72 Экран регулируемых параметров (9700-0).................................... 139
73 Экран монитора проезда (4500-0)........................................... 142
74 Экран монитора локомотива (4000-0)......................................... 144
75 Статистика — Экран цикла технического обслуживания локомотива (9200-0)..... 146
76 Экран «Статистика - цикл технического обслуживания локомотива» (9210-0).... 147
77 Статистика — Экран выборочного сброса (9220-0)............................. 148
78 Экран беззвучных тревожных оповещений (0030-0)............................. 150
79 Экран процесса запуска двигателя (0010-0).................................. 153

https://imageup.ru/img99/4010917/r-0.jpg

https://imageup.ru/img162/4010919/r-1.jpg

https://imageup.ru/img184/4010920/r-2.jpg

https://imageup.ru/img145/4010921/r-3.jpg

https://imageup.ru/img58/4010922/r-4.jpg

relsamaster 29.08.2022 13:42

Тепловоз TЭ33A (ES44ACi). Руководство по эксплуатации, Казахстан. 2008
 
https://i.ibb.co/PWvcwFG/image.jpg

Это руководство выпущено для акционерного общества (АО) Lokomotiv, структурного предприятия казахских железных дорог.
Подходит к ранним версиям тепловоза ТЭЗЗА-0001 — ТЭЗЗА-0010. Может пригодиться железнодорожникам и студентам Казахстана.
Документ № GEJ-7000, можно скачать по ссылке:

http://scbist.com/scb/uploaded/1_1710909120.pdf

https://cloud.mail.ru/public/UWEj/swwwspkB9

relsamaster 29.08.2022 19:29

Тепловоз TЭ33AC. Электрические схемы
 
Эти схемы на английском языке американского стандарта. Предназначены для инженеров.

Тепловоз TЭ33AC. Электрические схемы, Укрзализныця. 2018

Документ 84X275854LA, можно скачать по ссылке:

http://scbist.com/scb/uploaded/1_1710909249.pdf

https://cloud.mail.ru/public/ZNcF/wyDm8rkE9


Тепловоз TЭ33A. Электрические схемы, Казахстан. 2013

Документ 84X275411LA, можно скачать по ссылке:

http://scbist.com/scb/uploaded/1_1710909280.pdf

https://cloud.mail.ru/public/B1Dz/YXf5wa636

https://imageup.ru/img193/4011394/r-e.jpg

https://imageup.ru/img247/4011395/r-5.jpg

https://imageup.ru/img224/4011397/r-6.jpg

relsamaster 30.08.2022 08:02

Электрические системы локомотива, ES40ACi/ES44ACi. 2009
 
Документ № GEK-114354B

http://scbist.com/scb/uploaded/1_1710909325.pdf

https://cloud.mail.ru/public/VJQv/1k2j1D8Qh

В данной публикации приводится описание эксплуатации главных электронных схем управления, важных функций электрических систем локомотива ES40ACi/ES44ACi. Эти системы включают:
• компьютерную систему управления и архитектуру;
• экраны программируемых дисплеев;
• объединенная панель ввода/вывода;
• вспомогательные контроллеры;
• контроллеры заряда и возбуждения;
• систему динамического торможения и систему пневматического тормоза;
• интеграцию систем локомотива.

ОГЛАВЛЕНИЕ

1. ОБЩИЕ СВЕДЕНИЯ.......................................... ......................4
1.1. ВВЕДЕНИЕ.......................................... ............................4
2. ОРГАНЫ УПРАВЛЕНИЯ И ИНДИКАТОРЫ........................................ ........4
2.1. ДИСПЛЕИ (SDIS)............................................ ....................4
2.2. ПАНЕЛЬ УПРАВЛЕНИЯ ДИЗЕЛЕМ........................................... ..........4
2.3. ЗОНЫ УПРАВЛЕНИЯ........................................ .......................4
2.4. ПУЛЫ УПРАВЛЕНИЯ РЕЖИМОМ СИСТЕМЫ........................................... ...10
3. ОПИСАНИЕ ОСНОВНЫХ ФУНКЦИЙ........................................... .........15
3.1. КОНСОЛИДИРОВАННАЯ АРХИТЕКТУРА УПРАВЛЕНИЯ (ССА).............................. 15
3.2. ПАНЕЛЬ ОБЪЕДИНЕННЫХ ВХОДОВ / ВЫХОДОВ........................................ 16
3.3. БЛОК УПРАВЛЕНИЯ ДВИГАТЕЛЕМ........................................ ........ 16
3.4. ВСПОМОГАТЕЛЬНЫЙ КОНТРОЛЛЕР........................................ ......... 16
3.5. СИСТЕМА ДВИЖЕНИЯ ЛОКОМОТИВА........................................ ......... 17
3.6. СИСТЕМА ДИНАМИЧЕСКОГО ТОРМОЖЕНИЯ................. ........................17
3.7. СИСТЕМА ЭЛЕКТРОННОГО ПРЕВМАТИЧЕСКОГО ТОРМОЗА.................................17
3.8. СИСТЕМА ТЕХНИЧЕСКОГО ОБСЛУЖИВАНИЯ И ДИАГНОСТИКИ..............................17
3.9. СИСТЕМНАЯ ИНТЕГРАЦИЯ ЛОКОМОТИВА........................................ ......18

https://imageup.ru/img188/4011687/s-0.jpg

https://imageup.ru/img72/4011688/s-1.jpg

https://imageup.ru/img20/4011690/s-2.jpg

relsamaster 30.08.2022 16:30

Оборудование вспомогательного отсека и отсека дизеля локомотива ES40ACi/ES44ACi, L2A. 2009
 
Документ № GEK-114355-R, ред.А.

http://scbist.com/scb/uploaded/1_1710909357.pdf

https://cloud.mail.ru/public/uikm/fx7BhZit6

В настоящей публикации описывается оборудование, находящееся в отсеке вспомогательного оборудования и отсеке дизеля локомотива ES40ACi/ES44ACi. В данном документе описаны также процедуры демонтажа и замены компонентов этого оборудования.

https://imageup.ru/img85/4011691/o-0.jpg

https://imageup.ru/img22/4011693/o-1.jpg

relsamaster 30.08.2022 20:15

Оборудование холодильной камеры ES40ACi/ES44ACi
 
Оборудование холодильной камеры ES40ACi/ES44ACi, L1. 2008

Документ № GEK-114357-R

https://cloud.mail.ru/public/Qrab/e7Z51rWTg

https://scbist.com/scb/uploaded/1_1766451422.pdf

В этой публикации описано следующее оборудование холодильной камеры:
• Радиаторы
• Вентилятор холодильника
• Воздуходувка охлаждения оборудования
• Вытяжной вентилятор
• Воздушный компрессор
• Зона управления 9 [Control Area, СА9)
• Щит управления компрессором [Compressor Control Panel, ССР)
• Трубопроводные муфты
• Теплообменник масла
• Масляный фильтр

СОДЕРЖАНИЕ
1. ВВЕДЕНИЕ.......................................... ............................. 4
2. ОРГАНЫ УПРАВЛЕНИЯ И ИНДИКАТОРЫ........................................ ......... 4
3. ОПИСАНИЕ ОСНОВНЫХ ФУНКЦИЙ........................................... ........... 4
3.1. РАДИАТОР (СИСТЕМА ОХЛАЖДЕНИЯ ДИЗЕЛЯ)........................................... 4
3.2. ВЕНТИЛЯТОР РАДИАТОРА......................................... .................. 4
3.3. ВОЗДУХОДУВКА ОХЛАЖДЕНИЯ ОБОРУДОВАНИЯ...................................... ..... 4
3.4. ВЫТЯЖНОЙ ВЕНТИЛЯТОР........................................ .....................5
3.5. ВОЗДУШНЫЙ КОМПРЕССОР........................................ ..................6
3.6. ЗОНА УПРАВЛЕНИЯ 9 [СА9|.............................................. .........6
3.7. ПУЛЬТ УПРАВЛЕНИЯ КОМПРЕССОРОМ (ССР)...........................................6
3.8. ТРУБОПРОВОДНЫЕ МУФТЫ............................................. ...........8
3.9. МАСЛЯНЫЙ ТЕПЛООБМЕННИК..................................... .................8
4. ПЛАНОВОЕ ТЕХНИЧЕСКОЕ ОБСЛУЖИВАНИЕ...................................... ..... 8
4.1. ОЧИСТКА РАДИАТОРОВ........................................ .................8
4.2. СМАЗКА ПОДШИПНИКОВ ВЕНТИЛЯТОРА РАДИАТОРА...................................9


Оборудование холодильной камеры ES40ACi/ES44ACi, L2A. 2008

Документ № GEK-114358-R

https://cloud.mail.ru/public/rbXe/qWgqyuTJo

https://scbist.com/scb/uploaded/1_1766451460.pdf

СОДЕРЖАНИЕ
1. ОСНОВНЫЕ СВЕДЕНИЯ.......................................... ..................... 4
1.1. ВВЕДЕНИЕ.......................................... ..............................4
1.2. ПУБЛИКАЦИИ ДЛЯ СПРАВКИ........................................... ...............4
1.3. СВЕДЕНИЯ ПО ТЕХНИКЕ БЕЗОПАСНОСТИ ..............................................4
2. ОПИСАНИЕ ОСНОВНЫХ ФУНКЦИЙ .................................................. ....4
3. ПЛАНОВОЕ ТЕХНИЧЕСКОЕ ОБСЛУЖИВАНИЕ...................................... .........6
3.1. ОЧИСТКА РАДИАТОРОВ........................................ ......................6
3.2. СМАЗКА ПОДШИПНИКОВ ВЕНТИЛЯТОРА РАДИАТОРА.......................................7
3.3. ПРОВЕРКА РАБОТЫ ВЕНТИЛЯТОРА РАДИАТОРА......................................... .8
3.4. ПРОВЕРКА ВОЗДУХОДУВКИ ОХЛАЖДЕНИЯ ОБОРУДОВАНИЯ..................................8
4. ПРОЦЕДУРЫ СНЯТИЯ И ЗАМЕНЫ .................................................. .. 9
4.1. СНЯТИЕ РАДИАТОРА......................................... .......................9
4.2. УСТАНОВКА РАДИАТОРА......................................... ...................12
4.3. СНЯТИЕ ЖАЛЮЗИ РАДИАТОРА (ЕСЛИ УСТАНОВЛЕНЫ)................................... 13
4.4. УСТАНОВКА ЖАЛЮЗИ РАДИАТОРА (ЕСЛИ ЕСТЬ) ........................................14
4.5. СНЯТИЕ ВЕНТИЛЯТОРА РАДИАТОРА......................................... .........14
4.6. УСТАНОВКА ВЕНТИЛЯТОРА РАДИАТОРА......................................... ......15
4.7. СНЯТИЕ ВОЗДУХОДУВКИ ОХЛАЖДЕНИЯ ОБОРУДОВАНИЯ....................................16
4.8. УСТАНОВКА ВОЗДУХОДУВКИ ОХЛАЖДЕНИЯ ОБОРУДОВАНИЯ.................................18
4.9. СНЯТИЕ ВЫТЯЖНОГО ВЕНТИЛЯТОРА....................................... ............19
4.10. УСТАНОВКА ВЫТЯЖНОГО ВЕНТИЛЯТОРА....................................... ........20
4.11. СНЯТИЕ И УСТАНОВКА ВОЗДУШНОГО КОМПРЕССОРА.....................................21
4.12. СНЯТИЕ И УСТАНОВКА МАСЛООХЛАДИТЕЛЯ................................... .........23
5. СВОДНЫЕ ДАННЫЕ............................................ ....................... 26
5.1. ЗНАЧЕНИЯ МОМЕНТОВ ЗАТЯЖКИ........................................... ...........26
5.2. СВОДНАЯ ТАБЛИЦА МАСС.............................................. ...........28
5.3. СВОДНЫЕ ДАННЫЕ О СМАЗОЧНЫХ МАТЕРИАЛАХ........................................ ..28

https://imageup.ru/img181/4011694/khk-0.jpg

https://imageup.ru/img44/4011696/khk-1.jpg

https://imageup.ru/img172/4011697/khk-2.jpg

relsamaster 31.08.2022 13:53

Системы обеспечения дизеля, локомотивы ES40ACi/ES44ACi, L1. 2008
 
Документ № GEK-114352-R

https://cloud.mail.ru/public/SrJS/EEfoMTsa1

https://scbist.com/scb/uploaded/1_1766451506.pdf

В этой публикации приводится описание систем обеспечения дизеля локомотивов Описаны следующие системы:
• Воздушная система дизеля
• Система охлаждающей воды дизеля
• Топливная система
• Система смазочного масла

ОГЛАВЛЕНИЕ
1. ОБЩАЯ ИНФОРМАЦИЯ....................................... 4
1.1. ВВЕДЕНИЕ.......................................... ..... 4
1.2. БЕЗОПАСНОСТЬ...................................... ..... 4
2. ВОЗДУШНАЯ СИСТЕМА ДИЗЕЛЯ............................... 4
2.1. ОПИСАНИЕ.......................................... ..... 4
2.2. ВОЗДУШНЫЕ ФИЛЬТРЫ ДИЗЕЛЯ............................... 4
3. СИСТЕМА ОХЛАЖДЕНИЯ ДИЗЕЛЯ.............................. 7
3.1. ОПИСАНИЕ.......................................... ..... 7
3.2. УРОВЕНЬ ОХЛАЖДАЮЩЕЙ ВОДЫ............................... 8
3.3. АНАЛИЗ ОХЛАЖДАЮЩЕЙ ВОДЫ................................. 10
3.4. ВЕНТИЛЯТОР РАДИАТОРА.................................... 10
4. СИСТЕМА СМАЗОЧНОГО MACЛА................................ 10
4.1. ОПИСАНИЕ.......................................... ....... 10
4.2. ПОТОК СМАЗОЧНОГО МАСЛА ВНЕ ДИЗЕЛЯ........................ 10
4.3. ПОТОК СМАЗОЧНОГО МАСЛА ВНУТРИ ДИЗЕЛЯ..................... 11
4.4. ПРОВЕРКА УРОВНЯ СМАЗОЧНОГО МАСЛА......................... 11
4.5. СИСТЕМА СМАЗОЧНОГО МАСЛА-СЛИВ И ЗАПОЛНЕНИЕ МАСЛОМ ....... 13
4.6. ФИЛЬТРУЮЩИЙ ЭЛЕМЕНТ МАСЛЯНОГО ФИЛЬТРА.................... 15
4.7. СМОТРОВЫЕ ЛЮЧКИ КАРТЕРА.................................. 16
4.8. ПЕРЕПАД ДАВЛЕНИЯ НА ТЕПЛООБМЕННИКЕ МАСЛА................. 17
4.9. ОПРЕДЕЛЕНИЕ СОСТОЯНИЯ ТЕПЛООБМЕННИКА МАСЛА............... 17
4.10. АНАЛИЗ СМАЗОЧНОГО МАСЛА.................................. 17
4.11. СИСТЕМА ПРЕДПУСКОВОЙ ПРОКАЧКИ МАСЛА ДИЗЕЛЯ............... 17
5. ТОПЛИВНАЯ СИСТЕМА........................................... .............. 20
5.1. ОПИСАНИЕ.......................................... .........................20
5.2. ТОПЛИВНЫЙ ФИЛЬТРУЮЩИЙ ЭЛЕМЕНТ........................................... ...21
5.3. ПРЕДОХРАНИТЕЛЬНЫЙ И РЕГУЛИРУЮЩИЙ КЛАПАНЫ ТОПЛИВНОЙ СИСТЕМЫ.................23
5.4. УЗЕЛ ВПРЫСКА ТОПЛИВА........................................... ............25
5.5. ТОПЛИВНЫЙ НАСОС ВЫСОКОГО ДАВЛЕНИЯ.......................................... 26
5.6. ФОРСУНКА ВПРЫСКА ТОПЛИВА........................................... .......26
5.7. ЭЛЕКТРИЧЕСКИЙ ТОПЛИВОПОДКАЧИВАЮЩИЙ НАСОС...................................26
5.8. СНЯТИЕ И УСТАНОВКА КОМПОНЕНТОВ ТОПЛИВНОЙ СИСТЕМЫ...........................26

https://imageup.ru/img247/4011734/d-0.jpg

https://imageup.ru/img219/4011735/d-1.jpg

https://imageup.ru/img197/4011736/d-2.jpg

relsamaster 31.08.2022 17:45

Управляющие и силовые устройства локомотива ES40ACi/ES44ACi, L2A. 2008
 
Документ № GEK-114364A

https://cloud.mail.ru/public/hgAk/J2v92YZNk

https://scbist.com/scb/uploaded/1_1766451539.pdf

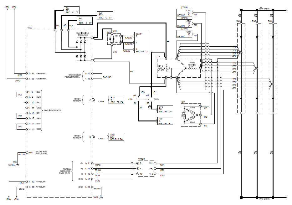
В данной публикации описывается служебное отделение, которое также называется отделением высокого напряжения (HVC), группа модулей управления и процедура демонтажа и замены. В HVC/вспомогательном отделении (рис. 1) установлено оборудование управления и силовые устройства, используемые в системе электропривода локомотива ES40ACi/ES44ACi (исключая микропроцессоры, расположенные в зоне управления 1 [СА1], и удаленно расположенные датчики). Основные компоненты HVC/вспомогательного отделения:
• управляющая электроника;
• управление генератором и силовые устройства;
• выпрямители;
• управление тяговыми инверторами и силовые устройства;
• вспомогательные управляющие силовые устройства.

ОГЛАВЛЕНИЕ

1. ОБЩАЯ ИНФОРМАЦИЯ........................................ ..........................5
1.1. ВВЕДЕНИЕ..............................-..................-...................5
1.2. ПУБЛИКАЦИИ ПО ТЕМЕ..........................-................-..............5
1.3. СВЕДЕНИЯ ПО ТЕХНИКЕ БЕЗОПАСНОСТИ...................................... ..... 5
2. ОРГАНЫ УПРАВЛЕНИЯ И ИНДИКАТОРЫ........................................ ............8
2.1. ВВЕДЕНИЕ..............................-..................-...................8
3. ОПИСАНИЕ ОСНОВНЫХ ФУНКЦИЙ........................................... ..............8
3.1. ВВЕДЕНИЕ..............................-..................-...................8
3.2. ТЯГОВЫЙ ГЕНЕРАТОР (ТА).............................................. ..... 14
3.3. КОНТРОЛЛЕР ТЯГОВОГО ГЕНЕРАТОРА (ТАС)...................................... 14
3.4. ТЯГОВЫЕ ДВИГАТЕЛИ (ТМ1, ТМ2, ТМЗ, ТМ4, ТМ5 И ТМб).......................... 14
3.5. СИЛОВЫЕ ВЫПРЯМИТЕЛИ (RMA, RMB И RMC)...................................... 14
3.6. ИНВЕРТОРЫ......................................... ........................ 16
3.7. КОНТРОЛЛЕР ТЯГОВОГО ДВИГАТЕЛЯ (ТМС).............-...........................21
3.8. БЛОК ПИТАНИЯ ЛОГИЧЕСКИХ СХЕМ (LPS)........................................ 21
3.9. ДРАЙВЕРЫ ЗАТВОРА СИЛОВЫХ ПРЕОБРАЗОВАТЕЛЕЙ (GP1, GP2 И GP3).-................21
3.10. РЕЗИСТОР РАЗРЯДА КОНДЕНСАТОРА ФИЛЬТРА (CDR1)............................... 23
3.11. ПАНЕЛЬ РЕЗИСТОРА ЗАРЯДА КОНДЕНСАТОРА (CLR1 - CLR8)....................... 23
3.12. ПАНЕЛЬ РЕЗИСТОРА ЗАПУСКА (R3)..................-...........................23
3.13. ДИОД ОБРАТНОГО ТОКА (RC)............................................ 23
3.14 БЛОК ОПРЕДЕЛЕНИЯ ЗАМЫКАНИЯ НА ЗЕМЛЮ (GMM).................................. 24
3.15. ДАТЧИКИ ТОКА (СМ1А - С Мб В)........................................... 24
3.16. РЕЛЕ РАЗРЯДА КОНДЕНСАТОРА ФИЛЬТРА (FDCR1 И FDCR2)........................ 24
3.17. РЕЛЕ ЗАПУСКА (C5R И C6R).............................................. .... 24
3.18. КОНТАКТОРЫ ДИНАМИЧЕСКОГО ТОРМОЖЕНИЯ (DB1A+, DB2A+)....................... 24
3.19. МОДУЛИ УМЕНЬШЕНИЯ НАПРЯЖЕНИЯ (VAM1-VAM5)................................. 24
3.20. ПРЕДОХРАНИТЕЛИ ФАЗ............................................... ...... 26
3.21. КОНДЕНСАТОРЫ ЦЕПЕЙ............................................. ........ 26
3.22. КОНТРОЛЛЕР ВСПОМОГАТЕЛЬНОГО ГЕНЕРАТОРА (ААС)............................. 26
3.23. КОНТРОЛЛЕР ДВИГАТЕЛЯ ВЕНТИЛЯТОРА ХОЛОДИЛЬНИКА (RFC1)..................... 27
3.24. КОНТРОЛЛЕР ЗАРЯДА АККУМУЛЯТОРА (ВСС)..................................... 27
3.25. БЛОК УПРАВЛЕНИЯ ДВИГАТЕЛЕМ (ECU)......................................... 29
3.26. АВТОМАТИЧЕСКИЙ ВЫКЛЮЧАТЕЛЬ ЗАРЯДА АККУМУЛЯТОРА И КОНТУРА ПИТАНИЯ КОМПЬЮТЕРА (ВССВ)............................................ ...............29
3.27. АВТОМАТИЧЕСКИЙ ВЫКЛЮЧАТЕЛЬ ЛОКАЛЬНОЙ ЦЕПИ УПРАВЛЕНИЯ (LCCB)................29
3.28. ВЫКЛЮЧАТЕЛЬ ВСПОМОГАТЕЛЬНОГО ГЕНЕРАТОРА................................... 30
3.29. ПЕРЕКЛЮЧАТЕЛЬ АККУМУЛЯТОРА (BS)..................-.........................30
3.30. ПЕРЕКЛЮЧАТЕЛЬ ТЕХНИЧЕСКОГО ОБСЛУЖИВАНИЯ АККУМУЛЯТОРА (MBD).................31
4. ПЛАНОВОЕ ТЕХНИЧЕСКОЕ ОБСЛУЖИВАНИЕ...................................... ...........31
4.1. ВВЕДЕНИЕ...............................-...................-...............31
4.2. ЭЛЕКТРОМАГНИТНЫЕ КОНТАКТОРЫ....................-...........................31
5. ПРОЦЕДУРЫ ДЕМОНТАЖА И ЗАМЕНЫ............................................ .........32
5.1. КОНТРОЛЛЕР ТЯГОВОГО ГЕНЕРАТОРА (ТАС).............-.........................32
5.2. КОНТРОЛЛЕР ВСПОМОГАТЕЛЬНОГО ГЕНЕРАТОРА (ААС)............................. 33
5.3. КОНТРОЛЛЕР ЗАРЯДА АККУМУЛЯТОРА (ВСС)..................................... 34

https://imageup.ru/img205/4012967/u-0.jpg

https://imageup.ru/img95/4012968/u-1.jpg

https://imageup.ru/img120/4012969/u-2.jpg

relsamaster 31.08.2022 21:23

Дизельный двигатель GEVO Tier 2. Техническое обслуживание. 2014
 
Документ № GEK-114239, Ред.Y

https://cloud.mail.ru/public/FBxv/oZSJnnhf5

https://scbist.com/scb/uploaded/1_1766451576.pdf

В настоящем документе содержатся методики замены элементов 12- и 16-цилиндровых дизельных двигателей серии Evolution.

СОДЕРЖАНИЕ

1. ОБЩАЯ ИНФОРМАЦИЯ........................................ ..... 1
1.1. ВВЕДЕНИЕ .................................................. .. 1
1.2. ПУБЛИКАЦИИ ПО ТЕМЕ .......................................... 1
2. ПРАВИЛА ТЕХНИКИ БЕЗОПАСНОСТИ................................. 3
2.1. СРЕДСТВА ИНДИВИДУАЛЬНОЙ ЗАЩИТЫ (СИЗ)......................... 3
2.2. МЕРЫ БЕЗОПАСНОСТИ ПРИ ПРОВОРАЧИВАНИИ ДВИГАТЕЛЯ .............. 3
2.3. ТЕХНИКА БЕЗОПАСНОСТИ И ПРИМЕНЕНИЕ ИНСТРУМЕНТОВ............... 3
2.4. ТЕХНИКА БЕЗОПАСНОСТИ ДЛЯ ГИДРАВЛИЧЕСКИХ ИНСТРУМЕНТОВ......... 4
3. ДАННЫЕ ДВИГАТЕЛЯ......................................... .... 5
4. ГОЛОВКА ЦИЛИНДРОВ, СТАНИНА И ГИЛЬЗА.......................... 7
4.1. ФУНКЦИОНАЛЬНОЕ ОПИСАНИЕ...................................... 7
4.2. УПРАВЛЕНИЕ ИСТОЧНИКАМИ ЭНЕРГИИ .............................. 8
4.3. ГОЛОВКА ЦИЛИНДРОВ......................................... ... 8
4.4. ГОЛОВКА ЦИЛИНДРОВ - РЕГУЛИРОВКА КЛАПАНОВ.................... 25
4.5. ОПОРНЫЙ КОРПУС............................................ .. 32
4.6. ГИЛЬЗА............................................ .......... 43
5. ВЫХЛОПНОЙ КОЛЛЕКТОР....................................... 49
5.1. ДЕМОНТАЖ СЕКЦИЙ ДВУХТРУБНОГО ВЫХЛОПНОГО КОЛЛЕКТОРА........ 49
5.2. МОНТАЖ СЕКЦИЙ ДВУХТРУБНОГО ВЫХЛОПНОГО КОЛЛЕКТОРА.......... 50
6. ЭЛЕКТРИЧЕСКИЙ ТОПЛИВОПЕРЕКАЧИВАЮЩИЙ НАСОС................. 53
6.1. ПРОДУВКА ТОПЛИВНОЙ СИСТЕМЫ................................ 53
6.2. ДЕМОНТАЖ ЭЛЕКТРИЧЕСКОГО ТОПЛИВОПЕРЕКАЧИВАЮЩЕГО НАСОСА..... 55
6.3. МОНТАЖ ЭЛЕКТРИЧЕСКОГО ТОПЛИВОПЕРЕКАЧИВАЮЩЕГО НАСОСА ...... 57
7. ФИЛЬТРАЦИЯ ТОПЛИВА........................................ 59
7.1. ТОПЛИВНЫЕ ФИЛЬТРЫ......................................... 59
8. ТОПЛИВНАЯ СИСТЕМА ВЫСОКОГО ДАВЛЕНИЯ......................... 63
8.1. ВВЕДЕНИЕ .................................................. . 63
8.2. УПРАВЛЕНИЕ ИСТОЧНИКАМИ ЭНЕРГИИ ............................. 63
8.3. ТОПЛИВНЫЙ НАСОС ВЫСОКОГО ДАВЛЕНИЯ .......................... 65
8.4. ТОПЛИВНЫЙ ИНЖЕКТОР.......................................... 74
9. РАСПРЕДВАЛ........................................ .......... 81
9.1. ДЕМОНТАЖ РАСПРЕДВАЛА В РАЗРЕЗЕ ............................. 81
9.2. УСТАНОВКА СЕКЦИИ РАСПРЕДВАЛА................................ 83
9.3. ОСМОТР И ЗАМЕНЫ ШЕСТЕРНИ И ПРОМЕЖУТОЧНОЙ ШЕСТЕРНИ РАСПРЕДВАЛА. 86
10. ПОРШЕНЬ И ШАТУН......................................... 93
10.1. ОПИСАНИЕ ФУНКЦИЙ........................................ 93
10.2. УПРАВЛЕНИЕ ИСТОЧНИКАМИ ЭНЕРГИИ ......................... 93
10.3. БОЛТЫ КРЫШЕК ПОДШИПНИКОВ ШАТУНА-ОСЛАБЛЕНИЕ .............. 94
10.4. СНЯТИЕ ПОРШНЯ И ШАТУНА .................................. 95
10.5. МОНТАЖ ПОРШНЯ И ШАТУНА .................................. 96
10.6. БОЛТЫ КРЫШЕК ШАТУННЫХ ПОДШИПНИКОВ - ЗАТЯЖКА.............. 97
10.7. УПЛОТНЯЮЩИЕ КОЛЬЦА ПОРШНЯ ............................... 104
11. ДВИГАТЕЛЬ И ГЕНЕРАТОР ПЕРЕМЕННОГО ТОКА - ДЕМОНТАЖ И ЗАМЕНА. 109
11.1. ДЕМОНТАЖ ДВИГАТЕЛЯ И ГЕНЕРАТОРА ПЕРЕМЕННОГО ТОКА......... 109
11.2. МОНТАЖ ДВИГАТЕЛЯ И ГЕНЕРАТОРА ПЕРЕМЕННОГО ТОКА .......... 114
11.3. ПРЕДПУСКОВЫЕ ПРОВЕРКИ ДВИГАТЕЛЯ ......................... 117
12. ГЕНЕРАТОР ПЕРЕМЕННОГО ТОКА - ДЕМОНТАЖ И ЗАМЕНА............. 121
12.1. ДЕМОНТАЖ ГЕНЕРАТОРА ПЕРЕМЕННОГО ТОКА....................... 121
12.2. ПОДГОТОВКА ДВИГАТЕЛЯ ...................................... 123
12.3. ПОДГОТОВКА ГЕНЕРАТОРА ПЕРЕМЕННОГО ТОКА..................... 124
12.4. ПОДГОТОВКА ОБОРУДОВАНИЯ ................................... 124
12.5. МОНТАЖ ГЕНЕРАТОРА ПЕРЕМЕННОГО ТОКА НА ДВИГАТЕЛЕ............ 124
12.6. ВЫРАВНИВАНИЕ ВЗАИМНОГО ПОЛОЖЕНИЯ ГЕНЕРАТОРА ПЕРЕМЕННОГО ТОКА И ДВИГАТЕЛЯ......................................... ........126
12.7. ПОДГОТОВКА УЗЛА ГЕНЕРАТОРА ПЕРЕМЕННОГО ТОКА/ДВИГАТЕЛЯ...... 131
13. ПРОВЕРКА И РЕГУЛИРОВКА ЗАЗОРОВ В КОНУСНЫХ ОПОРАХ ДВИГАТЕЛЯ И ГЕНЕРАТОРА........................................ .........133
13.1. ПРОВЕРКА ЗАЗОРА ЦЕНТРАЛЬНОГО АМОРТИЗАТОРА КОНУСНЫХ ОПОР ДВИГАТЕЛЯ И ГЕНЕРАТОРА........................................ ...........133
13.2. УСТАНОВКА ЗАЗОРА ЦЕНТРАЛЬНОГО АМОРТИЗАТОРА КОНУСНЫХ ОПОР ДВИГАТЕЛЯ 134
13.3. УСТАНОВКА ЗАЗОРА ЦЕНТРАЛЬНОГО АМОРТИЗАТОРА КОНУСНЫХ ОПОР ГЕНЕРАТОРА 134
14. ВОДЯНОЙ НАСОС............................................ 135
14.1. ДЕМОНТАЖ ВОДЯНОГО НАСОСА................................. 135
14.2. МОНТАЖ ВОДЯНОГО НАСОСА................................... 135
14.3. РЕГУЛИРОВКА РЕГУЛИРОВОЧНОГО КОЛЬЦА ДЛЯ ВЫБОРА ЛЮФТА ..... 137
15. НАСОС СМАЗОЧНОГО МАСЛА..................................... 139
15.1. ДЕМОНТАЖ НАСОСА СМАЗОЧНОГО МАСЛА .......................... 139
15.2. МОНТАЖ НАСОСА СМАЗОЧНОГО МАСЛА............................. 139
15.3. ДЕМОНТАЖ ШЕСТЕРНИ НАСОСА СМАЗОЧНОГО МАСЛА.................. 140
15.4. МОНТАЖ ШЕСТЕРНИ НАСОСА СМАЗОЧНОГО МАСЛА ................... 143
15.5. РЕГУЛИРОВКА РЕГУЛИРОВОЧНОГО КОЛЬЦА ДЛЯ ВЫБОРА ЛЮФТА ....... 143
16. ТУРБОКОМПРЕССОР................................... ......... 145
16.1. Демонтаж турбокомпрессора.................................. 145
16.2. МОНТАЖ ТУРБОКОМПРЕССОРА ................................... 150
16.3. ПРОВЕРКА РАБОТЫ ТУРБОКОМПРЕССОРА........................... 157
17. КОАГУЛЯТОР И ЭЖЕКТОР....................................... 159
17.1. ДЕМОНТАЖ ШЛАНГА КОАГУЛЯТОРА................................ 159
17.2. МОНТАЖ ШЛАНГА КОАГУЛЯТОРА.................................. 159
17.3. ДЕМОНТАЖ КОАГУЛЯТОРА ...................................... 162
17.4. МОНТАЖ КОАГУЛЯТОРА ........................................ 162
17.5. ТЕХНИЧЕСКОЕ ОБСЛУЖИВАНИЕ КОАГУЛЯТОРА....................... 163
17.6. ДЕМОНТАЖ КОАГУЛЯТОРА ...................................... 164
17.7. МОНТАЖ ЭЖЕКТОРА.......................................... .. 164
17.8. ОЧИСТКА ЭЖЕКТОРА ..........................................
18. ПРОМЕЖУТОЧНЫЕ ОХЛАДИТЕЛИ GEVO............................... 171
18.1. ДЕМОНТАЖ ПРОМЕЖУТОЧНОГО ОХЛАДИТЕЛЯ.......................... 171
18.2. Монтаж промежуточного охладителя............................ 171
19. ПРОВЕРКА СИСТЕМЫ........................................... . 173
19.1. ИСПЫТАНИЯ .................................................. 173
19.2. УСТАНОВКА РЕГУЛИРУЕМОГО ПРЕДЕЛА ТОПЛИВА..................... 174
19.3. ЗНАЧЕНИЯ МОМЕНТОВ ЗАТЯЖКИ................................... 174
19.4. ИНСТРУМЕНТЫ....................................... .......... 174
19.5. ПОСТАВКА .................................................. . 174
19.6. МАТЕРИАЛ .................................................. . 174
20. СВОДНЫЕ ДАННЫЕ............................................ 175
20.1. ПЕРЕЧЕНЬ СПЕЦИАЛЬНЫХ ИНСТРУМЕНТОВ ........................ 175
20.2. ЗНАЧЕНИЯ МОМЕНТОВ ЗАТЯЖКИ................................. 181


ПЕРЕЧЕНЬ РИСУНКОВ

1 Показаны стандартные гильза, станина и головка двигателя Tier 3......... 7
2 Головка цилиндров......................................... .............. 9
3 Топливная линия высокого давления...................................... 10
4 Штифтовая траверса клапана — коромысло и толкатели клапанов головки цилиндров без форсунки инжектора......................................... .......11
5 Бесштифтовая траверса клапана — коромысло и толкатели клапанов головки цилиндров с инжектором Tier 3.........................................11
6 Шпилька крепления цилиндра.......................................... ... 14
7 Бесштифтовая траверса клапана.......................................... 16
8 Головка цилиндров и гидравлический натяжитель HTI...................... 18
9 Гидравлический натяжитель HTI для шпилек головки цилиндров............. 19
10 Правильная установка гидравлического натяжителя HTI.................... 20
11 Штифтовая траверса клапана — головка цилиндров без форсунки инжектора 26
12 Бесштифтовая траверса клапана — головка цилиндров с форсункой инжектора Tier 3 26
13 Отверстие для синхронизации без крышки................................ 27
14 Бесштифтовая траверса клапана......................................... 30
15 Выровнять толкатель коромысла с траверсой клапана при помощи накидного ключа 31
16 Штифтовая траверса клапана — головка цилиндров без форсунки инжектора 31
17 Бесштифтовая траверса клапана — головка цилиндров с форсункой инжектора Tier 3 32
18 Установка фиксатора поршня............................................ . 33
19 Наиболее эффективные методы............................................ 34
20 Шток обратной подачи топлива........................................... 36
21 Шпилька крепления цилиндра.......................................... ... 37
22 Наиболее эффективные методы............................................ 38
23 Шпилька крепления цилиндра.......................................... ... 41
24 Наиболее эффективные методы............................................ 42
25 Станина с нейлоновой подкладкой........................................ 44
26 Подъемное устройство для вынимания гильзы из станины................... 44
27 Подъемное устройство для вынимания гильзы из станины................... 45
28 Подъемное устройство TESCO Т85312......................................... 46
29 Выхлопной коллектор......................................... .............. 50
30 Двухтрубный выхлопной коллектор......................................... .. 51
31 Схема топливной системы низкого давления (Стандартный двигатель GEV012)... 53
32 Схема топливной системы низкого давления (Стандартный двигатель GEV016)... 54
33 Слив топливного фильтра........................................... ........ 54
34 Конструкции корпусов топливного фильтра................................... 55
35 Электрическая схема насоса подачи топлива................................. 56
36 Топливные соединения топливоперекачивающего насоса........................ 56
37 Дренажный клапан корпуса фильтра в закрытом положении..................... 60
38 Дренажный клапан корпуса фильтра в открытом положении..................... 60
39 Вентиляционный клапан корпуса фильтра в открытом положении................ 61
40 Шплинт и ленточный хомут............................................. ..... 61
41 Схема топливной системы низкого давления (Стандартный двигатель GEV012).. 63
42 Схема топливной системы низкого давлени (Стандартный двигатель GEV016) ... 64
43 Дренажный клапан топливного фильтра....................................... 64
44 Вентиляционный клапан топливного фильтра.................................. 65
45 Заводская табличка синхронизации двигателя GEV012......................... 67
46 Заводская табличка синхронизации двигателя GEV016......................... 68
47 Топливопроводы цилиндра.......................................... ......... 68
48 Топливный насос высокого давления........................................ 70
49 Метки означают поворот конического шкива при присоединении к инжектору... 71
50 Деформация, связанная с превышением допустимого момента затяжки.......... 72
51 Кавитационная полость на уплотнительной поверхности шкива системы высокого давления.......................................... ...................72
52 Повреждение шкива при транспортировке................................... . 73
53 Топливный блок низкого давления.......................................... 73
54 Точка крепления топливного блока низкого давления........................ 74
55 HPFL Недопустимые повреждения шкива...................................... 75
56 Сборка топливного инжектора......................................... ..... 78
57 Демонтаж болта секции распредвала....................................... . 83
58 Метки синхронизации распредвала....................................... 84
59 Проверка осевого зазора распредвала................................... 85
60 Метки на боковых сторонах промежуточной шестерни и шестерни распредвала 87
61 Метка синхронизации на передней стороне шестерни распредвала.......... 87
62 Окончательные проверки меток синхронизации.......................... 88
63 Метки синхронизации распредвала....................................... 89
64 Приспособление TESCO Т85020 для демонтажа промежуточной шестерни.... 90
65 Монтаж гидроцилиндра..................................... ............. 90
66 Болты крепления промежуточной шестерни................................ 91
67 Втулка кулачка........................................... ............. 91
68 Узел поршня и шатуна............................................ ...... 93
69 Последовательность затяжки болтов..................................... 98
70 Элементы управления подвесного пульта................................. 99
71 Затяжной инструмент НИ HYTORC........................................ 101
72 Указания по отвинчиванию...................................... ....... 101
73 Совмещение метки нуля градусов на рычаге торцевой головки............ 103
74 Точки возможного защемления при использовании инструмента МХТ........ 103
75 Извлеките поршневые кольца из упаковки............................... 104
76 Узлы поршней с шатунами на рейке со стороны линии.................... 105
77 Убедитесь, что пружинные стопорные кольца установлены с обеих сторон поршня 105
78 Голубая полоска должна находиться слева............................. 106
79 Приспособление для установки поршневого кольца....................... 106
80 1-я (верхняя) канавка поршневого кольца.............................. 107
81 2-я канавка поршневого кольца....................................... 108
82 3-я (нижняя) канавка поршневого кольца. Маслосъемное кольцо........... 108
83 Точки установки рым-болтов на отсек двигателя (типичные).............. 111
84 Отсек генератора, снятие скрытого болта............................... 111
85 Торсион........................................... .................... 113
86 Конические монтажные опоры генератора переменного тока и стяжная тяга. 113
87 Конические монтажные опоры двигателя.................................. 114
88 Опорные блоки и торсион двигателя...................................... 122
89 Болты фланца ротора............................................ ........ 122
90 Отвинчивание гаек нижней секции генератора переменного тока............ 123
91 Последовательность затяжки болтов на фланце эластичного диска (типовая). 125
92 Положения коленчатого вала............................................. 127
93 Поперечное сечение конусной опоры двигателя............................ 133
94 Водяной насос в сборе (типовой)........................................ 136
95 Входная труба водяного насоса.......................................... 137
96 Оборудование крепления насоса смазочного масла......................... 140
97 Измерение внутренней шестерни.......................................... 141
98 Индикатор на магнитном основании, закрепленный на нагнетательном фланце насоса 141
99 Придвинуть шестерню к одной стороне для установки нуля................. 142
100 Придвинуть шестерню к другой стороне для измерения люфта.............. 142
101 Разрез по шестерне насоса смазочного масла............................ 143
102 Рычажный ключ, вставленный в кольцо................................... 144
103 Регулировка люфта............................................. ........ 144
104 Переходная плита глушителя (типичная)................................. 146
105 Трубопровод подачи масла (типичный)................................... 146
106 Трубопроводы нагнетания воды.......................................... 148
107 Трубы нагнетания воды.............................................. ... 148
108 Приспособление для подъема турбокомпрессора........................... 149
109 Впускное отверстие предпускового смазочного масла в турбокомпрессор... 150
110 Монтажные лапы (типичные)........................................ ..... 151
111 Болты крепления турбокомпрессора 7S1712............................... 152
112 Болты крепления турбокомпрессора 7S1408D.............................. 152
113 Фиксаторы трубопровода подачи масла (типичные)........................ 153
114 Тройник для шланга наддува эжектора................................... 154
115 Место установки проводника........................................ .... 154
116 Хомуты выхлопного сильфона.......................................... .. 155
117 Прокладка выпускного окна (типичная).................................. 156
118 Переходная плита (типичная)........................................ .... 156
119 Расположение Р-образных хомутов........................................ 160
120 Распополежение стяжек и проставок...................................... 161
121 Р-образный хомут коагулятора двигателя GEV012.......................... 161
122 Крепление коагулятора к переднему концу двигателя (типичное)........... 163
123 Крепежные болты эжектора.......................................... ..... 165
124 Шланг коагулятора....................................... ............... 165
125 Р-образный омут шланга коагулятора..................................... 166
126 Колено армированного шланга............................................ 166
127 Труба и нагнетательное сопло эжектора.................................. 167
128 Резьба нагнетательного сопла эжектора.................................. 168
129 После очистки проверить редуктор на наличие повреждений................ 168
130 Проверить резьбу сопла эжектора на наличие повреждений или загрязнений...169
131 Крепежные болты промежуточного охладителя.............................. 172


ПЕРЕЧЕНЬ ТАБЛИЦ

1 ПУБЛИКАЦИИ ПО ТЕМЕ.............................................. . 1
2 ДАННЫЕ ДВИГАТЕЛЯ GEV012.......................................... 5
3 ДАННЫЕ ДВИГАТЕЛЯ GEV016.......................................... 5
4 ЗАЗОР КЛАПАНОВ GO-NoGo.......................................... 29
5 Положение коленчатого вала..................................... 127
6 Значение прогиба........................................... .... 128
7 Значения прогибов верхней левой лапы........................... 129
8 Значения прогибов верхней правой лапы.......................... 130
9 СИЛОВАЯ УСТАНОВКА - ТРЕБУЕМЫЕ СПЕЦИАЛЬНЫЕ ИНСТРУМЕНТЫ.......... 175
11 ВЫХЛОПНОЙ КОЛЛЕКТОР -ТРЕБУЕМЫЕ СПЕЦИАЛЬНЫЕ ИНСТРУМЕНТЫ......... 176
10 ГОЛОВКА ЦИЛИНДРОВ - ТРЕБУЕМЫЕ СПЕЦИАЛЬНЫЕ ИНСТРУМЕНТЫ.......... 176
12 ТОПЛИВНЫЙ НАСОС ВЫСОКОГО ДАВЛЕНИЯ - ТРЕБУЕМЫЕ СПЕЦИАЛЬНЫЕ ИНСТРУМЕНТЫ....................................... .........177
13 ТОПЛИВНЫЙ ИНЖЕКТОР - ТРЕБУЕМЫЕ СПЕЦИАЛЬНЫЕ ИНСТРУМЕНТЫ....... 177
14 Демонтаж и монтаж двигателя и генератора — требуемые специальные инструменты 177
15 ДЕМОНТАЖ И МОНТАЖ ГЕНЕРАТОРА - ТРЕБУЕМЫЕ СПЕЦИАЛЬНЫЕ ИНСТРУМЕНТЫ 178
16 Проверка и регулировка зазора конусных опор двигателя и генератора — требуемые специальные инструменты....................................... ....178
17 ВОДЯНОЙ НАСОС - ТРЕБУЕМЫЕ СПЕЦИАЛЬНЫЕ ИНСТРУМЕНТЫ.......... 179
18 НАСОС СМАЗОЧНОГО МАСЛА-ТРЕБУЕМЫЕ СПЕЦИАЛЬНЫЕ ИНСТРУМЕНТЫ... 179
19 ТУРБОКОМПРЕССОР-ТРЕБУЕМЫЕ СПЕЦИАЛЬНЫЕ ИНСТРУМЕНТЫ.......... 179
20 КОАГУЛЯТОР - ТРЕБУЕМЫЕ СПЕЦИАЛЬНЫЕ ИНСТРУМЕНТЫ............. 179
21 ПРОМЕЖУТОЧНЫЕ ОХЛАДИТЕЛИ GEV016 - ТРЕБУЕМЫЕ СПЕЦИАЛЬНЫЕ ИНСТРУМЕНТЫ....................................... .........180
22 ИНСТРУМЕНТЫ EVO РА......................................... 180
23 СОКРАЩЕНИЯ........................................ ......... 180
24 ПОСТАВКА.......................................... ......... 180
25 ЗНАЧЕНИЯ МОМЕНТОВ ЗАТЯЖКИ.................................. 181

https://imageup.ru/img169/4012970/g-0.jpg

https://imageup.ru/img278/4012971/g-1.jpg

https://imageup.ru/img78/4012972/g-2.jpg

https://imageup.ru/img37/4012973/g-3.jpg

relsamaster 01.09.2022 03:28

Система подачи воздуха и воздушный компрессор, локомотив ES40ACi/ES44ACi. 2014
 
Документ № GEK-114359, Ред. D

https://cloud.mail.ru/public/nhgc/kdufRRt42

https://scbist.com/scb/uploaded/1_1766451617.pdf

В настоящем руководстве описываются система подачи сжатого воздуха и воздушный компрессор локомотива серии Evolution ES40ACi/ES44ACi. Для определения правильных номеров для заказа деталей данного локомотива необходимо свериться с каталогом деталей в последней редакции. Рассматриваемое в настоящем руководстве оборудование включает следующие компоненты и узлы:
• Воздушный компрессор
• Двигатель привода воздушного компрессора
• Электромагнитный клапан компрессора (CMV)
• Главные резервуары
• Обратный клапан главного резервуара
• Предохранительный клапан главного резервуара
• Сливные клапаны главного резервуара (Salem 580-002)
• Датчик давления главного резервуара (MR1)
• ОСУШИТЕЛЬ ВОЗДУХА СЕРИИ GW 994
• ВЕНТИЛЯЦИОННЫЙ КЛАПАН (НОМЕР 8)
• ВОЗДУШНЫЙ ФИЛЬТР SALEM 975-075
• БЛОК УПРАВЛЕНИЯ ПНЕВМАТИКОЙ (POU)

СОДЕРЖАНИЕ

1. ОБЩАЯ ИНФОРМАЦИЯ........................................ ..... 1
1.1. ВВЕДЕНИЕ .................................................. .. 1
1.2. МЕРЫ БЕЗОПАСНОСТИ ........................................... 1
2. ЭЛЕМЕНТЫ УПРАВЛЕНИЯ И ИНДИКАЦИИ.............................. 1
3. ОПИСАНИЕ ФУНКЦИЙ........................................... .. 1
3.1. ВОЗДУШНЫЙ КОМПРЕССОР........................................ . 1
3.2. ГЛАВНЫЕ РЕЗЕРВУАРЫ .......................................... 5
3.3. ОСУШИТЕЛЬ ВОЗДУХА СЕРИИ GW 994 ............................. 10
3.4. Вентиляционный клапан (№8).................................. 10
3.5. ВОЗДУШНЫЙ ФИЛЬТР SALEM 975-075 ............................. 10
3.6. БЛОК УПРАВЛЕНИЯ ПНЕВМАТИКОЙ (POU) .......................... 11
4. ПЛАНОВОЕ ТЕХОБСЛУЖИВАНИЕ................................... . 14
5. РАБОТЫ ПО ДЕМОНТАЖУ И ЗАМЕНЕ................................ 14
5.1. ВОЗДУШНЫЙ КОМПРЕССОР........................................ 14
6. СВОДНЫЕ ДАННЫЕ............................................ .. 14


ПЕРЕЧЕНЬ РИСУНКОВ

1 Схема трубопроводов подачи сжатого воздуха с воздушным осушителем.....2
2 Двухвинтовой воздушный компрессор.....................................3
3 Заправка и проверка индикатора масла компрессора......................4
4 Смазочный пистолет с наконечником и рычажным приводом.................5
5 Электромагнитный клапан компрессора...................................6
6 Трубопровод основного резервуара. ES40ACi/ES44ACi.....................7
7 Трубопровод основного резервуара. ES40ACi/ES44ACi.....................8
8 Работа сливного клапана........................................... ....9
9 Осушитель воздуха серии GW 994 (типовой)..............................11
10 Узел фильтра Salem 975-075...........................................12
11 Блок управления пневматикой (POU)....................................13

https://imageup.ru/img198/4013087/v-1.jpg

https://imageup.ru/img126/4013089/v-2.jpg

https://imageup.ru/img298/4013090/v-3.jpg

relsamaster добавил 01.09.2022 в 04:28
Документ № GEK-114 336A

https://cloud.mail.ru/public/5s5z/ZZcKeXydL

https://scbist.com/scb/uploaded/1_1766451652.pdf

Винтовые компрессоры Gardner Denver разработаны с использованием наиболее передовых методов и технологий и отличаются высоким качеством изготовления. Для максимального использования их возможностей и ресурса необходимо тщательно и аккуратно выполнять все требования по их эксплуатации и техническому обслуживанию. В настоящем руководстве содержится важная информация, необходимая машинисту и сотрудникам, выполняющим техническое обслуживание, при повседневной эксплуатации, техническом обслуживании и регулировке.

СОДЕРЖАНИЕ
Предупреждение - Запрет - Обязательная Информация На Наклейке ......................1
Правила техники безопасности .................................................. .....3
Алфавитный указатель......................................... .......................5
Список иллюстраций....................................... ...........................6
Раздел 1, Общая информация........................................ ..................7
Раздел 2, Монтаж .................................................. .................10
Раздел З, Процедуры пуска и эксплуатации ...........................................15
Раздел 4, КИП и А .................................................. ................19
Раздел 5, Смазка компрессора - отделение масла, фильтрация и средства управления ...23
Раздел 6, Теплообменники (масляные, воздушные)......................................34
Раздел 7, Воздушный фильтр............................................ ..............37
Раздел 8, Муфта вала .................................................. .............39
Раздел 9, Предохранительный клапан............................................ ......44
Раздел 10, Прочие устройства управления........................................ .....46
Раздел 11, Смазка двигателя......................................... ................50
Раздел 12, Условия длительного хранения.......................................... ...51
Раздел 13, График технического обслуживания ........................................52
Раздел 14, Поиск и устранение неисправностей .......................................53

https://imageup.ru/img195/4013080/k-1.jpg

https://imageup.ru/img96/4013084/k-2.jpg

https://imageup.ru/img17/4013085/k-3.jpg

relsamaster 01.09.2022 06:59

Воздушный компрессор, воздухоосушитель.
 
Воздушный компрессор 5GYA28, приводной мотор и ступица в сборе. 2012

Документ № GEK-76330 (MI-26000), Ред. В

https://cloud.mail.ru/public/n8gb/cF1pcCxwZ

https://scbist.com/scb/uploaded/1_1777226469.pdf

Документ на английском языке, с рисунками и подписями к ним на русском.

https://imageup.ru/img201/4013078/vk-1.jpg


Воздухоосушители Graham-White 994-100, 500, 500М, 501М и 512М. 2013

Документ № GEK-114223, Ред. Е

https://cloud.mail.ru/public/WFes/682pi83TC
https://scbist.com/scb/uploaded/1_1777226500.pdf

В настоящем документе описываются осмотры и техническое обслуживание воздухоосушителей Graham-White (GW) серий 994-100, 994-500, 994-500М, 994-501М и 994-512М.

СОДЕРЖАНИЕ

1. ОБЩАЯ ИНФОРМАЦИЯ ............................................ 1
1.1. ВВЕДЕНИЕ .................................................. .. 1
1.2. МЕРЫ БЕЗОПАСНОСТИ ........................................... 1
1.3. РАЗЛИЧИЯ МОДЕЛЕЙ ............................................ 1
2. ЭЛЕМЕНТЫ УПРАВЛЕНИЯ И ИНДИКАЦИИ.............................. 2
3. ОПИСАНИЕ ФУНКЦИЙ........................................... .. 2
3.1. ВОЗДУШНЫЙ ПОТОК В ВОЗДУХООСУШИТЕЛЕ .......................... 3
3.2. ЭЛЕКТРОМОНТАЖ ВОЗДУХООСУШИТЕЛЯ .............................. 6
4. ПЛАНОВОЕ ТЕХОБСЛУЖИВАНИЕ ................................... 9
4.1. ЕЖЕМЕСЯЧНО (ЧЕРЕЗ КАЖДЫЕ 30 ДНЕЙ)........................... 9
4.2. ЕЖЕГОДНО (ЧЕРЕЗ КАЖДЫЕ 12 МЕСЯЦЕВ)......................... 10
4.3. КАПИТАЛЬНЫЙ РЕМОНТ ........................................ 10
5. РАБОТЫ ПО ДЕМОНТАЖУ И ЗАМЕНЕ................................ 12
5.1. ДЕМОНТАЖ ОСНОВНЫХ КОМПОНЕНТОВ............................... 12
5.2. ИНДИКАТОР ВЛАЖНОСТИ ........................................ 12
5.3. ЭЛЕМЕНТ ФИЛЬТРА-КОАГУЛЯТОРА ................................ 15
5.4. МЕТОДИКИ ИСПЫТАНИЙ ВОЗДУХООСУШИТЕЛЯ ........................ 16
6. СВОДНЫЕ ДАННЫЕ............................................ .. 17
6.1. ПЕРЕЧЕНЬ СПЕЦИАЛЬНЫХ ИНСТРУМЕНТОВ И СМАЗОЧНЫХ МАТЕРИАЛОВ ... 17

https://imageup.ru/img146/4013074/vo.jpg

relsamaster 01.09.2022 15:23

Системы управления, диагонстики и контроля тепловозов TЭ33A и TЭ33AC .
 
Функции интеллектуального дисплея 2 уровня. 2014

Документ № GEK-114302, ред. D

https://cloud.mail.ru/public/gS6f/GYubmCf7q
https://scbist.com/scb/uploaded/1_1777226542.pdf

В настоящей публикации описываются функции, доступные для машинистов и осуществляющего техническое обслуживание персонала с индивидуальных интеллектуальных дисплеев (SDIS) 2 уровня на локомотивах серии Evolution с системой управления ССА. Каждая операция описана в отдельном разделе; в нем подробно объясняются действия машиниста при управлении.
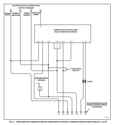
Интеллектуальные дисплеи (SDIS) обеспечивают машинисту связь с системой управления локомотива. Через дисплеи SDIS можно вводить информацию в систему управления и контролировать различные системы локомотива. Каждая железная дорога самостоятельно определяет конфигурацию дисплеев SDIS для работы машиниста, в частности, управление с одной или двух консолей. Дополнительную информацию о дисплеях SDIS можно найти в соответствующем РУКОВОДСТВЕ ПО ЭКСПЛУАТАЦИИ.
Экраны дисплеев SDIS для визуального контроля представляют собой прямоугольные жидкокристаллические дисплеи с задней подсветкой. Клавиатура дисплея SDIS имеет два ряда сенсорных клавиш . Первый ряд состоит из восьми функциональных клавиш (Fx), клавиши вызова справки (HELP) и клавиши вызова меню (MENU). Второй ряд состоит из десяти цифровых клавиш (0-9). Клавиши регулировки яркости экрана находятся на левом краю клавиатуры.
Интеллектуальные дисплеи SDIS обмениваются данными между собой с помощью сети передачи данных локомотива и/или кабеля Ethernet. Они обмениваются данными по сети с объединенной панелью ввода/ вывода (СIO) и панелью транслятора протокола (РТР).

СОДЕРЖАНИЕ

1. ОБЩАЯ ИНФОРМАЦИЯ........................................ ....... 1
1.1. ВВЕДЕНИЕ .................................................. .... 1
1.2. ПУБЛИКАЦИИ ПО ТЕМЕ ............................................ 2
1.3. ИНФОРМАЦИЯ ПО ТЕХНИКЕ БЕЗОПАСНОСТИ............................. 2
2. ЭЛЕМЕНТЫ УПРАВЛЕНИЯ И ИНДИКАТОРЫ............................... 2
3. ФУНКЦИОНАЛЬНОЕ ОПИСАНИЕ........................................ 2
3.1. ИНТЕЛЛЕКТУАЛЬНЫЕ ДИСПЛЕИ (SDIS)................................ 2
3.2. ДИАГНОСТИЧЕСКИЕ ФУНКЦИИ ДИСПЛЕЯ SDIS........................... 6
3.3. ПЕРЕКЛЮЧАТЕЛИ НА ДИСПЛЕЕ SDIS................................. 20
3.4. РЕГИСТРАТОР СОБЫТИЙ НА ДИСПЛЕЕ SDIS........................... 25
3.5. РЕГУЛИРУЕМЫЕ ПАРАМЕТРЫ НА ДИСПЛЕЕ SDIS ....................... 31
3.6. СИСТЕМЫ КОНТРОЛЯ ЛОКОМОТИВА НА ДИСПЛЕЕ SDIS................... 35
3.7. СТАТИСТИКА НА ДИСПЛЕЕ SDIS ................................... 85
3.8. РЕГИСТРАТОР ДАННЫХ НА ДИСПЛЕЕ SDIS (ПРИ НАЛИЧИИ) ............. 88
3.9. КОНФИГУРАЦИЯ ПРОГРАММНОГО ОБЕСПЕЧЕНИЯ ЛОКОМОТИВА НА ДИСПЛЕЕ SDIS...... 95
3.10. ПРОВЕРКИ ЛОКОМОТИВА НА ДИСПЛЕЕ SDIS.................... 108
4. ПЛАНОВОЕ ТЕХНИЧЕСКОЕ ОБСЛУЖИВАНИЕ...................... 130
5. ПОРЯДОК СНЯТИЯ И ЗАМЕНЫ................................ 130
6. СВОДНЫЕ ДАННЫЕ......................................... 130

СПИСОК РИСУНКОВ

1 Типовой экран и сенсорные клавиши дисплея SDIS........................ 1
2 Типовой главный рабочий экран (0000-0) — Уровень 2.................... 3
3 Типовой экран дополнительных меню главного рабочего экрана (0000-1) — Уровень 2........................................... 5
4 Типовой экран сообщений для машиниста (5001-0)......................... 7
5 Типовой экран признаков неисправностей локомотива (5101-0)............. 9
6 Типовой экран заменяемых блоков (5201-0).............................. 11
7 Типовой экран активных происшествий (5301-0)........................... 13
8 Типовой экран журнала происшествий (5401-0)........................... 14
9 Типовой экран журнала моментальных снимков (5601-0)................... 16
10 Типовой экран данных моментальных снимков (5601-0)..................... 17
11 Типовой экран расширенного сброса (5500-0)............................. 20
12 Типовой экран переключателей (1000-0).................................. 21
13 Типовой экран отключения двигателей и датчиков скорости (1010-0)....... 24
14 Типовой экран состояния регистратора событий (9300-0).................. 25
15 Типовая контрольная проверка регистратора событий - состояние по умолчанию (9320-0)................................................ ........ 27
16 Типовая контрольная проверка регистратора событий - состояние записи (9320-1)................................................ ........... 28
17 Типовая контрольная проверка регистратора событий - состояние кабины (9320-2)................................................ ........... 29
18 Типовой экран истории проверок регистратора событий (9310-0)............. 30
19 Типовой экран регулируемых параметров (9700-0)........................... 32
20 Типовой экран изменения регулируемых параметров (9700-1)................. 33
21 Типовой экран подтверждения регулируемых параметров (9700-2)............. 34
22 Типовой экран контроля локомотива (4001-0).............................. 36
23 Типовой экран подробностей контроля локомотива (4720-0)................. 37
24 Типовой экран контроля самонагрузки локомотива (4722-0)................. 40
25 Типовой экран контроля входных/выходных параметров (4724-0)............. 42
26 Типовой экран контроля сети (4770-0).................................... 44
27 Типовой экран контроля сети управления Ethernet (4774-0)................ 46
28 Типовой экран контроля сети управления Arcnet (4772-0).................. 49
29 Типовой экран контроля средств связи кабины (4300-1).................... 51
30 Типовой экран контроля сети передачи данных (4777-0).................... 53
31 Типовой экран контроля силовой установки (4780-0)........................ 55
32 Типовой экран контроля двигателя (4730-0)................................ 57
33 Типовой экран контроля охлаждения двигателя (4734-0)..................... 59
34 Типовой экран контроля запуска двигателя (4732-0)........................ 61
35 Типовой экран контроля автоматического пуска/останова двигателя (4736-0)_ 63
36 Типовой экран контроля панелей возбудителя (4760-0)...................... 65
37 Типовой экран контроля возбуждения генератора (4768-0)................... 68
38 Типовой экран контроля перескока циклов (4762-0)......................... 70
39 Типовой экран контроля вспомогательных инверторов (4766-0)................ 71
40 Типовой экран контроля системы аккумуляторов (4764-0)..................... 74
41 Типовой экран контроля динамического торможения (4784-0).................. 76
42 Типовой экран контроля тяги (4782-0)...................................... 77
43 Типовой экран контроля пользовательских данных (4101-0)................... 79
44 Типовой экран настроек контроля пользовательских данных, экран по умолчанию (4110-0)................................................ ....... 81
45 Типовой экран настройки контроля пользовательских данных - Экран ввода идентификатора (4110-1)............................................ 83
46 Типовой экран подтверждения настроек контроля пользовательских данных (4110-2)................................................ .......... 84
47 Типовой экран статистики срока службы локомотива (9200-0)................. 86
48 Типовой экран статистики технического обслуживания локомотива (9210-0).. 87
49 Типовой экран подтверждения статистики технического обслуживания локомотива (9210-1)................................................ ..... 88
50 Управление регистратором данных - пользовательский экран по умолчанию (9600-0)................................................ ...... 89
51 Управление регистратором данных - пользовательский экран подтверждения (9600-1)................................................ .. 90
52 Управление регистратором данных - Экран изменения интервала (9600-2).... 91
53 Типовая структура экрана выбора параметров регистратора данных (9610-0). 92
54 Экран выбора параметров регистратора данных (9610-0).................... 94
55 Экран подтверждения выбора параметров регистратора данных (9610-0)...... 95
56 Типовой экран конфигурации программного обеспечения локомотива (9100-0)... 97
57 Типовой экран подтверждения конфигурации программного обеспечения локомотива (9100-1)............................................ 98
58 Типовой экран меню обновления/восстановления данных о локомотиве (9400-0)................................................ ...... 99
59 Типовой экран обновления конфигурации локомотива, состояние по умолчанию (9420-0)................................................ ..... 101
60 Типовой экран процесса обновления конфигурации локомотива................ 102
61 Типовой экран процесса обновления идентификации локомотива............... 104
62 Типовой экран восстановления статистики срока службы локомотива (9410-0). 105
63 Типовой экран процесса восстановления статистики срока службы локомотива........................................ ................. 107
64 Типовой экран меню проверки локомотива (9500-0).......................... 109
65 Типовой экран настройки проверки наличия неработающих цилиндров (DCD) (9530-0)................................................ .. 111
66 Типовой экран проверки наличия неработающих цилиндров (DCD) (9535-0)............................................ 112
67 Типовой экран проверки компрессора (9570-0).......................... 114
68 Типовой экран настройки проверок скорости (9560-0)................... 115
69 Типовой экран проверки локомотива с моделированием скорости (9567-0). 116
70 Типовой экран проверки превышения скорости (9565-0).................. 118
71 Типовой экран проверки системы контроля бдительности машиниста (9540-0)... 119
72 Типовой экран проверки входных сигналов системы контроля бдительности машиниста (9545-0)................................................ ..... 120
73 Типовой экран меню самопроверки локомотива (9510-0).................... 122
74 Типовой экран меню самопроверки локомотива - экран состояния ввода идентификатора (9510-1)................................................ 123
75 Типовой экран выполнения самопроверки (9512-0)......................... 124
76 Последовательность типовых экранов для внешнего магазина нагрузочных сопротивлений (9580-0 - 9580-2)........................................ 126
77 Последовательность типовых экранов для внешнего магазина нагрузочных сопротивлений (9580-3 - 9580-5)........................................ 127
78 Последовательность типовых экранов для внешнего магазина нагрузочных сопротивлений для локомотивов, оборудованных VSPD (9580-3 - 9580-7)... 128

https://imageup.ru/img142/4013551/1.jpg

https://imageup.ru/img86/4013572/2.jpg

https://imageup.ru/img203/4013573/3.jpg

https://imageup.ru/img124/4013574/4-2022.jpg


Перечень кодов событий SDIS. 2014

Документ № GEK-114301 Ред. F

https://cloud.mail.ru/public/54EW/jF4WvCbtr

https://scbist.com/scb/uploaded/1_1777226567.pdf

Таблицы отражают Происшествие, Сообщение, Намерение и Вероятную причину.

https://imageup.ru/img24/4013575/5-p.jpg


Загрузка программного обеспечения, локомотив с контроллером ССА. 2009

Документ № GEK-114188-R, Ред. D

https://cloud.mail.ru/public/yjCo/L3Xj9A8PJ

https://scbist.com/scb/uploaded/1_1777226590.pdf

Данная публикация содержит инструкции по демонтажу и замене программируемого дисплея (SDIS) и загрузке операционной системы и приложений для SDIS и других панелей управления через SDIS в локомотивах с контроллером ССА.

СОДЕРЖАНИЕ

1. ОБЩИЕ СВЕДЕНИЯ.......................................... ..................4
1.1. ВВЕДЕНИЕ.......................................... ........................4
1.2. СВЕДЕНИЯ ПО ТЕХНИКЕ БЕЗОПАСНОСТИ...................................... ....4
2. ОРГАНЫ УПРАВЛЕНИЯ И ИНДИКАТОРЫ........................................ ....4
3. ОПИСАНИЕ ОСНОВНЫХ ФУНКЦИЙ........................................... ......4
4. ПЛАНОВОЕ ТЕХНИЧЕСКОЕ ОБСЛУЖИВАНИЕ...................................... ...4
4.1. ПРОЦЕДУРА ПОДГОТОВКИ........................................ ..............4
4.2. ПРОЦЕДУРА ЗАГРУЗКИ ПРОГРАММНОГО ОБЕСПЕЧЕНИЯ ПАНЕЛИ SDIS ..................5
4.3. ИДЕНТИФИКАЦИЯ ЛОКОМОТИВА И НАСТРОЙКА КОНФИГУРАЦИИ.........................9
4.4. ЗАГРУЗКА ПРОГРАММНОГО ОБЕСПЕЧЕНИЯ В ДРУГИЕ ПАНЕЛИ ........................14
4.5. ПРОЦЕДУРЫ ЗАГРУЗКИ ПРОГРАММНОГО ОБЕСПЕЧЕНИЯ ДЛЯ ЭЛЕКТРОННОЙ СИСТЕМЫ УПРАВЛЕНИЯ ПНЕВМАТИЧЕСКИМИ ТОРМОЗАМИ (ЕАВ)... 17
5. ПРОЦЕДУРЫ ДЕМОНТАЖА И ЗАМЕНЫ............................................ ..18
5.1 ДЕМОНТАЖ И ЗАМЕНА ДИСПЛЕЯ (SDIS)..........................................18
5.2. ВОССТАНОВЛЕНИЕ СТАТИСТИКИ СРОКА СЛУЖБЫ....................................20
6. СВОДНЫЕ ДАННЫЕ............................................ ................20

https://imageup.ru/img192/4013576/6-z.jpg


Загрузка данных локомотива. 2009

Документ № GEK-114187-R, Ред. С

https://cloud.mail.ru/public/qCVP/8Lbxn9dr8

https://scbist.com/scb/uploaded/1_1777226612.pdf

В этой публикации описана процедура выгрузки данных локомотива (например, журнала записи событий или маршрутного журнала). Данные можно выгрузить с помощью переносного накопителя данных (например, накопителя типа карты памяти или USB-накопителя) непосредственно с "программируемого дисплея" (Smart Display, SDIS).

СОДЕРЖАНИЕ

1. ОБЩИЕ СВЕДЕНИЯ .................................................. ................4
1.1. ВВЕДЕНИЕ.......................................... ...............................4
1.2. СВЕДЕНИЯ ПО ТЕХНИКЕ БЕЗОПАСНОСТИ...................................... ...........4
2. ОРГАНЫ УПРАВЛЕНИЯ И ИНДИКАТОРЫ........................................ ...........4
3. ОПИСАНИЕ ОСНОВНЫХ ФУНКЦИЙ........................................... .............4
3.1. ВВОДНЫЕ ИНСТРУКЦИИ........................................ .......................4
3.2. ЗАГРУЗКА ЖУРНАЛОВ ДАННЫХ УРОВНЯ 1(L1)............................................5
3.3. ЗАГРУЗКА ЖУРНАЛОВ ДАННЫХ УРОВНЯ 2 (L2)...........................................9
3.4. ПРОЦЕДУРА ОЧИСТКИ НАКОПИТЕЛЯ........................................ .............10
4. ПЛАНОВОЕ ТЕХНИЧЕСКОЕ ОБСЛУЖИВАНИЕ...................................... ..........11
5. ПРОЦЕДУРЫ ДЕМОНТАЖА И ЗАМЕНЫ .................................................. ..11
6. ОБЩИЕ ДАННЫЕ............................................ .........................11

https://imageup.ru/img134/4013581/7-zd.jpg

relsamaster 01.09.2022 22:15

Ходовая часть тепловозов TЭ33A и TЭ33AC.
 
Техническая информация о колёсах локомотивов. 2012

Документ № GEK-76395, Ред. Е

https://cloud.mail.ru/public/dvYy/j1ucMgVDH

https://scbist.com/scb/uploaded/1_1777226647.pdf

Настоящий документ предназначается для предоставления технической информации о колесах, используемых на локомотивах GE. Эта публикация призвана предоставить рекомендации по проведению измерений и технического обслуживания колес локомотивов в условиях ремонтных депо.

СОДЕРЖАНИЕ

1. ОБЩАЯ ИНФОРМАЦИЯ........................................ ...... 1
1.1. ВВЕДЕНИЕ .................................................. ... 1
1.2. ОБЩАЯ ИНФОРМАЦИЯ ............................................. 4
1.3. СВОЙСТВА КОЛЕС............................................. ... 4
1.4. ИНСТРУМЕНТЫ....................................... ............ 4
2. ОРГАНЫ УПРАВЛЕНИЯ И ИНДИКАТОРЫ................................ 4
3. ФУНКЦИОНАЛЬНОЕ ОПИСАНИЕ-ПРАВИЛА FRA В ОТНОШЕНИИ КОЛЕС....... 5
3.1. КОЛЕСНЫЕ ПАРЫ, FRA 229.73 .................................... 5
3.2. ДЕФЕКТЫ КОЛЕС, FRA 229.75 .................................... 5
3.3. ПРИМЕРЫ РАСПРОСТРАНЕННЫХ КОЛЕСНЫХ КАЛИБРОВ.................... 6
3.4. ИЗМЕРЕНИЕ ВЫСОТЫ ГРЕБНЯ (СО СТОРОНЫ ГРЕБНЯ, ИЛИ ЗАДНЕЙ СТОРОНЫ КОЛЕСА) .................................................. ... 8
3.5. ИЗМЕРЕНИЕ ТОЛЩИНЫ ГРЕБНЯ (СО СТОРОНЫ ГРЕБНЯ, ИЛИ ЗАДНЕЙ СТОРОНЫ КОЛЕСА) .................................................. .. 11
3.6. ИЗМЕРЕНИЕ ТОЛЩИНЫ ОБОДА (СО СТОРОНЫ ГРЕБНЯ, ИЛИ ЗАДНЕЙ СТОРОНЫ КОЛЕСА) .................................................. .. 15
3.7. ИЗМЕРЕНИЕ ДИАМЕТРА КОЛЕС..................................... 16
4. ПЛАНОВОЕ ТЕХНИЧЕСКОЕ ОБСЛУЖИВАНИЕ............................ 22
5. СНЯТИЕ И ЗАМЕНА............................................ .. 22
6. СВОДНЫЕ ДАННЫЕ............................................ ... 22

СПИСОК ИЛЛЮСТРАЦИЙ

1 Основные термины и размеры, связанные с колёсами...................... 1
2 Размеры сопряжения колес с рельсами для 41-, 42- и 43-дюймовых колёс.3
3 Размеры сопряжения колес с рельсами для 40-дюймовых колёс............. 4
4 Пример отбраковки ободьев........................................... .. 6
5 Устройства для измерения колёс........................................ 7
6 Измерение высоты гребня со стороны гребня............................. 9
7 Измерение высоты гребня, пример 2.................................... 10
8 Электронный колесный калибр (EWG).................................... 10
9 Измерение толщины узких гребней...................................... 11
10 Толщина узкого гребня (пример 2)..................................... 12
11 Толщина широкого гребня............................................ .. 12
12 Колесо с изношенным (вогнутым) бандажом.............................. 14
13 Реальные размеры и механизм износа колеса............................ 14
14 Измерение толщины обода............................................. . 15
15 Измерение диаметра колеса............................................ 16
16 Шаблон (№ детали GE 84В524460Р1) между подшипником скольжения и передней стороной колеса..... 17
17 Шаблон на оси............................................... ......... 18
18 Образец контрольной канавки диаметром 38 дюймов...................... 18
19 Образец контрольной канавки диаметром 36 дюймов...................... 19
20 Измерение расстояния от контрольной канавки с помощью стального колёсного калибра............ 20
21 Измерение расстояния от контрольной канавки с помощью электронного колёсного калибра......... 20

https://imageup.ru/img126/4013733/k-1.jpg

https://imageup.ru/img170/4013734/k-2.jpg

https://imageup.ru/img235/4013735/k-3.jpg


Трёхосная тележка с беззазорным креплением United Group Rail. Руководство по техническому обслуживанию. 2012

Документ № GED-84400-MM.001

https://cloud.mail.ru/public/PcuQ/WjviPL2MM

https://scbist.com/scb/uploaded/1_1777226670.pdf

СОДЕРЖАНИЕ

ВВОДНЫЕ СВЕДЕНИЯ.......................................... ......1
ПРЕДОСТЕРЕЖЕНИЯ, ПРЕДУПРЕЖДЕНИЯ И ПРИМЕЧАНИЯ....................1
Определения....................................... ..............1
ОПИСАНИЕ.......................................... ..............1
КОЛЕСНЫЕ ПАРЫ.............................................. .....1
ПЕРВИЧНАЯ ПОДВЕСКА.......................................... ....1
ВТОРИЧНАЯ ПОДВЕСКА.......................................... ....1
ТЯГОВЫЙ ЦЕНТР............................................. ......1
ТОРМОЗА........................................... ..............1
ДАТЧИК СКОРОСТИ.......................................... .......1
КАБЕЛИ ЗАЗЕМЛЕНИЯ........................................ .......2
ПРИСПОСОБЛЕНИЕ ДЛЯ СМАЗКИ ГРЕБНЯ КОЛЕСА (ЕСЛИ ЕСТЬ).............2
СОПЛА ПОДАЧИ ПЕСКА............................................. .2
ТЕКУЩЕЕ ТЕХНИЧЕСКОЕ ОБСЛУЖИВАНИЕ................................4
РЕКОМЕНДУЕМЫЕ МОМЕНТЫ ЗАТЯЖКИ РЕЗЬБОВЫХ СОЕДИНЕНИЙ..............4
ДЕМОНТАЖ И УСТАНОВКА ТЕЛЕЖКИ....................................4
Последовательность подъема......................................4
Демонтаж тележки........................................... .....4
Установка тележки........................................... ....5
ДЕМОНТАЖ И УСТАНОВКА МОТОРНО-ОСЕВЫХ УЗЛОВ.......................5
Демонтаж колесной пары..........................................5
Установка колесной пары.........................................7
КОЛЕСА............................................ ..............8
Проведение осмотра........................................... ...8
Сведения о ремонте........................................... ...8
ПРИСПОСОБЛЕНИЕ ДЛЯ СМАЗКИ ГРЕБНЯ КОЛЕСА (ЕСЛИ ЕСТЬ).............9
БУКСА............................................. ..............10
НАЛИЧНИКИ БУКСОВЫХ ЧЕЛЮСТЕЙ.....................................11
БЛОК КОЛОДОЧНОГО ТОРМОЗА........................................12
Процедура проверки блока колодочного тормоза и тормозной колодки...12
Замена тормозной колодки........................................12
Регулировка тормоза........................................... ..13
Очистка внешней поверхности тормозного блока....................13
РЕЗИНОМЕТАЛЛИЧЕСКИЕ ЭЛЕМЕНТЫ ВТОРИЧНОЙ ПОДВЕСКИ.................13
Боковые опоры - резинометаллические элементы вторичной подвески.13
Проведение осмотра........................................... ........13
Замена боковых опор.............................................. ....13
Проверка высоты боковых опор.........................................13
ПОДВЕСКА НОСКА ТЯГОВОГО ЭЛЕКТРОДВИГАТЕЛЯ.............................14
ВЕРТИКАЛЬНЫЙ ГИДРАВЛИЧЕСКИЙ АМОРТИЗАТОР..............................14
Демонтаж и установка......................................... ........14
ГИДРАВЛИЧЕСКИЙ АМОРТИЗАТОР ПОПЕРЕЧНЫХ КОЛЕБАНИЙ......................15
Демонтаж и установка......................................... ........15
АМОРТИЗАТОР УГЛОВЫХ КОЛЕБАНИЙ........................................1 6
Демонтаж и установка......................................... ........16
ВИНТОВЫЕ ПРУЖИНЫ........................................... ..........16
Проверка винтовой пружины........................................... .16
Регулировка высоты пружин с помощью прокладок........................16
ШКВОРНЕВЫЙ УЗЕЛ.............................................. ........18
Демонтаж.......................................... ...................18
Установка......................................... ...................18
ТЯГОВЫЕ ЭЛЕКТРОДВИГАТЕЛИ.................................. ...........19
СИСТЕМА ТЯГОВЫХ ПОДУШЕК........................................... ...19
Демонтаж.......................................... ...................19
Установка......................................... ...................19
ПРОВЕРКА СОСТОЯНИЯ И РЕМОНТ ТЕЛЕЖКИ..................................20
РАЗБОРКА ТЕЛЕЖКИ........................................... ..........20
Подвеска носков тяговых электродвигателей (для всех колесных пар)....20
Узлы тягового электродвигателя, колесной пары и буксы................20
Прочие узлы тележки........................................... .......20
ПРОВЕРКА СОСТОЯНИЯ И РЕМОНТ РАМЫ ТЕЛЕЖКИ.............................21
ОБМЕР РАМЫ.............................................. .............21
ПРОВЕРКА СОСТОЯНИЯ РАМЫ.............................................. 22
РЕМОНТ РАМЫ.............................................. ............23
ПРОВЕРКА РАЗМЕРОВ РАМЫ.............................................. .23
ФУНКЦИОНАЛЬНАЯ ПРОВЕРКА.......................................... ....23
Введение.......................................... ...................23
Проверка трубопроводов тормозной системы давлением воздуха...........23
Функциональные проверки тормозных цилиндров, регуляторов зазора и пружин стояночного тормоза........................................... ..........24
Функциональная проверка стояночного тормоза..........................24
Проверка трубопроводов системы подачи песка давлением воздуха........24
ПЛАНОВОЕ ТЕХНИЧЕСКОЕ ОБСЛУЖИВАНИЕ....................................25
СПЕЦИФИКАЦИЯ УЗЛОВ ДЛЯ ЗАМЕНЫ........................................26
РУКОВОДСТВО ПО ТЕХНИЧЕСКОЙ ЭКСПЛУАТАЦИИ ОТ КОМПАНИИ-ПРОИЗВОДИТЕЛЯ (OEM)
Приложение 1. Сведения об эксплуатации и техническом обслуживании локомотивного колодочного тормоза Wabtec «РС/PCF»

ПЕРЕЧЕНЬ ИЛЛЮСТРАЦИЙ
Рисунок 1. Общее устройство тележки.........................................3
Рисунок 2. Демонтаж и установка колесной пары...............................7
Рисунок 3. Колесо............................................ ...............8
Рисунок 4. Приспособление для смазывания гребня колеса......................9
Рисунок 5. Букса (типичное устройство).....................................10
Рисунок 6. Наличники буксовых челюстей.....................................11
Рисунок 7. Предельный износ наличников.....................................12
Рисунок 8. Резинометаллический элемент.....................................14
Рисунок 9. Подвеска носка тягового электродвигателя........................14
Рисунок 10. Вертикальный гидравлический амортизатор.........................15
Рисунок 11. Гидравлический амортизатор поперечных колебаний.................15
Рисунок 12. Гидравлический амортизатор угловых колебаний....................16
Рисунок 13. Установка регулировочных прокладок..............................17
Рисунок 14. Шкворневый узел.............................................. ...18
Рисунок 15. Система тяговых подушек.........................................19
Рисунок 16. Обмер рамы тележки........................................... ...21
Рисунок 17. Особо важные зоны проверки рамы тележки.........................22

https://imageup.ru/img84/4013736/t1.jpg

relsamaster 02.09.2022 03:08

Технические характеристики тепловоза TЭ33AC.
 
Данные локомотива, ES44ACi. 2012

Документ № GEK-114349, Rev. A

https://cloud.mail.ru/public/LKCp/seioWTikU

https://scbist.com/scb/uploaded/1_1777226715.pdf

Настоящий документ содержит сводку технических характеристик локомотивов ES44ACi компании General Electric (GE).
Локомотив General Electric ES44ACi был разработан с целью повышения мощности, повышения эффективности расходования топлива и уменьшения вредных выбросов до Уровня II по стандартам Агентства по охране окружающей среды. Серия Evolution отличается применением нового 12-цилиндрового двигателя GEVO 12, который развивает мощность 4500 л.с. при сокращении вредных выбросов на 40%. Этот локомотив имеет также много перспективных функций, таких как смарт-дисплеи, питание цепей управления от силовых цепей (общее управление), архитектуру, и новую систему охлаждения двигателя.

https://imageup.ru/img115/4013838/i1.jpg
https://imageup.ru/img100/4013840/i2.jpg
https://imageup.ru/img165/4013841/i3.jpg

relsamaster 02.09.2022 07:09

Тормозная система тепловозов TЭ33A и TЭ33AC.
 
Тормозная система для локомотивов FastBrake. Руководство по эксплуатации и техническому обслуживанию. 2011

Документ № GEK-114669A-R

https://cloud.mail.ru/public/eL4e/BrTQ7GrM8

https://scbist.com/scb/uploaded/1_1777226748.pdf

Оборудование Wabtec Railway Electronics FastBrake представляет собой электропневматическое тормозное оборудование с микропроцессорным управлением, обеспечивающее средства управления пневматическими тормозами на локомотивах и автопоездах. Система в данной конфигурации предназначена для грузовых локомотивов.

СОДЕРЖАНИЕ

1.0 ВВЕДЕНИЕ.......................................... .....7
2.0 ОПИСАНИЕ КОМПОНЕНТОВ...................................7
2.1 БЛОК УПРАВЛЕНИЯ КАБИНЫ.................................7
2.2 ПНЕВМАТИЧЕСКИЙ РАБОЧИЙ БЛОК............................9
2.2.1 ВОЗДУШНЫЙ КОЛЛЕКТОР...................................10
2.2.2 ВОЗДУШНЫЙ ФИЛЬТР (MRF)................................10
2.2.3 МС-31 ЭЛЕКТРОПНЕВМАТИЧЕСКИЙ КЛАПАН (МС-31)............11
2.2.4 ТРАНСПОРТИРОВКА ХОЛОДНОГО ЛОКОМОТИВА В СОСТАВЕ ПОЕЗДА.12
2.2.5 КЛАПАН БЫСТРОГО РАСТОРМАЖИВАНИЯ (QS)..................12
2.2.6 УРАВНИТЕЛЬНАЯ ТРУБА ТОРМОЗНОГО ЦИЛИНДРА (ВСЕР)........13
2.2.7 УЗЕЛ ТОРМОЗНОГО ЦИЛИНДРА (ВСР)........................14
2.2.8 УЗЕЛ ТОРМОЗНОЙ МАГИСТРАЛИ (ВРР).......................15
2.2.9 ЭЛЕКТРОПИТАНИЕ.................................... ....16
2.2.10 МОДУЛЬ КОНТРОЛЛЕРА....................................17
3.0 ЭКСПЛУАТАЦИЯ...................................... ....18
3.1 ВКЛЮЧЕНИЕ......................................... ....18
3.2 НАСТРОЙКА FASTBRAKE®..................................19
3.3 ИНФОРМАЦИЯ О НАСТРОЙКЕ СИСТЕМЫ FASTBRAKE®.............20
3.3.1 РАБОТА В РЕЖИМЕ LEAD CUTIN (ВКЛЮЧЕНИЕ В ГОЛОВЕ).......20
3.3.2 РЕЖИМ LEAD CUT-OUT (ВЫКЛЮЧЕНИЕ ГОЛОВНОГО ЛОКОМОТИВА), ТОЛКАЧ ИЛИ МАНЕВРОВЫЙ ЛОКОМОТИВ.......................21
3.3.3 РЕЖИМ ВЕДОМОГО, СИСТЕМА МНОГИХ ЕДИНИЦ.................22
3.3.4 ИСПОЛЬЗОВАНИЕ АВТОМАТИЧЕСКОГО ТОРМОЗА (II): РЕЖИМ РАВНИНЫ И ГОР (ПОСТОЯННОЕ (II) ИЛИ СТУПЕНЧАТОЕ ТОРМОЖЕНИЕ (II)).23
3.3.5 НЕРАБОЧАЯ ТОРМОЗНАЯ СИСТЕМА: ТРАНСПОРТИРОВКА ХОЛОДНОГО ЛОКОМОТИВА В СОСТАВЕ..................................24
3.3.6 НЕРАБОЧАЯ ТОРМОЗНАЯ СИСТЕМА: ТРАНСПОРТИРОВКА ХОЛОДНОГО ЛОКОМОТИВА В СОСТАВЕ ПОЕЗДА...........................24
3.3.7 ИСПЫТАНИЯ НА ГЕРМЕТИЧНОСТЬ ТОРМОЗНОЙ МАГИСТРАЛИ.......25
3.3.8 АВТОМАТИЧЕСКИЙ ТОРМОЗ.................................25
3.3.9 РЕЖИМЫ НАГРУЗКИ ТОРМОЗНЫХ ЦИЛИНДРОВ...................28
3.3.10 НЕЗАВИСИМЫЙ ТОРМОЗ....................................28
3.3.11 ОТКЛЮЧЕНИЕ НЕЗАВИСИМОГО ТОРМОЗА.......................29
3.3.12 НАЖАТИЕ НА БУФЕР (БЫСТРАЯ РАБОТА (II))................29
3.3.13 ЗАПРЕТ РЕОСТАТНОГО ТОРМОЗА (DBI)......................30
3.3.14 ВКЛЮЧЕНИЕ И ВЫКЛЮЧЕНИЕ ЭКСТРЕННОГО ТОРМОЖЕНИЯ.........31
3.3.15 АВТОМАТИЧЕСКИЙ ТОРМОЗ, АВАРИЙНЫЙ ТОРМОЗ............36
3.3.16 АВАРИЙНОЕ ТОРМОЖЕНИЕ С ИСПОЛЬЗОВАНИЕМ СТОП-КРАНА...39
4.0 РАБОТА ПРИ ПОТЕРЕ МОЩНОСТИ (LOP)...................39
4.1 ПОТЕРЯ НАПРЯЖЕНИЯ 74 В ПОСТ. ТОКА С АККУМУЛЯТОРНОЙ БАТАРЕИ ЛОКОМОТИВА (ДОСТУПНА ПОЕЗДНАЯ ЛИНИИ В5)..............39
4.2 ОТКЛЮЧЕНИЕ АККУМУЛЯТОРНОЙ БАТАРЕИ 74 В ПОСТ. ТОКА.....40
5.0 СВЕДЕНИЯ О ТЕХНИЧЕСКОМ ОБСЛУЖИВАНИИ...................41
5.1 МЕТОДОЛОГИЯ ТЕХНИЧЕСКОГО ОБСЛУЖИВАНИЯ.................41
5.2 ТЕХНИКА БЕЗОПАСНОСТИ И ПРЕДУПРЕЖДЕНИЯ.................42
5.3 СПЕЦИАЛЬНЫЕ ИНСТРУМЕНТЫ...............................44
5.4 ЧИСТКА / ОБСЛУЖИВАНИЕ КЛАПАНОВ........................44
5.5 ДОПОЛНИТЕЛЬНЫЕ СВЕДЕНИЯ...............................44
5.6 ГРАФИК ТЕХНИЧЕСКОГО ОБСЛУЖИВАНИЯ......................44
5.6.1 КАЖДЫЕ ТРИДЦАТЬ ДНЕЙ.................................45
5.6.2 ПЕРИОДИЧЕСКИЙ ОСМОТР.................................46
5.6.3 ЕЖЕГОДНО.......................................... ...46
5.6.3.1 СТЕНДОВЫЕ ИСПЫТАНИЯ..................................46
5.6.3.2 ЗАМЕНА ВОЗДУШНОГО ФИЛЬТРА............................47
5.6.3.3 СМАЗКА БЛОКА УПРАВЛЕНИЯ КАБИНЫ.......................49
5.6.4 КАПИТАЛЬНЫЙ РЕМОНТ ПНЕВМАТИЧЕСКОГО ТОРМОЗА...........49
5.7 ПРОЦЕДУРЫ ТЕХОБСЛУЖИВАНИЯ............................50
5.7.1 ЭЛЕКТРОННЫЕ КОМПОНЕНТЫ...............................50
5.7.2 ВОЗДУШНЫЙ КОЛЛЕКТОР..................................50
5.7.2.1 ФИЛЬТР ГЛАВНОГО ТОРМОЗНОГО РЕЗЕРВУАРА................51
5.7.2.2 ТОРМОЗНОЙ ЦИЛИНДР....................................51
5.7.2.3 ТОРМОЗНАЯ МАГИСТРАЛЬ.................................52
5.7.2.4 УЗЕЛ ТРАНСПОРТИРОВКИ ЛОКОМОТИВА В ХОЛОДНОМ СОСТОЯНИИ.53
5.7.2.5 КЛАПАН БЫСТРОГО РАСТОРМАЖИВАНИЯ......................54
5.7.2.6 ЭЛЕКТРОПНЕВМАТИЧЕСКИЙ КЛАПАН МС-31...................54
5.7.2.7 УРАВНИТЕЛЬНАЯ ТРУБА ТОРМОЗНОГО ЦИЛИНДРА (ВСЕР).......55
5.7.2.8 РЕЗЕРВУАР (45 КУБ. ДЮЙМОВ)...........................56
5.7.2.9 РЕЗЕРВУАР (90 КУБ. ДЮЙМОВ)...........................56
5.7.2.10 КОРПУС РАСХОДОМЕРА...................................57
5.7.2.11 ВОЗДУШНЫЙ КОЛЛЕКТОР..................................58
5.7.3 БЛОК УПРАВЛЕНИЯ КАБИНЫ...............................58
5.7.3.1 БЛОК УПРАВЛЕНИЯ КАБИНЫ МОДЕЛИ 30-STYLE...............58
5.7.4 БЛОК ПИТАНИЯ.........................................59
5.7.5 ПОВЕРКА ДАТЧИКОВ ДАВЛЕНИЯ............................60
5.7.6 ПРОВЕРКА ИНДИКАЦИИ РАСХОДА............................60
6.0 ИСПЫТАНИЯ ПНЕВМАТИЧЕСКИХ ТОРМОЗОВ ЛОКОМОТИВА..........64
6.0.1 НЕОБХОДИМЫЕ УСЛОВИЯ ДЛЯ ПРОВЕДЕНИЯ ИСПЫТАНИЙ..........64
6.0.2 ИСПЫТАНИЕ ТРУБОПРОВОДОВ НА ГЕРМЕТИЧНОСТЬ..............64
6.0.3 ИСПЫТАНИЯ НА ГЕРМЕТИЧНОСТЬ ТОРМОЗНОЙ МАГИСТРАЛИ.......65
6.0.4 ИСПЫТАНИЯ АВТОМАТИЧЕСКОГО ТОРМОЗА.....................66
6.0.5 ПРОВЕРКА ЗАПРЕТА РЕОСТАТНОГО ТОРМОЗА..................66
6.0.6 ИСПЫТАНИЯ АВАРИЙНОГО АВТОМАТИЧЕСКОГО ТОРМОЗА..........66
6.0.7 ИСПЫТАНИЯ СТОП-КРАНА..................................67
6.0. 8 ИСПЫТАНИЯ НИЗКОГО ДАВЛЕНИЯ В ТОРМОЗНОЙ МАГИСТРАЛИ / ВКЛЮЧЕНИЯ...................................68
6.0.9 ПРОВЕРКА ЭКСТРЕННОГО СИГНАЛИЗАТОРА...................68
6.0.10 ЭКСТРЕННОЕ ТОРМОЖЕНИЕ НА ВЫСОКОЙ СКОРОСТИ (ПРИ ВОЗМОЖНОСТИ).....................................6 9
6.0.11 ИСПЫТАНИЕ АВАРИЙНОГО ТОРМОЖЕНИЯ ПРИ ПОТЕРЕ МОЩНОСТИ..69
6.0.12 ПРОВЕРКА РАСХОДА В ТОРМОЗНОЙ МАГИСТРАЛИ (ДОЛЖНА ВЫПОЛНЯТЬСЯ РАЗ В 92 ДНЯ И КАЖДЫЙ РАЗ ПОСЛЕ ЗАМЕНЫ ТОРМОЗНОЙ МАГИСТРАЛИ)...69
6.0.13 ПОТЕРЯ МОЩНОСТИ / ИЗБЫТОЧНОЕ ИСПЫТАНИЕ..............70
6.0.14 ПОДДЕРЖАНИЕ ДАВЛЕНИЯ................................71
6.0.15 ПРОСМОТР ЖУРНАЛА ОТКАЗОВ ПНЕВМАТИЧЕСКОЙ ТОРМОЗНОЙ СИСТЕМЫ ЛОКОМОТИВА.............................71

https://imageup.ru/img145/4013808/a1.jpg


Электронная пневматическая тормозная система с технологией FastBrake™, локомотив с системой управления ССА. 2012

Документ № GEK-114199, Ред. Е

https://cloud.mail.ru/public/S5sA/jBBdTJouP

https://scbist.com/scb/uploaded/1_1777226772.pdf

Данная публикация охватывает аспекты техобслуживания системы электронного пневматического тормоза (ЕАВ) и ее основных компонентов, имеющихся на локомотивах с системой управления ССА и технологией FastBrake. Система ЕАВ совместима с локомотивами, оснащенными другими стандартными пневматическими тормозами.
Установленная система ЕАВ может состоять из следующих устройств:
1. Блок управления кабины (CHU)
2. Пневматический рабочий блок (POU)
3. Радиосистема распределенного питания (DPR) (при наличии)
4. Аварийный тормозной клапан (для члена экипажа)
5. Два выпускных клапана №8 или VX
6. Тормозные цилиндры
7. Трубопроводы, разобщающие краны, концевые соединения и шланги, необходимые для работы в многолокомотивном составе.

СОДЕРЖАНИЕ

1.1. ВВЕДЕНИЕ.......................................... .............. 1
1.2. ИНФОРМАЦИЯ ПО ТЕХНИКЕ БЕЗОПАСНОСТИ ............................. 1
3.1. ОБОРУДОВАНИЕ ПНЕВМАТИЧЕСКОГО ТОРМОЗА FASTBRAKE.................. 4
3.2. СТОП-КРАН.............................................. ........ 11
3.3. ВЫПУСКНОЙ КЛАПАН №8 ........................................... 11
3.4. ВЫПУСКНОЙ КЛАПАН VX ........................................... 13
4.1. ЧИСТКА............................................ ............. 15
4.2. РЕМОНТ .................................................. ...... 16
4.3. ГРАФИК ТЕХНИЧЕСКОГО ОБСЛУЖИВАНИЯ .............................. 16
5.1. БЛОК УПРАВЛЕНИЯ КАБИНЫ....................................... 16
5.2. УЗЕЛ УПРАВЛЕНИЯ ТОРМОЗНОЙ МАГИСТРАЛЬЮ (ВР)................... 17
5.3. УЗЕЛ УПРАВЛЕНИЯ ТОРМОЗНЫМИ ЦИЛИНДРАМИ (ВС) .................. 18
5.4. УЗЕЛ ФИЛЬТРА ГЛАВНОГО РЕЗЕРВУАРА И СООТВЕТСТВУЮЩИЕ ФИЛЬТРЫ.. 19
5.5. ЭЛЕКТРОПИТАНИЕ.................................... ........... 20
5.6. УЗЕЛ ВКЛЮЧЕНИЯ И ВЫКЛЮЧЕНИЯ НЕЗАВИСИМОГО ТОРМОЗА (IARP) (ПРИ НАЛИЧИИ) .... 20
5.7. КЛАПАН БЫСТРОГО РАСТОРМАЖИВАНИЯ................................ 21
5.8. УЗЕЛ КЛАПАНА УПРАВЛЕНИЯ МС-31 ИЛИ MC-30D ...................... 22
5.9. УЗЕЛ ТРАНСПОРТИРОВКИ ЛОКОМОТИВА В ХОЛОДНОМ СОСТОЯНИИ........... 22
5.10. РЕЗЕРВУАР (45 КУБ. ДЮЙМОВ)..................................... 23
5.11. РЕЗЕРВУАР (90 КУБ. ДЮЙМОВ)..................................... 23
5.12. КОРПУС РАСХОДОМЕРА....................................... ...... 24
5.13. ВОЗДУШНЫЙ ФИЛЬТР (MRF) В УЗЛЕ ФИЛЬТРА ГЛАВНОГО РЕЗЕРВУАРА...... 24

https://imageup.ru/img181/4013812/v1.jpg

https://imageup.ru/img247/4013813/v2.jpg

https://imageup.ru/img88/4013814/v3.jpg


Узел колодочного тормоза «PC/PCF». 2008

Документ № GEK-114424A-R

https://cloud.mail.ru/public/cF3o/cFCckgzYf

https://scbist.com/scb/uploaded/1_1777226794.pdf

Узел колодочного тормоза «РС» - это компактная, легкая, прочная конструкция, которая действует, когда входное давление тормозного цилиндра, приложенное к узлу, сопрягается с усилением поршневой и расклинивающей силы, чтобы производить механическую силу торможения. Узел колодочного тормоза «РС» прилагает силу к трущейся поверхности колес через встроенный тормозной башмак и тормозную колодку.

СОДЕРЖАНИЕ

ГЛАВА 1 - УЗЕЛ КОЛОДОЧНОГО ТОРМОЗА «РС»
1.0 ОБЩЕЕ ОПИСАНИЕ.......................................1
i. Физические характеристики.................................2
2.0 ОПИСАНИЕ ОСНОВНЫХ ФУНКЦИЙ............................2
а. Усиление расклинивающей силы поршня..................2
б. Цанговый механизм регулировки зазора.................2
в. Тормозной башмак и подвеска..........................2
г. Функция выталкивания.................................2
3.0 ОПИСАНИЕ РАБОТЫ......................................2
4.0 ТЕХНИКА БЕЗОПАСНОСТИ И ПРЕДУПРЕЖДЕНИЯ................13
5.0 ИНФОРМАЦИЯ ПО ТЕХОБСЛУЖИВАНИЮ........................14
а. График технического обслуживания.....................14
б. Обеспечение технического обслуживания................14
в. Инструменты для технического обслуживания............14
i. Осмотр............................................ ...14
ii. Замена тормозной колодки.............................14
iii. Мойка внешних поверхностей узла.........................15
6.0 ПОИСК НЕИСПРАВНОСТЕЙ.................................16
7.0 ИНФОРМАЦИЯ О КАТАЛОГЕ ДЕТАЛЕЙ........................17
8.0 ИНФОРМАЦИЯ О КАПИТАЛЬНОМ РЕМОНТЕ.....................21
а. Плановый капитальный ремонт..........................21
б. Обеспечение капитального ремонта.....................21
в. Инструменты для капитального ремонта.................22
г. Специальный инструмент...............................22
д. Снятие с машины......................................23
е. Разборка.......................................... ...24
i. Тормозной башмак.....................................24
ii. Тормозной цилиндр....................................24
iii. Корпус колодочного тормоза..............................25
iv. Сборка обоймы............................................ 26
ж. Очистка........................................... ...26
з. Осмотр............................................ ...27
и. Сборка............................................ ...28
i. Сборка обоймы............................................ .28
ii. Шейка оси опорного подшипника и корпус колодочного тормоза.....28
iii. Тормозной башмак............................................ 29
iv. Механизм регулировки зазора.................................30
v. Тормозной башмак корпуса....................................31
vi. Сборка поршня............................................ ...32
к. Установка на машину.........................................33
9.0 Информация о проверке.......................................... .34
ГЛАВА 2 - УЗЕЛ КОЛОДОЧНОГО ТОРМОЗА РСР С ПРУЖИННЫМ СТОЯНОЧНЫМ ТОРМОЗОМ
1.0 ОБЩЕЕ ОПИСАНИЕ.......................................... ....35
i. Физические характеристики.................................... ....36
2.0 ОПИСАНИЕ ОСНОВНЫХ ФУНКЦИЙ...................................36
а. Усиление расклинивающей силы поршня.........................36
б. Цанговый механизм регулировки зазора........................36
в. Тормозной башмак и подвеска.................................36
г. Функция выталкивания...................................... ..36
д. Узел пружинного стояночного тормоза.........................37
3.0 ОПИСАНИЕ РАБОТЫ............................................ .37
i. Приведение в действие и отпуск стояночного тормоза...............37
4.0 ТЕХНИКА БЕЗОПАСНОСТИ И ПРЕДУПРЕЖДЕНИЯ...........................48
5.0 ИНФОРМАЦИЯ ПО ТЕХОБСЛУЖИВАНИЮ................................... 49
а. График техобслуживания................................... ...49
б. Обеспечение технического обслуживания.......................49
в. Инструменты для технического обслуживания...................49
i. Осмотр............................................ ..........49
ii. Замена тормозной колодки....................................49
iii. Мойка внешних поверхностей узла.............................50
6.0 ПОИСК НЕИСПРАВНОСТЕЙ.................................... ....51
7.0 ИНФОРМАЦИЯ О КАТАЛОГЕ ДЕТАЛЕЙ...............................52
8.0 ИНФОРМАЦИЯ О КАПИТАЛЬНОМ РЕМОНТЕ............................56
а. Плановый капитальный ремонт.................................56
б. Обеспечение капитального ремонта............................57
в. Инструменты для капитального ремонта........................57
г. Специальный инструмент......................................57
д. Снятие с машины............................................ .58
е. Разборка.......................................... ..........59
i. Тормозной башмак............................................ 59
ii. Тормозной цилиндр и стояночный тормоз.......................59
iii. Корпус колодочного тормоза..................................61
iv. Сборка обоймы............................................ ...61
ж. Очистка........................................... ..........61
з. Осмотр............................................ ..........62
и. Сборка............................................ ..........63
i. Сборка обоймы............................................ ........63
ii. Шейка оси опорного подшипника и корпус колодочного тормоза.........63
iii. Тормозной башмак............................................ .......64
iv. Механизм регулировки зазора........................................65
v. Тормозной башмак корпуса........................................... 67
vi. Сборка поршня............................................ ..........67
vii. Узел стояночного тормоза........................................... 68
к. Установка на машину............................................ .........69
9.0 ИНФОРМАЦИЯ О ПРОВЕРКЕ.......................................... ........70
ГЛАВА 3 - УЗЕЛ КОЛОДОЧНОГО ТОРМОЗА PCF
1.0 ОБЩЕЕ ОПИСАНИЕ.......................................... ...........73
i. Физические характеристики.................................... ...74
2.0 ОПИСАНИЕ ОСНОВНЫХ ФУНКЦИЙ..........................................7 4
а. Усиление расклинивающей силы поршня................................74
б. ЦАНГОВЫЙ МЕХАНИЗМ РЕГУЛИРОВКИ ЗАЗОРА...............................74
в. Тормозной башмак и подвеска........................................74
г. Функция выталкивания...................................... .........74
3.0 ОПИСАНИЕ РАБОТЫ............................................ ........75
4.0 ТЕХНИКА БЕЗОПАСНОСТИ И ПРЕДУПРЕЖДЕНИЯ..............................86
5.0 ИНФОРМАЦИЯ ПО ТЕХОБСЛУЖИВАНИЮ................................... ...87
а. График техобслуживания................................... .........87
б. Обеспечение технического обслуживания.............................87
в. Инструменты для технического обслуживания.........................87
i. Осмотр............................................ ..........87
ii. Замена тормозной колодки....................................87
iii. Мойка внешних поверхностей узла................................88
6.0 ПОИСК НЕИСПРАВНОСТЕЙ.................................... ....89
7.0 ИНФОРМАЦИЯ О КАТАЛОГЕ ДЕТАЛЕЙ...............................89
8.0 ИНФОРМАЦИЯ О КАПИТАЛЬНОМ РЕМОНТЕ....................................94
а. Плановый капитальный ремонт.........................................94
б. Обеспечение капитального ремонта....................................94
в. Инструменты для капитального ремонта................................95
г. Специальный инструмент........................................ ......95
д. Снятие с машины............................................ .........96
е. Разборка.......................................... ..................97
i. Тормозной башмак............................................ ..97
ii. Толкатель......................................... ............98
iii. Тормозной цилиндр........................................... .....98
iv. Корпус колодочного тормоза........................................... .100
v. Сборка обоймы............................................ .............100
ж. Очистка........................................... ....................101
з. Осмотр............................................ ....................101
и. Сборка............................................ ....................103
i. Сборка обоймы............................................ ............103
ii. Шейка оси опорного подшипника и корпус колодочного тормоза......103
iii. Механизм регулировки зазора.....................................104
iv. Сборка поршня............................................ .......105
v. Тормозной башмак корпуса........................................106
к. Установка на машину............................................ .109
9.0 ИНФОРМАЦИЯ О ПРОВЕРКЕ.......................................... .....110
ГЛАВА 4 - УЗЕЛ КОЛОДОЧНОГО ТОРМОЗА PCPF СО СТОЯНОЧНЫМ ТОРМОЗОМ, ЛЕВЫЙ
1.0 ОБЩЕЕ ОПИСАНИЕ.......................................... .....113
i. Физические характеристики.................................... .....114
2.0 ОПИСАНИЕ ОСНОВНЫХ ФУНКЦИЙ....................................114
а. Усиление расклинивающей силы поршня..........................114
б. Цанговый механизм регулировки зазора.........................114
в. Тормозной башмак и подвеска..................................114
г. Функция выталкивания...................................... ...115
д. Узел пружинного стояночного тормоза..........................115
3.0 ОПИСАНИЕ ОСНОВНЫХ ФУНКЦИЙ....................................115
4.0 ТЕХНИКА БЕЗОПАСНОСТИ И ПРЕДУПРЕЖДЕНИЯ........................126
5.0 ИНФОРМАЦИЯ ПО ТЕХОБСЛУЖИВАНИЮ................................127
а. График техобслуживания................................... ....127
б. Обеспечение технического обслуживания........................127
в. Инструменты для технического обслуживания....................127
i. Осмотр............................................ ............127
ii. Замена тормозной колодки.....................................127
iii. Мойка внешних поверхностей узла.............................128
6.0 ПОИСК НЕИСПРАВНОСТЕЙ.................................... .129
7.0 ИНФОРМАЦИЯ О КАТАЛОГЕ ДЕТАЛЕЙ............................130
8.0 ИНФОРМАЦИЯ О КАПИТАЛЬНОМ РЕМОНТЕ.........................135
а. Плановый капитальный ремонт.....................................135
б. Обеспечение капитального ремонта................................136
в. Инструменты для капитального ремонта............................136
г. Специальный инструмент........................................ ..136
д. Снятие с машины............................................ .....137
е. Разборка.......................................... ..............138
i. Тормозной башмак............................................ ....138
ii. Тормозной башмак............................................ ....138
iii. Толкатель......................................... ..............139
iv. Тормозной цилиндр........................................... ....139
v. Корпус колодочного тормоза......................................141
vi. Сборка обоймы............................................ .......142
ж. Очистка........................................... ........................142
з. Осмотр............................................ ........................143
и. Сборка............................................ ........................144
i. Сборка обоймы............................................ ..............144
й. Шейка оси опорного подшипника и корпус колодочного тормоза.............145
Ш. Механизм регулировки зазора............................................ 145
iv. Сборка поршня............................................ .........147
v. Тормозной башмак корпуса..........................................1 48
к. Установка на машину............................................ ...151
9.0 Информация о проверке.......................................... .......152
ГЛАВА 5 -УЗЕЛ ПРУЖИННОГО СТОЯНОЧНОГО ТОРМОЗА
1.0 ОБЩЕЕ ОПИСАНИЕ.......................................... ..............153
i. Физические характеристики.................................... .....154
а. Описание основных функций.........................................15 4
i. Цилиндр стояночного тормоза и промежуточный корпус................154
й. Пружины........................................... ................154
Ш. Поршень и шпиндель.......................................... ......154
iv. Механизм ручного выключения.......................................1 55
v. Сальник........................................... ................155
2.0 ОПИСАНИЕ РАБОТЫ............................................ ...........155
а. Нормальные условия эксплуатации...................................155
б. Приведение в действие стояночного тормоза.........................155
в. Пневматический отпуск стояночного тормоза.........................155
г. Ручной отпуск стояночного тормоза.................................156
3.0 ТЕХНИКА БЕЗОПАСНОСТИ И ПРЕДУПРЕЖДЕНИЯ...............................158
4.0 ИНФОРМАЦИЯ ПО ОБСЛУЖИВАНИЮ...................................... ....159
а. График техобслуживания................................... .......159
б. Обеспечение технического обслуживания...........................159
в. Инструменты для технического обслуживания.......................159
г. Специальные инструменты....................................... ..159
5.0 ПОИСК НЕИСПРАВНОСТЕЙ.................................... ........160
6.0 ИНФОРМАЦИЯ О КАТАЛОГЕ ДЕТАЛЕЙ...................................161
7.0 ИНФОРМАЦИЯ О КАПИТАЛЬНОМ РЕМОНТЕ................................161
а. Обеспечение капитального ремонта..............................165
б. Плановый капитальный ремонт...................................165
в. Инструменты для капитального ремонта..........................166
г. Специальные инструменты....................................... 166
д. Снятие с машины............................................ .........166
е. Разборка.......................................... ..................166
i. Тормозной цилиндр........................................... ........167
ii. Промежуточный кожух............................................. ....167
iii. Поршень и муфта сцепления......................................... ..167
iv. Сальник........................................... ..................168
v. Поршень........................................... ..................168
ж. Чистка............................................ ..................169
з. Осмотр............................................ ..................170
и. Сборка............................................ ..................172
i. Промежуточная пластина.........................................1 72
ii. Сальник........................................... .............173
iii. Узел поршня............................................ ........173
iv. Механизм ручного выключения....................................174
v. Узел поршня и пружины..........................................1 75
vi. Цилиндр стояночного тормоза и рабочий шпиндель.................176
к. Установка на машину............................................ .....177
8.0 ИНФОРМАЦИЯ О ПРОВЕРКЕ.......................................... ....177

https://imageup.ru/img210/4013818/s1.jpg

https://imageup.ru/img57/4013821/s2.jpg

https://imageup.ru/img106/4013822/s3.jpg

https://imageup.ru/img189/4013824/s4.jpg


Руководство по поиску и устранению неисправностей оборудования тормозной системы FastBrake® локомотива

Документ № GEK-114670

https://cloud.mail.ru/public/vgGL/KNrhSjDSE

https://scbist.com/scb/uploaded/1_1777226820.pdf

СОДЕРЖАНИЕ

GE Руководство по поиску и устранению неисправностей оборудования тормозной системы FastBrake® локомотива
Регистрация осмотров
Устранение проблем с системой FastBrake
Использование программного обеспечения для извлечения из архива ArchiveRetrevial
Рисунок 1 - Основной экран ArchiveRetrevial
Рисунок 2 - Меню конфигурации
Рисунок 3 - Меню протокола
ЗАГРУЗКА РЕЗУЛЬТАТОВ ТЕКУЩИХ ИСПЫТАНИЙ
Рисунок 4 - Окно программы связи HyperTerminal
Рисунок 5 - Меню передачи HyperTerminal
Рисунок 6 - Окно захвата текста
Обзор диагностики оборудования тормозной системы FastBrake локомотива (Самоконтроль)
ИСПЫТАНИЕ ПНЕВМАТИЧЕСКОГО ТОРМОЗА ПОСЛЕ ТЕХОБСЛУЖИВАНИЯ
Оборудование тормозной системы FastBrake® локомотива
Объединенная методика испытаний TransCal и FlowCal
Содержание
Список рисунков
Регистрация осмотров
Калибровка и поверка датчика FastBrake® при помощи компьютера SDIS (интеллектуальная система отображения информации)
Сеанс удаленного доступа
I. ВВЕДЕНИЕ
A. Цель
Б. Требуемые специальные инструменты
B. Меры по технике безопасности для персонала/при работе с оборудованием
Г. Общий обзор системы
II. МЕТОДИКА ИСПЫТАНИЙ
A. Необходимые условия
Б. Проверочное испытание датчика давления
B. Проверочное испытание расхода тормозной трубки
Г. Калибровочное испытание датчика
Д. Калибровочное испытание расхода тормозной трубки
со сл >
Таблица значений результатов калибровки/поверки датчика Fastbrake
III. ЭКРАНЫ И ФУНКЦИИ ДИСПЛЕЯ
Доступ к программе
Обзор экрана калибровки пневматического тормоза
Калибровка пневматического тормоза - Обзор экрана
поверки/калибровки датчиков
Г. Обзор экрана результатов калибровки пневматического тормоза
GE Коды неисправностей и их значение:
Содержание
Регистрация осмотров
А. Цель:
Б. Область действия:
В Инициация неисправности:
D. Использование данного руководства
E. Доступ к протоколам локомотива
F. Часто используемые сокращения
ТАБЛИЦА 1 Описание неисправностей системы FastBrake®/ycTpaHeHne неполадок
Коды отказа в системе управляющего устройства пневматического тормоза АВМ
Коды отказа в системе блока тормозной трубки ВРР тормоза
Коды отказа в системе блока тормозного цилиндра ВСР
P2013(IAR) Коды отказа
ТАБЛИЦА 2 - СООБЩЕНИЯ ДЛЯ ЭКИПАЖА И ИХ ОПИСАНИЕ
Инструкции для загрузки GE Программное обеспечение FastBrake.
Рисунок 1 - Коммутационный бокс
Рисунок 2 - Интерфейсный кабель источника питания J7
Рисунок 3 - Подключение портативного компьютера
Рисунок 4 - Подключение коммутационного бокса
Рисунок 5 - Соединения интерфейсного кабеля J7 FastBrake
4.0 Загрузка FastBrake GE Загрузчик и версии программы для обслуживания в процессе эксплуатации
Рисунок 6 - Файл для извлечения
Рисунок 7 - Меню WinZip
Рисунок 8 - Выбор извлечения при помощи WinZip
Рисунок 9 - Извлечение на Диск С
Рисунок 10 - GE Папка с файлами групповой загрузки программного обеспечения
Рисунок 11 - Меню старта - Выбор запуска
Рисунок 12 - Меню запуска
Рисунок 13 - Меню просмотра - Выбор папки FastBrake
Рисунок 14 - GE Выбор папки
Рисунок 15 - GE Открытие папки
Рисунок 16 - Выбор версии программного обеспечения
Рисунок 17 - Запуск диалогового окна с файлом групповой загрузки
Рисунок 18 - Экран файла групповой загрузки
Рисунок 19 - FastBrake GE Иконка загрузчика на рабочем столе
Рисунок 20 - Панель инструментов QUADS
Рисунок 21 - Диалоговое окно пароля QUADS
Рисунок 22 - Файл для чтения Readme для помощи в нахождении требуемой версии программного обеспечения
Рисунок 23 - Файл Readme
Рисунок 24 - QUADS Выбор файла для загрузки 1
Рисунок 25 - QUADS Выбор файла для загрузки 2
Рисунок 26 - QUADS Выбор файла для загрузки 3
Рисунок 27 - QUADS Выбор файла для загрузки
Рисунок 28 - Начало загрузки нового программного обеспечения
Рисунок 29 - Действующая загрузка нового программного обеспечения
Рисунок 30 - Окончание загрузки нового программного обеспечения
Корректировка «Блокировки» источника питания
Рисунок 31 - Экран для ввода данных QUADS
Рисунок 32 - Диалоговое окно пароля QUADS
Рисунок 33 - QUADS Диалоговое окно выбора файла для загрузки
Рисунок 34 - Экран статуса загрузки QUADS
Рисунок 35 - Дисплей терминала QUADS
Рисунок 36 - Дисплей терминала - Запрос выбора типа загрузки
Загрузка нового программного обеспечения при помощи GE Загрузчика (CANape)
Рисунок 37 - Выбор графического экрана CANape с меню инструментов
Рисунок 38 - Экран CANape для начала загрузки
Рисунок 39 - Действующая загрузка CANape
Рисунок 40 - Экран CANape для окончания загрузки
5.0 Проверка
ВСПОМОГАТЕЛЬНЫЕ СРЕДСТВА ОПЕРАТОРА
Подключение узла FastBrake
Узел тормозной трубки
Узел независимого торможения и отпускания
Узел тормозного цилиндра

https://imageup.ru/img220/4013815/d1.jpg

https://imageup.ru/img161/4013826/d2.jpg

https://imageup.ru/img288/4013828/d3.jpg

https://imageup.ru/img298/4013830/d4.jpg



Часовой пояс GMT +3, время: 05:14.

Powered by vBulletin® Version 3.8.1
Copyright ©2000 - 2026, Jelsoft Enterprises Ltd. Перевод: zCarot


Яндекс.Метрика