СЦБИСТ - железнодорожный форум, блоги, фотогалерея, социальная сеть
Ушел из жизни Крупицкий Адольф Зельманович
6 февраля 2026 года ушел из жизни Крупицкий Адольф Зельманович, более шести десятков лет проработавший в институте «Гипротранссигналсвязь». Всю свою трудовую деятельность А.З. Крупицкий посвятил проектному делу. После окончанию обучения в Ленинградском институте инженеров железнодорожного транспорта в 1959 году начал свою профессиональную деятельность в качестве старшего электромеханика дистанции сигнализации и связи на Казахской железной дороге. В 1960 году пришел на работу в институт на должность инженера, работал руководителем группы, главным инженером проектов.

Читать далее
Вернуться   СЦБИСТ - железнодорожный форум, блоги, фотогалерея, социальная сеть > Флудильня > Разговоры обо всем
Разговоры обо всем Делимся житейскими проблемами. Также смотрите социальные группы локомотивщиков, путейцев, движенцев, эсцебистов, контактников, вагонников, связистов, проводников.
Закладки ДневникиПоддержка Сообщество Комментарии к фото Сообщения за день
Ответить в этой теме   Перейти в раздел этой темы    
 
В мои закладки Подписка на тему по электронной почте Отправить другу по электронной почте Опции темы Поиск в этой теме
Старый 08.04.2014, 15:05   #61 (ссылка)
V.I.P.
 
Аватар для Rafa

Регистрация: 24.10.2009
Адрес: МОЙДОДЫР
Сообщений: 5,650
Поблагодарил: 388 раз(а)
Поблагодарили 577 раз(а)
Фотоальбомы: не добавлял
Цитата:
Сообщение от Петр Карпов Посмотреть сообщение
Rafa, есть Ваши публикации в компетентных изданиях, хотелось бы ознакомиться, а то информация из "интернет ресурса" выглядит не солидно?

Rafa вне форума   Цитировать 1
Старый 08.04.2014, 16:10   #62 (ссылка)
Кандидат в V.I.P.
 
Аватар для Петр Карпов

Регистрация: 03.04.2014
Адрес: Сент-Джеймсский парк
Сообщений: 51
Поблагодарил: 3 раз(а)
Поблагодарили 5 раз(а)
Фотоальбомы: не добавлял
Репутация: 2
Rafa, есть Ваши публикации в компетентных изданиях, хотелось бы ознакомиться, а то информация из "интернет ресурса" выглядит не солидно?

Комментарии к сообщению (репутация)
Старик Хоттабыч, отрицательно: За спам- и нагнетание не здоровой обстановки...
Петр Карпов вне форума   Цитировать 0
Старый 08.04.2014, 16:16   #63 (ссылка)
АфроСЦБист
 
Аватар для tyubik

Регистрация: 22.10.2010
Адрес: Ивантеевка
Возраст: 50
Сообщений: 13,217
Поблагодарил: 477 раз(а)
Поблагодарили 847 раз(а)
Фотоальбомы: не добавлял
Репутация: 1601
Андрей, сноси отсюда обоих упрямцев.
tyubik вне форума   Цитировать 0
Старый 08.04.2014, 16:26   #64 (ссылка)
V.I.P.
 
Аватар для Rafa

Регистрация: 24.10.2009
Адрес: МОЙДОДЫР
Сообщений: 5,650
Поблагодарил: 388 раз(а)
Поблагодарили 577 раз(а)
Фотоальбомы: не добавлял
Цитата:
Rafa, есть Ваши публикации в компетентных изданиях, хотелось бы ознакомиться, а то информация из "интернет ресурса" выглядит не солидно?


Комментарии к сообщению (репутация)
Старик Хоттабыч, положительно: За выдержку в разговорах с подстрекателем..
Rafa вне форума   Цитировать 1
Старый 08.04.2014, 17:18   #65 (ссылка)
Кандидат в V.I.P.
 
Аватар для Петр Карпов

Регистрация: 03.04.2014
Адрес: Сент-Джеймсский парк
Сообщений: 51
Поблагодарил: 3 раз(а)
Поблагодарили 5 раз(а)
Фотоальбомы: не добавлял
Репутация: 2
Rafa, есть Ваши публикации в компетентных изданиях, хотелось бы ознакомиться, а то информация из "интернет ресурса" выглядит не солидно?
Петр Карпов вне форума   Цитировать 0
Старый 08.04.2014, 20:35   #66 (ссылка)
Super V.I.P.
 
Аватар для Adagumer

Регистрация: 16.02.2012
Сообщений: 5,272
Поблагодарил: 6721 раз(а)
Поблагодарили 977 раз(а)
Фотоальбомы: не добавлял
Репутация: 1704
Цитата:
Сообщение от Петр Карпов
выглядит не солидно
Дуплями ходим?
Adagumer вне форума   Цитировать 0
Старый 08.04.2014, 20:51   #67 (ссылка)
ст. Баджал
 
Аватар для tiksi

Регистрация: 21.07.2009
Сообщений: 7,810
Поблагодарил: 790 раз(а)
Поблагодарили 994 раз(а)
Фотоальбомы: 47 фото
Не хорошо без разрешения автора, но Рафа меня простит, надеюсь.
Итак, публикации:
Патент РФ № 214702305
Патент на изобретение №:2225564907,
Расчёт динамики и проектирование модели скоростного перевода одиночного стрелочного перевода. Ежемесячный научно-технический журнал «Железные дороги мира» ОАО «РЖД».
а так же отмечен в статье по проблемам интермодальности систем безопастности 1520 & 1453 в Rail International/Schienen der Welt.
Далее не буду. Время нет.

Комментарии к сообщению (репутация)
Петр Карпов, положительно: За находчивость!
tiksi вне форума   Цитировать 0
Поблагодарили:
Данный пост получил благодарности от пользователей
Старый 09.04.2014, 16:53   #68 (ссылка)
V.I.P.
 
Аватар для Rafa

Регистрация: 24.10.2009
Адрес: МОЙДОДЫР
Сообщений: 5,650
Поблагодарил: 388 раз(а)
Поблагодарили 577 раз(а)
Фотоальбомы: не добавлял
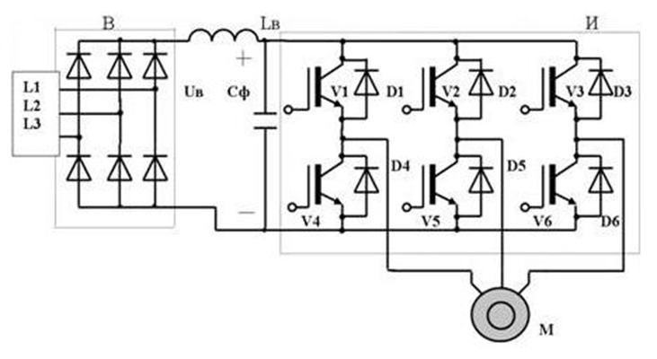
Скоро будим движками МСТ в МПЦ управлять по следующей схеме.

Тут безопасность модуля управления намного выше чем в Эбилоке.

В Эбилоке при неисправности силовых ключей 3 фазы попадут на двигатель.

В данном случае в модуле будет использоваться преобразователь из постоянного тока в 3 фазы переменного. Можна будет регулировать частоту вращения ротора.



Rafa вне форума   Цитировать 1
Поблагодарили:
Данный пост получил благодарности от пользователей
Старый 09.04.2014, 17:32   #69 (ссылка)
Кандидат в V.I.P.
 
Аватар для Петр Карпов

Регистрация: 03.04.2014
Адрес: Сент-Джеймсский парк
Сообщений: 51
Поблагодарил: 3 раз(а)
Поблагодарили 5 раз(а)
Фотоальбомы: не добавлял
Репутация: 2
Rafa, есть Ваши публикации в компетентных печатных изданиях, хотелось бы ознакомиться, а то информация из "интернет ресурса" выглядит не солидно?
Петр Карпов вне форума   Цитировать 0
Старый 09.04.2014, 19:04   #70 (ссылка)
ст. Баджал
 
Аватар для tiksi

Регистрация: 21.07.2009
Сообщений: 7,810
Поблагодарил: 790 раз(а)
Поблагодарили 994 раз(а)
Фотоальбомы: 47 фото
а какое практическое применение в регулировании оборотов двигателя? Когда нужны низкие обороты, когда высокие?
Про безопастность понятно. Принимается.
tiksi вне форума   Цитировать 0
Старый 09.04.2014, 19:25   #71 (ссылка)
Новый пользователь

Автор темы
 
Аватар для Torquato Tasso

Регистрация: 07.07.2009
Сообщений: 5,879
Поблагодарил: 282 раз(а)
Поблагодарили 1013 раз(а)
Фотоальбомы: 1 фото
Цитата:
Сообщение от tiksi Посмотреть сообщение
а какое практическое применение в регулировании оборотов двигателя? Когда нужны низкие обороты, когда высокие?
Чисто для понтов. У Эбилока, типа, нету, а у нас есть. Знай наших!!!
Torquato Tasso вне форума   Цитировать 0
Старый 10.04.2014, 11:50   #72 (ссылка)
Кандидат в V.I.P.
 
Аватар для Vitaliy1990

Регистрация: 19.09.2013
Сообщений: 85
Поблагодарил: 10 раз(а)
Поблагодарили 17 раз(а)
Фотоальбомы: не добавлял
Репутация: 18
Цитата:
Сообщение от tiksi Посмотреть сообщение
а какое практическое применение в регулировании оборотов двигателя? Когда нужны низкие обороты, когда высокие?
Про безопастность понятно. Принимается.
в начале перевода низкие, затем высокие, в конце перевода - низкие
Vitaliy1990 вне форума   Цитировать 0
Старый 10.04.2014, 13:14   #73 (ссылка)
Кандидат в V.I.P.
 
Аватар для volchara007

Регистрация: 08.09.2011
Сообщений: 64
Поблагодарил: 7 раз(а)
Поблагодарили 6 раз(а)
Фотоальбомы: не добавлял
Репутация: 12
Цитата:
Скоро будим движками МСТ в МПЦ управлять по следующей схеме.

Тут безопасность модуля управления намного выше чем в Эбилоке.

В Эбилоке при неисправности силовых ключей 3 фазы попадут на двигатель.

В данном случае в модуле будет использоваться преобразователь из постоянного тока в 3 фазы переменного. Можна будет регулировать частоту вращения ротора.

А каким образом будет производится вращения двигателя в обратную сторону?

Последний раз редактировалось volchara007; 10.04.2014 в 15:48.
volchara007 вне форума   Цитировать 0
Старый 10.04.2014, 17:55   #74 (ссылка)
ст. Баджал
 
Аватар для tiksi

Регистрация: 21.07.2009
Сообщений: 7,810
Поблагодарил: 790 раз(а)
Поблагодарили 994 раз(а)
Фотоальбомы: 47 фото
Петр Карпов, а вы чем сегодня занимаетесь? Тема? Эксплуатация, разработка? Плиз, в 11 словах.
Спасибо.
tiksi вне форума   Цитировать 0
Старый 10.04.2014, 22:24   #75 (ссылка)
V.I.P.
 
Аватар для Rafa

Регистрация: 24.10.2009
Адрес: МОЙДОДЫР
Сообщений: 5,650
Поблагодарил: 388 раз(а)
Поблагодарили 577 раз(а)
Фотоальбомы: не добавлял
Цитата:
Сообщение от volchara007 Посмотреть сообщение
А каким образом будет производится вращения двигателя в обратную сторону?

Изменением последовательности открытия транзисторов.
Rafa вне форума   Цитировать 1
Похожие темы
Тема Автор Раздел Ответов Последнее сообщение
Консультация по правовым вопросам Толян Юридическая консультация 300 18.04.2015 16:09
нужна консультация по МВТК MARAT_1212 Связь на железнодорожном транспорте 0 01.06.2013 23:20
консультация по подключению ШС ГАЦ АРС ТРАКТ alex.85st Вагонные замедлители 1 28.11.2012 22:31

Ответить в этой теме   Перейти в раздел этой темы   Translate to English

Возможно вас заинтересует информация по следующим меткам (темам):
, , ,


Здесь присутствуют: 1 (пользователей: 0 , гостей: 1)
 

Ваши права в разделе
Вы не можете создавать новые темы
Вы не можете отвечать в темах
Вы не можете прикреплять вложения
Вы не можете редактировать свои сообщения

BB коды Вкл.
Смайлы Вкл.
[IMG] код Вкл.
HTML код Выкл.
Trackbacks are Вкл.
Pingbacks are Вкл.
Refbacks are Выкл.



Часовой пояс GMT +3, время: 05:47.

Яндекс.Метрика Справочник 
сцбист.ру сцбист.рф

СЦБИСТ (ранее назывался: Форум СЦБистов - Railway Automation Forum) - крупнейший сайт работников локомотивного хозяйства, движенцев, эсцебистов, путейцев, контактников, вагонников, связистов, проводников, работников ЦФТО, ИВЦ железных дорог, дистанций погрузочно-разгрузочных работ и других железнодорожников.
Связь с администрацией сайта: admin@scbist.com
1 2 3 4 5 6 7 8 9 10 11 12 13 14 15 16 17 18 19 20 21 22 23 24 25 26 27 28 29 30 31 32 33 34 
Powered by vBulletin® Version 3.8.1
Copyright ©2000 - 2026, Jelsoft Enterprises Ltd.
Powered by NuWiki v1.3 RC1 Copyright ©2006-2007, NuHit, LLC Перевод: zCarot