СЦБИСТ - железнодорожный форум, блоги, фотогалерея, социальная сеть
Ушел из жизни Крупицкий Адольф Зельманович
6 февраля 2026 года ушел из жизни Крупицкий Адольф Зельманович, более шести десятков лет проработавший в институте «Гипротранссигналсвязь». Всю свою трудовую деятельность А.З. Крупицкий посвятил проектному делу. После окончанию обучения в Ленинградском институте инженеров железнодорожного транспорта в 1959 году начал свою профессиональную деятельность в качестве старшего электромеханика дистанции сигнализации и связи на Казахской железной дороге. В 1960 году пришел на работу в институт на должность инженера, работал руководителем группы, главным инженером проектов.

Читать далее
Вернуться   СЦБИСТ - железнодорожный форум, блоги, фотогалерея, социальная сеть > Эксплуатация устройств СЦБ > Постовое и напольное оборудование > Переездная сигнализация
Закладки ДневникиПоддержка Сообщество Комментарии к фото Сообщения за день
Ответить в этой теме   Перейти в раздел этой темы    
 
В мои закладки Подписка на тему по электронной почте Отправить другу по электронной почте Опции темы Поиск в этой теме
Старый 28.05.2012, 15:31   #1 (ссылка)
Кандидат в V.I.P.
 
Аватар для Eplik

Регистрация: 18.05.2012
Адрес: Хабаровск
Сообщений: 19
Поблагодарил: 0 раз(а)
Поблагодарили 0 раз(а)
Фотоальбомы: не добавлял
Репутация: 0

Тема: Контроль и закрытие переезда по 4 жилам


При закрытии (открытии) переезда с 2 АПШ и 2 УЗП-на станции на АРМе вылазит коротковременный (5-10 сек) аларм о наличии неисправности на переезде.
Фактически переезд работает исправно. Контроль осуществляется по 4 жилам (ЗП, ОЗП и КП, ОКП). К каждой паре жил подключено реле КМШ ЗП и КП соответственно. Реле КП работает нормально.
А вот ЗП нет. По непонятной причине сделано так:
При токе прямой полярности-исправен, открыт,
При токе обратной полярности-неисправен,
При отсутствии тока-закрыт.
При подаче извещения отпадает ПВ1, У1, У2 и У3. ЗУ (контролирует закрытое положение шлагбаума) остается без тока пока шлагбаум не закроется-в линии обратная полярность. Шлагбаум принимает горизонтальное положение ЗУ встает под ток-переезд закрыт. То же самое, когда поезд удаляется.

Подскажите у кого как происходит контроль, есть ли что нибудь похожее на данную ситуацию и контакты каких реле учавствуют в ЗП, ОЗП? А может вообще кто решение скажет? Заранее спасибо.





Схема АПШ симметричная.
Eplik вне форума   Цитировать 0
Старый 28.05.2012, 15:38   #2 (ссылка)
__
 
Аватар для Николай Николаевич

Регистрация: 10.09.2010
Адрес: Москва
Возраст: 64
Сообщений: 13,931
Поблагодарил: 408 раз(а)
Поблагодарили 2363 раз(а)
Фотоальбомы: не добавлял
Репутация: 1516
Цитата:
Сообщение от Eplik Посмотреть сообщение
При токе обратной полярности-неисправен,
При отсутствии тока-закрыт.
Это однозначно неправильно. Должно быть наоборот - при отсутствии тока - неисправен, при токе обратной полярности - закрыт.
Николай Николаевич вне форума   Цитировать 0
Старый 28.05.2012, 15:44   #3 (ссылка)
Кандидат в V.I.P.

Автор темы
 
Аватар для Eplik

Регистрация: 18.05.2012
Адрес: Хабаровск
Сообщений: 19
Поблагодарил: 0 раз(а)
Поблагодарили 0 раз(а)
Фотоальбомы: не добавлял
Репутация: 0
Цитата:
Сообщение от Николай Николаевич Посмотреть сообщение
Это однозначно неправильно. Должно быть наоборот - при отсутствии тока - неисправен, при токе обратной полярности - закрыт.
Это понятно, однако приведение схемы в соответствии с данными требованиями проблему вроде как не решает. Все равно остается это дурацкое реле ЗУ, которое никак не вписывается.
Eplik вне форума   Цитировать 0
Старый 28.05.2012, 15:50   #4 (ссылка)
Корифей СЦБ
 
Аватар для Александр

Регистрация: 25.02.2009
Адрес: Ленинград
Возраст: 49
Сообщений: 9,605
Поблагодарил: 1616 раз(а)
Поблагодарили 2350 раз(а)
Фотоальбомы: 1 фото
Репутация: 1386
Цитата:
Сообщение от Николай Николаевич
Это однозначно неправильно. Должно быть наоборот - при отсутствии тока - неисправен, при токе обратной полярности - закрыт.
АПС-04 тогда корректировать надо
__________________
"Не думай. Думаешь - не говори. Думаешь и говоришь - не пиши. Думаешь, говоришь и пишешь - не подписывай. Думаешь, говоришь, пишешь и подписываешь - не удивляйся."
Ф.Э. Дзержинский.
Александр вне форума   Цитировать 2
Старый 28.05.2012, 15:55   #5 (ссылка)
__
 
Аватар для Николай Николаевич

Регистрация: 10.09.2010
Адрес: Москва
Возраст: 64
Сообщений: 13,931
Поблагодарил: 408 раз(а)
Поблагодарили 2363 раз(а)
Фотоальбомы: не добавлял
Репутация: 1516
Цитата:
Сообщение от Александр Посмотреть сообщение
АПС-04 тогда корректировать надо
Альбома под рукой нет, но схемы посмотрю...
Николай Николаевич вне форума   Цитировать 0
Старый 28.05.2012, 16:06   #6 (ссылка)
Кандидат в V.I.P.

Автор темы
 
Аватар для Eplik

Регистрация: 18.05.2012
Адрес: Хабаровск
Сообщений: 19
Поблагодарил: 0 раз(а)
Поблагодарили 0 раз(а)
Фотоальбомы: не добавлял
Репутация: 0
Цитата:
Сообщение от Александр Посмотреть сообщение
АПС-04 тогда корректировать надо
Не знаю я что за АПС стоит. Не указано нигде. Если не сложно, можно ли нарисовать откорректированную схему, а то мои варианты работают так же как с неисправностью.
Eplik вне форума   Цитировать 0
Старый 28.05.2012, 16:25   #7 (ссылка)
Banned
 
Аватар для Анонимный

Регистрация: 07.05.2009
Сообщений: 6,491
Поблагодарил: 0 раз(а)
Поблагодарили 261 раз(а)
Фотоальбомы: не добавлял
Репутация: -28
Цитата:
Сообщение от Eplik Посмотреть сообщение
Не знаю я что за АПС стоит. Не указано нигде. Если не сложно, можно ли нарисовать откорректированную схему, а то мои варианты работают так же как с неисправностью.
Схема выполнена по альбому МРЦ-9 или МРЦ-13 тамже выполнена описание алгоритма работы.( до АПС-04)
Выложи постовую часть схемы, тогда можеть и подскажу точно

Анонимный добавил 28.05.2012 в 16:25
Цитата:
Сообщение от Eplik Посмотреть сообщение
Не знаю я что за АПС стоит. Не указано нигде. Если не сложно, можно ли нарисовать откорректированную схему, а то мои варианты работают так же как с неисправностью.
Схема выполнена по альбому МРЦ-9 или МРЦ-13 там же выполнена описание алгоритма работы.( до АПС-04)
Выложи постовую часть схемы, тогда можеть и подскажу точно

Последний раз редактировалось Анонимный; 28.05.2012 в 16:25. Причина: Добавлено сообщение
Анонимный вне форума   Цитировать 0
Старый 28.05.2012, 16:28   #8 (ссылка)
Корифей СЦБ
 
Аватар для Александр

Регистрация: 25.02.2009
Адрес: Ленинград
Возраст: 49
Сообщений: 9,605
Поблагодарил: 1616 раз(а)
Поблагодарили 2350 раз(а)
Фотоальбомы: 1 фото
Репутация: 1386
Цитата:
Сообщение от Николай Николаевич
Альбома под рукой нет, но схемы посмотрю...
Альбом 2 410407-ТМП-04 л.11 (стр 45)
Изображения
Тип файла: tif 410407-ТМП-ПЗ_Page_14.tif (47.6 Кб, 57 просмотров)
__________________
"Не думай. Думаешь - не говори. Думаешь и говоришь - не пиши. Думаешь, говоришь и пишешь - не подписывай. Думаешь, говоришь, пишешь и подписываешь - не удивляйся."
Ф.Э. Дзержинский.
Александр вне форума   Цитировать 2
Старый 28.05.2012, 16:36   #9 (ссылка)
Кандидат в V.I.P.

Автор темы
 
Аватар для Eplik

Регистрация: 18.05.2012
Адрес: Хабаровск
Сообщений: 19
Поблагодарил: 0 раз(а)
Поблагодарили 0 раз(а)
Фотоальбомы: не добавлял
Репутация: 0


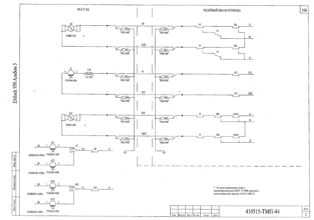
Станция - МПЦ Ebilock-950.

Последний раз редактировалось Eplik; 28.05.2012 в 16:39.
Eplik вне форума   Цитировать 0
Старый 28.05.2012, 16:42   #10 (ссылка)
Banned
 
Аватар для Анонимный

Регистрация: 07.05.2009
Сообщений: 6,491
Поблагодарил: 0 раз(а)
Поблагодарили 261 раз(а)
Фотоальбомы: не добавлял
Репутация: -28
МРЦ-13 альбом 2 стр.57 лист 26 для внутри станционных переездов
Анонимный вне форума   Цитировать 0
Старый 29.05.2012, 05:39   #11 (ссылка)
Super V.I.P.
 
Аватар для led

Регистрация: 09.04.2009
Сообщений: 1,963
Поблагодарил: 11 раз(а)
Поблагодарили 153 раз(а)
Фотоальбомы: 3 фото
Репутация: 107
Для МПЦ-Е, если не ошибаюсь, схему контроля нужно собирать на двух ПЛ3У-73/1000 вместо КМШ.
У КМШ при перебросе будет ловиться неисправность.
led вне форума   Цитировать 0
Старый 29.05.2012, 06:13   #12 (ссылка)
Кандидат в V.I.P.

Автор темы
 
Аватар для Eplik

Регистрация: 18.05.2012
Адрес: Хабаровск
Сообщений: 19
Поблагодарил: 0 раз(а)
Поблагодарили 0 раз(а)
Фотоальбомы: не добавлял
Репутация: 0
Цитата:
Сообщение от led Посмотреть сообщение
Для МПЦ-Е, если не ошибаюсь, схему контроля нужно собирать на двух ПЛ3У-73/1000 вместо КМШ.
У КМШ при перебросе будет ловиться неисправность.
Такая проблема устраняется бомбардистом увеличением времени на появление аларма.
Eplik вне форума   Цитировать 0
Старый 29.05.2012, 10:24   #13 (ссылка)
Super V.I.P.
 
Аватар для led

Регистрация: 09.04.2009
Сообщений: 1,963
Поблагодарил: 11 раз(а)
Поблагодарили 153 раз(а)
Фотоальбомы: 3 фото
Репутация: 107
Показанная Вами схема соответствует схеме для охраняемого переезда на перегоне из 410515-ТМП (альбом 3, страница 105)
Обратная полярность ЗП не говорит о неисправности переезда, она сообщает, что извещение идет, но переезд ещё не закрыт.
led вне форума   Цитировать 0
Старый 29.05.2012, 12:36   #14 (ссылка)
Кандидат в V.I.P.

Автор темы
 
Аватар для Eplik

Регистрация: 18.05.2012
Адрес: Хабаровск
Сообщений: 19
Поблагодарил: 0 раз(а)
Поблагодарили 0 раз(а)
Фотоальбомы: не добавлял
Репутация: 0
Цитата:
Сообщение от led Посмотреть сообщение
Обратная полярность ЗП не говорит о неисправности переезда, она сообщает, что извещение идет, но переезд ещё не закрыт.
Я тоже так думал. Но тогда как объяснить неисправность при удалении поезда и поднятии шлагбаума. И если случится реальная неисправность (закрылся один из двух шлакбаумов, или шлагбаум не принял полностью горизонтальное (вертикальное) положене), как это узнать?

Eplik добавил 29.05.2012 в 12:23
Вот идиентичная схема только она не для МПЦ-Е. 410407-ТМП альбом 3, лист 6, стр 26. Вариант 1. Прям идиентичны.
Объясните плиз, всетаки как работает контроль в данной схеме. У3 отваливается при подаче извещения, далее замедление на включение АПШ, потом сам перевод АПШ и только потом встает под ток ЗУ? И все это время по идее должна мигать белая лампочка ЗП? И что она означает? Неисправность или каой нибудь свое обозначение?



Eplik добавил 29.05.2012 в 12:36
Цитата:
Сообщение от led Посмотреть сообщение
Показанная Вами схема соответствует схеме для охраняемого переезда на перегоне из 410515-ТМП (альбом 3, страница 105)
Почти что верно. Страница только вот 106. И это вот конкретная схема на моей станции 100%. Спасибо. Только вот как быть то с неисправностью.


Последний раз редактировалось Eplik; 29.05.2012 в 12:39. Причина: Добавлено сообщение
Eplik вне форума   Цитировать 0
Старый 29.05.2012, 13:05   #15 (ссылка)
Banned
 
Аватар для Анонимный

Регистрация: 07.05.2009
Сообщений: 6,491
Поблагодарил: 0 раз(а)
Поблагодарили 261 раз(а)
Фотоальбомы: не добавлял
Репутация: -28
Цитата:
И все это время по идее должна мигать белая лампочка ЗП
-Пока не закроется переезд.
Так и работает, а при неисправности АПШ помимо моргающей лампочки(дежурные иногда не обращают внимания что она не прекратила моргать), еще позвонит и дежурный по переезду, так как крышки УЗП не поднимуться.

Цитата:
И что она означает
led сказал
Цитата:
она сообщает, что извещение идет, но переезд ещё не закрыт.
Анонимный вне форума   Цитировать 0
Похожие темы
Тема Автор Раздел Ответов Последнее сообщение
Устройства заграждения железнодорожного переезда. Вариант с установкой УЗП на выезде переезда - 419710-СЦБ.ТР СЦБист Системы централизации и блокировки 13 11.05.2017 10:48
Перекрытие светофора поездом и закрытие его дежурным по станции Admin Wiki 0 05.10.2011 13:04
Фундамент переезда AlexandroR Поиск документации 2 14.09.2011 22:21
закрытие АБ dagon Движенцы 15 17.06.2011 23:39
Ищу схему для переезда SharK Ищу/Предлагаю 6 17.12.2009 08:58

Ответить в этой теме   Перейти в раздел этой темы   Translate to English

Возможно вас заинтересует информация по следующим меткам (темам):
, ,


Здесь присутствуют: 1 (пользователей: 0 , гостей: 1)
 

Ваши права в разделе
Вы не можете создавать новые темы
Вы не можете отвечать в темах
Вы не можете прикреплять вложения
Вы не можете редактировать свои сообщения

BB коды Вкл.
Смайлы Вкл.
[IMG] код Вкл.
HTML код Выкл.
Trackbacks are Вкл.
Pingbacks are Вкл.
Refbacks are Выкл.



Часовой пояс GMT +3, время: 23:12.

Яндекс.Метрика Справочник 
сцбист.ру сцбист.рф

СЦБИСТ (ранее назывался: Форум СЦБистов - Railway Automation Forum) - крупнейший сайт работников локомотивного хозяйства, движенцев, эсцебистов, путейцев, контактников, вагонников, связистов, проводников, работников ЦФТО, ИВЦ железных дорог, дистанций погрузочно-разгрузочных работ и других железнодорожников.
Связь с администрацией сайта: admin@scbist.com
1 2 3 4 5 6 7 8 9 10 11 12 13 14 15 16 17 18 19 20 21 22 23 24 25 26 27 28 29 30 31 32 33 34 
Powered by vBulletin® Version 3.8.1
Copyright ©2000 - 2026, Jelsoft Enterprises Ltd.
Powered by NuWiki v1.3 RC1 Copyright ©2006-2007, NuHit, LLC Перевод: zCarot