СЦБИСТ - железнодорожный форум, блоги, фотогалерея, социальная сеть
Вернуться   СЦБИСТ - железнодорожный форум, блоги, фотогалерея, социальная сеть > Эксплуатация устройств СЦБ > Постовое и напольное оборудование > Локомотивные устройства и АЛС
Закладки ДневникиПоддержка Сообщество Комментарии к фото Сообщения за день
Ответить в этой теме   Перейти в раздел этой темы    
 
В мои закладки Подписка на тему по электронной почте Отправить другу по электронной почте Опции темы Поиск в этой теме
Старый 17.09.2015, 22:07   #1 (ссылка)
V.I.P.
 
Аватар для Bram

Регистрация: 27.09.2012
Адрес: Уфа, с. Нагаево
Возраст: 60
Сообщений: 441
Поблагодарил: 60 раз(а)
Поблагодарили 64 раз(а)
Фотоальбомы: не добавлял
Репутация: 114

Тема: Конденсатор на приемные катушки.


На некоторых ЧМЭ-3т установлен конденсатор 0.1 мкф на клеммах А1, А2 реле РЕМ. Хотя в схеме он не нарисован.
Недавно столкнулся с тепловозом ЧМЗ-3т, где усилитель странно работал при токе 1.2 А на шлейфе при запущенном дизеле ( соответсвенно дешифратор выдал несоответсвие кодов). Тщательный осмотр, замеры всех параметров и с заменой УК+ДК ни к чему не привели. В итоге виновником оказался преобразователь напряжения в блоке электроники. На бескодие микровольтметр показал на клеммах А1 и А2 0.3 в, а на осциллограмме пачки затухающих ВЧ импульсы размахом в 4.0 в. И эта хрень по всему тепловозу. Хорошо, подсказали электронщики с соседнего депо на установку фильтрующего конденсатора параллельно катушкам. Установил конденсатор 0.1 мкф на выходе реле РЕМ и наводки упали почти до нуля, АЛС заработал как надо.
У кого есть информация на этот фильтрующий конденсатор?
Установка онных обязательна на ЧМЭ-3т?
Bram вне форума   Цитировать 0
Поблагодарили:
Данный пост получил благодарности от пользователей
Старый 17.09.2015, 22:42   #2 (ссылка)
Super V.I.P.
 
Аватар для beatl

Регистрация: 26.09.2010
Возраст: 46
Сообщений: 4,305
Поблагодарил: 199 раз(а)
Поблагодарили 681 раз(а)
Фотоальбомы: 13 фото
Репутация: 945
Отправить сообщение для beatl с помощью Skype™
Очень полезно, спасибо.
beatl вне форума   Цитировать 0
Старый 18.09.2015, 17:49   #3 (ссылка)
V.I.P.
 
Аватар для a orel

Регистрация: 04.01.2012
Сообщений: 222
Поблагодарил: 10 раз(а)
Поблагодарили 38 раз(а)
Фотоальбомы: не добавлял
Репутация: 41
хм я бы проверил утечки \ изоляцию на тепловозе , если помехи на всем тепловозе скорей всего они виноваты за наводки .

у нас такой кондер ставили на питание рации ( на выключатель ) из-за помех на рацию . потом при замене выключателя выбрасывали так как помех не было ( забывали почему ставили ) .

a orel добавил 18.09.2015 в 17:49
а ставить или не ставить на все - я бы не стал ставить в мешательство в схему алсн мало ли что .

Последний раз редактировалось a orel; 18.09.2015 в 17:49. Причина: Добавлено сообщение
a orel вне форума   Цитировать 0
Старый 18.09.2015, 19:13   #4 (ссылка)
V.I.P.

Автор темы
 
Аватар для Bram

Регистрация: 27.09.2012
Адрес: Уфа, с. Нагаево
Возраст: 60
Сообщений: 441
Поблагодарил: 60 раз(а)
Поблагодарили 64 раз(а)
Фотоальбомы: не добавлял
Репутация: 114
a orel, изоляция электропроводки около 50 МОм. Естественно проверял в первую очередь. На катушках около 80 МОм с проводами, что есть выше крыши. Здесь сама конструкция тепловоза ЧМЭ-3т выполнена так, что АКБ расположены по обе борта. Блок управления тепловозом питается от двухтактного преобразователя напряжения. В момент отключения ключей происходит индукционный обратный выброс на источник, т.е. на АКБ. На ножах рубильника наблюдал пачки ВЧ размахом в 6.0 в. Блок электроники не в нашей компетенции и выбор пал на установку конденсатора.
Цитата:
Сообщение от a orel Посмотреть сообщение
мешательство
Вот и спросил, у кого есть информация на этот конденсатор?
С капремонта некоторые приезжают уже с конденсатором.
Bram вне форума   Цитировать 0
Старый 19.09.2015, 11:50   #5 (ссылка)
V.I.P.
 
Аватар для a orel

Регистрация: 04.01.2012
Сообщений: 222
Поблагодарил: 10 раз(а)
Поблагодарили 38 раз(а)
Фотоальбомы: не добавлял
Репутация: 41
Цитата:
Сообщение от Bram Посмотреть сообщение
a orel, изоляция электропроводки около 50 МОм. Естественно проверял в первую очередь. На катушках около 80 МОм с проводами, что есть выше крыши. Здесь сама конструкция тепловоза ЧМЭ-3т выполнена так, что АКБ расположены по обе борта. Блок управления тепловозом питается от двухтактного преобразователя напряжения. В момент отключения ключей происходит индукционный обратный выброс на источник, т.е. на АКБ. На ножах рубильника наблюдал пачки ВЧ размахом в 6.0 в. Блок электроники не в нашей компетенции и выбор пал на установку конденсатора.
Вот и спросил, у кого есть информация на этот конденсатор?
С капремонта некоторые приезжают уже с конденсатором.
конструкция чэ3 мне знакома .

не знаю у нас ходили на капитальный что т-ки что э-ки но такого не было .

хм тогда остается проверить изоляцию блоков электроники на корпус тепловоза
a orel вне форума   Цитировать 0
Старый 19.09.2015, 12:08   #6 (ссылка)
Super V.I.P.
 
Аватар для beatl

Регистрация: 26.09.2010
Возраст: 46
Сообщений: 4,305
Поблагодарил: 199 раз(а)
Поблагодарили 681 раз(а)
Фотоальбомы: 13 фото
Репутация: 945
Отправить сообщение для beatl с помощью Skype™
Цитата:
Сообщение от Bram Посмотреть сообщение
Установил конденсатор 0.1 мкф на выходе реле РЕМ и наводки упали почти до нуля
В принцЫпе, на входе ФЛ тоже стоит конденсатор 0,15мкФ, который совместно с индуктивностью последовательно соединенных приёмных катушек образует первый фильтрующий контур.
beatl вне форума   Цитировать 0
Старый 19.09.2015, 12:14   #7 (ссылка)
Super V.I.P.
 
Аватар для APCnik

Регистрация: 26.07.2009
Сообщений: 2,635
Поблагодарил: 323 раз(а)
Поблагодарили 584 раз(а)
Фотоальбомы: 1 фото
Значит, при параллельном соединении емкостей 0,15 мкФ и 0,1 мкФ образуется емкость 0,25 мкФ, которая настраивает фильтр ФЛ на другую (меньшую) частоту.
__________________
ДАЙ ВАМ БОГ ТО - ЧЕГО ВЫ ЖЕЛАЕТЕ ДРУГИМ!

APCnik вне форума   Цитировать 0
Старый 19.09.2015, 15:02   #8 (ссылка)
V.I.P.

Автор темы
 
Аватар для Bram

Регистрация: 27.09.2012
Адрес: Уфа, с. Нагаево
Возраст: 60
Сообщений: 441
Поблагодарил: 60 раз(а)
Поблагодарили 64 раз(а)
Фотоальбомы: не добавлял
Репутация: 114
Кстати, тепловоз не оборудован ФЛ.a orel, через емкостной монтаж лезет помеха. Если бы провода были скручены или в отдельном экране, то внешняя помеха не пройдёт. Провода проложены параллельно с общим электрическим жгутом.

Bram добавил 19.09.2015 в 15:02
Провода от приёмных катушек.

Дайте пож. кнопку редактора. До ВИПа сколько сообщений нужны?

Последний раз редактировалось Bram; 19.09.2015 в 15:02. Причина: Добавлено сообщение
Bram вне форума   Цитировать 0
Старый 19.09.2015, 16:02   #9 (ссылка)
Super V.I.P.
 
Аватар для APCnik

Регистрация: 26.07.2009
Сообщений: 2,635
Поблагодарил: 323 раз(а)
Поблагодарили 584 раз(а)
Фотоальбомы: 1 фото
Экранированные провода должны быть проложены в трубке ПВХ, а экраны должны быть подключены к земле! Иначе экран не будет выполнять свои функции.
__________________
ДАЙ ВАМ БОГ ТО - ЧЕГО ВЫ ЖЕЛАЕТЕ ДРУГИМ!

APCnik вне форума   Цитировать 0
Старый 20.09.2015, 16:56   #10 (ссылка)
Super V.I.P.
 
Аватар для APCnik

Регистрация: 26.07.2009
Сообщений: 2,635
Поблагодарил: 323 раз(а)
Поблагодарили 584 раз(а)
Фотоальбомы: 1 фото


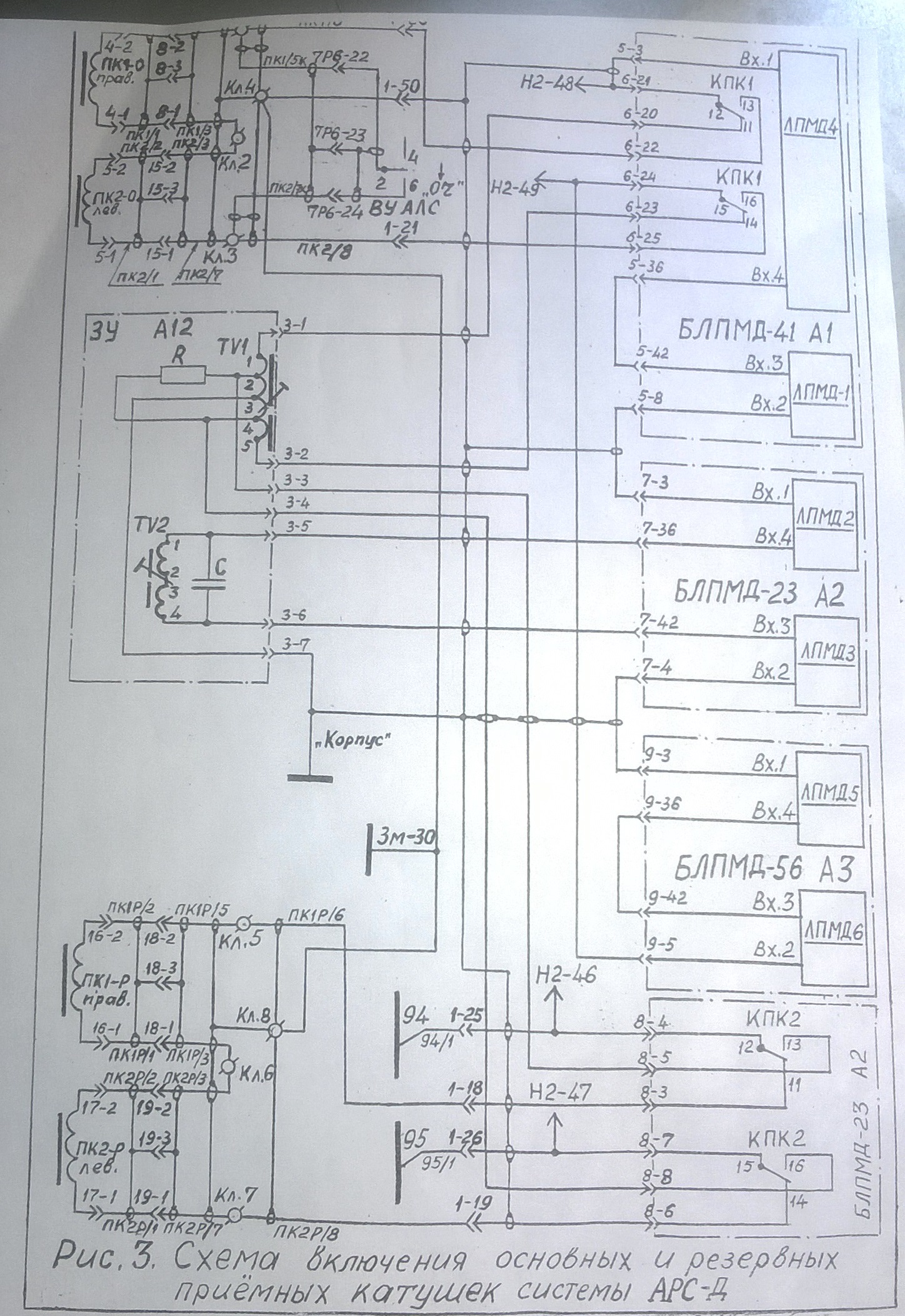
Вот схема наших приемных катушек. Весь монтаж выполнен проводом МГШВЭ.
__________________
ДАЙ ВАМ БОГ ТО - ЧЕГО ВЫ ЖЕЛАЕТЕ ДРУГИМ!

APCnik вне форума   Цитировать 0
Старый 20.09.2015, 19:38   #11 (ссылка)
V.I.P.

Автор темы
 
Аватар для Bram

Регистрация: 27.09.2012
Адрес: Уфа, с. Нагаево
Возраст: 60
Сообщений: 441
Поблагодарил: 60 раз(а)
Поблагодарили 64 раз(а)
Фотоальбомы: не добавлял
Репутация: 114
Во как. Экраны подключены в одной точке к корпусу, а не абы как где попало.
Bram вне форума   Цитировать 0
Старый 20.09.2015, 21:32   #12 (ссылка)
Super V.I.P.
 
Аватар для APCnik

Регистрация: 26.07.2009
Сообщений: 2,635
Поблагодарил: 323 раз(а)
Поблагодарили 584 раз(а)
Фотоальбомы: 1 фото
По поводу земель. Подключать у нас на вагоне земли где попало не получится. Ввели у нас в действие видео информационную систему ВИС. На головном вагоне установлен винчестер с материнкой от ноутбука, а на каждом вагоне на потолке висят мониторы. Система служит для визуального отображения названий станций и рекламы. Монтировала сторонняя организация. После пришлось искать места для переподключения земель, т.к. помехи от их блоков питания и репитеров (усилителей сигнала на промежуточных вагонах) влияли как на поездную радиосвязь, так и на работу системы АРС.
Вообще, как оказалось, выбор места подключения земель - это целая наука. У нас теперь сплошная электроника с компьютерами установлена на вагонах и влияние импульсных блоков питания для каждого устройства начинает влиять на работу других устройств.
__________________
ДАЙ ВАМ БОГ ТО - ЧЕГО ВЫ ЖЕЛАЕТЕ ДРУГИМ!

APCnik вне форума   Цитировать 0
Старый 01.05.2017, 23:34   #13 (ссылка)
Super V.I.P.
 
Аватар для beatl

Регистрация: 26.09.2010
Возраст: 46
Сообщений: 4,305
Поблагодарил: 199 раз(а)
Поблагодарили 681 раз(а)
Фотоальбомы: 13 фото
Репутация: 945
Отправить сообщение для beatl с помощью Skype™
Цитата:
Сообщение от beatl Посмотреть сообщение
В принцЫпе, на входе ФЛ тоже стоит конденсатор 0,15мкФ, который совместно с индуктивностью последовательно соединенных приёмных катушек образует первый фильтрующий контур.
В евангелии от Леонова написано, что контур, образованный приёмными катушками и конденсатором С8 ФЛ25/75 (ну или висящим на выводах реле РЕМ) настроен на частоту 37,5Гц. Проверили, действительно так и есть.
В фильтре, выходной последовательный контур тоже настроен на частоту 37,5Гц. На стенде также заметна сильная связь между емкостью С8 и коэффициентом передачи ФЛ на частоте 75Гц, это при том, что емкость этого конденсатора при ТО фильтра не проверяется без крайней необходимости. На канал 25Гц влияния практически не оказывает.
В связи с этим два вопроса:
1. Что это за частота такая 37,5 Гц ? Для чего нужны контура резонансные на этой частоте ? Плоская шутка о том, что 2х37,5=75 в голове укладывается плохо...
2. Какую несущую частоту использовала первая АЛСН ? 50 или 75Гц ? Помнится Balbes выкладывал тут фотографии из книжки 43 года издания. Нужное место за малым не попало в первый кадр. Книжка, с его слов, была на КРП АЛСН, где он когда-то работал. Правда его уже давно здесь не видно, а что за КРП (Москва) тоже не знаю. Может у кого есть контакты ?

Последний раз редактировалось beatl; 02.05.2017 в 09:49.
beatl вне форума   Цитировать 0
Старый 02.05.2017, 07:40   #14 (ссылка)
Super V.I.P.
 
Аватар для Adagumer

Регистрация: 16.02.2012
Сообщений: 5,267
Поблагодарил: 6719 раз(а)
Поблагодарили 977 раз(а)
Фотоальбомы: не добавлял
Репутация: 1694
Цитата:
Сообщение от beatl
Плоская шутка о том, что 2х37,5=75 в голове укладывается плохо..
Чем выше гармоника тем уже полоса фильтра, тут фильтр работает на второй гармонике!
Adagumer вне форума   Цитировать 0
Старый 02.05.2017, 07:51   #15 (ссылка)
Super V.I.P.
 
Аватар для beatl

Регистрация: 26.09.2010
Возраст: 46
Сообщений: 4,305
Поблагодарил: 199 раз(а)
Поблагодарили 681 раз(а)
Фотоальбомы: 13 фото
Репутация: 945
Отправить сообщение для beatl с помощью Skype™
Так фильтр линейный, сплошное LC, набор связанных контуров. Откуда там гармоники ?
Ещё. Для 25Гц коэффициент передачи - 0,45, для "второй гармоники" 50Гц ~0,001.

Последний раз редактировалось beatl; 02.05.2017 в 08:01.
beatl вне форума   Цитировать 0
Похожие темы
Тема Автор Раздел Ответов Последнее сообщение
приемные катушки АЛС radist_ss Локомотивные устройства и АЛС 27 23.12.2015 19:45
=Продам= Катушки приемные локомотивные (КПТ, КПЭ, КПУ) для систем АЛСН, КЛУБ ДЭМЗ Купля-Продажа 0 09.09.2013 12:58
КТСМ-02 приемные капсулы Chernov КТСМ / ПОНАБ 32 09.04.2013 23:54
Чем можно заменить конденсатор К73П-2-400В-2мкф Pygblk Общие вопросы эксплуатации устройств СЦБ 5 04.04.2013 20:01
конденсатор кбг-мн 4 мкф... помогите jki1984 Общие вопросы эксплуатации устройств СЦБ 3 04.04.2013 13:08

Ответить в этой теме   Перейти в раздел этой темы

Возможно вас заинтересует информация по следующим меткам (темам):
, ,


Здесь присутствуют: 1 (пользователей: 0 , гостей: 1)
 

Ваши права в разделе
Вы не можете создавать новые темы
Вы не можете отвечать в темах
Вы не можете прикреплять вложения
Вы не можете редактировать свои сообщения

BB коды Вкл.
Смайлы Вкл.
[IMG] код Вкл.
HTML код Выкл.
Trackbacks are Вкл.
Pingbacks are Вкл.
Refbacks are Выкл.



Часовой пояс GMT +3, время: 03:30.

Яндекс.Метрика Справочник 
сцбист.ру сцбист.рф

СЦБИСТ (ранее назывался: Форум СЦБистов - Railway Automation Forum) - крупнейший сайт работников локомотивного хозяйства, движенцев, эсцебистов, путейцев, контактников, вагонников, связистов, проводников, работников ЦФТО, ИВЦ железных дорог, дистанций погрузочно-разгрузочных работ и других железнодорожников.
Связь с администрацией сайта: admin@scbist.com
1 2 3 4 5 6 7 8 9 10 11 12 13 14 15 16 17 18 19 20 21 22 23 24 25 26 27 28 29 30 31 32 33 34 
Powered by vBulletin® Version 3.8.1
Copyright ©2000 - 2026, Jelsoft Enterprises Ltd.
Powered by NuWiki v1.3 RC1 Copyright ©2006-2007, NuHit, LLC Перевод: zCarot