СЦБИСТ - железнодорожный форум, блоги, фотогалерея, социальная сеть
Ушел из жизни Крупицкий Адольф Зельманович
6 февраля 2026 года ушел из жизни Крупицкий Адольф Зельманович, более шести десятков лет проработавший в институте «Гипротранссигналсвязь». Всю свою трудовую деятельность А.З. Крупицкий посвятил проектному делу. После окончанию обучения в Ленинградском институте инженеров железнодорожного транспорта в 1959 году начал свою профессиональную деятельность в качестве старшего электромеханика дистанции сигнализации и связи на Казахской железной дороге. В 1960 году пришел на работу в институт на должность инженера, работал руководителем группы, главным инженером проектов.

Читать далее
Вернуться   СЦБИСТ - железнодорожный форум, блоги, фотогалерея, социальная сеть > Эксплуатация устройств СЦБ > Постовое и напольное оборудование > Локомотивные устройства и АЛС
Закладки ДневникиПоддержка Сообщество Комментарии к фото Сообщения за день
Ответить в этой теме   Перейти в раздел этой темы    
 
В мои закладки Подписка на тему по электронной почте Отправить другу по электронной почте Опции темы Поиск в этой теме
Старый 29.05.2015, 18:39   #151 (ссылка)
Super V.I.P.
 
Аватар для APCnik

Регистрация: 26.07.2009
Сообщений: 2,635
Поблагодарил: 323 раз(а)
Поблагодарили 584 раз(а)
Фотоальбомы: 1 фото
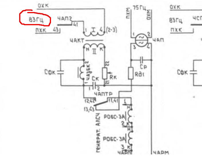
Rafa, откуда такая частота 83 Гц и какой фильтр ФЛ и как должен на нее влиять?
есть такие фильтры:
ФЛ-1 настроен на частоту 75 Гц;
ФЛ-2 настроен на частоту 125 Гц;
ФЛ-3 настроен на частоту 175 Гц;
ФЛ-4 настроен на частоту 225 Гц;
ФЛ-5 настроен на частоту 275 Гц;
ФЛ-6 настроен на частоту 325 Гц;

После выходных выложу осциллограммы или графики подавления этой частоты.
__________________
ДАЙ ВАМ БОГ ТО - ЧЕГО ВЫ ЖЕЛАЕТЕ ДРУГИМ!

APCnik вне форума   Цитировать 0
Старый 30.05.2015, 13:45   #152 (ссылка)
V.I.P.
 
Аватар для Rafa

Регистрация: 24.10.2009
Адрес: МОЙДОДЫР
Сообщений: 5,650
Поблагодарил: 388 раз(а)
Поблагодарили 577 раз(а)
Фотоальбомы: не добавлял
Цитата:
Rafa, откуда такая частота 83 Гц и какой фильтр ФЛ и как должен на нее влиять?
Rafa вне форума   Цитировать 1
Старый 13.06.2015, 10:56   #153 (ссылка)
Новичок
 
Аватар для Алексей Соловьёв

Регистрация: 21.05.2015
Сообщений: 2
Поблагодарил: 0 раз(а)
Поблагодарили 0 раз(а)
Фотоальбомы: не добавлял
Репутация: 0
вопрос не по теме естьли у ково схемы пивязки клуба на мотовозы немоглибы скинуть схемы
Алексей Соловьёв вне форума   Цитировать 0
Старый 13.06.2015, 13:23   #154 (ссылка)
Super V.I.P.
 
Аватар для APCnik

Регистрация: 26.07.2009
Сообщений: 2,635
Поблагодарил: 323 раз(а)
Поблагодарили 584 раз(а)
Фотоальбомы: 1 фото
— Фот фам и фефекты ечи. А почему? Нейвы, засоение атмосфевы, водофемов.
Но зато у меня пизвание: я логопефт. Лечу дефей.


Ролан Быков — логопед. «По семейным обстоятельствам»
__________________
ДАЙ ВАМ БОГ ТО - ЧЕГО ВЫ ЖЕЛАЕТЕ ДРУГИМ!

APCnik вне форума   Цитировать 0
Поблагодарили:
Данный пост получил благодарности от пользователей
Старый 18.06.2015, 18:10   #155 (ссылка)
Super V.I.P.
 
Аватар для beatl

Регистрация: 26.09.2010
Возраст: 46
Сообщений: 4,305
Поблагодарил: 199 раз(а)
Поблагодарили 681 раз(а)
Фотоальбомы: 13 фото
Репутация: 945
Однако, всё уже изобретено до нас...
Есть у кого в использовании такой приборчег ?

http://www.ooo-pribor.ru/catalog/rpk-7132.pdf
Вложения
Тип файла: pdf 1001.pdf (776.6 Кб, 45 просмотров)
Тип файла: pdf 1002.pdf (872.0 Кб, 9 просмотров)
Тип файла: pdf 1003.pdf (800.9 Кб, 6 просмотров)
Тип файла: pdf 1004.pdf (869.0 Кб, 7 просмотров)
Тип файла: pdf 1005.pdf (792.3 Кб, 8 просмотров)
beatl вне форума   Цитировать 0
Поблагодарили:
Данный пост получил благодарности от пользователей
Старый 18.06.2015, 19:40   #156 (ссылка)
сАУТист ТРПУ5 Каменоломни
 
Аватар для Steve Key

Регистрация: 12.11.2012
Адрес: Шахты
Возраст: 56
Сообщений: 30
Поблагодарил: 16 раз(а)
Поблагодарили 4 раз(а)
Фотоальбомы: не добавлял
Репутация: 54
Цитата:
такой приборчег
Скоко сто́ит?
Приложенные PDF-ки забиты нулями…
__________________
Я тоже разработал переносной шлейф АЛСН…
http://steve-key.ucoz.ru/forum/5-4-1
Steve Key вне форума   Цитировать 0
Старый 18.06.2015, 19:58   #157 (ссылка)
Super V.I.P.
 
Аватар для Adagumer

Регистрация: 16.02.2012
Сообщений: 5,270
Поблагодарил: 6720 раз(а)
Поблагодарили 977 раз(а)
Фотоальбомы: не добавлял
Репутация: 1704
Есть ещё вот такой приборчик!
ПК-РЦ-М:
синусоида
[IMG][/IMG]

Код З
[IMG][/IMG]

Код Ж
[IMG][/IMG]

Код КЖ
[IMG][/IMG]
Adagumer на форуме   Цитировать 0
Поблагодарили:
Данный пост получил благодарности от пользователей
Старый 18.06.2015, 22:47   #158 (ссылка)
Super V.I.P.
 
Аватар для beatl

Регистрация: 26.09.2010
Возраст: 46
Сообщений: 4,305
Поблагодарил: 199 раз(а)
Поблагодарили 681 раз(а)
Фотоальбомы: 13 фото
Репутация: 945
Цитата:
Приложенные PDF-ки забиты нулями…
Автоматика, связзь, информатика, №11, 2005г. стр.21

Последний раз редактировалось beatl; 18.06.2015 в 22:49. Причина: Добавлено сообщение
beatl вне форума   Цитировать 0
Поблагодарили:
Данный пост получил благодарности от пользователей
Старый 19.06.2015, 15:50   #159 (ссылка)
V.I.P.
 
Аватар для Rafa

Регистрация: 24.10.2009
Адрес: МОЙДОДЫР
Сообщений: 5,650
Поблагодарил: 388 раз(а)
Поблагодарили 577 раз(а)
Фотоальбомы: не добавлял
Цитата:
Есть ещё вот такой приборчик!
ПК-РЦ-М:
круто
Rafa вне форума   Цитировать 1
Старый 20.06.2015, 12:04   #160 (ссылка)
Banned
 
Аватар для 12_85_00

Регистрация: 19.03.2015
Адрес: Сакральное место Киевской Руси
Сообщений: 91
Поблагодарил: 4 раз(а)
Поблагодарили 3 раз(а)
Фотоальбомы: не добавлял
Репутация: -6
Цитата:
Сообщение от Rafa Посмотреть сообщение
круто
что именно круто?
На синусоиде гармоник не видно. Разрешение слабое.
12_85_00 вне форума   Цитировать 0
Старый 20.06.2015, 12:28   #161 (ссылка)
сАУТист ТРПУ5 Каменоломни
 
Аватар для Steve Key

Регистрация: 12.11.2012
Адрес: Шахты
Возраст: 56
Сообщений: 30
Поблагодарил: 16 раз(а)
Поблагодарили 4 раз(а)
Фотоальбомы: не добавлял
Репутация: 54
Кстати, я надеюсь, к этим чудо-приборчикам прилагается программа для анализа всех этих «кривулек»?
Иначе я же сдохну, просматривая несколько часов осциллограммы поездки, да даже если уже в виде огибающей кодовых посылок!
__________________
Я тоже разработал переносной шлейф АЛСН…
http://steve-key.ucoz.ru/forum/5-4-1
Steve Key вне форума   Цитировать 0
Старый 20.06.2015, 15:18   #162 (ссылка)
Super V.I.P.
 
Аватар для Adagumer

Регистрация: 16.02.2012
Сообщений: 5,270
Поблагодарил: 6720 раз(а)
Поблагодарили 977 раз(а)
Фотоальбомы: не добавлял
Репутация: 1704
Цитата:
Сообщение от 12_85_00
На синусоиде гармоник не видно
Просмотр синусоидального сигнала это дополнительная функция не всегда востребованная, а вот прорисовка принятого кодового сигнала с временными данными это удобно!
Adagumer на форуме   Цитировать 0
Старый 20.06.2015, 16:24   #163 (ссылка)
V.I.P.
 
Аватар для Rafa

Регистрация: 24.10.2009
Адрес: МОЙДОДЫР
Сообщений: 5,650
Поблагодарил: 388 раз(а)
Поблагодарили 577 раз(а)
Фотоальбомы: не добавлял
Цитата:
Сообщение от 12_85_00 Посмотреть сообщение
что именно круто?
На синусоиде гармоник не видно. Разрешение слабое.
возможности прибора впечатляют
Rafa вне форума   Цитировать 1
Старый 20.06.2015, 19:12   #164 (ссылка)
сАУТист ТРПУ5 Каменоломни
 
Аватар для Steve Key

Регистрация: 12.11.2012
Адрес: Шахты
Возраст: 56
Сообщений: 30
Поблагодарил: 16 раз(а)
Поблагодарили 4 раз(а)
Фотоальбомы: не добавлял
Репутация: 54
Цитата:
а вот прорисовка принятого кодового сигнала с временными данными это удобно!
А вот это (правильные временны́е соотношения кодовых посылок) должно быть гарантированно нормальным! Иначе теряется смысл исследований на локомотиве…

Комментарии к сообщению (репутация)
Rafa, положительно:
__________________
Я тоже разработал переносной шлейф АЛСН…
http://steve-key.ucoz.ru/forum/5-4-1
Steve Key вне форума   Цитировать 0
Старый 20.06.2015, 19:38   #165 (ссылка)
Super V.I.P.
 
Аватар для olega88

Регистрация: 23.08.2009
Возраст: 42
Сообщений: 1,614
Поблагодарил: 539 раз(а)
Поблагодарили 242 раз(а)
Фотоальбомы: не добавлял
Репутация: 440
Цитата:
На синусоиде гармоник не видно
какие же на синусоиде гармоники вы можете распознать? я вот, без БПФ ни очем судить не могу.... хотя, возможно, я отстал...
__________________
olega88 вне форума   Цитировать 0
Похожие темы
Тема Автор Раздел Ответов Последнее сообщение
Прибор ЭК 2346-1 Rus1359 Общие вопросы эксплуатации устройств СЦБ 6 27.05.2020 21:34
Для чего нужен прибор ФУ-1, БКТ _нос_ Разговоры обо всем 14 22.02.2017 13:03
[Гудок] [22 декабря 2011] Насколько в вашей работе значим такой фактор, как психологическая совместимость? Admin Газета "Гудок" 0 25.12.2011 22:08
Оптический прибор ПРП Admin Wiki 0 26.11.2011 19:21
Есть такой вот справочник 1931г. march_ Документация 4 21.04.2010 22:34

Ответить в этой теме   Перейти в раздел этой темы   Translate to English

Возможно вас заинтересует информация по следующим меткам (темам):
, , , , , , , , , , , , ,


Здесь присутствуют: 1 (пользователей: 0 , гостей: 1)
 

Ваши права в разделе
Вы не можете создавать новые темы
Вы не можете отвечать в темах
Вы не можете прикреплять вложения
Вы не можете редактировать свои сообщения

BB коды Вкл.
Смайлы Вкл.
[IMG] код Вкл.
HTML код Выкл.
Trackbacks are Вкл.
Pingbacks are Вкл.
Refbacks are Выкл.



Часовой пояс GMT +3, время: 11:15.

Яндекс.Метрика Справочник 
сцбист.ру сцбист.рф

СЦБИСТ (ранее назывался: Форум СЦБистов - Railway Automation Forum) - крупнейший сайт работников локомотивного хозяйства, движенцев, эсцебистов, путейцев, контактников, вагонников, связистов, проводников, работников ЦФТО, ИВЦ железных дорог, дистанций погрузочно-разгрузочных работ и других железнодорожников.
Связь с администрацией сайта: admin@scbist.com
1 2 3 4 5 6 7 8 9 10 11 12 13 14 15 16 17 18 19 20 21 22 23 24 25 26 27 28 29 30 31 32 33 34 
Powered by vBulletin® Version 3.8.1
Copyright ©2000 - 2026, Jelsoft Enterprises Ltd.
Powered by NuWiki v1.3 RC1 Copyright ©2006-2007, NuHit, LLC Перевод: zCarot