СЦБИСТ - железнодорожный форум, блоги, фотогалерея, социальная сеть
Ушел из жизни Крупицкий Адольф Зельманович
6 февраля 2026 года ушел из жизни Крупицкий Адольф Зельманович, более шести десятков лет проработавший в институте «Гипротранссигналсвязь». Всю свою трудовую деятельность А.З. Крупицкий посвятил проектному делу. После окончанию обучения в Ленинградском институте инженеров железнодорожного транспорта в 1959 году начал свою профессиональную деятельность в качестве старшего электромеханика дистанции сигнализации и связи на Казахской железной дороге. В 1960 году пришел на работу в институт на должность инженера, работал руководителем группы, главным инженером проектов.

Читать далее
Вернуться   СЦБИСТ - железнодорожный форум, блоги, фотогалерея, социальная сеть > Эксплуатация устройств СЦБ > Микропроцессорные системы > Эбилок-950 / АБТЦ-Е
Закладки ДневникиПоддержка Сообщество Комментарии к фото Сообщения за день
Ответить в этой теме   Перейти в раздел этой темы    
 
В мои закладки Подписка на тему по электронной почте Отправить другу по электронной почте Опции темы Поиск в этой теме
Старый 27.02.2013, 11:26   #1 (ссылка)
Кандидат в V.I.P.
 
Аватар для DimBog

Регистрация: 01.08.2010
Сообщений: 8
Поблагодарил: 0 раз(а)
Поблагодарили 0 раз(а)
Фотоальбомы: не добавлял
Репутация: 0

Тема: Индикация пути


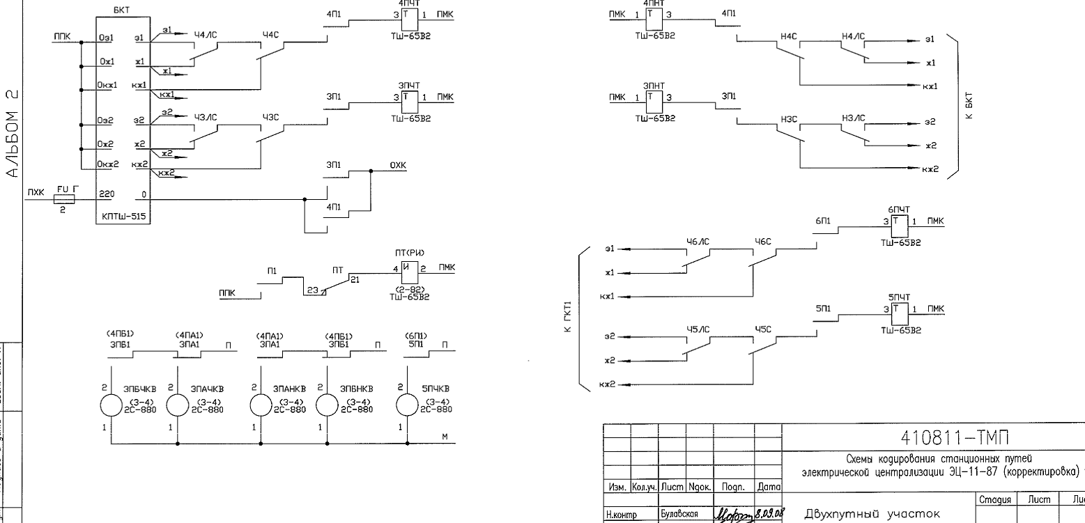
Такой вопрос путь разделен на два участка изостыками, надо ли отображать данные стыки и наименования участков пути на мониторе станции, если схемно при занятии любого из участков идет индикация занятости всего пути и пишется наименование реле которое без тока.
DimBog вне форума   Цитировать 0
Старый 27.02.2013, 12:06   #2 (ссылка)
Super V.I.P.
 
Аватар для Макс - МЖД

Регистрация: 04.03.2010
Адрес: Москва
Возраст: 37
Сообщений: 904
Поблагодарил: 83 раз(а)
Поблагодарили 90 раз(а)
Фотоальбомы: 10 фото
Репутация: 188
вопрос, а зачем этот стык в пути и почему идет занятость всего участка???
Макс - МЖД вне форума   Цитировать 0
Старый 27.02.2013, 12:18   #3 (ссылка)
Кандидат в V.I.P.

Автор темы
 
Аватар для DimBog

Регистрация: 01.08.2010
Сообщений: 8
Поблагодарил: 0 раз(а)
Поблагодарили 0 раз(а)
Фотоальбомы: не добавлял
Репутация: 0
По проекту так, скорее всего для канализации или слишком большая длина р.ц. А индикация потому что это приемоотправочный путь и насколько знаю в старых системах при наличии в длином пути двух бестрелочных участков по индикации на табло они никак не делятся. А вопрос возник с тем, что при сверке местных инструкций у движенцев могут возникнуть вопросы.
DimBog вне форума   Цитировать 0
Старый 27.02.2013, 12:29   #4 (ссылка)
Регулировщик-любитель
 
Аватар для Витос

Регистрация: 13.04.2009
Сообщений: 5,099
Поблагодарил: 853 раз(а)
Поблагодарили 1162 раз(а)
Фотоальбомы: 23 фото
Репутация: 1346
А там точно стык, или там ТРЦ с питающим концом в середине?

Витос добавил 27.02.2013 в 13:29
Такой случай?
__________________
Если проблему решить можно — не стоит о ней беспокоиться,
Если проблему решить нельзя — беспокоиться бесполезно.
Далай-Лама XIV.

Что было, то и будет, и что делалось, то и будет делаться, и нет ничего нового под солнцем. Бывает нечто, о чем говорят: "смотри, вот это новое"; но это было уже в веках, бывших прежде нас.
Книга Екклесиаста [9:10]



Последний раз редактировалось Витос; 27.02.2013 в 12:29. Причина: Добавлено сообщение
Витос вне форума   Цитировать 0
Старый 27.02.2013, 12:34   #5 (ссылка)
Super V.I.P.
 
Аватар для Макс - МЖД

Регистрация: 04.03.2010
Адрес: Москва
Возраст: 37
Сообщений: 904
Поблагодарил: 83 раз(а)
Поблагодарили 90 раз(а)
Фотоальбомы: 10 фото
Репутация: 188
даже если питающий в середине то стык то зачем??????? не проще его убрать, все равно при занятии любого участка падает весь путь
Макс - МЖД вне форума   Цитировать 0
Старый 27.02.2013, 13:17   #6 (ссылка)
Кандидат в V.I.P.

Автор темы
 
Аватар для DimBog

Регистрация: 01.08.2010
Сообщений: 8
Поблагодарил: 0 раз(а)
Поблагодарили 0 раз(а)
Фотоальбомы: не добавлял
Репутация: 0
Точно стык в пути. Убирать уже поздно станция тестируется.
DimBog вне форума   Цитировать 0
Старый 27.02.2013, 13:43   #7 (ссылка)
Регулировщик-любитель
 
Аватар для Витос

Регистрация: 13.04.2009
Сообщений: 5,099
Поблагодарил: 853 раз(а)
Поблагодарили 1162 раз(а)
Фотоальбомы: 23 фото
Репутация: 1346
Цитата:
Сообщение от DimBog Посмотреть сообщение
Точно стык в пути. Убирать уже поздно станция тестируется.
Интересно, интересно! Таких совпадений не бывает! Я прямо таки уверен, что это именно эта станция, которая на двухнитке, тестируется сейчас в Бомбардье! И где тут стыки? Станция на букву Л Забайкальской дороги? Так ведь?
__________________
Если проблему решить можно — не стоит о ней беспокоиться,
Если проблему решить нельзя — беспокоиться бесполезно.
Далай-Лама XIV.

Что было, то и будет, и что делалось, то и будет делаться, и нет ничего нового под солнцем. Бывает нечто, о чем говорят: "смотри, вот это новое"; но это было уже в веках, бывших прежде нас.
Книга Екклесиаста [9:10]


Витос вне форума   Цитировать 0
Старый 27.02.2013, 14:14   #8 (ссылка)
V.I.P.
 
Аватар для Shystr

Регистрация: 15.02.2010
Сообщений: 233
Поблагодарил: 4 раз(а)
Поблагодарили 25 раз(а)
Фотоальбомы: не добавлял
Репутация: 1
Ну так ТРЦ у нас на станции вроде не больше 1500м. А если путь больше? Наверно этот случай.
Shystr вне форума   Цитировать 0
Старый 27.02.2013, 14:35   #9 (ссылка)
Кандидат в V.I.P.

Автор темы
 
Аватар для DimBog

Регистрация: 01.08.2010
Сообщений: 8
Поблагодарил: 0 раз(а)
Поблагодарили 0 раз(а)
Фотоальбомы: не добавлял
Репутация: 0
Да это станция на букву Л посмотри внимательно 1П состоит из р.ц.1АП и 2БП, 2П из 2БП и 2БП. Просто интерисует требования движков к соответствию мнемосхемы схем. плану и местной. У нас даже если в местной римская, а на табло арабская движенцы пишут не соответствие и требуют привести в соответствие. Вот и интерисует данный вопрос, пока есть возможность исправить.
DimBog вне форума   Цитировать 0
Старый 27.02.2013, 18:49   #10 (ссылка)
))
 
Аватар для Sama Y

Регистрация: 22.02.2010
Адрес: Екатеринбург
Сообщений: 2,535
Поблагодарил: 2253 раз(а)
Поблагодарили 1401 раз(а)
Фотоальбомы: не добавлял
Записей в дневнике: 6
сейчас разберемся
не кипишите
если неправильно сделано - исправим

Sama Y добавил 27.02.2013 в 19:49
Цитата:
Зачем стык в пути?
по суммарной длине можно организовать одну рельсовую цепь с двумя релейными концами и питающим концом посередине (как все остальные пути)
но в случае для 2П возникает проблема: некуда ставить коробку питающего конца (на двухнитке видно платформы с обеих сторон пути). если сдвигать питающий конец за край платформы, то плечи рельсовой цепи получаются сильно разной длины и практически не поддаются регулировке. поэтому, совместно с ГТСС - разработчиками регулировочных таблиц, принято решение об организации двух РЦ.

для DimBog,
Цитата:
интересует требования движков к соответствию мнемосхемы схем. плану и местной.
в типовых альбомах пути со стыком нет.
завтра с утра примем решение.
и контрольный вопрос: про отображение перегонов на АРМ-ДСП что-то решилось?

Последний раз редактировалось Sama Y; 27.02.2013 в 18:49. Причина: Добавлено сообщение
Sama Y вне форума   Цитировать 0
Старый 28.02.2013, 04:15   #11 (ссылка)
Super V.I.P.
 
Аватар для led

Регистрация: 09.04.2009
Сообщений: 1,963
Поблагодарил: 11 раз(а)
Поблагодарили 153 раз(а)
Фотоальбомы: 3 фото
Репутация: 107
Цитата:
Сообщение от Sama Y Посмотреть сообщение
завтра с утра примем решение.
Кодирование просмотрите. Там тоже не все так гладко должно быть, как с простым путем.
led вне форума   Цитировать 0
Старый 28.02.2013, 05:35   #12 (ссылка)
V.I.P.
 
Аватар для Rafa

Регистрация: 24.10.2009
Адрес: МОЙДОДЫР
Сообщений: 5,650
Поблагодарил: 388 раз(а)
Поблагодарили 577 раз(а)
Фотоальбомы: не добавлял
А с какой целью второй путь разрезан на две части ИС?

Больше всего удивил светофор НМ4. Где там можно разместить трансформаторы для резервных нитей? Или там используется электронный модуль переключения на резервную нить?
Rafa вне форума   Цитировать 1
Старый 28.02.2013, 06:16   #13 (ссылка)
V.I.P.
 
Аватар для Avton

Регистрация: 07.04.2009
Сообщений: 459
Поблагодарил: 203 раз(а)
Поблагодарили 859 раз(а)
Фотоальбомы: 9 фото
Репутация: 241
По моему мнению, для такого пути индикация должна быть одна, как IП. Тут же прямая аналогия, как если стоит питающий конец посередине и два релейных по бокам. Для движков опять же неважно сколько там рельсовых цепей и как они устроены. Их интересует общая длина пути.
В таких случаях на схемплане я бы написал IП и написал общую длину, от стыка до светофора, плюс подписал бы отдельно длины этих РЦ.
По кодированию опять же проблем никаких - главное чтобы кодововключающие вставали под ток последовательно.

Последний раз редактировалось Avton; 28.02.2013 в 06:20.
Avton вне форума   Цитировать 0
Старый 28.02.2013, 08:58   #14 (ссылка)
Регулировщик-любитель
 
Аватар для Витос

Регистрация: 13.04.2009
Сообщений: 5,099
Поблагодарил: 853 раз(а)
Поблагодарили 1162 раз(а)
Фотоальбомы: 23 фото
Репутация: 1346
Цитата:
Сообщение от Rafa Посмотреть сообщение
А с какой целью второй путь разрезан на две части ИС?
На этот вопрос уже есть ответ в п.10.
Цитата:
Сообщение от Avton Посмотреть сообщение
Для движков опять же неважно сколько там рельсовых цепей и как они устроены.
В том то и проблема, что там они( в тех краях), видя физический стык на поле, требуют его на табло. А рельсовая цепь там имеет один общий повторитель, а кодирование, естественно, разбито по участкам.
__________________
Если проблему решить можно — не стоит о ней беспокоиться,
Если проблему решить нельзя — беспокоиться бесполезно.
Далай-Лама XIV.

Что было, то и будет, и что делалось, то и будет делаться, и нет ничего нового под солнцем. Бывает нечто, о чем говорят: "смотри, вот это новое"; но это было уже в веках, бывших прежде нас.
Книга Екклесиаста [9:10]



Последний раз редактировалось Витос; 01.03.2013 в 08:48.
Витос вне форума   Цитировать 0
Старый 28.02.2013, 09:21   #15 (ссылка)
V.I.P.
 
Аватар для Avton

Регистрация: 07.04.2009
Сообщений: 459
Поблагодарил: 203 раз(а)
Поблагодарили 859 раз(а)
Фотоальбомы: 9 фото
Репутация: 241
Цитата:
видя физический стык на поле
Ну всяко бывает, например транспозиция РЦ, там же тоже стык. Правда там ситуация другая немножко. Но и на схемплане движки же не видят, что там разные рельсовые цепи
Avton вне форума   Цитировать 0
Похожие темы
Тема Автор Раздел Ответов Последнее сообщение
ПВ-60 индикация фидеров Glumer Устройства электропитания и ДГА 15 22.11.2016 22:48
=Самоучитель ДСП= Индикация неисправности диспетчерской централизации и устройств СЦБ Admin Самоучитель ДСП 0 31.12.2012 18:47
Индикация увязки с АБ. TrainMania Автоматические и полуавтоматические блокировки 27 04.08.2012 14:15
Индикация автодействия. TrainMania ЭЦ-12 0 02.06.2012 15:32
Индикация старых панелей питания на светодиодных пультах Jonh Silver Общие вопросы эксплуатации устройств СЦБ 6 09.06.2010 08:13

Ответить в этой теме   Перейти в раздел этой темы   Translate to English

Возможно вас заинтересует информация по следующим меткам (темам):
, , ,


Здесь присутствуют: 1 (пользователей: 0 , гостей: 1)
 

Ваши права в разделе
Вы не можете создавать новые темы
Вы не можете отвечать в темах
Вы не можете прикреплять вложения
Вы не можете редактировать свои сообщения

BB коды Вкл.
Смайлы Вкл.
[IMG] код Вкл.
HTML код Выкл.
Trackbacks are Вкл.
Pingbacks are Вкл.
Refbacks are Выкл.



Часовой пояс GMT +3, время: 22:33.

Яндекс.Метрика Справочник 
сцбист.ру сцбист.рф

СЦБИСТ (ранее назывался: Форум СЦБистов - Railway Automation Forum) - крупнейший сайт работников локомотивного хозяйства, движенцев, эсцебистов, путейцев, контактников, вагонников, связистов, проводников, работников ЦФТО, ИВЦ железных дорог, дистанций погрузочно-разгрузочных работ и других железнодорожников.
Связь с администрацией сайта: admin@scbist.com
1 2 3 4 5 6 7 8 9 10 11 12 13 14 15 16 17 18 19 20 21 22 23 24 25 26 27 28 29 30 31 32 33 34 
Powered by vBulletin® Version 3.8.1
Copyright ©2000 - 2026, Jelsoft Enterprises Ltd.
Powered by NuWiki v1.3 RC1 Copyright ©2006-2007, NuHit, LLC Перевод: zCarot