СЦБИСТ - железнодорожный форум, блоги, фотогалерея, социальная сеть
Ушел из жизни Крупицкий Адольф Зельманович
6 февраля 2026 года ушел из жизни Крупицкий Адольф Зельманович, более шести десятков лет проработавший в институте «Гипротранссигналсвязь». Всю свою трудовую деятельность А.З. Крупицкий посвятил проектному делу. После окончанию обучения в Ленинградском институте инженеров железнодорожного транспорта в 1959 году начал свою профессиональную деятельность в качестве старшего электромеханика дистанции сигнализации и связи на Казахской железной дороге. В 1960 году пришел на работу в институт на должность инженера, работал руководителем группы, главным инженером проектов.

Читать далее
Вернуться   СЦБИСТ - железнодорожный форум, блоги, фотогалерея, социальная сеть > Эксплуатация железных дорог, вагоны, контактная сеть, связь, коммерческая работа > Связь на железнодорожном транспорте
Связь на железнодорожном транспорте Подфорум связистов
Описание темы:техническая документация по р.с
Закладки ДневникиПоддержка Сообщество Комментарии к фото Сообщения за день
Ответить в этой теме   Перейти в раздел этой темы    
 
В мои закладки Подписка на тему по электронной почте Отправить другу по электронной почте Опции темы Поиск в этой теме
Старый 01.11.2017, 16:40   #151 (ссылка)
Кандидат в V.I.P.
 
Аватар для геракл

Регистрация: 06.11.2015
Сообщений: 115
Поблагодарил: 8 раз(а)
Поблагодарили 12 раз(а)
Фотоальбомы: не добавлял
Репутация: -12
Цитата:
Сообщение от Bram Посмотреть сообщение
А как насчёт перекоса фаз. Замерь фазу или нейтраль относительно земли и отчёт сюда.
Bram - https://youtu.be/Ux0mrY-CE78

Заземление и нуль в одной точке . К моей избе подходит одна фаза.
Спасибо за советы .
Жалобу написал - Но пока НОЛЬ.
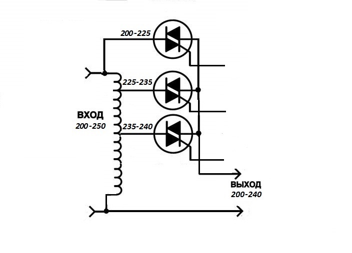
Пока горе-электрики зачешутся , надумал на будущее сгоношить
таку схемку .
Вот тока как управлять переключением симисторов, поди надо лепить пороговые элементы и схемку желательно по проще на дубовых радиодеталях, с микрухами не дружу.

Спецы, кто шарит в этом вопросе киньте ссылку .
Миниатюры
Радисты прошу помощи!-simistornyi-stabilizator.jpg  

Последний раз редактировалось геракл; 01.11.2017 в 16:47.
геракл вне форума   Цитировать 0
Старый 01.11.2017, 16:52   #152 (ссылка)
Super V.I.P.
 
Аватар для Скиталец

Регистрация: 27.09.2011
Адрес: Самара
Возраст: 72
Сообщений: 3,678
Поблагодарил: 835 раз(а)
Поблагодарили 789 раз(а)
Фотоальбомы: не добавлял
Старый, брось фигней страдать.
Скиталец вне форума   Цитировать 0
Старый 01.11.2017, 19:34   #153 (ссылка)
Super V.I.P.
 
Аватар для Adagumer

Регистрация: 16.02.2012
Сообщений: 5,272
Поблагодарил: 6720 раз(а)
Поблагодарили 977 раз(а)
Фотоальбомы: не добавлял
Репутация: 1704
Цитата:
Сообщение от геракл
с микрухами не дружу.
Ну тогда что-то на лампах мудрить!
Adagumer вне форума   Цитировать 0
Старый 01.11.2017, 22:34   #154 (ссылка)
Super V.I.P.
 
Аватар для Суховерша Алексей

Регистрация: 24.01.2011
Адрес: Калининград
Возраст: 63
Сообщений: 9,085
Поблагодарил: 1796 раз(а)
Поблагодарили 2156 раз(а)
Фотоальбомы: 710 фото
Репутация: 673
У.., Блин, у Вас тут свои шорканья...Лампы, микрухи.
Наркоманы Вы какие-то...
__________________
Россия - Калининград.
Границы разные, страна - одна.

Я хотел бы служить кондуктором в трамвае, а уж хуже этой работы нет ничего на свете.
Суховерша Алексей вне форума   Цитировать 1
Старый 01.11.2017, 22:37   #155 (ссылка)
Super V.I.P.
 
Аватар для Adagumer

Регистрация: 16.02.2012
Сообщений: 5,272
Поблагодарил: 6720 раз(а)
Поблагодарили 977 раз(а)
Фотоальбомы: не добавлял
Репутация: 1704
Цитата:
Сообщение от Суховерша Алексей
Наркоманы Вы какие-то
Одним словом не СЦБисты!
Adagumer вне форума   Цитировать 0
Старый 01.11.2017, 22:48   #156 (ссылка)
Super V.I.P.
 
Аватар для Суховерша Алексей

Регистрация: 24.01.2011
Адрес: Калининград
Возраст: 63
Сообщений: 9,085
Поблагодарил: 1796 раз(а)
Поблагодарили 2156 раз(а)
Фотоальбомы: 710 фото
Репутация: 673
Цитата:
Сообщение от Adagumer Посмотреть сообщение
Одним словом не СЦБисты!
Ништяк, точно.
__________________
Россия - Калининград.
Границы разные, страна - одна.

Я хотел бы служить кондуктором в трамвае, а уж хуже этой работы нет ничего на свете.
Суховерша Алексей вне форума   Цитировать 1
Старый 01.11.2017, 22:53   #157 (ссылка)
V.I.P.
 
Аватар для Bram

Регистрация: 27.09.2012
Адрес: Уфа, с. Нагаево
Возраст: 60
Сообщений: 441
Поблагодарил: 60 раз(а)
Поблагодарили 64 раз(а)
Фотоальбомы: не добавлял
Репутация: 114
Цитата:
Сообщение от геракл Посмотреть сообщение
Заземление и нуль в одной точке . К моей избе подходит одна фаза.
Это и ежу понятно. ( глухозаземленная нейтраль)
Ну так как с измерениями относительно земли?
Bram вне форума   Цитировать 0
Старый 01.11.2017, 22:58   #158 (ссылка)
Super V.I.P.
 
Аватар для Суховерша Алексей

Регистрация: 24.01.2011
Адрес: Калининград
Возраст: 63
Сообщений: 9,085
Поблагодарил: 1796 раз(а)
Поблагодарили 2156 раз(а)
Фотоальбомы: 710 фото
Репутация: 673
Цитата:
Ну так как с измерениями относительно земли?
Отвечаю за Радистов: всё нормально, относительно Земли Луна, Солнце и другие Галлактики со своими Солнцами вращаются, по утвержденным физико-математическим законам
__________________
Россия - Калининград.
Границы разные, страна - одна.

Я хотел бы служить кондуктором в трамвае, а уж хуже этой работы нет ничего на свете.
Суховерша Алексей вне форума   Цитировать 1
Старый 02.11.2017, 08:24   #159 (ссылка)
V.I.P.
 
Аватар для Bram

Регистрация: 27.09.2012
Адрес: Уфа, с. Нагаево
Возраст: 60
Сообщений: 441
Поблагодарил: 60 раз(а)
Поблагодарили 64 раз(а)
Фотоальбомы: не добавлял
Репутация: 114
Цитата:
Сообщение от геракл Посмотреть сообщение
ночью 248-250 . днем 240 - 245.
Тебе крупно повезло.
Трансформатор на 20...24 В. имеется?
Bram вне форума   Цитировать 0
Старый 02.11.2017, 09:57   #160 (ссылка)
Кандидат в V.I.P.
 
Аватар для геракл

Регистрация: 06.11.2015
Сообщений: 115
Поблагодарил: 8 раз(а)
Поблагодарили 12 раз(а)
Фотоальбомы: не добавлял
Репутация: -12
Цитата:
Сообщение от Bram Посмотреть сообщение
Тебе крупно повезло.
Трансформатор на 20...24 В. имеется?
Bram - https://youtu.be/59tu9QsKBEI
геракл вне форума   Цитировать 0
Старый 02.11.2017, 12:09   #161 (ссылка)
V.I.P.
 
Аватар для Bram

Регистрация: 27.09.2012
Адрес: Уфа, с. Нагаево
Возраст: 60
Сообщений: 441
Поблагодарил: 60 раз(а)
Поблагодарили 64 раз(а)
Фотоальбомы: не добавлял
Репутация: 114
геракл, https://youtu.be/YXTLt0Y2vGg
Bram вне форума   Цитировать 0
Старый 02.11.2017, 15:23   #162 (ссылка)
Кандидат в V.I.P.
 
Аватар для геракл

Регистрация: 06.11.2015
Сообщений: 115
Поблагодарил: 8 раз(а)
Поблагодарили 12 раз(а)
Фотоальбомы: не добавлял
Репутация: -12
Цитата:
Сообщение от геракл Посмотреть сообщение
#151
Bram вы Как Спец по Панорамным КСВ метрам - проинформируйте как сделать электроное управление переключения симисторов на отводах автотрансформатора , конечно можно проще - в ручную переключать.
геракл вне форума   Цитировать 0
Старый 02.11.2017, 17:27   #163 (ссылка)
V.I.P.
 
Аватар для Bram

Регистрация: 27.09.2012
Адрес: Уфа, с. Нагаево
Возраст: 60
Сообщений: 441
Поблагодарил: 60 раз(а)
Поблагодарили 64 раз(а)
Фотоальбомы: не добавлял
Репутация: 114
геракл, если напряжение стабильно завышено и не колбасит более чем 20 в. , то переключать вручную (сезонно) с помощью одного трансформатора 220-24.

Bram добавил 02.11.2017 в 17:07
Схему надо?

Bram добавил 02.11.2017 в 17:27
Ваши электрики молодцы. Предвидя холода и повышенную нагрузку ( падение напряжение) на проводнике, заблаговременно повысили напругу. Они увидели завтрашний день. Малость переборщили, да и хрен с ним. В декабре и далее будет норма.

Последний раз редактировалось Bram; 02.11.2017 в 17:27. Причина: Добавлено сообщение
Bram вне форума   Цитировать 0
Старый 02.11.2017, 17:34   #164 (ссылка)
Кандидат в V.I.P.
 
Аватар для геракл

Регистрация: 06.11.2015
Сообщений: 115
Поблагодарил: 8 раз(а)
Поблагодарили 12 раз(а)
Фотоальбомы: не добавлял
Репутация: -12
Цитата:
Сообщение от Bram Посмотреть сообщение
если напряжение стабильно завышено и не колбасит более чем 20 в. , то переключать вручную (сезонно) с помощью одного трансформатора 220-24.

тото и оно ШО колбаситъ
Цитата:
Сообщение от Bram Посмотреть сообщение
Схему надо?
а то як же - так яж за то

Последний раз редактировалось геракл; 02.11.2017 в 17:38.
геракл вне форума   Цитировать 0
Старый 02.11.2017, 17:55   #165 (ссылка)
V.I.P.
 
Аватар для Bram

Регистрация: 27.09.2012
Адрес: Уфа, с. Нагаево
Возраст: 60
Сообщений: 441
Поблагодарил: 60 раз(а)
Поблагодарили 64 раз(а)
Фотоальбомы: не добавлял
Репутация: 114
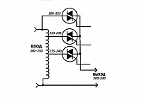
Нижняя схема.
http://www.infoorel.ru/forum%2Fuser_...6ec1ff673c.gif

Последний раз редактировалось Bram; 02.11.2017 в 18:42.
Bram вне форума   Цитировать 0
Похожие темы
Тема Автор Раздел Ответов Последнее сообщение
Прошу помощи NatashaE Курсовое и дипломное проектирование 4 30.01.2013 09:01
=Ищу= Прошу помощи) kukla2742 Курсовое и дипломное проектирование 0 04.06.2012 22:10
=Отчет по практике= Прошу помощи chuck45rus Курсовое и дипломное проектирование 1 27.04.2012 19:57
Прошу помощи Persona Движенцы 8 19.02.2012 18:47
прошу помощи людмила федотова Движенцы 7 12.02.2012 12:53

Ответить в этой теме   Перейти в раздел этой темы   Translate to English

Возможно вас заинтересует информация по следующим меткам (темам):
, , , , , , , , , , , , , , , , , , , , ,


Здесь присутствуют: 1 (пользователей: 0 , гостей: 1)
 

Ваши права в разделе
Вы не можете создавать новые темы
Вы не можете отвечать в темах
Вы не можете прикреплять вложения
Вы не можете редактировать свои сообщения

BB коды Вкл.
Смайлы Вкл.
[IMG] код Вкл.
HTML код Выкл.
Trackbacks are Вкл.
Pingbacks are Вкл.
Refbacks are Выкл.



Часовой пояс GMT +3, время: 20:24.

Яндекс.Метрика Справочник 
сцбист.ру сцбист.рф

СЦБИСТ (ранее назывался: Форум СЦБистов - Railway Automation Forum) - крупнейший сайт работников локомотивного хозяйства, движенцев, эсцебистов, путейцев, контактников, вагонников, связистов, проводников, работников ЦФТО, ИВЦ железных дорог, дистанций погрузочно-разгрузочных работ и других железнодорожников.
Связь с администрацией сайта: admin@scbist.com
1 2 3 4 5 6 7 8 9 10 11 12 13 14 15 16 17 18 19 20 21 22 23 24 25 26 27 28 29 30 31 32 33 34 
Powered by vBulletin® Version 3.8.1
Copyright ©2000 - 2026, Jelsoft Enterprises Ltd.
Powered by NuWiki v1.3 RC1 Copyright ©2006-2007, NuHit, LLC Перевод: zCarot