СЦБИСТ - железнодорожный форум, блоги, фотогалерея, социальная сеть
Вернуться   СЦБИСТ - железнодорожный форум, блоги, фотогалерея, социальная сеть > Эксплуатация железных дорог, вагоны, контактная сеть, связь, коммерческая работа > Метрополитены > Статьи (метро)
Закладки ДневникиПоддержка Сообщество Комментарии к фото Сообщения за день
Ответить в этой теме   Перейти в раздел этой темы    
 
В мои закладки Подписка на тему по электронной почте Отправить другу по электронной почте Опции темы Поиск в этой теме
Старый 26.05.2012, 23:05   #1 (ссылка)
Crow indian
 
Аватар для Admin

Регистрация: 21.02.2009
Возраст: 40
Сообщений: 30,186
Поблагодарил: 398 раз(а)
Поблагодарили 6019 раз(а)
Фотоальбомы: 2622 фото
Записей в дневнике: 893
Репутация: 126146

Тема: Вагоны метро. Карданная муфта


Вагоны метро. Карданная муфта


Связь тягового двигателя с редуктором колесной пары при опорнорамном подвешивании двигателя осуществляют с помощью карданной муфты, которая передает вращающий момент и позволяет компенсировать относительные перемещения между валами двигателя и шестерни редуктора. Перемещения валов, возникающие при движении вагона, могут происходить одновременно в горизонтальной и вертикальной плоскостях: в горизонтальной плоскости — в результате разбега колесной пары, т. е. возможности ее движения относительно рамы тележки как в продольном, так и в поперечном направлениях; в вертикальной — при просадке пружин буксового подвешивания, компенсирующего неровности рельсового пути и нагрузку от веса пассажиров.

Карданная муфта допускает: параллельное смещение валов до 8 мм; угловое до 2,5°; смещение осей до 10 мм.

Карданная муфта (рис. 46) состоит из двух одинаковых полумуфт, смонтированных на валах тягового электродвигателя, и шестерни редуктора колесной пары. Каждая полу-муфта включает: кулачок 6, вилку 10, стакан 3, зажимное кольцо 8, щит 7, гайку 5 со стопорной шайбой 4, четыре болта М12X85 2 с контргайками /, прокладки 9, 13. При окончательном монтаже карданной муфты устанавливают центрирующую шайбу 14 и прокладку 12. Полумуфты соединяются четырьмя при-зонными болтами 11 с гайками и пружинными шайбами.

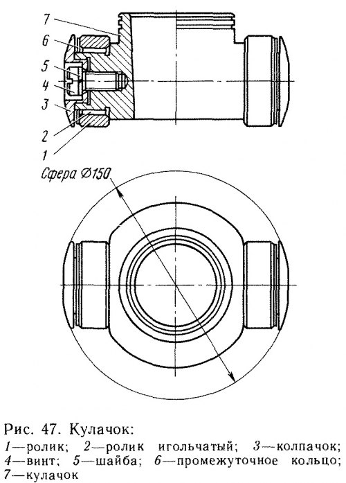
Кулачок (рис. 47) представляет толстостенную втулку с коническим отверстием конусностью 1:10, а также двумя цапфами диаметром 37 мм.

Изготавливают кулачок из стали 20ХНЗА методом штамповки с последующей механической обработкой. Конусное отверстие и цилиндрические поверхности цапф подвергают цементации и закаливают для увеличения износостойкости рабочих поверхностей.

При изготовлении к кулачку предъявляют высокие требования относительно точности исполнения геометрических параметров. Готовый кулачок проверяют на магнитном дефектоскопе. Дефекты не допускаются. Вращение при пуске двигателя передается через цапфы кулачка, посаженного на конусную часть вала якоря, вилке, соединенной болтами с вилкой второй полумуфты, смонтированной на валу шестерни редуктора колесной пары.


В местах контакта цапф кулачков с рабочими поверхностями вилок происходит интенсивный износ соприкасающихся поверхностей. Для уменьшения износа трущихся элементов цапфы кулачка выполнены в виде подшипников. На цапфу кулачка надевается ролик, который имеет вид кольца шириной 20 мм с внутренним диаметром 43,3 мм.

Ролик изготавливают из стали 18Х2Н4ВА. Цементируют на глубину до 2 мм, закаливают для увеличения прочности и износостойкости.

В зазор между роликом и цапфой, который образуется за счет разности диаметров, устанавливают 42 игольчатых ролика диаметром 3 мм и_ длиной 19,8 мм, которые подбирают по диаметру. Разница диаметров допускается не более 0,005 мм.


Наружное кольцо подшипника, т. е. ролик и игольчатые ролики на рабочей поверхности цапфы, фиксируют колпачком из стали марки 12ХНЗА. Рабочие поверхности цементируют и закаливают. При сборке кулачка цилиндрическую часть колпачка вставляют в гнездо цапфы. Через центральное отверстие колпачок крепят специальным винтом с пружинной шайбой. Ролик и иглы упираются в заплечики колпачка через упорную шайбу, которую изготавливают из стали 20, цианируют на глубину 0,2 мм, закаливают для обеспечения необходимой твердости рабочих поверхностей и шлифуют с двух сторон до толщины 2,85 мм.

Все детали подшипников кулачка необходимо смазать индустриальным маслом. Ролик и шайба в собранном кулачке должны свободно вращаться, без защемления.

Вилка — корпус карданной муфты представляет собой втулку с наружным диаметром 150 мм. С одного торца вилки имеется фланец толщиной 15 мм, на другом торце в цилиндрической части сделаны два диаметрально расположенных выреза шириной 64 мм и глубиной 67 мм. При монтаже полумуфты в эти вырезы входят ролики кулачка.

Опорные поверхности вырезов наплавлены твердым сплавом Сормайт Пр С 1 для увеличения твердости и износостойкости. Места наплавки твердым сплавом шлифуют до размера диаметра ролика кулачка 60£8:? мм.

Смещение оси паза относительно поверхности наружного диаметра вилки допускается не более 0,1 мм.

На фланце имеется 8 отверстий,

4 резьбовых под стяжные болты М12 и 4 отверстия диаметром 16 мм под при зонные болты, которые соединяют две полумуфты.

Отверстия диаметром 16 мм обрабатывают совместно на двух вилках, после чего на поверхностях наружных диаметров фланцев наносят контрольные риски, а вилки маркируют одним порядковым номером.

В стенке цилиндрической части вилки просверлены два отверстия диаметром 30 мм, через которые полость карданной муфты пополняется смазкой в процессе эксплуатации.

Вилки изготавливают методом штамповки с последующей механической обработкой из стали 35. При окончательном контроле вилки проверяют на магнитном дефектоскопе, дефекты не допускаются.

Стакан надевают на цилиндрическую часть вилки, при этом он перекрывает вырезы для роликов кулачка, а также отверстия для смазки. На наружной поверхности с одного торца на стакане имеется бурт для 54
упора в него зажимного кольца, а в боковой стенке стакана — два резьбовых отверстия для пробок. При монтаже полумуфты стакан размещают так, чтобы резьбовые отверстия под пробки совпадали с отверстиями диаметром 30 мм в вилках.

Пробки в стакане устанавливают с пружинными шайбами. Стаканы выполняют из стали 20Х, подвергаются цементации и закалке для обеспечения твердости HRC 54—62.

Внутренняя поверхность стакана обрабатывается на шлифовальном станке до диаметра 150 + 0,08 мм. Термообработка стакана необходима для увеличения износостойкости поверхностей в местах контакта с колпачками кулачков.

Зажимное кольцо, изготавливаемое из стали 35, имеет 4 отверстия под стяжные болты Ml2 в соответствии с отверстиями во фланце вилки. Кольцо крепит уплотнительный щит к бурту стакана, а стяжными болтами прижимает стакан к фланцу вилки.

Щит закрывает полость полумуфты со стороны вала шестерни редуктора или тягового двигателя и служит для удержания смазки внутри муфты. Щит выполняют методом штамповки из стального листа толщиной 1,2 мм. Он имеет вид чашки с круглым отверстием диаметром 83 мм в дне. Кромки отверстия отбортованы в виде желоба (для отвода смазки).

При посадке кулачка на коническую часть вала якоря тягового двигателя н шестерни редуктора дополнительное его крепление осуществляют при помощи сферической гайки и стопорной шайбы.

Гайку (рис. 48) изготавливают из стали 20Х. Сферическую поверхность гайки цементируют на глубину до 1,5 мм и термообрабатывают до твердости HRC 54—62 для увеличения износостойкости рабочей поверхности. Шайба имеет два стопорных лепестка, которые загибают после затяжки гайки: один — в специальный вырез на кулачке, другой — на грань гайки.


Шайбу выполняют из стального листа толщиной 2 мм.

При окончательной сборке карданной муфты в выточку фланца одной из вилок устанавливают на половину толщины центрирующую шайбу (рис. 49) или прокладку.

Прокладка выполнена в виде диска диаметром 130 мм и толщиной 14 мм, по наружному диаметру имеет 8 полукруглых вырезов и 2 сквозных диаметрально расположенных отверстия диаметром 16 мм на расстоянии 38 мм от центра. Отверстия и вырезы необходимы для циркуляции' смазки в полости муфты.

В центре прокладки с обеих сторон имеется утолщение диаметром 45 мм со сферическими углублениями. Радиус сферы 65 мм. В эти углубления упираются гайки крепления кулачков, ограничивая свободный ход карданной муфты вдоль оси вала двигателя и шестерни редуктора. Центральную часть прокладки термообрабатывают до твердости HRC 54 и более. Изготавливают прокладку из стали 45. В местах соединения полумуфт, между фланцами вилок, а также в соединениях стакана с вилкой и зажимного кольца со щитом и стаканом устанавливают уплотнительные прокладки из прокладочного картона марки А толщиной 0,3 мм или паронита толщиной 1 мм. Прокладки выполнены в виде колец.

Соединение двух полумуфт производят четырьмя призонными болтами с резьбой Ml 4. Болты изготавливают из стали 40Х и термообрабатывают. Рабочую, посадочную часть болта диаметром 16±0,06 мм шлифуют на станке.


Передача муфтой вращающего момента происходит следующим образом. Кулачок полумуфты, смонтированный на валу тягового двигателя, при его вращении передает усилие цапфами на упоры вилки, соединенной призонными болтами с вилкой другой полумуфты, которая в свою очередь закреплена на валу-шестерне редуктора. С вилки этой полумуфты вращающее усилие передается кулачку, закрепленному на валу-шестерне редуктора колесной пары.

При движении вагона в карданной муфте происходит непрерывное трение отдельных металлических частей, поэтому для их смазывания в каждую полумуфту закладывают по 0,5 кг смазки.

По принципу действия карданную муфту относят к универсальным шарнирам. Неподвижными элементами в ней являются кулачки, а подвижными — корпус (вилки со стаканами и центрирующая шайба). Корпус муфты в процессе ее работы не имеет определенного положения и может располагаться наклонно в пространстве и перемещаться вдоль оси валов.

За время эксплуатации отечественных вагонов с рамным подвешиванием тяговых двигателей узел карданной муфты модернизировался очень мало, за исключением внесения незначительных изменений в конструкции кулачка и вилки.
Admin вне форума   Цитировать 14
Похожие темы
Тема Автор Раздел Ответов Последнее сообщение
[Статья: Метро] Вагоны метро. Подвешивание тяговых электродвигателей и редуктора Admin Статьи (метро) 0 26.05.2012 21:26
[Статья: Метро] Вагоны метро. Центральное подвешивание Admin Статьи (метро) 0 26.05.2012 21:19
[Статья: Метро] Вагоны метро. Букса и буксовое подвешивание Admin Статьи (метро) 0 25.05.2012 09:07
[Статья: Метро] Вагоны метро. Колесная пара и зубчатая передача Admin Статьи (метро) 0 25.05.2012 08:25
[Статья: Метро] Вагоны метро. Рама тележки Admin Статьи (метро) 0 25.05.2012 08:10

Ответить в этой теме   Перейти в раздел этой темы   Translate to English

Возможно вас заинтересует информация по следующим меткам (темам):
, ,


Здесь присутствуют: 1 (пользователей: 0 , гостей: 1)
 

Ваши права в разделе
Вы не можете создавать новые темы
Вы не можете отвечать в темах
Вы не можете прикреплять вложения
Вы не можете редактировать свои сообщения

BB коды Вкл.
Смайлы Вкл.
[IMG] код Вкл.
HTML код Выкл.
Trackbacks are Вкл.
Pingbacks are Вкл.
Refbacks are Выкл.



Часовой пояс GMT +3, время: 05:22.

Яндекс.Метрика Справочник 
сцбист.ру сцбист.рф

СЦБИСТ (ранее назывался: Форум СЦБистов - Railway Automation Forum) - крупнейший сайт работников локомотивного хозяйства, движенцев, эсцебистов, путейцев, контактников, вагонников, связистов, проводников, работников ЦФТО, ИВЦ железных дорог, дистанций погрузочно-разгрузочных работ и других железнодорожников.
Связь с администрацией сайта: admin@scbist.com
1 2 3 4 5 6 7 8 9 10 11 12 13 14 15 16 17 18 19 20 21 22 23 24 25 26 27 28 29 30 31 32 33 34 
Powered by vBulletin® Version 3.8.1
Copyright ©2000 - 2026, Jelsoft Enterprises Ltd.
Powered by NuWiki v1.3 RC1 Copyright ©2006-2007, NuHit, LLC Перевод: zCarot