СЦБИСТ - железнодорожный форум, блоги, фотогалерея, социальная сеть
Вернуться   СЦБИСТ - железнодорожный форум, блоги, фотогалерея, социальная сеть > Эксплуатация устройств СЦБ > Постовое и напольное оборудование > Переездная сигнализация
Закладки ДневникиПоддержка Социальные группы Поиск Сообщения за день Все разделы прочитаны Комментарии к фото Сообщения за день
Ответить в этой теме   Перейти в раздел этой темы    
 
В мои закладки Подписка на тему по электронной почте Отправить другу по электронной почте Опции темы Поиск в этой теме
Старый 03.02.2015, 09:29   #31 (ссылка)
V.I.P.

Автор темы
 
Аватар для dagon

Регистрация: 18.05.2009
Сообщений: 189
Поблагодарил: 61 раз(а)
Поблагодарили 24 раз(а)
Фотоальбомы: 1 фото
Репутация: 6
Цитата:
Ставить изолирующий транс.
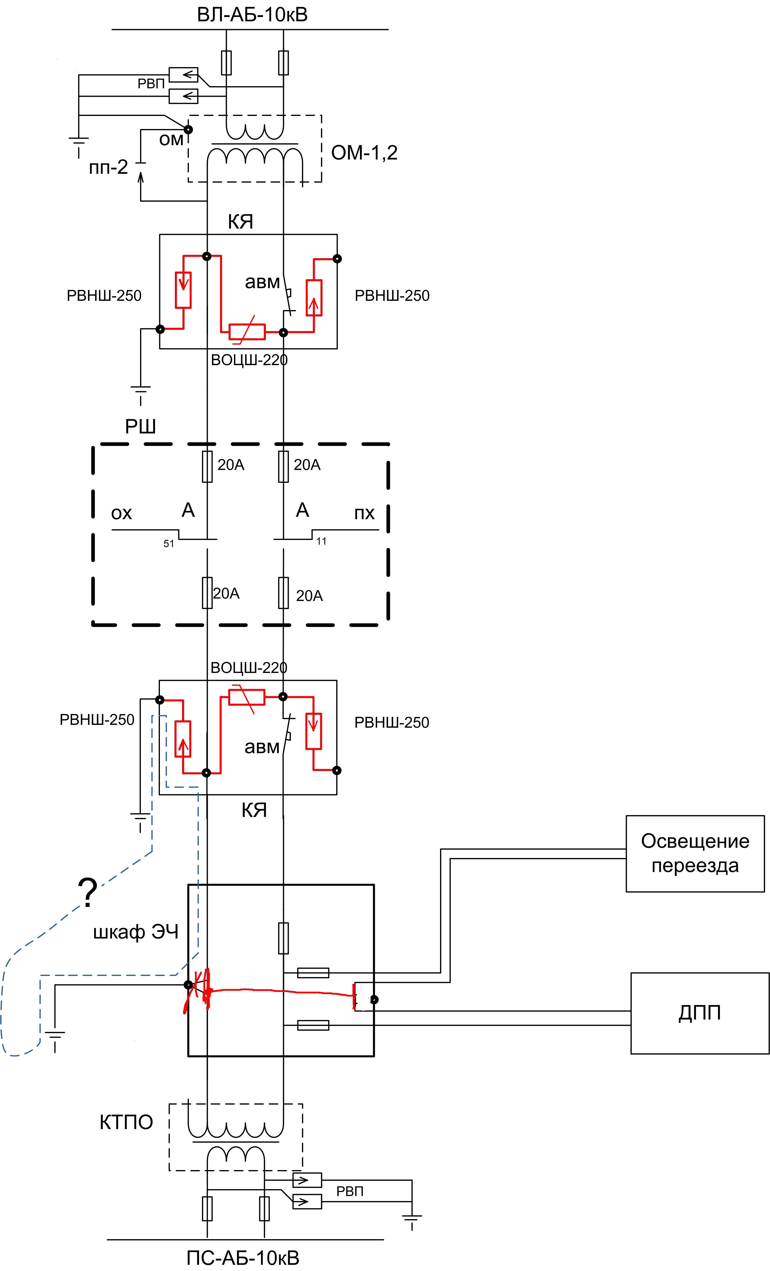
есть случаи, что у нас (в РШ) ставили? (потому как все равно питание не изолированное будет входить в РШ) или добиться изолированного питания от ЭЧ.
Цитата:
Пробивной на Омике срабатывал?
говорят, что не срабатывал.

Последний раз редактировалось dagon; 03.02.2015 в 13:29.
dagon вне форума   Цитировать 0
Старый 03.02.2015, 09:50   #32 (ссылка)
Корифей СЦБ
 
Аватар для Александр

Регистрация: 25.02.2009
Адрес: Ленинград
Возраст: 49
Сообщений: 9,617
Поблагодарил: 1617 раз(а)
Поблагодарили 2351 раз(а)
Фотоальбомы: 1 фото
Репутация: 1386
Цитата:
Сообщение от dagon
есть случаи, что у нас ставили? (потому как все равно питание не изолированное будет входить в РШ) или добиться изолированного питания от ЭЧ.
Нельзя к нам неизолированное. Весь смысл теряется.
И, кстати, по электробезопасности у нас нельзя неизолированное, так как корпуса трансов, авариек, БПШ не заземляем. пробьёт АСШ на корпус, а ШН и схватится за реле.
__________________
"Не думай. Думаешь - не говори. Думаешь и говоришь - не пиши. Думаешь, говоришь и пишешь - не подписывай. Думаешь, говоришь, пишешь и подписываешь - не удивляйся."
Ф.Э. Дзержинский.
Александр вне форума   Цитировать 2
Поблагодарили:
Данный пост получил благодарности от пользователей
Старый 03.02.2015, 11:57   #33 (ссылка)
V.I.P.
 
Аватар для Rafa

Регистрация: 24.10.2009
Адрес: МОЙДОДЫР
Сообщений: 5,650
Поблагодарил: 388 раз(а)
Поблагодарили 577 раз(а)
Фотоальбомы: не добавлял
проще сделать так.

и обходных не будет.

Rafa вне форума   Цитировать 1
Старый 03.02.2015, 12:05   #34 (ссылка)
Super V.I.P.
 
Аватар для KPV

Регистрация: 27.09.2009
Сообщений: 615
Поблагодарил: 53 раз(а)
Поблагодарили 267 раз(а)
Фотоальбомы: не добавлял
Репутация: 358
Цитата:
Сообщение от dagon
есть случаи, что у нас ставили? (потому как все равно питание не изолированное будет входить в РШ) или добиться изолированного питания от ЭЧ.
Неизолированное питание для резерва - нарушение п.3.25 ВНТП МПС-84 Электроснабжение устройств СЦБ и электросвязи железных дорог. Выхода в Вашем случае два:
1) установка изолирующего трансформатора для резерва СЦБ;
2) питание резерва переезда от отдельного трансформатора с изолированной нейтралью.
В обоих случаях это проблема энергетиков.
KPV вне форума   Цитировать 0
Поблагодарили:
Данный пост получил благодарности от пользователей
Старый 03.02.2015, 12:17   #35 (ссылка)
Корифей СЦБ
 
Аватар для Александр

Регистрация: 25.02.2009
Адрес: Ленинград
Возраст: 49
Сообщений: 9,617
Поблагодарил: 1617 раз(а)
Поблагодарили 2351 раз(а)
Фотоальбомы: 1 фото
Репутация: 1386
Цитата:
Сообщение от Rafa
проще сделать так.
и обходных не будет.
Проще. Но нельзя. ПУЭ нарушат, а они для ЭЧ "святое", в отличии от наших норм.
__________________
"Не думай. Думаешь - не говори. Думаешь и говоришь - не пиши. Думаешь, говоришь и пишешь - не подписывай. Думаешь, говоришь, пишешь и подписываешь - не удивляйся."
Ф.Э. Дзержинский.
Александр вне форума   Цитировать 2
Поблагодарили:
Данный пост получил благодарности от пользователей
Старый 03.02.2015, 12:24   #36 (ссылка)
V.I.P.
 
Аватар для Rafa

Регистрация: 24.10.2009
Адрес: МОЙДОДЫР
Сообщений: 5,650
Поблагодарил: 388 раз(а)
Поблагодарили 577 раз(а)
Фотоальбомы: не добавлял
если пробился рвнш-250 - значит синусоиды от транса основного и резервного питания были в противофазе.

вывод: нужно поменять выводы вторички транса основного или рез. пит.

Rafa добавил 03.02.2015 в 14:24
Цитата:
Проще. Но нельзя. ПУЭ нарушат, а они для ЭЧ "святое", в отличии от наших норм.

значит пусть горят дальше шкафы.

Последний раз редактировалось Rafa; 03.02.2015 в 12:24. Причина: Добавлено сообщение
Rafa вне форума   Цитировать 1
Старый 03.02.2015, 12:30   #37 (ссылка)
Корифей СЦБ
 
Аватар для Александр

Регистрация: 25.02.2009
Адрес: Ленинград
Возраст: 49
Сообщений: 9,617
Поблагодарил: 1617 раз(а)
Поблагодарили 2351 раз(а)
Фотоальбомы: 1 фото
Репутация: 1386
Цитата:
Сообщение от Rafa
значит пусть горят дальше шкафы.
Артём, вопрос на сообразительность. На своей исправленной схеме посмотри на организацию основного и резервного питания, и скажи, на каком фидере проще пощупать пальцами 10кВ. И почему.
__________________
"Не думай. Думаешь - не говори. Думаешь и говоришь - не пиши. Думаешь, говоришь и пишешь - не подписывай. Думаешь, говоришь, пишешь и подписываешь - не удивляйся."
Ф.Э. Дзержинский.
Александр вне форума   Цитировать 2
Старый 03.02.2015, 12:43   #38 (ссылка)
V.I.P.
 
Аватар для Rafa

Регистрация: 24.10.2009
Адрес: МОЙДОДЫР
Сообщений: 5,650
Поблагодарил: 388 раз(а)
Поблагодарили 577 раз(а)
Фотоальбомы: не добавлял
Цитата:
Сообщение от Александр Посмотреть сообщение
на каком фидере проще пощупать пальцами 10кВ. И почему.
вопрос не понял... всмысле пощупать пальцем 10кв

речь вроде за 220 В
Rafa вне форума   Цитировать 1
Старый 03.02.2015, 12:48   #39 (ссылка)
ЛИИЖТ АТ-103 (1981-1986)
 
Аватар для Просто инженер АиТ

Регистрация: 16.10.2012
Адрес: Где резной палисад
Возраст: 65
Сообщений: 980
Поблагодарил: 220 раз(а)
Поблагодарили 140 раз(а)
Фотоальбомы: не добавлял
Репутация: 380
По защите от перенапряжений (ПН) у меня своё собственное мнение. Меня всегда очень удивляет, когда обсуждая защиту от ПН рассуждают с точки зрения постоянного тока, при этом полностью забывая, что это импульс с очень крутыми фронтами (считай переменный ток очень большой частоты, разложите в ряд Фурье этот импульс), а поэтому не следует забывать об индуктивностях и емкостях в цепях защиты от ПН. Всегда следует помнить, что эл. Ток - НЕ ДУРАК, идёт по пути наименьшего сопротивления к точке с максимальной разностью потенциалов (напряжения).
Таким образом слишком длинное соединение к заземлению может обладать очень большим сопротивлением (Z) при этом постоянная составляющая может быть не большой.
Далее по моему мнению следует различать заземление защищающее человека и заземление защищающее аппаратуру. Соединяя защитные устройства на корпус вы даёте возможность повышенному потенциалу растечься (не думайте, что ток прямо сразу потечёт к заземлению) и где, в каком месте окажется максимальная разность потенциалов предсказать сложно.
Я могу ошибаться, но у меня есть СОБСТВЕННОЕ МНЕНИЕ!
__________________
Не важна реальность, важно как мы к ней относимся!
Просто инженер АиТ вне форума   Цитировать 0
Старый 03.02.2015, 13:16   #40 (ссылка)
Корифей СЦБ
 
Аватар для Александр

Регистрация: 25.02.2009
Адрес: Ленинград
Возраст: 49
Сообщений: 9,617
Поблагодарил: 1617 раз(а)
Поблагодарили 2351 раз(а)
Фотоальбомы: 1 фото
Репутация: 1386
Цитата:
Сообщение от Rafa
вопрос не понял... всмысле пощупать пальцем 10кв

речь вроде за 220 В
В прямом смысле. Найти в РШ 10кВ.

Точнее, попасть под 10кВ.
__________________
"Не думай. Думаешь - не говори. Думаешь и говоришь - не пиши. Думаешь, говоришь и пишешь - не подписывай. Думаешь, говоришь, пишешь и подписываешь - не удивляйся."
Ф.Э. Дзержинский.
Александр вне форума   Цитировать 2
Старый 03.02.2015, 13:21   #41 (ссылка)
V.I.P.
 
Аватар для Rafa

Регистрация: 24.10.2009
Адрес: МОЙДОДЫР
Сообщений: 5,650
Поблагодарил: 388 раз(а)
Поблагодарили 577 раз(а)
Фотоальбомы: не добавлял
Цитата:
Сообщение от Александр Посмотреть сообщение
В прямом смысле. Найти в РШ 10кВ.
ну наверное проще основной. пробивной предохранитель висит

вон.

Rafa добавил 03.02.2015 в 15:21
только если трехфазка с заземленной нейтралью , то

Последний раз редактировалось Rafa; 03.02.2015 в 13:21. Причина: Добавлено сообщение
Rafa вне форума   Цитировать 1
Старый 03.02.2015, 13:25   #42 (ссылка)
V.I.P.

Автор темы
 
Аватар для dagon

Регистрация: 18.05.2009
Сообщений: 189
Поблагодарил: 61 раз(а)
Поблагодарили 24 раз(а)
Фотоальбомы: 1 фото
Репутация: 6
Цитата:
проще пощупать пальцами 10кВ.
если в смысле получить поражение при пробое трансформатора, то наверно от второго фидера на схеме без соединения одного вывода тр-ра с землей. И поэтому ?
Цитата:
Но нельзя. ПУЭ нарушат, а они для ЭЧ "святое", в отличии от наших норм.
dagon вне форума   Цитировать 0
Старый 03.02.2015, 13:29   #43 (ссылка)
Корифей СЦБ
 
Аватар для Александр

Регистрация: 25.02.2009
Адрес: Ленинград
Возраст: 49
Сообщений: 9,617
Поблагодарил: 1617 раз(а)
Поблагодарили 2351 раз(а)
Фотоальбомы: 1 фото
Репутация: 1386
Цитата:
Сообщение от Rafa
ну наверное проще основной. пробивной предохранитель висит
вон.
Rafa добавил 03.02.2015 в 15:21
только если трехфазка с заземленной нейтралью , то
пробивной ты правильно заметил.
Только вывод сделал неправильный.
Пробивной на ОМике защищает при попадании 10кВ на вторичку при пробое обмоток транса.
Заземление вторички на КТПО тоже.
__________________
"Не думай. Думаешь - не говори. Думаешь и говоришь - не пиши. Думаешь, говоришь и пишешь - не подписывай. Думаешь, говоришь, пишешь и подписываешь - не удивляйся."
Ф.Э. Дзержинский.
Александр вне форума   Цитировать 2
Старый 03.02.2015, 13:57   #44 (ссылка)
V.I.P.
 
Аватар для Rafa

Регистрация: 24.10.2009
Адрес: МОЙДОДЫР
Сообщений: 5,650
Поблагодарил: 388 раз(а)
Поблагодарили 577 раз(а)
Фотоальбомы: не добавлял
Цитата:
Сообщение от Александр Посмотреть сообщение
Пробивной на ОМике защищает при попадании 10кВ на вторичку
на вторичку при пробое оно попадет само-собой. схемно так было

задуманно.

через рвнш-250 потом на землю.

если трехфазка с зеземлееной нейтралью - то в первичке сгорят

предохранители.

Rafa добавил 03.02.2015 в 15:47
только пробой должен быть как минимум на корпус.

Rafa добавил 03.02.2015 в 15:51
Цитата:
Сообщение от dagon Посмотреть сообщение
если в смысле получить поражение при пробое трансформатора, то наверно от второго фидера на схеме без соединения одного вывода тр-ра с землей. И поэтому ?
если обмотка транса не связана с землей - то поражения не

будет.

Rafa добавил 03.02.2015 в 15:57
.............


если трехфазная з заз. нейтр. то пробивной и не нужен.

Последний раз редактировалось Rafa; 03.02.2015 в 13:57. Причина: Добавлено сообщение
Rafa вне форума   Цитировать 1
Старый 03.02.2015, 13:58   #45 (ссылка)
Корифей СЦБ
 
Аватар для Александр

Регистрация: 25.02.2009
Адрес: Ленинград
Возраст: 49
Сообщений: 9,617
Поблагодарил: 1617 раз(а)
Поблагодарили 2351 раз(а)
Фотоальбомы: 1 фото
Репутация: 1386
Цитата:
Сообщение от Rafa
на вторичку при пробое оно попадет само-собой. схемно так было задуманно.
Ты со здравым смыслом вообще дружишь?
Придумать схему, чтобы специально привести 10кВ на вторичку?
Тебе можно смело доверить такое непростое дело, как модернизация электростула.
__________________
"Не думай. Думаешь - не говори. Думаешь и говоришь - не пиши. Думаешь, говоришь и пишешь - не подписывай. Думаешь, говоришь, пишешь и подписываешь - не удивляйся."
Ф.Э. Дзержинский.
Александр вне форума   Цитировать 2
Похожие темы
Тема Автор Раздел Ответов Последнее сообщение
Нужна помощь(реле АСШ2) massy Постовое и напольное оборудование 8 17.04.2012 19:58
Розетка к фильтру ФПМ Priorat Рельсовые цепи, счетчики осей 2 14.04.2011 11:58

Ответить в этой теме   Перейти в раздел этой темы   Translate to English

Возможно вас заинтересует информация по следующим меткам (темам):
, ,


Здесь присутствуют: 1 (пользователей: 0 , гостей: 1)
 
Опции темы Поиск в этой теме
Поиск в этой теме:

Расширенный поиск

Ваши права в разделе
Вы не можете создавать новые темы
Вы не можете отвечать в темах
Вы не можете прикреплять вложения
Вы не можете редактировать свои сообщения

BB коды Вкл.
Смайлы Вкл.
[IMG] код Вкл.
HTML код Выкл.
Trackbacks are Вкл.
Pingbacks are Вкл.
Refbacks are Выкл.



Часовой пояс GMT +3, время: 04:12.

Яндекс.Метрика Справочник 
сцбист.ру сцбист.рф

СЦБИСТ (ранее назывался: Форум СЦБистов - Railway Automation Forum) - крупнейший сайт работников локомотивного хозяйства, движенцев, эсцебистов, путейцев, контактников, вагонников, связистов, проводников, работников ЦФТО, ИВЦ железных дорог, дистанций погрузочно-разгрузочных работ и других железнодорожников.
Связь с администрацией сайта: admin@scbist.com
1 2 3 4 5 6 7 8 9 10 11 12 13 14 15 16 17 18 19 20 21 22 23 24 25 26 27 28 29 30 31 32 33 34 
Powered by vBulletin® Version 3.8.1
Copyright ©2000 - 2026, Jelsoft Enterprises Ltd.
Powered by NuWiki v1.3 RC1 Copyright ©2006-2007, NuHit, LLC Перевод: zCarot