СЦБИСТ - железнодорожный форум, блоги, фотогалерея, социальная сеть
Вернуться   СЦБИСТ - железнодорожный форум, блоги, фотогалерея, социальная сеть > Эксплуатация устройств СЦБ > Постовое и напольное оборудование > Переездная сигнализация
Закладки ДневникиПоддержка Сообщество Комментарии к фото Сообщения за день
Ответить в этой теме   Перейти в раздел этой темы    
 
В мои закладки Подписка на тему по электронной почте Отправить другу по электронной почте Опции темы Поиск в этой теме
Старый 23.01.2015, 15:35   #16 (ссылка)
V.I.P.

Автор темы
 
Аватар для dagon

Регистрация: 18.05.2009
Сообщений: 189
Поблагодарил: 61 раз(а)
Поблагодарили 24 раз(а)
Фотоальбомы: 1 фото
Репутация: 6
Цитата:
А фазировку основного\резервного питания в шкафу проверяли?
Знать-бы где фаза, а где ноль(от тр-ра ОМ)
Цитата:
Всмысле, что защита уже когда-то срабатывала, а во второй раз, получается, защиты уже не было (РВНШ сгорел внутри)?
нет, все сработало в этот раз.


Какое указание требует вынести защиту из РШ?

Последний раз редактировалось dagon; 26.01.2015 в 10:04.
dagon вне форума   Цитировать 0
Старый 30.01.2015, 23:00   #17 (ссылка)
V.I.P.
 
Аватар для itr

Регистрация: 10.01.2010
Сообщений: 108
Поблагодарил: 164 раз(а)
Поблагодарили 17 раз(а)
Фотоальбомы: не добавлял
Репутация: 17
Цитата:
Знать-бы где фаза, а где ноль(от тр-ра ОМ)
Энергетики на спусках в КЯ обязаны пометить, мы АВМ ставим на "ноль".
itr вне форума   Цитировать 0
Старый 30.01.2015, 23:03   #18 (ссылка)
Корифей СЦБ
 
Аватар для Александр

Регистрация: 25.02.2009
Адрес: Ленинград
Возраст: 49
Сообщений: 9,609
Поблагодарил: 1616 раз(а)
Поблагодарили 2351 раз(а)
Фотоальбомы: 1 фото
Репутация: 1386
Цитата:
Сообщение от itr Посмотреть сообщение
Энергетики на спусках в КЯ обязаны пометить, мы АВМ ставим на "ноль".
В заблуждение никого вводить не надо. Ставится на провод "ОХ".
Ноль ищите дома в розетке.
А если у Вас на точке ноль, то приятного разговора с ревизором.
__________________
"Не думай. Думаешь - не говори. Думаешь и говоришь - не пиши. Думаешь, говоришь и пишешь - не подписывай. Думаешь, говоришь, пишешь и подписываешь - не удивляйся."
Ф.Э. Дзержинский.
Александр вне форума   Цитировать 2
Старый 30.01.2015, 23:07   #19 (ссылка)
Super V.I.P.
 
Аватар для vetal

Регистрация: 27.05.2009
Сообщений: 2,548
Поблагодарил: 648 раз(а)
Поблагодарили 1065 раз(а)
Фотоальбомы: не добавлял
Репутация: 1468
Цитата:
Сообщение от itr
Энергетики на спусках в КЯ обязаны пометить, мы АВМ ставим на "ноль".
Так от ОМика нет "ноля". Там две "фазы", если можно так сказать. Т.е. между проводами линейное напряжение 220В, а на землю оба провода покажут по 127В.
vetal вне форума   Цитировать 0
Старый 31.01.2015, 16:51   #20 (ссылка)
V.I.P.
 
Аватар для Rafa

Регистрация: 24.10.2009
Адрес: МОЙДОДЫР
Сообщений: 5,650
Поблагодарил: 388 раз(а)
Поблагодарили 577 раз(а)
Фотоальбомы: не добавлял
Цитата:
А фазировку основного\резервного питания в шкафу проверяли?
[[

и тут про фазировку.

может линии были не синхронизированны )))))

Rafa добавил 31.01.2015 в 17:32
Цитата:
Сообщение от vetal Посмотреть сообщение
Так от ОМика нет "ноля". Там две "фазы", если можно так сказать. Т.е. между проводами линейное напряжение 220В, а на землю оба провода покажут по 127В.
мож он говорил о резервном питании где есть ноль.

Rafa добавил 31.01.2015 в 17:51
НАШЕЛ такой рисунок.

отмеченный фрагмент на рисунке являеться заземлением или местом куда крепится заземление к корпусу ?

Rafa добавил 31.01.2015 в 17:51

Последний раз редактировалось Rafa; 31.01.2015 в 16:51. Причина: Добавлено сообщение
Rafa вне форума   Цитировать 1
Старый 31.01.2015, 22:03   #21 (ссылка)
Новый пользователь
 
Аватар для Torquato Tasso

Регистрация: 07.07.2009
Сообщений: 5,879
Поблагодарил: 282 раз(а)
Поблагодарили 1013 раз(а)
Фотоальбомы: 1 фото
Цитата:
Сообщение от СЭМ Посмотреть сообщение
Может карболит не лучший материал?
грязь - не лучший материал
Torquato Tasso вне форума   Цитировать 0
Старый 01.02.2015, 14:30   #22 (ссылка)
Super V.I.P.
 
Аватар для СЭМ

Регистрация: 28.02.2010
Возраст: 63
Сообщений: 516
Поблагодарил: 380 раз(а)
Поблагодарили 380 раз(а)
Фотоальбомы: 6 фото
Репутация: 413
Torquato Tasso,
Цитата:
грязь - не лучший материал
Откуда, Torquato Tasso? Хотя не спорю, есть в работе и б/у колодки, перебратые, не стерильные, как с завода. Но-горят и новые. Здесь делается упор на питание ПХ,ОХ, а постоянник 12 в. прожигает колодки не хуже. А на счет карболита, я с тобой поспорю, на том основании, что во всех кнопках, которые выявил за время работы на участке, прожег изоляции с контаков на винты, заметь, не по внешней стороне, где возможна пыль, а внутри, а конструктив изоляции кнопок ты знаешь, там отливка в виде втулочек и попадание туда пыли конструктивно исключено. Мои соображения на этот счет:
- в кнопках, скорее всего увеличение тока при разрыве контактов, почему, нужно анализировать.
- в колодках реле, опять же из практики, нужно разносить питания на разные тройники, например прожег 83-4 на 83 ПХ(ОХ) на 4 батарея. Стоит один раз шаркнуть, потом постепенно начинает подгорать, из карболита масло выделяется, очень хорошо проводит ток.

Вчера выкладывал немного фотографий с самыми разными прожегами, почему то не прогрузились.

Последний раз редактировалось СЭМ; 02.02.2015 в 21:01.
СЭМ вне форума   Цитировать 0
Старый 02.02.2015, 16:40   #23 (ссылка)
Super V.I.P.
 
Аватар для СЭМ

Регистрация: 28.02.2010
Возраст: 63
Сообщений: 516
Поблагодарил: 380 раз(а)
Поблагодарили 380 раз(а)
Фотоальбомы: 6 фото
Репутация: 413
Balbes - 15:11 01.02.2015
давай фото места пробоя, будет ясно.

Вот тебе фото, как обещал, здесь еще не вся "коллекция".



Torquato Tasso,
[quote]грязь - не лучший материал[/quote
Torquato Tasso, верши суд.
[/morepic.ru/?v=p1120285_6500.jpg]

СЭМ добавил 02.02.2015 в 17:41

Комментарии к сообщению (репутация)
U-54, положительно: За уникальную коллекцию!
NikoS, положительно:

Последний раз редактировалось СЭМ; 02.02.2015 в 21:00. Причина: Добавлено сообщение
СЭМ вне форума   Цитировать 0
Поблагодарили:
Данный пост получил благодарности от пользователей
Старый 02.02.2015, 17:04   #24 (ссылка)
Новый пользователь
 
Аватар для Torquato Tasso

Регистрация: 07.07.2009
Сообщений: 5,879
Поблагодарил: 282 раз(а)
Поблагодарили 1013 раз(а)
Фотоальбомы: 1 фото
Цитата:
Сообщение от СЭМ Посмотреть сообщение
Вот тебе фото, как обещал, здесь еще не вся "коллекция".
Torquato Tasso,верши суд.
дядюшка сэм, а ты даешь гарантию что туда не попадала вода иди конденсат?
Torquato Tasso вне форума   Цитировать 0
Старый 02.02.2015, 19:34   #25 (ссылка)
Super V.I.P.
 
Аватар для СЭМ

Регистрация: 28.02.2010
Возраст: 63
Сообщений: 516
Поблагодарил: 380 раз(а)
Поблагодарили 380 раз(а)
Фотоальбомы: 6 фото
Репутация: 413
Torquato Tasso,

Цитата:
даешь гарантию что туда не попадала вода иди конденсат?
Даю, Torquato Tasso. Видимых следов, что когда то розетки были во влаге не видно и работали они в сухом месте.Это я гарантирую точно, потому искал эти повреждения лично.
И все же я склоняюсь к тому, что во многих случаях причина прожогов:
- опасное соседство в розетке таких питаний, при появлении перенапряжения в одном, полюс может разрядиться прожогом с контакта на контакт на другое, как через воздушный разрядник, а потом уже после пробоя отказывает изоляция.
Ну и еще одно предположение таких жестоких повреждений розеток - у нас горная местность, рудные места, сильные грозы, отсутствие изолированного питания, тяга автономная( конташка является естественной защитой от гроз).

А вот эту причину так и не нашли, было на переезде поздней осенью, грозы не было, тяга автономная, рельсовые цепи на АНШ2-2, начало гореть с реле среднего участка П, ВК в р.ц.участка П, что и откуда прилетело, так и не выяснили.В результате почти половину монтажа р.ш пришлось менять, за ночь.









Последний раз редактировалось СЭМ; 02.02.2015 в 21:02.
СЭМ вне форума   Цитировать 0
Старый 02.02.2015, 19:43   #26 (ссылка)
Корифей СЦБ
 
Аватар для Александр

Регистрация: 25.02.2009
Адрес: Ленинград
Возраст: 49
Сообщений: 9,609
Поблагодарил: 1616 раз(а)
Поблагодарили 2351 раз(а)
Фотоальбомы: 1 фото
Репутация: 1386
Два раза на разных станциях попадалась одна и та же неисправность.
Загорались рц луча 25 Гц из-за короткого в луче.
В муфте букашка пыталась пролезть между соседними клеммами на семиштырке (питания луча). Хорошо прожаривалась, а потом под ней выгорала пластмасса на семиштырке в полное короткое
__________________
"Не думай. Думаешь - не говори. Думаешь и говоришь - не пиши. Думаешь, говоришь и пишешь - не подписывай. Думаешь, говоришь, пишешь и подписываешь - не удивляйся."
Ф.Э. Дзержинский.
Александр вне форума   Цитировать 2
Старый 02.02.2015, 22:16   #27 (ссылка)
V.I.P.
 
Аватар для psortd

Регистрация: 13.05.2010
Сообщений: 274
Поблагодарил: 48 раз(а)
Поблагодарили 52 раз(а)
Фотоальбомы: 1 фото
Репутация: 30
Цитата:
дядюшка сэм, а ты даешь гарантию что туда не попадала вода иди конденсат?
Аналогичный пробой был у нас на колодке НМШ4-2400 ,которая стояла в релейной. Вода и конденсат пускай останутся вашими фантазиями
psortd вне форума   Цитировать 0
Старый 03.02.2015, 05:16   #28 (ссылка)
Новый пользователь
 
Аватар для Torquato Tasso

Регистрация: 07.07.2009
Сообщений: 5,879
Поблагодарил: 282 раз(а)
Поблагодарили 1013 раз(а)
Фотоальбомы: 1 фото
Цитата:
Сообщение от psortd Посмотреть сообщение
Аналогичный пробой был у нас на колодке НМШ4-2400 ,которая стояла в релейной...
аналогичный пробой я видел в панели ПВ-1.
только эта панель много лет на складе валялась
Torquato Tasso вне форума   Цитировать 0
Старый 03.02.2015, 09:35   #29 (ссылка)
V.I.P.

Автор темы
 
Аватар для dagon

Регистрация: 18.05.2009
Сообщений: 189
Поблагодарил: 61 раз(а)
Поблагодарили 24 раз(а)
Фотоальбомы: 1 фото
Репутация: 6


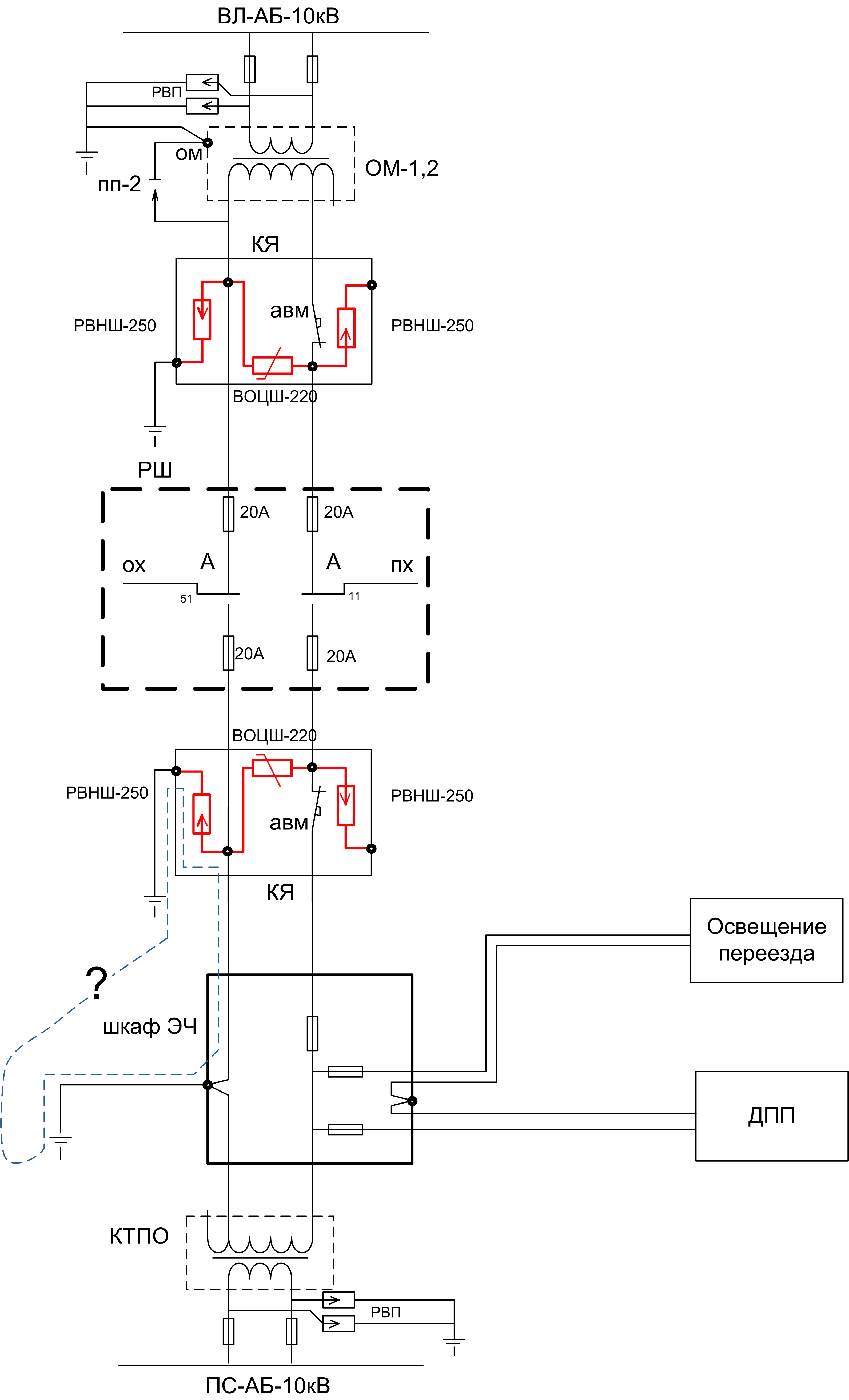
Вот так все было. Защиту не выносили из РШ, но её сняли, поэтому на рисунке нет. Но в КЯ - АБ разрядник стоял.

1. Если необходимо вынести всю защиту в КЯ и при этом типовой схемы как это сделать нет, (как я понял). То на следующем рисунке я правильно изобразил вынос защиты??
2. Возникает вопрос про второй фидер и про то, что у ЭЧ ОХ-это ноль глухозаземленный. И защита уже под линейным напряжением. Не знаю как должно быть, прошу помочь.

dagon вне форума   Цитировать 0
Старый 03.02.2015, 10:07   #30 (ссылка)
Корифей СЦБ
 
Аватар для Александр

Регистрация: 25.02.2009
Адрес: Ленинград
Возраст: 49
Сообщений: 9,609
Поблагодарил: 1616 раз(а)
Поблагодарили 2351 раз(а)
Фотоальбомы: 1 фото
Репутация: 1386
Цитата:
2. Возникает вопрос про второй фидер и про то, что у ЭЧ ОХ-это ноль глухозаземленный. И защита уже под линейным напряжением. Не знаю как должно быть, прошу помочь.
Ставить изолирующий транс.
Наши разрядники не рассчитаны на сопровождающий ток.

Вопрос. Пробивной на Омике срабатывал?
__________________
"Не думай. Думаешь - не говори. Думаешь и говоришь - не пиши. Думаешь, говоришь и пишешь - не подписывай. Думаешь, говоришь, пишешь и подписываешь - не удивляйся."
Ф.Э. Дзержинский.
Александр вне форума   Цитировать 2
Поблагодарили:
Данный пост получил благодарности от пользователей
Похожие темы
Тема Автор Раздел Ответов Последнее сообщение
Нужна помощь(реле АСШ2) massy Постовое и напольное оборудование 8 17.04.2012 20:58
Розетка к фильтру ФПМ Priorat Рельсовые цепи, счетчики осей 2 14.04.2011 12:58

Ответить в этой теме   Перейти в раздел этой темы   Translate to English

Возможно вас заинтересует информация по следующим меткам (темам):
, ,


Здесь присутствуют: 1 (пользователей: 0 , гостей: 1)
 

Ваши права в разделе
Вы не можете создавать новые темы
Вы не можете отвечать в темах
Вы не можете прикреплять вложения
Вы не можете редактировать свои сообщения

BB коды Вкл.
Смайлы Вкл.
[IMG] код Вкл.
HTML код Выкл.
Trackbacks are Вкл.
Pingbacks are Вкл.
Refbacks are Выкл.



Часовой пояс GMT +3, время: 18:49.

Яндекс.Метрика Справочник 
сцбист.ру сцбист.рф

СЦБИСТ (ранее назывался: Форум СЦБистов - Railway Automation Forum) - крупнейший сайт работников локомотивного хозяйства, движенцев, эсцебистов, путейцев, контактников, вагонников, связистов, проводников, работников ЦФТО, ИВЦ железных дорог, дистанций погрузочно-разгрузочных работ и других железнодорожников.
Связь с администрацией сайта: admin@scbist.com
1 2 3 4 5 6 7 8 9 10 11 12 13 14 15 16 17 18 19 20 21 22 23 24 25 26 27 28 29 30 31 32 33 34 
Powered by vBulletin® Version 3.8.1
Copyright ©2000 - 2026, Jelsoft Enterprises Ltd.
Powered by NuWiki v1.3 RC1 Copyright ©2006-2007, NuHit, LLC Перевод: zCarot