СЦБИСТ - железнодорожный форум, блоги, фотогалерея, социальная сеть
Ушел из жизни Крупицкий Адольф Зельманович
6 февраля 2026 года ушел из жизни Крупицкий Адольф Зельманович, более шести десятков лет проработавший в институте «Гипротранссигналсвязь». Всю свою трудовую деятельность А.З. Крупицкий посвятил проектному делу. После окончанию обучения в Ленинградском институте инженеров железнодорожного транспорта в 1959 году начал свою профессиональную деятельность в качестве старшего электромеханика дистанции сигнализации и связи на Казахской железной дороге. В 1960 году пришел на работу в институт на должность инженера, работал руководителем группы, главным инженером проектов.

Читать далее
Вернуться   СЦБИСТ - железнодорожный форум, блоги, фотогалерея, социальная сеть > Эксплуатация устройств СЦБ > Постовое и напольное оборудование > Переездная сигнализация
Закладки ДневникиПоддержка Сообщество Комментарии к фото Сообщения за день
Ответить в этой теме   Перейти в раздел этой темы    
 
В мои закладки Подписка на тему по электронной почте Отправить другу по электронной почте Опции темы Поиск в этой теме
Старый 03.04.2011, 11:58   #76 (ссылка)
Кандидат в V.I.P.
 
Аватар для Sergey

Регистрация: 23.08.2009
Сообщений: 18
Поблагодарил: 3 раз(а)
Поблагодарили 3 раз(а)
Фотоальбомы: не добавлял
Репутация: 0
Мембрана держится дольше - у меня на 72 переезде уже два года. Движение - до полутораста пар плюс маневры (станционный). А насчет бутылки - не знал, попробую!
Sergey вне форума   Цитировать 0
Старый 07.04.2011, 19:52   #77 (ссылка)
Кандидат в V.I.P.
 
Аватар для schummi

Регистрация: 17.03.2011
Сообщений: 1
Поблагодарил: 0 раз(а)
Поблагодарили 0 раз(а)
Фотоальбомы: не добавлял
Репутация: 0
такой вопрос...когда диспетчер делает маршрут через переезд - звенит звонок , дежурная бежит закрывает переезд, но сейчас он начинает звенеть только когда тепловоз секцию занимает...подскажите где искать причину...
schummi вне форума   Цитировать 0
Старый 08.04.2011, 04:50   #78 (ссылка)
Super V.I.P.
 
Аватар для led

Регистрация: 09.04.2009
Сообщений: 1,963
Поблагодарил: 11 раз(а)
Поблагодарили 153 раз(а)
Фотоальбомы: 3 фото
Репутация: 107
Как мы можем подсказать, если Вы даже схему не даёте. А по описанию - явная нетиповщина. Вобщем сканер.
led вне форума   Цитировать 0
Старый 22.09.2011, 12:10   #79 (ссылка)
Кандидат в V.I.P.
 
Аватар для pastimur

Регистрация: 22.09.2011
Адрес: Москва
Сообщений: 3
Поблагодарил: 0 раз(а)
Поблагодарили 0 раз(а)
Фотоальбомы: не добавлял
Репутация: 0
Растут технологии)))
pastimur вне форума   Цитировать 0
Старый 28.02.2012, 18:57   #80 (ссылка)
V.I.P.
 
Аватар для НОТАли

Регистрация: 20.09.2010
Возраст: 37
Сообщений: 301
Поблагодарил: 40 раз(а)
Поблагодарили 45 раз(а)
Фотоальбомы: не добавлял
Репутация: 84
Конечно не по теме беседы, но все же про звонки.... На охраняемых переездах, согласно альбому МРЦ-13 (том II Станционные переезды) дается схема включения звонка, который расположен на щитке переездной сигнализации и соответственно при повреждении участка приближения к переезду деж. по переезду кнопкой "Выключение звонка" может его отключить. Полистав схемы, обнаружила, что схема включения этого звонка дается исключительно для станционных переездов.... Вопрос: для перегонных переездов ее надо делать или нет? и где еще кроме как в МРЦ-13 есть что-нибудь про эти звонки?
НОТАли вне форума   Цитировать 0
Старый 28.02.2012, 19:27   #81 (ссылка)
Super V.I.P.
 
Аватар для vetal

Регистрация: 27.05.2009
Сообщений: 2,545
Поблагодарил: 646 раз(а)
Поблагодарили 1065 раз(а)
Фотоальбомы: не добавлял
Репутация: 1468
Цитата:
Сообщение от schummi
звенит звонок , дежурная бежит закрывает переезд
У нас на полуавтоматическом переезде на станции с МКУ такого нет. При подаче извещения на переезд в будке переезда и на щитке управления с определенным интервалом времени звонят звоночки и автоматически закрывается переезд. После прохода поезда переезд открывается вручную с щитка управления ДПП. И опасная особенность (я считаю) этого переезда, то, что если в случае неисправности переезд не закроется, то входные и выходные светофоры все равно открываются на разрешающее показание. А ДСП на пульте имеет контроль не фактического состояние переезда, а лишь наличие извещения на него... Но это не мешает ДСП закрывать переезд от кнопки на пульте и отправлять поезда по разрешающему показанию выходного светофора. Кроме того ДСП на щитке не имеет информации о исправности светофорных ламп, как и ДСП. Схемы собраны еще на реле типа НР...
vetal вне форума   Цитировать 0
Старый 29.02.2012, 05:00   #82 (ссылка)
Super V.I.P.
 
Аватар для led

Регистрация: 09.04.2009
Сообщений: 1,963
Поблагодарил: 11 раз(а)
Поблагодарили 153 раз(а)
Фотоальбомы: 3 фото
Репутация: 107
Стоп стоп. Станционный охраняемый переезд и нет контроля закрытого положения шлагбаумов? "Что-то здесь не то.." (с)
А какие кнопки есть у ДСП (касаемо переезда)?
Подача извещения есть?
Кстати та гипотетическая неисправность, в результате которой переезд не закроется называется опасный отказ. И такой отказ равновероятен для всех переездов.
led вне форума   Цитировать 0
Старый 29.02.2012, 15:18   #83 (ссылка)
Super V.I.P.
 
Аватар для vetal

Регистрация: 27.05.2009
Сообщений: 2,545
Поблагодарил: 646 раз(а)
Поблагодарили 1065 раз(а)
Фотоальбомы: не добавлял
Репутация: 1468
Цитата:
Сообщение от led
Стоп стоп. Станционный охраняемый переезд и нет контроля закрытого положения шлагбаумов? "Что-то здесь не то.." (с)
А какие кнопки есть у ДСП (касаемо переезда)?
Подача извещения есть?
Кстати та гипотетическая неисправность, в результате которой переезд не закроется называется опасный отказ. И такой отказ равновероятен для всех переездов.
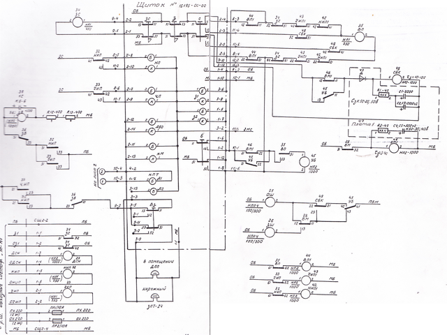
У ДСП только две кнопки: "ЧВП" и "НВП" - включение переезда. Этими кнопками подается извещение на переезд вручную с пульта. Соответственно подача четного (ЧВП) и нечетного (НВП) извещения на переезд. Подача извещения на переезд подается как вручную от кнопок "НВП", "ЧВП" так и автоматически при открытии выходного сигнала или вступлении поезда на участок приближения перед входным светофором. На пульте ДСП есть лампочка "КП" - контроля переезда, которая указывает только на наличие извещения на переезд, а не фактическое его состояние (закрыт или открыт).
Вот внешний вид щитка:

Вот схемы:



vetal добавил 29.02.2012 в 15:18

Последний раз редактировалось vetal; 29.02.2012 в 15:19. Причина: Добавлено сообщение
vetal вне форума   Цитировать 0
Старый 29.02.2012, 20:42   #84 (ссылка)
Опытный пользователь
 
Аватар для скобарь74

Регистрация: 04.12.2011
Сообщений: 1,318
Поблагодарил: 68 раз(а)
Поблагодарили 111 раз(а)
Фотоальбомы: не добавлял
Репутация: 87
Vеtal,реле НР,старые привода,звонки,отсутствие контролей нужных...Что модернизации вообще нет?
скобарь74 вне форума   Цитировать 0
Старый 29.02.2012, 21:10   #85 (ссылка)
Super V.I.P.
 
Аватар для vetal

Регистрация: 27.05.2009
Сообщений: 2,545
Поблагодарил: 646 раз(а)
Поблагодарили 1065 раз(а)
Фотоальбомы: не добавлял
Репутация: 1468
Цитата:
Сообщение от скобарь74
Vеtal,реле НР,старые привода,звонки,отсутствие контролей нужных...Что модернизации вообще нет?
Сказали, что в этом году взяли в план замену релейного шкафа на переезде, потому что на щитке нет контроля исправности светофорных ламп... Так что, надеюсь, уже в этом году смонтируем и поставим новый шкафчик с малогабаритной аппаратурой и сделаем все необходимые зависимости и контроль... Но это не единственный такой переезд у меня. Еще один такой старый переезд с короткими участками приближения по 550 метров находится на перегоне. В прошлом году перенисли изостыки на 220 метров, а путевые коробки остались на старой ординате!!! Но уже смонтированный шкаф с новым щитком управления для того переезда у меня есть!))) Жду схода снега и вперед...!!!!
vetal вне форума   Цитировать 0
Старый 01.03.2012, 04:50   #86 (ссылка)
Super V.I.P.
 
Аватар для led

Регистрация: 09.04.2009
Сообщений: 1,963
Поблагодарил: 11 раз(а)
Поблагодарили 153 раз(а)
Фотоальбомы: 3 фото
Репутация: 107
Подача извещения есть, а контроля закрытия нету...
Там выдержка времени на открытие выходных есть?
led вне форума   Цитировать 0
Старый 02.12.2013, 16:09   #87 (ссылка)
Super V.I.P.
 
Аватар для ШВП

Регистрация: 14.02.2010
Адрес: Калтан
Сообщений: 1,806
Поблагодарил: 545 раз(а)
Поблагодарили 183 раз(а)
Фотоальбомы: не добавлял
Репутация: 129
На пешеходный переход пришёл новый звонок,тот,что с резервом,но он массивный.Кто-нибудь ставил.Защиту изобретали?
ШВП вне форума   Цитировать 0
Старый 02.12.2013, 18:54   #88 (ссылка)
Super V.I.P.
 
Аватар для СЭМ

Регистрация: 28.02.2010
Возраст: 63
Сообщений: 514
Поблагодарил: 379 раз(а)
Поблагодарили 378 раз(а)
Фотоальбомы: 6 фото
Репутация: 413
ШНС СЦБ,

Цитата:
Ищу чертеж и фотографию защитного колпака на звонки ЗПТ
ШВП
Цитата:
пришёл новый звонок,тот,что с резервом,но он массивный.Кто-нибудь ставил.Защиту изобретали?

Вот так защитил извещатели, подобрал в свое время пустые огнетушители.По бедности нашей на переездах поставил по одному извещателю, направил в сторону переезда, звук у них отличный, запитал от постоянника,один провод через контакт ПВ, второй взял прямо в БШ,(они установлены на БШ) от С.МС при грозах сразу сгорели два ИА, дальше не стал испытывать судьбу. От батареи работают уже больше года. Колпаки сделал просто, обрезал болгаркой балон по высоте звонка, вырезал пазы под ,,уши,, в пазы приварил шпильки на 8 мм,в общем хорошо получилось.
СЭМ вне форума   Цитировать 0
Старый 02.12.2013, 19:16   #89 (ссылка)
Super V.I.P.
 
Аватар для vetal

Регистрация: 27.05.2009
Сообщений: 2,545
Поблагодарил: 646 раз(а)
Поблагодарили 1065 раз(а)
Фотоальбомы: не добавлял
Репутация: 1468
Цитата:
Сообщение от СЭМ
Вот так защитил извещатели, подобрал в свое время пустые огнетушители.По бедности нашей на переездах поставил по одному извещателю, направил в сторону переезда, звук у них отличный, запитал от постоянника,один провод через контакт ПВ, второй взял прямо в БШ,(они установлены на БШ) от С.МС при грозах сразу сгорели два ИА, дальше не стал испытывать судьбу. От батареи работают уже больше года. Колпаки сделал просто, обрезал болгаркой балон по высоте звонка, вырезал пазы под ,,уши,, в пазы приварил шпильки на 8 мм,в общем хорошо получилось.
Не, от вандалов звонок надо прятать в шкафу или в мачте переездного светофора... Во всяком случае у аналогичнуй защиты, только на светофоре, вандалы лихо кувалдой шпильки от "защиты" отбили и нет звонка...
vetal вне форума   Цитировать 0
Старый 02.12.2013, 19:53   #90 (ссылка)
Новый пользователь
 
Аватар для Torquato Tasso

Регистрация: 07.07.2009
Сообщений: 5,879
Поблагодарил: 282 раз(а)
Поблагодарили 1013 раз(а)
Фотоальбомы: 1 фото
Цитата:
Сообщение от vetal Посмотреть сообщение
...вандалы лихо кувалдой шпильки от "защиты" отбили и нет звонка...
вандалы ходють с кувалдой?
челябинские мужуки?
Torquato Tasso вне форума   Цитировать 0
Похожие темы
Тема Автор Раздел Ответов Последнее сообщение
[3 февраля 2003] ДТП на переезде перегона Гатчина – Суйда ОЖД Шаэнн Нарушения безопасности на ж/д до 2010 года 0 10.04.2011 12:24
[2 января 2002] Сход вагона на переезде ст. Чкаловск КалинЖД Шаэнн Нарушения безопасности на ж/д до 2010 года 0 09.04.2011 17:56
[22 декабря 1997] ДТП на переезде перегона Аполлонская - Солдатская СКЖД Admin Нарушения безопасности на ж/д до 2010 года 0 20.03.2011 11:15
[13 февраля 2001] ДТП с электропоездом на переезде 29 км Левашово - Белоостров ОЖД Admin Нарушения безопасности на ж/д до 2010 года 0 09.03.2011 22:47
Дверной звонок Arsenal1914 Разговоры обо всем 7 05.04.2010 00:47

Ответить в этой теме   Перейти в раздел этой темы   Translate to English

Возможно вас заинтересует информация по следующим меткам (темам):
, , , , , , , , , ,


Здесь присутствуют: 1 (пользователей: 0 , гостей: 1)
 

Ваши права в разделе
Вы не можете создавать новые темы
Вы не можете отвечать в темах
Вы не можете прикреплять вложения
Вы не можете редактировать свои сообщения

BB коды Вкл.
Смайлы Вкл.
[IMG] код Вкл.
HTML код Выкл.
Trackbacks are Вкл.
Pingbacks are Вкл.
Refbacks are Выкл.



Часовой пояс GMT +3, время: 17:36.

Яндекс.Метрика Справочник 
сцбист.ру сцбист.рф

СЦБИСТ (ранее назывался: Форум СЦБистов - Railway Automation Forum) - крупнейший сайт работников локомотивного хозяйства, движенцев, эсцебистов, путейцев, контактников, вагонников, связистов, проводников, работников ЦФТО, ИВЦ железных дорог, дистанций погрузочно-разгрузочных работ и других железнодорожников.
Связь с администрацией сайта: admin@scbist.com
1 2 3 4 5 6 7 8 9 10 11 12 13 14 15 16 17 18 19 20 21 22 23 24 25 26 27 28 29 30 31 32 33 34 
Powered by vBulletin® Version 3.8.1
Copyright ©2000 - 2026, Jelsoft Enterprises Ltd.
Powered by NuWiki v1.3 RC1 Copyright ©2006-2007, NuHit, LLC Перевод: zCarot