СЦБИСТ - железнодорожный форум, блоги, фотогалерея, социальная сеть
Ушел из жизни Крупицкий Адольф Зельманович
6 февраля 2026 года ушел из жизни Крупицкий Адольф Зельманович, более шести десятков лет проработавший в институте «Гипротранссигналсвязь». Всю свою трудовую деятельность А.З. Крупицкий посвятил проектному делу. После окончанию обучения в Ленинградском институте инженеров железнодорожного транспорта в 1959 году начал свою профессиональную деятельность в качестве старшего электромеханика дистанции сигнализации и связи на Казахской железной дороге. В 1960 году пришел на работу в институт на должность инженера, работал руководителем группы, главным инженером проектов.

Читать далее
Вернуться   СЦБИСТ - железнодорожный форум, блоги, фотогалерея, социальная сеть > Эксплуатация устройств СЦБ > Общие вопросы эксплуатации устройств СЦБ
Общие вопросы эксплуатации устройств СЦБ Смотрите также фото: Реле, Аппараты управления, ДГА и панели питания, Переезды, Релейные и микропроцессорные централизации, автоблокировки, ДЦ, СЦБ в метро.
Закладки ДневникиПоддержка Сообщество Комментарии к фото Сообщения за день
Ответить в этой теме   Перейти в раздел этой темы    
 
В мои закладки Подписка на тему по электронной почте Отправить другу по электронной почте Опции темы Поиск в этой теме
Старый 28.08.2013, 23:02   #16 (ссылка)
__
 
Аватар для Николай Николаевич

Регистрация: 10.09.2010
Адрес: Москва
Возраст: 64
Сообщений: 13,931
Поблагодарил: 408 раз(а)
Поблагодарили 2363 раз(а)
Фотоальбомы: не добавлял
Репутация: 1516
Цитата:
Сообщение от Николассс74 Посмотреть сообщение
Н.Н. часть этого самого роялти ваша
Если не будет неожиданностей - буду в Вашем городе во второй половине сентября. Проездом...
Николай Николаевич вне форума   Цитировать 0
Старый 29.08.2013, 02:21   #17 (ссылка)
))
 
Аватар для Sama Y

Регистрация: 22.02.2010
Адрес: Екатеринбург
Сообщений: 2,535
Поблагодарил: 2253 раз(а)
Поблагодарили 1401 раз(а)
Фотоальбомы: не добавлял
Записей в дневнике: 6
Цитата:
Сообщение от Углев Дмитрий Посмотреть сообщение
Подскажите, где можно посмотреть схемы сигнальных точек с нормально негорящими огнями?
приходи к нам на след неделе ))
или напомни - отправлю схемки
Sama Y вне форума   Цитировать 0
Старый 29.08.2013, 08:48   #18 (ссылка)
Мимо проползал
 
Аватар для NikoS

Регистрация: 11.06.2010
Сообщений: 1,736
Поблагодарил: 1724 раз(а)
Поблагодарили 504 раз(а)
Фотоальбомы: не добавлял
Репутация: 1045
Выложили бы, что уж там, интересующихся уже много набралось.
NikoS вне форума   Цитировать 0
Старый 29.08.2013, 09:25   #19 (ссылка)
Super V.I.P.
 
Аватар для heavy

Регистрация: 26.06.2009
Адрес: Московская область
Сообщений: 618
Поблагодарил: 64 раз(а)
Поблагодарили 94 раз(а)
Фотоальбомы: не добавлял
Репутация: 93
а я думал нормально негорящие это когда на многопутном перегоне каждый путь сделан по правилам однопутки со светофорами в обе стороны, но поезда в основном ездят только в одном направлении, а в другом может раз в год или реже. вот эти светофоры стоят погашенными и почти никогда не включаются. во проперся )
__________________
Точность. Вежливость. Качество.
heavy вне форума   Цитировать 0
Старый 29.08.2013, 10:04   #20 (ссылка)
Копченый
 
Аватар для Углев Дмитрий

Регистрация: 28.02.2009
Адрес: Екатеринбург
Возраст: 42
Сообщений: 3,252
Поблагодарил: 782 раз(а)
Поблагодарили 843 раз(а)
Фотоальбомы: 49 фото
Записей в дневнике: 1
Репутация: 490
NikoS, хорошо. После соответствующей обработки выложу
Углев Дмитрий вне форума   Цитировать 0
Старый 29.08.2013, 12:28   #21 (ссылка)
Super V.I.P.
 
Аватар для СУНДЕТОВ

Регистрация: 22.11.2010
Сообщений: 1,834
Поблагодарил: 760 раз(а)
Поблагодарили 1349 раз(а)
Фотоальбомы: 20 фото
Репутация: 549
Цитата:
Сообщение от Николай Николаевич Посмотреть сообщение
участок импульсно-проводной а/б постоянного тока с нормально-не-горящими проходными светофорами
У нас участок 250 км такой, но потом заставили сделать нормально горящими ( исключили контакт путевого ) и с конденсаторного дешифратора перешли на релейную.
http://scbist.com/obschie-voprosy-ek...tml#post166891
В принципе здесь нормально горит полнакала.

Последний раз редактировалось СУНДЕТОВ; 29.08.2013 в 12:38.
СУНДЕТОВ вне форума   Цитировать 0
Старый 29.08.2013, 19:59   #22 (ссылка)
Super V.I.P.
 
Аватар для Николассс74

Регистрация: 28.05.2009
Адрес: Россия
Возраст: 51
Сообщений: 873
Поблагодарил: 177 раз(а)
Поблагодарили 293 раз(а)
Фотоальбомы: 3 фото
Записей в дневнике: 1
Репутация: 193
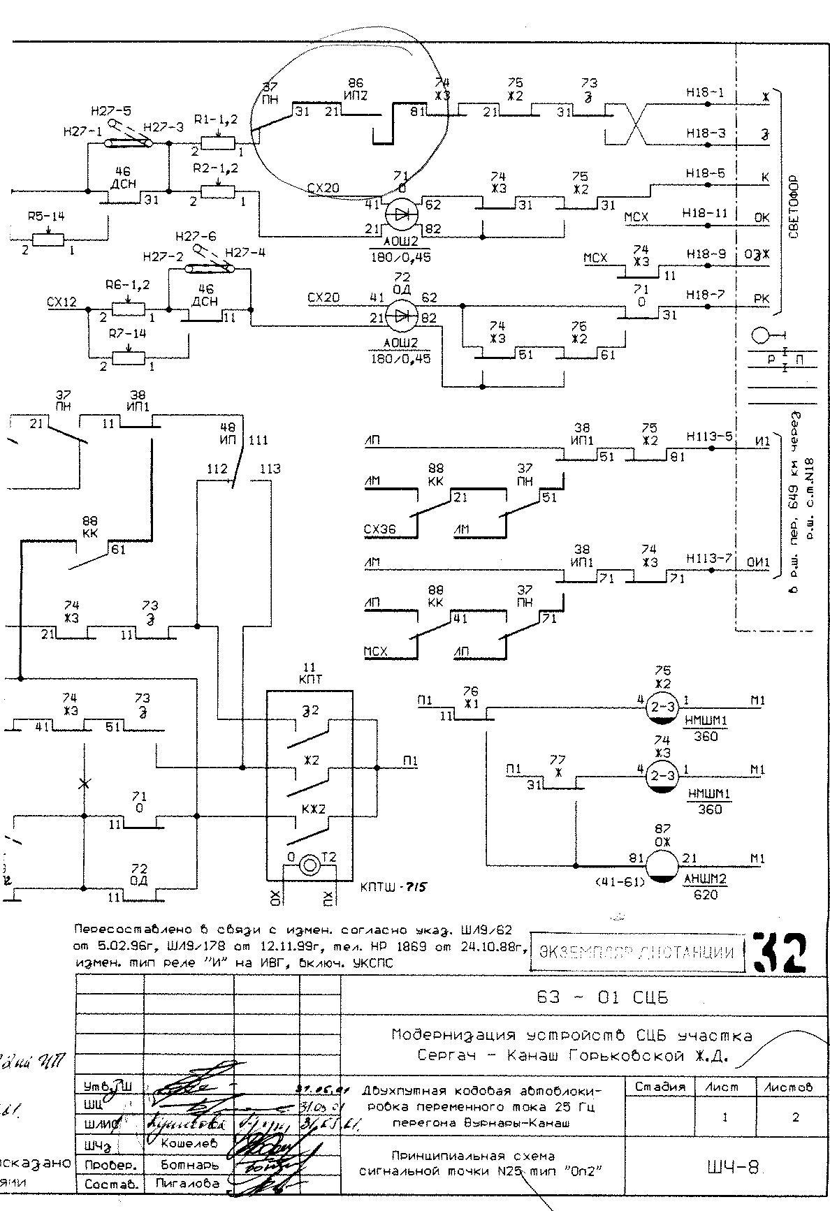
Я уже тем кого интересовало выслал схемки. Включается контакт реле ИП в цепь включения светофора.

Николассс74 добавил 29.08.2013 в 19:59
__________________
Не бойтесь знать и применять знания. Смелость города берет.

Последний раз редактировалось Николассс74; 29.08.2013 в 19:59. Причина: Добавлено сообщение
Николассс74 вне форума   Цитировать 0
Старый 29.08.2013, 20:05   #23 (ссылка)
Мастер
 
Аватар для Михаил Лупинос

Регистрация: 26.09.2012
Адрес: г. Называевск
Возраст: 39
Сообщений: 660
Поблагодарил: 75 раз(а)
Поблагодарили 114 раз(а)
Фотоальбомы: 23 фото
Репутация: 60
получается гоит есть жолтый или зеленый не горит красный
__________________
мы отвечаем за свои поступки.
Михаил Лупинос вне форума   Цитировать 0
Старый 29.08.2013, 20:08   #24 (ссылка)
__
 
Аватар для Николай Николаевич

Регистрация: 10.09.2010
Адрес: Москва
Возраст: 64
Сообщений: 13,931
Поблагодарил: 408 раз(а)
Поблагодарили 2363 раз(а)
Фотоальбомы: не добавлял
Репутация: 1516
Николассс74,
сделай доброе дело - размести эту схему еще раз, так, чтобы было видно, в каком году она составлялась УЖЕ на компьютере...
Николай Николаевич вне форума   Цитировать 0
Старый 29.08.2013, 20:19   #25 (ссылка)
Super V.I.P.
 
Аватар для Николассс74

Регистрация: 28.05.2009
Адрес: Россия
Возраст: 51
Сообщений: 873
Поблагодарил: 177 раз(а)
Поблагодарили 293 раз(а)
Фотоальбомы: 3 фото
Записей в дневнике: 1
Репутация: 193


на этом участке схемы не видно какой год внесения изменений по включению нормально не горящих огней на светофоре. Только завтра.
__________________
Не бойтесь знать и применять знания. Смелость города берет.
Николассс74 вне форума   Цитировать 0
Поблагодарили:
Данный пост получил благодарности от пользователей
Старый 29.08.2013, 20:20   #26 (ссылка)
Super V.I.P.
 
Аватар для Николассс74

Регистрация: 28.05.2009
Адрес: Россия
Возраст: 51
Сообщений: 873
Поблагодарил: 177 раз(а)
Поблагодарили 293 раз(а)
Фотоальбомы: 3 фото
Записей в дневнике: 1
Репутация: 193
Эта схема в 2001 году.
__________________
Не бойтесь знать и применять знания. Смелость города берет.
Николассс74 вне форума   Цитировать 0
Похожие темы
Тема Автор Раздел Ответов Последнее сообщение
между нами преподами... VIC Разговоры обо всем 11 01.10.2009 07:30

Ответить в этой теме   Перейти в раздел этой темы   Translate to English

Возможно вас заинтересует информация по следующим меткам (темам):
, , , ,


Здесь присутствуют: 1 (пользователей: 0 , гостей: 1)
 

Ваши права в разделе
Вы не можете создавать новые темы
Вы не можете отвечать в темах
Вы не можете прикреплять вложения
Вы не можете редактировать свои сообщения

BB коды Вкл.
Смайлы Вкл.
[IMG] код Вкл.
HTML код Выкл.
Trackbacks are Вкл.
Pingbacks are Вкл.
Refbacks are Выкл.



Часовой пояс GMT +3, время: 13:53.

Яндекс.Метрика Справочник 
сцбист.ру сцбист.рф

СЦБИСТ (ранее назывался: Форум СЦБистов - Railway Automation Forum) - крупнейший сайт работников локомотивного хозяйства, движенцев, эсцебистов, путейцев, контактников, вагонников, связистов, проводников, работников ЦФТО, ИВЦ железных дорог, дистанций погрузочно-разгрузочных работ и других железнодорожников.
Связь с администрацией сайта: admin@scbist.com
1 2 3 4 5 6 7 8 9 10 11 12 13 14 15 16 17 18 19 20 21 22 23 24 25 26 27 28 29 30 31 32 33 34 
Powered by vBulletin® Version 3.8.1
Copyright ©2000 - 2026, Jelsoft Enterprises Ltd.
Powered by NuWiki v1.3 RC1 Copyright ©2006-2007, NuHit, LLC Перевод: zCarot