СЦБИСТ - железнодорожный форум, блоги, фотогалерея, социальная сеть
Ушел из жизни Крупицкий Адольф Зельманович
6 февраля 2026 года ушел из жизни Крупицкий Адольф Зельманович, более шести десятков лет проработавший в институте «Гипротранссигналсвязь». Всю свою трудовую деятельность А.З. Крупицкий посвятил проектному делу. После окончанию обучения в Ленинградском институте инженеров железнодорожного транспорта в 1959 году начал свою профессиональную деятельность в качестве старшего электромеханика дистанции сигнализации и связи на Казахской железной дороге. В 1960 году пришел на работу в институт на должность инженера, работал руководителем группы, главным инженером проектов.

Читать далее
Вернуться   СЦБИСТ - железнодорожный форум, блоги, фотогалерея, социальная сеть > Помощь студентам, аспирантам, учащимся > Курсовое и дипломное проектирование
Курсовое и дипломное проектирование Помощь в написании дипломов и курсовых работ
Закладки ДневникиПоддержка Сообщество Комментарии к фото Сообщения за день
Ответить в этой теме   Перейти в раздел этой темы    
 
В мои закладки Подписка на тему по электронной почте Отправить другу по электронной почте Опции темы Поиск в этой теме
Старый 10.06.2015, 20:58   #1 (ссылка)
Кандидат в V.I.P.
 
Аватар для Smeeeel

Регистрация: 30.09.2012
Сообщений: 58
Поблагодарил: 0 раз(а)
Поблагодарили 1 раз(а)
Фотоальбомы: не добавлял
Репутация: 23

Тема: Безопасная схема включения реле


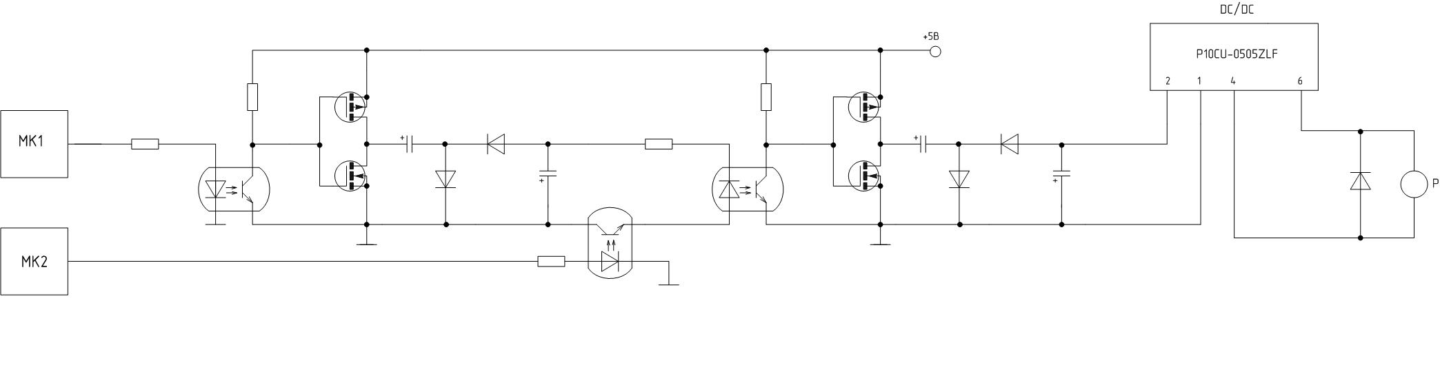
Уважаемые СЦБисты! Прошу помощи по поводу схемы управления реле. Из книжки, по построению безопасных схем взял одну из них. Хочу подключить эти 2 схемы к 2 контроллерам, которые будут управлять реле. Из 1 схемы будет поступать питание, 2-непосредственно будет включать реле. Исходя из моего файла, возможно ли такое включение?схема.vsd

Комментарии к сообщению (репутация)
Rafa, положительно:

Обратите внимание на полезные ответы в этой теме!

Smeeeel вне форума   Цитировать 0
Старый 10.06.2015, 21:03   #2 (ссылка)
Робот
 
Аватар для СЦБот

Регистрация: 05.05.2009
Сообщений: 2,484
Поблагодарил: 0 раз(а)
Поблагодарили 82 раз(а)
Фотоальбомы: не добавлял
Репутация: 0
Приветствуем Вас на нашем сайте! Это сообщение сгенерировано автоматически, отвечать на него не требуется.


Если Вы хотите получить ответ на вопрос, заданный в этой теме, рекомендуем воспользоваться поиском по сайту, пока Вы ожидаете ответов других пользователей. Надеемся, что Вы найдете что-либо полезное на сайте.


СЦБот вне форума   Цитировать 0
Старый 11.06.2015, 08:51   #3 (ссылка)
Кандидат в V.I.P.

Автор темы
 
Аватар для Smeeeel

Регистрация: 30.09.2012
Сообщений: 58
Поблагодарил: 0 раз(а)
Поблагодарили 1 раз(а)
Фотоальбомы: не добавлял
Репутация: 23
Цитата:
Сообщение от Torquato Tasso Посмотреть сообщение
эта схема создавалась не для контроля питания, а для безопасного включения реле.
т.е. 1-й и 2-й контроллер будут контролировать какой-то параметр или обьект и если значения на выхода контроллеров совпадут, то реле станет под ток.
а напряжение и так контролируется. есть напряжение- устройство сопряжения сработает, нет напряжения- устройство сопряжения не сработает
Так я и за это и спрашиваю. У меня резервирование по И. Для включения реле необходимо последовательный сигнал от 2 контроллеров. Вот только какой то контроллер может сойти с ума и что бы обезапасить схему, в одном из каналов схема работает как проводник напряжения. А 2 получая с 1 схемы напряжение уже включает реле. Просто мне интересно можно ли так включить эти 2 схемы?
Smeeeel вне форума   Цитировать 0
Старый 11.06.2015, 09:53   #4 (ссылка)
Страшный участник
 
Аватар для Александр 75

Регистрация: 27.04.2015
Сообщений: 254
Поблагодарил: 21 раз(а)
Поблагодарили 47 раз(а)
Фотоальбомы: не добавлял
Репутация: 107
А контроллеры Вы как собираетесь синхронизировать?

Почему нет желания использовать такие схемы:


Цитата:
У меня резервирование по И.
В приведенной Вами схеме нет резервирования.

Самый главный вопрос: для каких целей планируется использование данной схемы?
Александр 75 вне форума   Цитировать 0
Старый 11.06.2015, 10:03   #5 (ссылка)
ЛИИЖТ АТ-103 (1981-1986)
 
Аватар для Просто инженер АиТ

Регистрация: 16.10.2012
Адрес: Где резной палисад
Возраст: 65
Сообщений: 980
Поблагодарил: 220 раз(а)
Поблагодарили 140 раз(а)
Фотоальбомы: не добавлял
Репутация: 380
На первый взгляд всё вроде не плохо! НО, оно есть! Попробуйте сами найти это НО! Можно, конечно, сразу всё рассказать, но вряд ли вы это запомните!
При рассмотрении этого НО, я исхожу из того, что вы хотите контролировать правильность работы ваших CPU.

Комментарии к сообщению (репутация)
Rafa, положительно:
__________________
Не важна реальность, важно как мы к ней относимся!
Просто инженер АиТ вне форума   Цитировать 0
Старый 11.06.2015, 10:08   #6 (ссылка)
Страшный участник
 
Аватар для Александр 75

Регистрация: 27.04.2015
Сообщений: 254
Поблагодарил: 21 раз(а)
Поблагодарили 47 раз(а)
Фотоальбомы: не добавлял
Репутация: 107
Обсуждаемая схема:


Комментарии к сообщению (репутация)
Rafa, положительно:
Александр 75 вне форума   Цитировать 0
Старый 11.06.2015, 11:15   #7 (ссылка)
Кандидат в V.I.P.

Автор темы
 
Аватар для Smeeeel

Регистрация: 30.09.2012
Сообщений: 58
Поблагодарил: 0 раз(а)
Поблагодарили 1 раз(а)
Фотоальбомы: не добавлял
Репутация: 23
Цитата:
Сообщение от Александр 75 Посмотреть сообщение
А контроллеры Вы как собираетесь синхронизировать?
Почему нет желания использовать такие схемы:
В приведенной Вами схеме нет резервирования.
Самый главный вопрос: для каких целей планируется использование данной схемы?
Для включения путевого реле на перегоне при микропроцессорной полуавтоматической блокировки
Цитата:
Сообщение от Просто инженер АиТ Посмотреть сообщение
На первый взгляд всё вроде не плохо! НО, оно есть! Попробуйте сами найти это НО! Можно, конечно, сразу всё рассказать, но вряд ли вы это запомните!
При рассмотрении этого НО, я исхожу из того, что вы хотите контролировать правильность работы ваших CPU.
Контроль я коим образом реализовал, а сейчас нужна схема управления. 2 модуля, установленные в крейт, буду управлять реле перегона на одной из станций. Модули взаимозаменяемы и максимально похожи друг-на друга. В 1 из модулей схема управления, от источника питания 24В будет напрявлять его во-2 ую схему, которая в свою очередь, при приходе данных, формирует последовательность импульсов для включения реле. При отказе любого из контроллеров, система не переходит в опасное состояние. Вот что бы я хотел сделать на диплом.

Последний раз редактировалось Torquato Tasso; 11.06.2015 в 21:06. Причина: Добавлено сообщение
Smeeeel вне форума   Цитировать 0
Старый 11.06.2015, 11:33   #8 (ссылка)
Страшный участник
 
Аватар для Александр 75

Регистрация: 27.04.2015
Сообщений: 254
Поблагодарил: 21 раз(а)
Поблагодарили 47 раз(а)
Фотоальбомы: не добавлял
Репутация: 107
Если это для диплома, рекомендую использовать известную, безопасную схему включения реле.
Не надо "изобретать велосипед".
Наводящий вопрос: какая использована структурная схема микропроцессорной полуавтоматической блокировки?
Александр 75 вне форума   Цитировать 0
Старый 11.06.2015, 17:31   #9 (ссылка)
Кандидат в V.I.P.

Автор темы
 
Аватар для Smeeeel

Регистрация: 30.09.2012
Сообщений: 58
Поблагодарил: 0 раз(а)
Поблагодарили 1 раз(а)
Фотоальбомы: не добавлял
Репутация: 23
Цитата:
Сообщение от Александр 75 Посмотреть сообщение
Если это для диплома, рекомендую использовать известную, безопасную схему включения реле.
Не надо "изобретать велосипед".
Наводящий вопрос: какая использована структурная схема микропроцессорной полуавтоматической блокировки?
В качестве примера брал МПБ "Промэлектроника", но убрал УСИТ и подавал с напольных электронных модулей напрямую через линию связи на шину CAN. От нее через драйвера и контролеры связи принималась информация бортовому контроллеру через протокол SPI. Взаимосвязь обьектов 1 и 2 станции производил через Контроллер связи, который имел в своем составе оптоволоконную и физ линию. У меня подсистема контроля перегона. Нужно безопасно включать реле через схемы. Я взял эту схему с той книги, к которой вы ссылались и лишь немного модернизировал. Ну а вообще применима ли она в таком случаи? Меня волнует вопрос лишь в том, промежуток между включением первого и второго контролера хватит для зарядки конденсатора во второй схеме?

Схема крутая, только вот уже диплом написан, осталось подкорректировать. Спасибо за помощь!

Smeeeel добавил 11.06.2015 в 17:31
Хотел еще спросить. Схему перемычек, который устанавливает идентификатор для контроллера, он устанавливается вне модуля? Например в крейте? Или же внутри? И как обслуживающий персонал сможет узнать о том, что он настроил не верно или с ошибкой?

Последний раз редактировалось Torquato Tasso; 11.06.2015 в 20:03. Причина: Добавлено сообщение
Smeeeel вне форума   Цитировать 0
Старый 11.06.2015, 17:45   #10 (ссылка)
V.I.P.
 
Аватар для Rafa

Регистрация: 24.10.2009
Адрес: МОЙДОДЫР
Сообщений: 5,650
Поблагодарил: 388 раз(а)
Поблагодарили 577 раз(а)
Фотоальбомы: не добавлял
Цитата:
Схема крутая, только вот уже диплом написан, осталось подкорректировать. Спасибо за помощь!
нуууууууу. смотри
Rafa добавил 11.06.2015 в 17:36
Цитата:
Меня волнует вопрос лишь в том, промежуток между включением первого и второго контролера хватит для зарядки конденсатора во второй схеме?
ди должны отрыгивать импульсы соотв. частоты.
Rafa добавил 11.06.2015 в 17:40
Цитата:
Нужно безопасно включать реле через схемы
умай. кстати применять биполярники это каменный век.
Rafa добавил 11.06.2015 в 17:44
опасный отказ
резисторы R2 зачем ?

Последний раз редактировалось Torquato Tasso; 11.06.2015 в 21:07. Причина: Добавлено сообщение
Rafa вне форума   Цитировать 1
Старый 11.06.2015, 17:49   #11 (ссылка)
Кандидат в V.I.P.

Автор темы
 
Аватар для Smeeeel

Регистрация: 30.09.2012
Сообщений: 58
Поблагодарил: 0 раз(а)
Поблагодарили 1 раз(а)
Фотоальбомы: не добавлял
Репутация: 23
Цитата:
Сообщение от Rafa Посмотреть сообщение
нуууууууу. смотри
оди должны отрыгивать импульсы соотв. частоты.
думай. кстати применять биполярники это каменный век.
опасный отказ
резисторы R2 зачем ?
Не уж то вероятность такого стечения обстоятельств велика?

Последний раз редактировалось Torquato Tasso; 11.06.2015 в 21:08.
Smeeeel вне форума   Цитировать 0
Старый 13.06.2015, 13:05   #12 (ссылка)
V.I.P.
 
Аватар для Rafa

Регистрация: 24.10.2009
Адрес: МОЙДОДЫР
Сообщений: 5,650
Поблагодарил: 388 раз(а)
Поблагодарили 577 раз(а)
Фотоальбомы: не добавлял
Rafa вне форума   Цитировать 1
Старый 16.03.2025, 22:45   #13 (ссылка)
Опытный пользователь
 
Аватар для Автоматчик_СЦБ

Регистрация: 13.10.2024
Сообщений: 1
Поблагодарил: 0 раз(а)
Поблагодарили 0 раз(а)
Фотоальбомы: не добавлял
Репутация: 0
Приветствую, а можно с тобой как то связаться ? Оставлю свою почту: vera.kappa@yandex.ru
Автоматчик_СЦБ вне форума   Цитировать 0
Похожие темы
Тема Автор Раздел Ответов Последнее сообщение
Цепь включения реле КВ при ЦАБ. lenivbuk Курсовое и дипломное проектирование 2 11.03.2014 00:24
Схема повторного включения переездной сигнализации Бывалый СЦБист Переездная сигнализация 30 06.10.2013 02:27
схема включения огней входного светофора при местном питании Jazira Курсовое и дипломное проектирование 3 26.04.2012 02:07
=Ищу= Схема включения переездных светофоров Игорь Ошурко Дипломы, курсовые, лекции, рефераты по СЦБ 1 25.03.2012 15:45
Схема включения АЛСН serzhikda Локомотивные устройства и АЛС 0 19.01.2012 18:07

Ответить в этой теме   Перейти в раздел этой темы   Translate to English

Возможно вас заинтересует информация по следующим меткам (темам):


Здесь присутствуют: 1 (пользователей: 0 , гостей: 1)
 

Ваши права в разделе
Вы не можете создавать новые темы
Вы не можете отвечать в темах
Вы не можете прикреплять вложения
Вы не можете редактировать свои сообщения

BB коды Вкл.
Смайлы Вкл.
[IMG] код Вкл.
HTML код Выкл.
Trackbacks are Вкл.
Pingbacks are Вкл.
Refbacks are Выкл.



Часовой пояс GMT +3, время: 05:24.

Яндекс.Метрика Справочник 
сцбист.ру сцбист.рф

СЦБИСТ (ранее назывался: Форум СЦБистов - Railway Automation Forum) - крупнейший сайт работников локомотивного хозяйства, движенцев, эсцебистов, путейцев, контактников, вагонников, связистов, проводников, работников ЦФТО, ИВЦ железных дорог, дистанций погрузочно-разгрузочных работ и других железнодорожников.
Связь с администрацией сайта: admin@scbist.com
1 2 3 4 5 6 7 8 9 10 11 12 13 14 15 16 17 18 19 20 21 22 23 24 25 26 27 28 29 30 31 32 33 34 
Powered by vBulletin® Version 3.8.1
Copyright ©2000 - 2026, Jelsoft Enterprises Ltd.
Powered by NuWiki v1.3 RC1 Copyright ©2006-2007, NuHit, LLC Перевод: zCarot