СЦБИСТ - железнодорожный форум, блоги, фотогалерея, социальная сеть
Ушел из жизни Крупицкий Адольф Зельманович
6 февраля 2026 года ушел из жизни Крупицкий Адольф Зельманович, более шести десятков лет проработавший в институте «Гипротранссигналсвязь». Всю свою трудовую деятельность А.З. Крупицкий посвятил проектному делу. После окончанию обучения в Ленинградском институте инженеров железнодорожного транспорта в 1959 году начал свою профессиональную деятельность в качестве старшего электромеханика дистанции сигнализации и связи на Казахской железной дороге. В 1960 году пришел на работу в институт на должность инженера, работал руководителем группы, главным инженером проектов.

Читать далее
Вернуться   СЦБИСТ - железнодорожный форум, блоги, фотогалерея, социальная сеть > Помощь студентам, аспирантам, учащимся > Курсовое и дипломное проектирование
Курсовое и дипломное проектирование Помощь в написании дипломов и курсовых работ
Закладки ДневникиПоддержка Сообщество Комментарии к фото Сообщения за день
Ответить в этой теме   Перейти в раздел этой темы    
 
В мои закладки Подписка на тему по электронной почте Отправить другу по электронной почте Опции темы Поиск в этой теме
Старый 05.02.2010, 18:46   #31 (ссылка)
Копченый
 
Аватар для Углев Дмитрий

Регистрация: 28.02.2009
Адрес: Екатеринбург
Возраст: 42
Сообщений: 3,252
Поблагодарил: 783 раз(а)
Поблагодарили 843 раз(а)
Фотоальбомы: 49 фото
Записей в дневнике: 1
Репутация: 490
Софтину напишите - будет)))
Углев Дмитрий вне форума   Цитировать 0
Старый 05.02.2010, 18:58   #32 (ссылка)
Кандидат в V.I.P.

Автор темы
 
Аватар для Mix@il scbist

Регистрация: 03.02.2010
Сообщений: 11
Поблагодарил: 0 раз(а)
Поблагодарили 1 раз(а)
Фотоальбомы: не добавлял
Репутация: 0
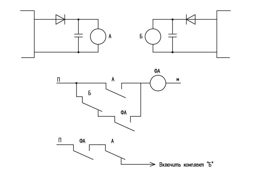
Показать не смогу... Опишу немного принцип работы:

Для контроля работоспособности осн. комлекта на выходе модуля М203.1 стоит электромагнитное реле' rel='nofollow' class='nuwiki_new_link'>реле' rel='nofollow' class='nuwiki_new_link'>реле' rel='nofollow' class='nuwiki_new_link'>реле А0.
Оно находится под током лишь в том случае, если процессор преключает транзистор на выходе модуля. В свою очередь там стоит конденсатор, который заряжается до величины сраб. реле А0.
При остановке, зависании процессора или обнаружении отказа средствами диагностики импульсная работа транзистора прекращается и реле А0 обестачивается.
Ну а там уже по нехитрой цепи и реле преключения на резерв стает под ток!

Вот я и думаю...получится ли её заставить работать с БКПМ??

Mix@il scbist добавил 05.02.2010 в 16:58
В этом я не силен

Последний раз редактировалось Mix@il scbist; 05.02.2010 в 18:58. Причина: Добавлено сообщение
Mix@il scbist вне форума   Цитировать 0
Старый 05.02.2010, 21:40   #33 (ссылка)
Старший Жрец, МПЦ-2
 
Аватар для Leonidych

Регистрация: 29.01.2010
Сообщений: 147
Поблагодарил: 6 раз(а)
Поблагодарили 58 раз(а)
Фотоальбомы: не добавлял
Репутация: 11
Все равно придется что нить городить, если использовать имеющуюся схему переключения, надо ведь понять что комплект работал и перестал.. Например начать думать с такого несимметричного варианта. ФА - фиксация запуска комплекта А

Leonidych вне форума   Цитировать 0
Старый 20.02.2010, 21:56   #34 (ссылка)
Копченый
 
Аватар для Углев Дмитрий

Регистрация: 28.02.2009
Адрес: Екатеринбург
Возраст: 42
Сообщений: 3,252
Поблагодарил: 783 раз(а)
Поблагодарили 843 раз(а)
Фотоальбомы: 49 фото
Записей в дневнике: 1
Репутация: 490
Павел_88, какова цель написания диплома на такую тему?
Углев Дмитрий вне форума   Цитировать 0
Старый 24.02.2010, 23:46   #35 (ссылка)
Кандидат в V.I.P.
 
Аватар для Павел_88

Регистрация: 19.02.2010
Сообщений: 14
Поблагодарил: 4 раз(а)
Поблагодарили 0 раз(а)
Фотоальбомы: не добавлял
Репутация: 0
У нас в Беларуси применяется ДЦ "Нёман". Все, кто пишут дипломы по ДЦ разрабатывают именно на этой базе. Я же для разнообразие, защищая свой проект покажу, что будущее за микропроцессорными системами.
Ну а так, планирую работать или на северной дороге или на октябрьской, знания возможно и пригодятся
Павел_88 вне форума   Цитировать 0
Старый 25.02.2010, 07:36   #36 (ссылка)
Копченый
 
Аватар для Углев Дмитрий

Регистрация: 28.02.2009
Адрес: Екатеринбург
Возраст: 42
Сообщений: 3,252
Поблагодарил: 783 раз(а)
Поблагодарили 843 раз(а)
Фотоальбомы: 49 фото
Записей в дневнике: 1
Репутация: 490
Понятно. Удачи, Павел)
Углев Дмитрий вне форума   Цитировать 0
Старый 05.03.2010, 10:26   #37 (ссылка)
Super V.I.P.
 
Аватар для SVR115

Регистрация: 24.02.2010
Адрес: Город на Неве
Сообщений: 710
Поблагодарил: 104 раз(а)
Поблагодарили 428 раз(а)
Фотоальбомы: не добавлял
Репутация: 493
Чего-то на "Сетунь" прорвало...

Примерный набор плакатов:
1) схем-план участка,
2) каналы связи,
3) распределение групп, таблица ТУ-ТС для одной из станций,
4) размещение оборудования на посту ЭЦ и АРМ ДНЦ,
5) схемы увязки для установки маршрутов,
6) схемы увязки для отв.команд,
7) расчет экон.эффективности и загрузки ДНЦ (факультативно, но экномисты в комиссии любят, когда на них внимание обращают).

Делается все по соответствующим ТМП и МУ, все можно найти, если не в сети, то в ШЧ.
SVR115 вне форума   Цитировать 0
Старый 05.03.2010, 12:00   #38 (ссылка)
Копченый
 
Аватар для Углев Дмитрий

Регистрация: 28.02.2009
Адрес: Екатеринбург
Возраст: 42
Сообщений: 3,252
Поблагодарил: 783 раз(а)
Поблагодарили 843 раз(а)
Фотоальбомы: 49 фото
Записей в дневнике: 1
Репутация: 490
Шабалин, плакат № 3 не нужен, достаточно указать таблицы в П.З.

Добавить бы:
схемы информационных связей
электропитания
дешифрации сигналов ТУ
подключения контролируемых объектов
Углев Дмитрий вне форума   Цитировать 0
Старый 05.03.2010, 23:07   #39 (ссылка)
Super V.I.P.
 
Аватар для SVR115

Регистрация: 24.02.2010
Адрес: Город на Неве
Сообщений: 710
Поблагодарил: 104 раз(а)
Поблагодарили 428 раз(а)
Фотоальбомы: не добавлял
Репутация: 493
Схемы информационных связей - это ЛВС и модемы?

Электропитание чего? Системник в бесперебойник включить?

Дешифрация ТУ и подкючение объетов ТС - Там схем альбом в палец толщиной. Все не начертишь, достаточно увязки с установкой маршрутов.

А без таблиц ТУ-ТС на плакатах диплом по ДЦ - это не диплом.

А вообще в альбомах все это нарисовано, бери что хочешь в любом сочетании. Мой делает по моему списку.
SVR115 вне форума   Цитировать 0
Старый 06.03.2010, 08:07   #40 (ссылка)
Копченый
 
Аватар для Углев Дмитрий

Регистрация: 28.02.2009
Адрес: Екатеринбург
Возраст: 42
Сообщений: 3,252
Поблагодарил: 783 раз(а)
Поблагодарили 843 раз(а)
Фотоальбомы: 49 фото
Записей в дневнике: 1
Репутация: 490
Схемы информационных связей - подключение БРКП, ЛВС + включение в канал связи (ТЧ, ВОЛС,ФЛС)

Электропитание - в первую очередь схема переключения комплектов, т.е. резервирование (реле УР, УП, СБ, РР и т.п.)

Дешифрация ТУ и подключение объектов ТС - необходимый элемент, довольно сложный, особенно построение таблиц ТУ.

У нас в универе состав плакатов и то, что будет изображено на них определяется дипломником и его руководителем, так что дело это довольно "свободное")))
Углев Дмитрий вне форума   Цитировать 0
Старый 09.05.2010, 17:16   #41 (ссылка)
Кандидат в V.I.P.
 
Аватар для Павел_88

Регистрация: 19.02.2010
Сообщений: 14
Поблагодарил: 4 раз(а)
Поблагодарили 0 раз(а)
Фотоальбомы: не добавлял
Репутация: 0
Вроде со всем разобрался, кроме Ответственных ТУ. Что за схемы увязки ОТУ, не подскажете.

Павел_88 добавил 09.05.2010 в 15:16
Схемы увязки ответственных команд - это подулючение ОМУЛ к БКПМ, что ли?

Последний раз редактировалось Павел_88; 09.05.2010 в 17:16. Причина: Добавлено сообщение
Павел_88 вне форума   Цитировать 0
Старый 09.05.2010, 17:26   #42 (ссылка)
Копченый
 
Аватар для Углев Дмитрий

Регистрация: 28.02.2009
Адрес: Екатеринбург
Возраст: 42
Сообщений: 3,252
Поблагодарил: 783 раз(а)
Поблагодарили 843 раз(а)
Фотоальбомы: 49 фото
Записей в дневнике: 1
Репутация: 490
Павел_88, обратите внимание на ТМП

ТМП 410728 ДЦ ДЦ Сетунь - Альбом 2 -> 410728-ТМП-01 -> лист 2.
ТМП 410728 ДЦ Сетунь - Альбом 2 -> 410728-ТМП-04 -> листы 12 и 14.
Это то, что касется ЛП ДЦ "Сетунь".


ТМП 410728 ДЦ Сетунь - Альбом 2 -> 410728-ТМП-02 -> лист 2. Это то, что касется ЦП ДЦ "Сетунь".
Углев Дмитрий вне форума   Цитировать 0
Старый 09.05.2010, 17:43   #43 (ссылка)
Кандидат в V.I.P.
 
Аватар для Павел_88

Регистрация: 19.02.2010
Сообщений: 14
Поблагодарил: 4 раз(а)
Поблагодарили 0 раз(а)
Фотоальбомы: не добавлял
Репутация: 0
Спасибо, теперь с устройством СПОК всё понятно.
Скажите, если у меня станция небольшая, можно не делать Сложные ТУ, двухимпульсные ТУ.
Я делаю простые ТУ и Ответственные ТУ (СПОК).
ТМП - очень мне помогла, но жаль, что там нет подробного описания схем.- для полного счастья, а то есть вопросы, где надо голову поломать.
Павел_88 вне форума   Цитировать 0
Старый 09.05.2010, 17:50   #44 (ссылка)
Копченый
 
Аватар для Углев Дмитрий

Регистрация: 28.02.2009
Адрес: Екатеринбург
Возраст: 42
Сообщений: 3,252
Поблагодарил: 783 раз(а)
Поблагодарили 843 раз(а)
Фотоальбомы: 49 фото
Записей в дневнике: 1
Репутация: 490
Если объема простых одноимпульсных команд Вам хватает, то пожалуйста, используйте только их.

А что Вы подразумеваете под "подробного описания схем" ?
Углев Дмитрий вне форума   Цитировать 0
Старый 09.05.2010, 19:40   #45 (ссылка)
Кандидат в V.I.P.
 
Аватар для Павел_88

Регистрация: 19.02.2010
Сообщений: 14
Поблагодарил: 4 раз(а)
Поблагодарили 0 раз(а)
Фотоальбомы: не добавлял
Репутация: 0
Что бы полностью понять как работает сема, скажем схема управления и вспомогательного перевода стрелок нужно знатьназначение каждого реле, мне например непонятна задача таких реле, как СБ, СФ, КСВ (может опечатка на схеме, не КСВ, а ГСВ). Хотелось бы узнать, что за провод СИВ - нужен для искуственной разделки, а куда он идёт? Что за реле СФ/ГУ.

Очень интересно как правильно назвать места соединений, начинающиеся с буквы В, например В13,
Павел_88 вне форума   Цитировать 0
Похожие темы
Тема Автор Раздел Ответов Последнее сообщение
ПО для блоков проверки БКПМ, БРКП (ДЦ "Сетунь") Shved Программное обеспечение и визуальные материалы 7 21.10.2013 13:02
=Техн. решения= Электрическая централизация ст. Бологое. Увязка МПЦ ЭЦ-ЕМ с ДЦ "Сетунь" и ДЦ "Тракт" - 230402 ТР Admin Диспетчерские централизации и диспетчерский контроль 3 18.10.2013 19:49
Регламент эксплуатационно-технического взаимодействия между персоналом ОАО "РЖД" и "СИБИНТЕК" для обеспечения информационного обмена по спутниковым каналам с системой "ЭТРАН" Admin Связь на ж/д транспорте 0 20.04.2011 17:20
=ТМП= Система ДЦ "Сетунь" - 410109-ТМП + методика эксплуатационных испытаний СЦБист Диспетчерские централизации и диспетчерский контроль 12 25.12.2010 11:04
Презентация "Состав контролируемого пункта системы ДЦ "Сетунь" на базе БКПМ" Углев Дмитрий Мультимедиа 4 15.09.2010 14:14

Ответить в этой теме   Перейти в раздел этой темы   Translate to English

Возможно вас заинтересует информация по следующим меткам (темам):
, , , , , , , ,


Здесь присутствуют: 1 (пользователей: 0 , гостей: 1)
 

Ваши права в разделе
Вы не можете создавать новые темы
Вы не можете отвечать в темах
Вы не можете прикреплять вложения
Вы не можете редактировать свои сообщения

BB коды Вкл.
Смайлы Вкл.
[IMG] код Вкл.
HTML код Выкл.
Trackbacks are Вкл.
Pingbacks are Вкл.
Refbacks are Выкл.



Часовой пояс GMT +3, время: 19:38.

Яндекс.Метрика Справочник 
сцбист.ру сцбист.рф

СЦБИСТ (ранее назывался: Форум СЦБистов - Railway Automation Forum) - крупнейший сайт работников локомотивного хозяйства, движенцев, эсцебистов, путейцев, контактников, вагонников, связистов, проводников, работников ЦФТО, ИВЦ железных дорог, дистанций погрузочно-разгрузочных работ и других железнодорожников.
Связь с администрацией сайта: admin@scbist.com
1 2 3 4 5 6 7 8 9 10 11 12 13 14 15 16 17 18 19 20 21 22 23 24 25 26 27 28 29 30 31 32 33 34 
Powered by vBulletin® Version 3.8.1
Copyright ©2000 - 2026, Jelsoft Enterprises Ltd.
Powered by NuWiki v1.3 RC1 Copyright ©2006-2007, NuHit, LLC Перевод: zCarot