СЦБИСТ - железнодорожный форум, блоги, фотогалерея, социальная сеть
Ушел из жизни Крупицкий Адольф Зельманович
6 февраля 2026 года ушел из жизни Крупицкий Адольф Зельманович, более шести десятков лет проработавший в институте «Гипротранссигналсвязь». Всю свою трудовую деятельность А.З. Крупицкий посвятил проектному делу. После окончанию обучения в Ленинградском институте инженеров железнодорожного транспорта в 1959 году начал свою профессиональную деятельность в качестве старшего электромеханика дистанции сигнализации и связи на Казахской железной дороге. В 1960 году пришел на работу в институт на должность инженера, работал руководителем группы, главным инженером проектов.

Читать далее
Вернуться   СЦБИСТ - железнодорожный форум, блоги, фотогалерея, социальная сеть > Уголок СЦБИСТа > Книги и журналы > xx3
Закладки ДневникиПоддержка Сообщество Комментарии к фото Сообщения за день
Ответить в этой теме   Перейти в раздел этой темы    
 
В мои закладки Подписка на тему по электронной почте Отправить другу по электронной почте Опции темы Поиск в этой теме
Старый 19.05.2015, 21:46   #1 (ссылка)
Кандидат в V.I.P.
 
Аватар для poster334

Регистрация: 14.05.2015
Сообщений: 193
Поблагодарил: 0 раз(а)
Поблагодарили 9 раз(а)
Фотоальбомы: не добавлял
Репутация: 0

Тема: [10-2014] Универсальный пробник и устройство для зарядки различных типов аккумуляторов


Универсальный пробник и устройство для зарядки различных типов аккумуляторов

Электромеханик Т.В. Федорова трудится в РТУ Тульской дистанции СЦБ Московской ДИ более 15 лет. За это время она разработала и внедрила более 30 рационализаторских предложений, направленых на повышение уровня безопасности труда, качества ремонта аппаратуры и обеспечение безопасности движения поездов. Вниманию читателей предлагаются доработанные Татьяной Вячеславовной типовые схемные решения, которые эффективно применяются на ремонтно-технологическом участке.

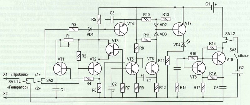
УНИВЕРСАЛЬНЫЙ ПРОБНИК

Для более эффективного поиска неисправных узлов при ремонте устройств предлагается использовать универсальный пробник. Он подходит для проверки всей электрической цепи, а также ее отдельных элементов: диодов, транзисторов, конденсаторов, резисторов. С помощью пробника можно также определить наличие постоянного и переменного напряжения от 1 до 400 В, найти фазный и нулевой провода, обрыв и короткое замыкание обмоток трансформаторов, дросселей, реле, магнитных пускателей, электродвигателей.


Схема пробника представлена на рисунке, тип и номинальные значения ее элементов - в таблице. Пробник питается от двух источников постоянного напряжения по 1,5 В. В схеме используется измерительный генератор, выполненный на транзисторах VT1, VT2. Имеется также собранный на транзисторах VT5, VT6 генератор импульсов, режим работы которого зависит от напряжения смещения на базе транзистора VT5. Необходимый сдвиг фаз напряжения между эмиттером VT2 и базой VT5 создает работающий в диодном режиме транзистор VT3.


В соответствии с режимом работы генератора импульсов совместно с усилителем мощности (на транзисторе VT7) светодиод VD4 находится в трех состояниях: погасшем, мигает или непрерывно горит.

В схеме применен выполненный на транзисторе VT4 усилитель постоянного тока, с помощью которого определяют состояние резисторов и наличие напряжения. Имеется триггерный мультивибратор с рабочей частотой около 1 кГц, собранный на транзисторах VT8, VT9. Мультивибратор используется для «звуковой прозвонки» электрических цепей.

Для проверки исправности резисторов сопротивлением до 500 кОм, а также транзисторов, диодов, конденсаторов емкостью от 5 нФ до 10 мкФ и для определения фазного провода переключатель SA1 устанавливают в положение «Пробник», a SA2 - в положение «1». Выбранный для испытания элемент подключают к пробнику.

Наличие переменного напряжения определяют путем подключения щупов к узлам схемы. Если светодиод загорается, узел под напряжением. При постоянном напряжении 1-400 В VD4 загорается только, если на щупе X1 присутствует «плюс» источника напряжения.

Исправность диодов и транзисторов оценивают по состоянию р-n перехода. В случае обрыва VD4 в погасшем состоянии, при пробое - горит постоянно.

При подключении к пробнику исправного конденсатора VD4 вспыхивает, а затем гаснет. Длительность вспышки зависит от емкости конденсатора: чем она больше, тем дольше светится светодиод. Если конденсатор пробит или имеет большую утечку светодиод горит постоянно.

Фазный провод определяют с помощью двух щупов: одним (X1) касаются проверяемого провода, другой (X2) - держат в руке. Горящий светодиод свидетельствует о том, что проверяемый провод фазный.

Для проверки исправности катушек индуктивности от 200 мкГн до 2 Гн и конденсаторов емкостью 10-2000 мкФ переключатель SA1 остается в положении «Пробник», a SA2 устанавливают в положение «2». Затем подключают испытываемую катушку и регулятор R1 перемещают в определенное положение. В случае исправности проверяемой обмотки - светодиод мигает, при коротком замыкании витков - горит непрерывно, при обрыве - погасший.

Пробник можно использовать также в качестве генератора сигналов. Для этого переключатель SA1 устанавливают в положение «Генератор», щупы подключают: Х1 - к соответствующей точке схемы, X2 - к «массе» проверяемого устройства.

При подключении последовательно со щупом X1 наушника, можно выполнять «звуковую прозвонку» электрических цепей.

Предлагаемый пробник дает возможность совершенствовать технологию ремонта и проверки приборов СЦБ.

УСТРОЙСТВО ДЛЯ ЗАРЯДКИ РАЗЛИЧНЫХ ТИПОВ АККУМУЛЯТОРОВ

Во многих контрольно-измерительных приборах используются аккумуляторы различных типов и емкостей. Для их зарядки разработано зарядное устройство ЗУ, схема которого представлена на рисунке. Оно подходит для заряда разного типа батарей-кислотных герметичных 12,6 В, литиевых 3,6 В, а также щелочных 7,2 В с любым количеством элементов.


Для защиты ЗУ от неправильного включения аккумулятора в схеме имеются диод VD7 и предохранитель FU2. Емкость аккумулятора С выбирается с учетом того, что на 1 А необходимо 2000 мкФ.

Чтобы полностью зарядить аккумулятор, предварительно он должен быть полностью разряжен, а в процессе подзарядки получить 120 % номинального заряда. Время зарядки в рекомендованном режиме составляет 12 ч.
poster334 вне форума   Цитировать 0
Старый 09.09.2015, 08:13   #2 (ссылка)
Робот
 
Аватар для СЦБот

Регистрация: 05.05.2009
Сообщений: 2,483
Поблагодарил: 0 раз(а)
Поблагодарили 82 раз(а)
Фотоальбомы: не добавлял
Репутация: 0

Тема: Тема перенесена


Эта тема была перенесена из раздела Журнал "Автоматика, связь, информатика".

Перенес: Admin
СЦБот вне форума   Цитировать 0
Похожие темы
Тема Автор Раздел Ответов Последнее сообщение
[09-2014] Универсальный трансмиттер ЭКПТ-УС poster334 xx3 23 27.02.2024 18:39
[10-2014] Универсальный стенд poster334 xx3 0 19.05.2015 17:57
32 ЦШ 10.26-2014 - Методические указания по применению и обслуживанию стационарных свинцово-кислотных аккумуляторов фирмы «SUNLIGHT» Admin Системы централизации и блокировки 0 02.11.2014 12:07
[04-2014] Универсальный специалист Admin xx3 0 12.07.2014 12:38
=ТК №2= Устройство места зарядки щебнеочистительных машин ОТ-400 , СЧ-600 и им подобным Admin Самоучитель путейца 0 03.04.2012 13:18

Ответить в этой теме   Перейти в раздел этой темы   Translate to English

Возможно вас заинтересует информация по следующим меткам (темам):


Здесь присутствуют: 1 (пользователей: 0 , гостей: 1)
 

Ваши права в разделе
Вы не можете создавать новые темы
Вы не можете отвечать в темах
Вы не можете прикреплять вложения
Вы можете редактировать свои сообщения

BB коды Вкл.
Смайлы Вкл.
[IMG] код Вкл.
HTML код Выкл.
Trackbacks are Вкл.
Pingbacks are Вкл.
Refbacks are Выкл.



Часовой пояс GMT +3, время: 03:20.

Яндекс.Метрика Справочник 
сцбист.ру сцбист.рф

СЦБИСТ (ранее назывался: Форум СЦБистов - Railway Automation Forum) - крупнейший сайт работников локомотивного хозяйства, движенцев, эсцебистов, путейцев, контактников, вагонников, связистов, проводников, работников ЦФТО, ИВЦ железных дорог, дистанций погрузочно-разгрузочных работ и других железнодорожников.
Связь с администрацией сайта: admin@scbist.com
1 2 3 4 5 6 7 8 9 10 11 12 13 14 15 16 17 18 19 20 21 22 23 24 25 26 27 28 29 30 31 32 33 34 
Powered by vBulletin® Version 3.8.1
Copyright ©2000 - 2026, Jelsoft Enterprises Ltd.
Powered by NuWiki v1.3 RC1 Copyright ©2006-2007, NuHit, LLC Перевод: zCarot