СЦБИСТ - железнодорожный форум, блоги, фотогалерея, социальная сеть
Ушел из жизни Крупицкий Адольф Зельманович
6 февраля 2026 года ушел из жизни Крупицкий Адольф Зельманович, более шести десятков лет проработавший в институте «Гипротранссигналсвязь». Всю свою трудовую деятельность А.З. Крупицкий посвятил проектному делу. После окончанию обучения в Ленинградском институте инженеров железнодорожного транспорта в 1959 году начал свою профессиональную деятельность в качестве старшего электромеханика дистанции сигнализации и связи на Казахской железной дороге. В 1960 году пришел на работу в институт на должность инженера, работал руководителем группы, главным инженером проектов.

Читать далее
Вернуться   СЦБИСТ - железнодорожный форум, блоги, фотогалерея, социальная сеть > Эксплуатация устройств СЦБ > Постовое и напольное оборудование > Устройства электропитания и ДГА
Закладки ДневникиПоддержка Сообщество Комментарии к фото Сообщения за день
Ответить в этой теме   Перейти в раздел этой темы    
 
В мои закладки Подписка на тему по электронной почте Отправить другу по электронной почте Опции темы Поиск в этой теме
Старый 20.06.2012, 23:32   #16 (ссылка)
Super V.I.P.
 
Аватар для zawodik

Регистрация: 28.11.2009
Сообщений: 1,467
Поблагодарил: 9 раз(а)
Поблагодарили 348 раз(а)
Фотоальбомы: не добавлял
Репутация: 476
Цитата:
Сообщение от sunserone
Хотелось бы по этому поводу задать вопрос конечно же Ник. Ник. как выходить из такой ситуации и почему ЭЛТЕЗА сняла с производства старые стойки питания и не предусмотрела в новых стойках возможность питания как светодиодных пультов так и ламповых?
Ребята, ЭЛТЕЗА не может в панелях питания предусмотреть разные варианты питания табло. "Хранители" чертежей НИИАС, ЭЛТЕЗА просто исполнители. Без указания НИИАС они даже чихнуть не имеют права. А НИИАС и ЭЛТЕЗА это теперь две разные компании, два разных акционерных общества. Взаимодействие между ними сильно затруднено. Даже за то, чтобы исправить ошибки в документации, НИИАС требует деньги. Боюсь, что Николай Николаевич бессилен что-то изменить в сложившейся ситуации. Тем более, что он часто напоминает, что у нас теперь рынок и т.д. Может быть у меня ностальгия по МПС, но общая цель - эффективность перевозок сменилась на кучу частных - получение индивидуальной прибыли.

P.S. Ассоциация, конечно, не в тему и я, возможно, неправ, но боюсь, как бы отношения между эксплуатацией и ремонтом после разделения хозяйства не стали такими же, как между НИИАСом и ЭЛТЕЗой.
zawodik вне форума   Цитировать 0
Старый 21.06.2012, 12:48   #17 (ссылка)
Опытный пользователь
 
Аватар для скобарь74

Регистрация: 04.12.2011
Сообщений: 1,316
Поблагодарил: 68 раз(а)
Поблагодарили 111 раз(а)
Фотоальбомы: не добавлял
Репутация: 87
Цитата:
почему именно он?
разве СОБС-2МП не хватит?
Просто ПОБС-5 обкатан в СПМС и батарейных и без
скобарь74 вне форума   Цитировать 0
Старый 26.06.2012, 18:05   #18 (ссылка)
Регулировщик-любитель
 
Аватар для Витос

Регистрация: 13.04.2009
Сообщений: 5,099
Поблагодарил: 853 раз(а)
Поблагодарили 1162 раз(а)
Фотоальбомы: 23 фото
Репутация: 1346
Вопрос чуть-чуть не в тему, но близко: как кто решает проблему питания табло при замене на светодиодное. У меня проект замены пяти секций. Раньше на все пять секций было питание с одного ПРББ и всё нормально тянуло. Теперь ШЧГ требует ставить два раздельных питания 6В для разных секций. Это потянет за собой большой перемонтаж, а времени на это нет. Не вдаваясь в расчёты можно ли навскидку прикинуть: потянет ли один БП всё табло?
__________________
Если проблему решить можно — не стоит о ней беспокоиться,
Если проблему решить нельзя — беспокоиться бесполезно.
Далай-Лама XIV.

Что было, то и будет, и что делалось, то и будет делаться, и нет ничего нового под солнцем. Бывает нечто, о чем говорят: "смотри, вот это новое"; но это было уже в веках, бывших прежде нас.
Книга Екклесиаста [9:10]


Витос вне форума   Цитировать 0
Старый 26.06.2012, 18:21   #19 (ссылка)
))
 
Аватар для Sama Y

Регистрация: 22.02.2010
Адрес: Екатеринбург
Сообщений: 2,535
Поблагодарил: 2253 раз(а)
Поблагодарили 1401 раз(а)
Фотоальбомы: не добавлял
Записей в дневнике: 6
Цитата:
ШЧГ требует
а ШЧГ на основании чего требует? просчитывал?
Sama Y вне форума   Цитировать 0
Старый 26.06.2012, 18:31   #20 (ссылка)
__
 
Аватар для Николай Николаевич

Регистрация: 10.09.2010
Адрес: Москва
Возраст: 64
Сообщений: 13,931
Поблагодарил: 408 раз(а)
Поблагодарили 2363 раз(а)
Фотоальбомы: не добавлял
Репутация: 1516
А мне сегодня пришло официальное письмо от одной из проектных организаций на данную тему. Поручил рассмотреть и подготовить ответ и разъяснение на сеть.
Николай Николаевич вне форума   Цитировать 0
Старый 26.06.2012, 18:51   #21 (ссылка)
Регулировщик-любитель
 
Аватар для Витос

Регистрация: 13.04.2009
Сообщений: 5,099
Поблагодарил: 853 раз(а)
Поблагодарили 1162 раз(а)
Фотоальбомы: 23 фото
Репутация: 1346
Цитата:
Сообщение от Sama Y Посмотреть сообщение
а ШЧГ на основании чего требует? просчитывал?
Мотивирует тем, что у них были проблемы на другой станции в аналогичной ситуации и им пришлось ставить два БП.
Цитата:
Сообщение от Николай Николаевич Посмотреть сообщение
А мне сегодня пришло официальное письмо от одной из проектных организаций на данную тему. Поручил рассмотреть и подготовить ответ и разъяснение на сеть.
И на форум сразу, хорошо?
Я консультировался с очень грамотным и авторитетным проектировщиком, он мне сказал, что одного БП за глаза хватает.
__________________
Если проблему решить можно — не стоит о ней беспокоиться,
Если проблему решить нельзя — беспокоиться бесполезно.
Далай-Лама XIV.

Что было, то и будет, и что делалось, то и будет делаться, и нет ничего нового под солнцем. Бывает нечто, о чем говорят: "смотри, вот это новое"; но это было уже в веках, бывших прежде нас.
Книга Екклесиаста [9:10]


Витос вне форума   Цитировать 0
Старый 26.06.2012, 18:54   #22 (ссылка)
__
 
Аватар для Николай Николаевич

Регистрация: 10.09.2010
Адрес: Москва
Возраст: 64
Сообщений: 13,931
Поблагодарил: 408 раз(а)
Поблагодарили 2363 раз(а)
Фотоальбомы: не добавлял
Репутация: 1516
Цитата:
Сообщение от Витос Посмотреть сообщение
И на форум сразу, хорошо?
Сам-то я не умею...
Придется попросить помощников.
Николай Николаевич вне форума   Цитировать 0
Старый 26.06.2012, 19:33   #23 (ссылка)
Super V.I.P.
 
Аватар для Суховерша Алексей

Регистрация: 24.01.2011
Адрес: Калининград
Возраст: 63
Сообщений: 9,083
Поблагодарил: 1794 раз(а)
Поблагодарили 2156 раз(а)
Фотоальбомы: 710 фото
Репутация: 673
Цитата:
Сообщение от Витос Посмотреть сообщение
Вопрос чуть-чуть не в тему, но близко: как кто решает проблему питания табло при замене на светодиодное. У меня проект замены пяти секций. Раньше на все пять секций было питание с одного ПРББ и всё нормально тянуло. Теперь ШЧГ требует ставить два раздельных питания 6В для разных секций. Это потянет за собой большой перемонтаж, а времени на это нет. Не вдаваясь в расчёты можно ли навскидку прикинуть: потянет ли один БП всё табло?
У нас четыре секции выносного табло один БП 6В питает, меняли также, было ПРББ. Проблем нет.
__________________
Россия - Калининград.
Границы разные, страна - одна.

Я хотел бы служить кондуктором в трамвае, а уж хуже этой работы нет ничего на свете.
Суховерша Алексей вне форума   Цитировать 1
Старый 26.06.2012, 20:30   #24 (ссылка)
Злой Эльф
 
Аватар для sunserone

Регистрация: 28.02.2009
Сообщений: 923
Поблагодарил: 48 раз(а)
Поблагодарили 325 раз(а)
Фотоальбомы: не добавлял
Репутация: 242
Мы считали тянет или нет, ток светодиода известен, ток источника тоже, чтоб не париться считали что все светодиодны горят, получали ток нагрузки. Тем более что ток нагрузки нужно знать для того чтобы подобрать сечение кабеля по падению напряжения, пульт то может стоять далеко и 6В можно быстро растерять.
__________________
Делай всё по чертежу.

Последний раз редактировалось sunserone; 26.06.2012 в 20:32.
sunserone вне форума   Цитировать 0
Старый 26.06.2012, 20:43   #25 (ссылка)
Super V.I.P.
 
Аватар для Суховерша Алексей

Регистрация: 24.01.2011
Адрес: Калининград
Возраст: 63
Сообщений: 9,083
Поблагодарил: 1794 раз(а)
Поблагодарили 2156 раз(а)
Фотоальбомы: 710 фото
Репутация: 673
Попутный вопрос: при замене табло на светодиоды надо менять предохранитель 5А "шт. сх" - пред индикации СХ по штепсельным стативам на меньший?. ЭЦ типа МРЦ-13, станция большая.
__________________
Россия - Калининград.
Границы разные, страна - одна.

Я хотел бы служить кондуктором в трамвае, а уж хуже этой работы нет ничего на свете.
Суховерша Алексей вне форума   Цитировать 1
Старый 26.06.2012, 21:22   #26 (ссылка)
Злой Эльф
 
Аватар для sunserone

Регистрация: 28.02.2009
Сообщений: 923
Поблагодарил: 48 раз(а)
Поблагодарили 325 раз(а)
Фотоальбомы: не добавлял
Репутация: 242
Преды расписаны в альбоме ЭЦ-10-2010, мы обычно при замене пульта не меняем, хоть токи при замене на светодиоды и меньше (номиналы вроде тоже меньше), но существующие преды обеспечивают защиту при к.з., поэтому старое не ворошим.
__________________
Делай всё по чертежу.
sunserone вне форума   Цитировать 0
Старый 26.06.2012, 21:42   #27 (ссылка)
Super V.I.P.

Автор темы
 
Аватар для Макс - МЖД

Регистрация: 04.03.2010
Адрес: Москва
Возраст: 37
Сообщений: 904
Поблагодарил: 83 раз(а)
Поблагодарили 90 раз(а)
Фотоальбомы: 10 фото
Репутация: 188
а что касается моего пульта: запитал от 6В, лампы СКЛ отлично видно Переделка на 24В не потребовалась
Макс - МЖД вне форума   Цитировать 0
Старый 29.06.2012, 12:14   #28 (ссылка)
Регулировщик-любитель
 
Аватар для Витос

Регистрация: 13.04.2009
Сообщений: 5,099
Поблагодарил: 853 раз(а)
Поблагодарили 1162 раз(а)
Фотоальбомы: 23 фото
Репутация: 1346

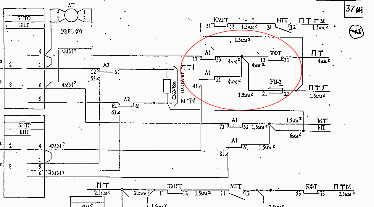
Вопрос: Кто подскажет, как раскладываются провода 4 квадрата в отмеченном узле? По два провода в ламельки плат кольцом, или, допустим, с нулевок(верхушек)?
__________________
Если проблему решить можно — не стоит о ней беспокоиться,
Если проблему решить нельзя — беспокоиться бесполезно.
Далай-Лама XIV.

Что было, то и будет, и что делалось, то и будет делаться, и нет ничего нового под солнцем. Бывает нечто, о чем говорят: "смотри, вот это новое"; но это было уже в веках, бывших прежде нас.
Книга Екклесиаста [9:10]


Витос вне форума   Цитировать 0
Старый 29.06.2012, 12:40   #29 (ссылка)
Корифей СЦБ
 
Аватар для Александр

Регистрация: 25.02.2009
Адрес: Ленинград
Возраст: 49
Сообщений: 9,595
Поблагодарил: 1614 раз(а)
Поблагодарили 2348 раз(а)
Фотоальбомы: 1 фото
Репутация: 1386
Цитата:
Сообщение от Витос
Вопрос: Кто подскажет, как раскладываются провода 4 квадрата в отмеченном узле? По два провода в ламельки плат кольцом, или, допустим, с нулевок(верхушек)?
На плату АПШ можно паять 2 провода до 6мм2. Там объединены спец перемычками и наконечниками выводы 13-22, 21-23, 33-42, 41-43, 53-62, 61-63, 73-82, 81-83. Например, один провод до 6мм2 подпаивается на вывод 13, второй на вывод 22.
__________________
"Не думай. Думаешь - не говори. Думаешь и говоришь - не пиши. Думаешь, говоришь и пишешь - не подписывай. Думаешь, говоришь, пишешь и подписываешь - не удивляйся."
Ф.Э. Дзержинский.
Александр вне форума   Цитировать 2
Поблагодарили:
Данный пост получил благодарности от пользователей
Старый 02.07.2012, 07:27   #30 (ссылка)
Super V.I.P.
 
Аватар для KPV

Регистрация: 27.09.2009
Сообщений: 615
Поблагодарил: 53 раз(а)
Поблагодарили 267 раз(а)
Фотоальбомы: не добавлял
Репутация: 358
Цитата:
Сообщение от Александр
На плату АПШ можно паять 2 провода до 6мм2. Там объединены спец перемычками и наконечниками выводы 13-22, 21-23, 33-42, 41-43, 53-62, 61-63, 73-82, 81-83. Например, один провод до 6мм2 подпаивается на вывод 13, второй на вывод 22.
Какой документ это регламентирует?
KPV вне форума   Цитировать 0
Похожие темы
Тема Автор Раздел Ответов Последнее сообщение
Лампочки пульт-табло Sergey Gorbachev Общие вопросы эксплуатации устройств СЦБ 50 25.12.2025 09:46
Пульт-табло ППНБ Макс - МЖД Постовое и напольное оборудование 36 02.03.2021 12:08
Вопрос по пульт-табло viking84 Движенцы 63 29.10.2014 05:15
пульт-табло Admin Wiki СЦБ 0 09.05.2011 20:06
Питание пульт-табло с лампочками от новой питающей shadeshade Устройства электропитания и ДГА 7 11.08.2010 18:21

Ответить в этой теме   Перейти в раздел этой темы   Translate to English

Возможно вас заинтересует информация по следующим меткам (темам):
, , , , ,


Здесь присутствуют: 1 (пользователей: 0 , гостей: 1)
 

Ваши права в разделе
Вы не можете создавать новые темы
Вы не можете отвечать в темах
Вы не можете прикреплять вложения
Вы не можете редактировать свои сообщения

BB коды Вкл.
Смайлы Вкл.
[IMG] код Вкл.
HTML код Выкл.
Trackbacks are Вкл.
Pingbacks are Вкл.
Refbacks are Выкл.



Часовой пояс GMT +3, время: 21:35.

Яндекс.Метрика Справочник 
сцбист.ру сцбист.рф

СЦБИСТ (ранее назывался: Форум СЦБистов - Railway Automation Forum) - крупнейший сайт работников локомотивного хозяйства, движенцев, эсцебистов, путейцев, контактников, вагонников, связистов, проводников, работников ЦФТО, ИВЦ железных дорог, дистанций погрузочно-разгрузочных работ и других железнодорожников.
Связь с администрацией сайта: admin@scbist.com
1 2 3 4 5 6 7 8 9 10 11 12 13 14 15 16 17 18 19 20 21 22 23 24 25 26 27 28 29 30 31 32 33 34 
Powered by vBulletin® Version 3.8.1
Copyright ©2000 - 2026, Jelsoft Enterprises Ltd.
Powered by NuWiki v1.3 RC1 Copyright ©2006-2007, NuHit, LLC Перевод: zCarot