СЦБИСТ - железнодорожный форум, блоги, фотогалерея, социальная сеть

СЦБИСТ - железнодорожный форум, блоги, фотогалерея, социальная сеть (https://scbist.com/)
-   Связь на железнодорожном транспорте (https://scbist.com/svyaz-na-zheleznodorozhnom-transporte/)
-   -   Всем кому интересны темы р/связи и ПСГО (https://scbist.com/svyaz-na-zheleznodorozhnom-transporte/21964-vsem-komu-interesny-temy-r-svyazi-i-psgo.html)

Вы просматриваете версию для печати. Если вы хотите увидеть статью полностью - перейдите по ссылке

beatl 18.08.2013 15:38

Вложений: 3
Комерадос, опознайте бога ради этот грешный блок питания, ориентировочно DC/DC 50/12В. И помогите схемкой.
По симптомам - пытается запустится, на выходе скачки напряжения до 12В.

radist_ss 19.08.2013 00:40

посмотри выходные цепи, поменяй электролиты

kissoleg 19.08.2013 09:57

длинный кабель рк. думал что большое затухание будет, да и настраивать будет полегче на посту. Сейчас стоит такое соединение, думаю менять его или нет. растояние большое от рс до волновода. РК кабель в моей схеме работает как РК или как обычный провод? если на рк много неправильно сделанных муфт стоит ли их земенить?

Старик Хоттабыч 19.08.2013 22:38

Цитата:

Сообщение от kissoleg (Сообщение 166423)
длинный кабель рк. думал что большое затухание будет, да и настраивать будет полегче на посту. Сейчас стоит такое соединение, думаю менять его или нет. растояние большое от рс до волновода. РК кабель в моей схеме работает как РК или как обычный провод? если на рк много неправильно сделанных муфт стоит ли их земенить?

не помню коэффициенты но с каждым соединением увеличивается затухание- старые схемы у нас работали на длине кабеля до АНСУ до 150 м без замечаний и кабель был цельный- сейчас ВЧ-запитки и длина уменьшилась до 60-90 м...:smile_24::laduh::smile_24:

NikoS 02.09.2013 11:25

Коллеги, вот еще пара вопросов тем, у кого эксплуатируются диэлектрические опоры ПСГО. Правильно ли я понимаю, что переговорные устройства для них идут особые, "свои", а громкоговорители как обычно? Как стоят они вообще, стоит ли постепенно выменивать старые добрые мсц-8?

Старик Хоттабыч 02.09.2013 23:32

Вложений: 2
Цитата:

Сообщение от NikoS (Сообщение 168172)
Коллеги, вот еще пара вопросов тем, у кого эксплуатируются диэлектрические опоры ПСГО. Правильно ли я понимаю, что переговорные устройства для них идут особые, "свои", а громкоговорители как обычно? Как стоят они вообще, стоит ли постепенно выменивать старые добрые мсц-8?

стоит, сфоткаю и выложу опору - особенность-колонка встроеная в опору и динамики крепятся на оголовок закрывающий трубу, монтаж внутри, монтируют и я радуюсь этому счастью, еще бы колонки сделали антивандальными и вообще тогда бы прелесть была, как микрофонные колонки поведут себя в работе пока не ведаю, а вот ПУ У уже сыплются на другой станции....:smile_24::laduh:
выложил две фотки в разное в файлообменник...

HNS 04.09.2013 16:20

А что там в них сыплется, в ПУУ

Старик Хоттабыч 04.09.2013 18:19

Цитата:

Сообщение от HNS (Сообщение 168442)
А что там в них сыплется, в ПУУ

схему обещали подбросить- по отзывам ключ вылетает в микрофонной цепи...:smile_24:

HNS 05.09.2013 01:56

это подойдет

http://morepic.ru/images3/34587_9175.jpg

Zabajkalec 28.10.2013 21:03

почему при противофазном распространении КСВ не хочет настраиваться на РЛСМ-10-42?

Adagumer 28.10.2013 22:40

Цитата:

Сообщение от Zabajkalec
при противофазном распространении

А что распространяется противофазно?

Zabajkalec 01.11.2013 00:10

где настроилось на КСВ 1.1 судя по графику от ВЛ то противофазно =) те на два плеча . где не пошло то синфазно те на одно плече . "земля " хорошая СК6 настроенные индуктивные запитки все одинаковые согласно ХЗ кабель РК без скруток . з станции работают в противофазе а другие 3 не хотят. вопрос как их заставить, которые не хотят

NikoS 01.11.2013 06:18

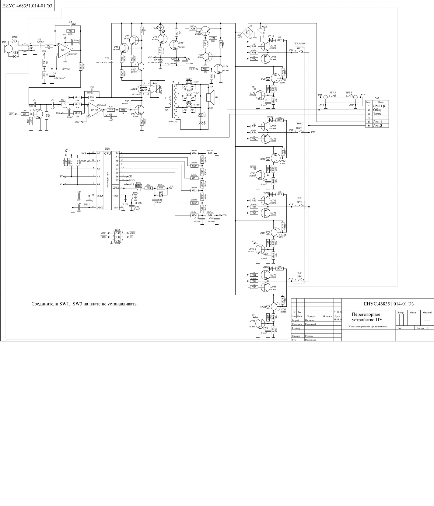
Уважаемые радисты, помогите опознать тип переговорного устройства ПСГО с целью найти ему современный аналог и предусмотреть замену. (Мне кажется, что это такой предок ПУ.У, но хотелось бы все-таки узнать у более опытных людей.)

http://morepic.ru/images3/img3359_4237.jpg

HNS 01.11.2013 16:36

Это устройство УНПП(устройство наружное перковое переговорное) применяется до сих пор в ГО, ПСГО. Сейчас примняются их аналоги

KVZradist 03.11.2013 19:02

Цитата:

Коллеги, вот еще пара вопросов тем, у кого эксплуатируются диэлектрические опоры ПСГО. Правильно ли я понимаю, что переговорные устройства для них идут особые, "свои", а громкоговорители как обычно? Как стоят они вообще, стоит ли постепенно выменивать старые добрые мсц-8?
отвечу сразу в первый год проблем не было но запотевание очень сильное начал занижатся сопротивление микрофонной цепи решение нашли обработали контактные клеммы водоотталкивающий спреем , в этом году при сильных дождях начало заливать плату управления, решение снимаем сушим паяльным феном и затем перед установкой все щели в крышке обрабатываем силиконовой замазкой ну пока стоят.
ну а насчет замены старой парковой если не давят оставайтесь на старом проверенном оборудовании


Часовой пояс GMT +3, время: 19:12.

Powered by vBulletin® Version 3.8.1
Copyright ©2000 - 2026, Jelsoft Enterprises Ltd. Перевод: zCarot


Яндекс.Метрика