СЦБИСТ - железнодорожный форум, блоги, фотогалерея, социальная сеть
Ушел из жизни Крупицкий Адольф Зельманович
6 февраля 2026 года ушел из жизни Крупицкий Адольф Зельманович, более шести десятков лет проработавший в институте «Гипротранссигналсвязь». Всю свою трудовую деятельность А.З. Крупицкий посвятил проектному делу. После окончанию обучения в Ленинградском институте инженеров железнодорожного транспорта в 1959 году начал свою профессиональную деятельность в качестве старшего электромеханика дистанции сигнализации и связи на Казахской железной дороге. В 1960 году пришел на работу в институт на должность инженера, работал руководителем группы, главным инженером проектов.

Читать далее
Вернуться   СЦБИСТ - железнодорожный форум, блоги, фотогалерея, социальная сеть > Эксплуатация устройств СЦБ > Лаборатория СЦБ > Схемная группа
Закладки ДневникиПоддержка Сообщество Комментарии к фото Сообщения за день
Ответить в этой теме   Перейти в раздел этой темы    
 
В мои закладки Подписка на тему по электронной почте Отправить другу по электронной почте Опции темы Поиск в этой теме
Старый 04.03.2021, 14:37   #1 (ссылка)
Super V.I.P.
 
Аватар для ШНС СЦБ

Регистрация: 13.09.2009
Сообщений: 3,122
Поблагодарил: 1042 раз(а)
Поблагодарили 377 раз(а)
Фотоальбомы: не добавлял
Репутация: 299

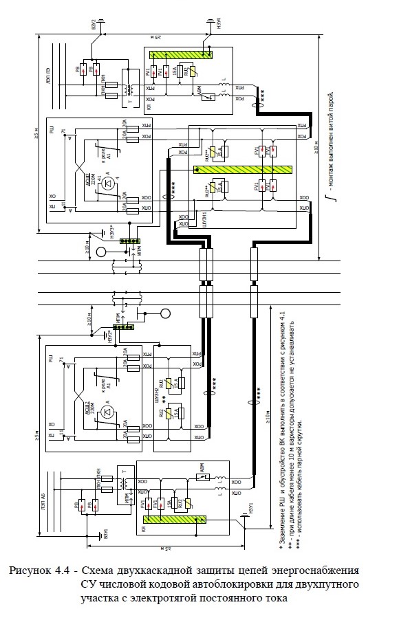
Тема: ЗАЩИТА ОТ ПЕРЕНАПРЯЖЕНИЙ УСТРОЙСТВ СЦБ вопросы по проектированию/ведению схем


Картинка из МУ 12013/ЦДИ от 31.03.16

Не знаете что за мода пошла ставить ПЯ вместо КЯ в случае ТП в виде железного ящика (на участке с электротягой постоянного тока) и в нем собирать схему защиты как в КЯ? Говорят раньше было вообще прямиком из ТП в шкаф. Не плавал на постоянке, не знаю
__________________
Ничто и никто не изменит внутреннего существа моей души, я пойду своим прямым путем, буду делать все, что сочту полезным и честным не только для себя, но и для окружающих, и передам это знамя потомкам...

Последний раз редактировалось ШНС СЦБ; 04.03.2021 в 14:43.
ШНС СЦБ вне форума   Цитировать 0
Старый 04.03.2021, 23:54   #2 (ссылка)
Super V.I.P.
 
Аватар для Legon

Регистрация: 18.03.2009
Адрес: Галифакс
Сообщений: 3,496
Поблагодарил: 176 раз(а)
Поблагодарили 339 раз(а)
Фотоальбомы: не добавлял
Репутация: 156
Отдельный шкаф для варистора и предохранителя...в 2016 в цди лютые барыги были...

Последний раз редактировалось Legon; 05.03.2021 в 00:01.
Legon вне форума   Цитировать 0
Старый 05.03.2021, 04:27   #3 (ссылка)
Мимо проползал
 
Аватар для NikoS

Регистрация: 11.06.2010
Сообщений: 1,736
Поблагодарил: 1724 раз(а)
Поблагодарили 504 раз(а)
Фотоальбомы: не добавлял
Репутация: 1045
Цитата:
Сообщение от ШНС СЦБ Посмотреть сообщение
Не знаете что за мода пошла ставить ПЯ вместо КЯ в случае ТП в виде железного ящика (на участке с электротягой постоянного тока) и в нем собирать схему защиты как в КЯ? Говорят раньше было вообще прямиком из ТП в шкаф. Не плавал на постоянке, не знаю
Это решение для ШРУ-М, "до ШУ".
В обоих КЯ монтируется группа УЗП своего фидера, плюс устанавливается ТЯ для УЗП "между фидерами". А так же туда устанавливаются УЗП рельсовых цепей, УКСПС, САУТ и т.п.

Сейчас вся эта богадельня монтируется в ШЗУ шкафа ШУ, дополнительные ТЯ не нужны.

Хотя я согласен, с грозозащитой стали как-то откровенно перегибать. Раньше все на ВОЦах как-то же нормально работало (да и сейчас много где работает, что уж там), и шкафы не горели. Затем начались мутки с УЗП и все пошло куда-то не туда. Ладно, пускай в РЖД занимаются (раз больше заняться нечем), дело хозяйское.

Последний раз редактировалось NikoS; 05.03.2021 в 04:30.
NikoS вне форума   Цитировать 0
Старый 05.03.2021, 09:44   #4 (ссылка)
Super V.I.P.
 
Аватар для Legon

Регистрация: 18.03.2009
Адрес: Галифакс
Сообщений: 3,496
Поблагодарил: 176 раз(а)
Поблагодарили 339 раз(а)
Фотоальбомы: не добавлял
Репутация: 156
Над шкафами ещё летают реактивные самолёты, которые могут упасть на шкаф, а мер досихпор не приняли.
Энергетики пусть свои ВЛ в порядок приведут и никакой грозозащиты не потребуется ни при АБ ни для ЭЦ.
Legon вне форума   Цитировать 0
Старый 05.03.2021, 11:31   #5 (ссылка)
Super V.I.P.

Автор темы
 
Аватар для ШНС СЦБ

Регистрация: 13.09.2009
Сообщений: 3,122
Поблагодарил: 1042 раз(а)
Поблагодарили 377 раз(а)
Фотоальбомы: не добавлял
Репутация: 299
Цитата:
Сообщение от NikoS Посмотреть сообщение
Это решение для ШРУ-М, "до ШУ".
В обоих КЯ монтируется группа УЗП своего фидера, плюс устанавливается ТЯ для УЗП "между фидерами". А так же туда устанавливаются УЗП рельсовых цепей, УКСПС, САУТ и т.п.

Сейчас вся эта богадельня монтируется в ШЗУ шкафа ШУ, дополнительные ТЯ не нужны.

Хотя я согласен, с грозозащитой стали как-то откровенно перегибать. Раньше все на ВОЦах как-то же нормально работало (да и сейчас много где работает, что уж там), и шкафы не горели. Затем начались мутки с УЗП и все пошло куда-то не туда. Ладно, пускай в РЖД занимаются (раз больше заняться нечем), дело хозяйское.
Вопрос о частичных изменениях. Шкафы ШРУ-М, поменяли ТП.
__________________
Ничто и никто не изменит внутреннего существа моей души, я пойду своим прямым путем, буду делать все, что сочту полезным и честным не только для себя, но и для окружающих, и передам это знамя потомкам...
ШНС СЦБ вне форума   Цитировать 0
Старый 06.03.2021, 11:45   #6 (ссылка)
V.I.P.
 
Аватар для Nogik

Регистрация: 14.07.2015
Адрес: Заречье
Сообщений: 130
Поблагодарил: 24 раз(а)
Поблагодарили 17 раз(а)
Фотоальбомы: 3 фото
Репутация: 80
Теперь вместо замены предохранителя механик ищет потерю контакта в защите, в основном в дроссельках, нужен отдельный шкаф с предохранителями и защитами, а ещё варисторами на п-м 12В. Больше контактов- больше потерь контакта
Nogik вне форума   Цитировать 1
Старый 07.03.2021, 23:59   #7 (ссылка)
Super V.I.P.
 
Аватар для Legon

Регистрация: 18.03.2009
Адрес: Галифакс
Сообщений: 3,496
Поблагодарил: 176 раз(а)
Поблагодарили 339 раз(а)
Фотоальбомы: не добавлял
Репутация: 156
Новые версии инструкций нужно начинать со слов, ну что придурок уже сломал?
Legon вне форума   Цитировать 0
Старый 10.03.2021, 10:41   #8 (ссылка)
Старший системный механик
 
Аватар для Rustmaker

Регистрация: 11.04.2011
Адрес: Возле железки, шестьдесят лет...
Сообщений: 805
Поблагодарил: 115 раз(а)
Поблагодарили 173 раз(а)
Фотоальбомы: не добавлял
Репутация: 396
Цитата:
Сообщение от Legon Посмотреть сообщение
Энергетики пусть свои ВЛ в порядок приведут и никакой грозозащиты не потребуется ни при АБ ни для ЭЦ.
Тут не про ВЛ. Заземление РШ на среднюю точку (даже через ИП) заметно увеличивает вероятность получения из рельса на корпус шкафа импульсного перенапряжения при грозовом разряде.
А дальше: ИП сварился, на шкафе сидит потенциал "рельс - земля", РВНШ тихонько жарятся.

Заземлять РШ при расстоянии более 5м (зона Б) на тяговый рельс бессмысленно, пусть даже МУ этого хочет.

...А я говорю: "хотите геморроев - землите на рельс!" )
__________________
...

Последний раз редактировалось Rustmaker; 10.03.2021 в 10:43.
Rustmaker вне форума   Цитировать 1
Старый 10.03.2021, 20:18   #9 (ссылка)
V.I.P.
 
Аватар для Nogik

Регистрация: 14.07.2015
Адрес: Заречье
Сообщений: 130
Поблагодарил: 24 раз(а)
Поблагодарили 17 раз(а)
Фотоальбомы: 3 фото
Репутация: 80
Питание сигнальной установки изолированное от земли. Низковольтная обмотка трансформатора линии АБ заземлена на опоре через искровик, что ли? А линии ДПР низковольтная обмотка 220В заземлена через что? Искровик? Искровики вроде висят высоко (не путайте с искровиками на рельс).
Nogik вне форума   Цитировать 1
Старый 10.03.2021, 21:09   #10 (ссылка)
Super V.I.P.
 
Аватар для Legon

Регистрация: 18.03.2009
Адрес: Галифакс
Сообщений: 3,496
Поблагодарил: 176 раз(а)
Поблагодарили 339 раз(а)
Фотоальбомы: не добавлял
Репутация: 156
Всю херню на рельс землят, а потом удивляются что с рель с прилетает.

Последний раз редактировалось Legon; 10.03.2021 в 21:13.
Legon вне форума   Цитировать 0
Старый 12.03.2021, 09:22   #11 (ссылка)
Super V.I.P.

Автор темы
 
Аватар для ШНС СЦБ

Регистрация: 13.09.2009
Сообщений: 3,122
Поблагодарил: 1042 раз(а)
Поблагодарили 377 раз(а)
Фотоальбомы: не добавлял
Репутация: 299
А вопрос то был другим По...ь у нас все мастера...
__________________
Ничто и никто не изменит внутреннего существа моей души, я пойду своим прямым путем, буду делать все, что сочту полезным и честным не только для себя, но и для окружающих, и передам это знамя потомкам...
ШНС СЦБ вне форума   Цитировать 0
Похожие темы
Тема Автор Раздел Ответов Последнее сообщение
УГО устройств СЦБ ВОПРОСЫ ПО ПРОЕКТИРОВАНИЮ/ВЕДЕНИЮ СХЕМ ШНС СЦБ Схемная группа 16 05.03.2021 11:35
АБТЦ-МШ ВОПРОСЫ ПО ПРОЕКТИРОВАНИЮ/ВЕДЕНИЮ СХЕМ ШНС СЦБ Схемная группа 6 08.02.2021 08:58
УКСПС ВОПРОСЫ ПО ПРОЕКТИРОВАНИЮ/ВЕДЕНИЮ СХЕМ ШНС СЦБ Схемная группа 8 21.12.2020 13:56
ВОПРОСЫ ПО ПРОЕКТИРОВАНИЮ/ВЕДЕНИЮ ДВУХНИТОЧНЫХ ПЛАНОВ ШНС СЦБ Схемная группа 4 18.11.2020 13:41
ВОПРОСЫ ПО ПРОЕКТИРОВАНИЮ/ВЕДЕНИЮ СХЕМАТИЧЕСКИХ ПЛАНОВ И ТАБЛИЦ ЗАВИСИМОСТИ ШНС СЦБ Схемная группа 31 17.11.2020 15:21

Ответить в этой теме   Перейти в раздел этой темы   Translate to English

Возможно вас заинтересует информация по следующим меткам (темам):
, ,


Здесь присутствуют: 1 (пользователей: 0 , гостей: 1)
 

Ваши права в разделе
Вы не можете создавать новые темы
Вы не можете отвечать в темах
Вы не можете прикреплять вложения
Вы не можете редактировать свои сообщения

BB коды Вкл.
Смайлы Вкл.
[IMG] код Вкл.
HTML код Выкл.
Trackbacks are Вкл.
Pingbacks are Вкл.
Refbacks are Выкл.



Часовой пояс GMT +3, время: 07:47.

Яндекс.Метрика Справочник 
сцбист.ру сцбист.рф

СЦБИСТ (ранее назывался: Форум СЦБистов - Railway Automation Forum) - крупнейший сайт работников локомотивного хозяйства, движенцев, эсцебистов, путейцев, контактников, вагонников, связистов, проводников, работников ЦФТО, ИВЦ железных дорог, дистанций погрузочно-разгрузочных работ и других железнодорожников.
Связь с администрацией сайта: admin@scbist.com
1 2 3 4 5 6 7 8 9 10 11 12 13 14 15 16 17 18 19 20 21 22 23 24 25 26 27 28 29 30 31 32 33 34 
Powered by vBulletin® Version 3.8.1
Copyright ©2000 - 2026, Jelsoft Enterprises Ltd.
Powered by NuWiki v1.3 RC1 Copyright ©2006-2007, NuHit, LLC Перевод: zCarot