СЦБИСТ - железнодорожный форум, блоги, фотогалерея, социальная сеть СЦБИСТ - железнодорожный форум, блоги, фотогалерея, социальная сеть
Вернуться   СЦБИСТ - железнодорожный форум, блоги, фотогалерея, социальная сеть > Эксплуатация устройств СЦБ > Постовое и напольное оборудование > Реле и блоки
Закладки ДневникиПоддержка Сообщество Комментарии к фото Сообщения за день
Ответить в этой теме    
 
В мои закладки Подписка на тему по электронной почте Отправить другу по электронной почте Опции темы Поиск в этой теме
Старый 27.05.2013, 00:21   #1 (ссылка)
Отважный
 
Аватар для Андрей13

Регистрация: 24.06.2009
Адрес: квартира №13
Сообщений: 3,088
Поблагодарил: 435 раз(а)
Поблагодарили 1399 раз(а)
Фотоальбомы: 587 фото
Записей в дневнике: 232
Репутация: 172

Тема: Схема контроля состояния реле ИВГ-Ц с использованием систем ЧДК


Схема контроля состояния реле ИВГ-Ц с использованием систем ЧДК


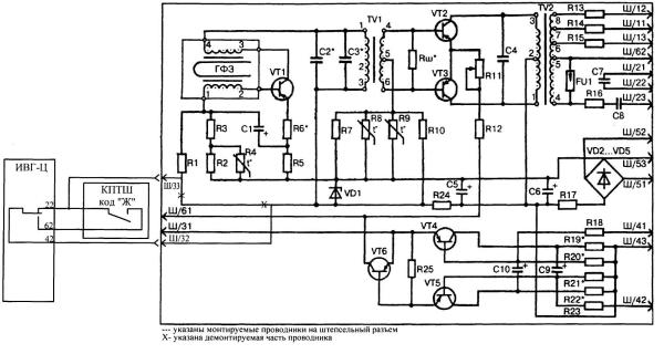
На основании указания HP 121 182 04.04.10 производится изменение схемы ГКШ для передачи информации в случае входа реле ИВГ-Ц в отказное состояние (Схема 1).


Схема 1. Подключение реле ИВГ-Ц к генератору ГКШ по телеграмме

Данное предложение имеет методические и технические недостатки: контакт КПТШ включен в разрыв цепи питания схемы ГКШ, что для прибора энергетически опасно (в момент включения - выключения броски тока максимальны); осциллограммы импульсов кода "Ж" от КПТШ имеют на выходе генератора расплывчатую форму из-за естественной инерционности (время возбуждения - параметр, указанный в технологической карте) схемы камертонной стабилизации частоты ГКШ; в случае применения бесконтактного трансмиттера "силовое" решение может негативно сказаться на работе выходных ключей БКПТ (п 2.1.7. Руководства по эксплуатации БКПТ-УМ); при переходе ГКШ в импульсный режим может произойти наложение манипуляций от мультивибратора ГКШ и управляющих сигналов от КПТШ, так как эти цепи могут быть включены одновременно.



Схема 2. Изменение в электрической схеме ГКШ для контроля состояния реле ИВГ-Ц с использованием системы ЧДК

Предложены схемные решения передачи информации о вхождении ИВГ-Ц в отказное состояние, где контакты КПТ управляют манипулятором схемы ГКШ (Схема 2). Необходимо разорвать связь мультивибратора ГКШ с манипулятором, выполненным на транзисторе "VТ6" и в этом случае задающим элементом становится контакт КПТ. Для согласования работы ГКШ в "штатном" режиме и работой в случае входа ИВГ-Ц в отказ (приоритетная ситуация) применено реле, условно обозначенное ДСНК (Схема 3), включающее передачу этой информации в первую очередь, независимо от режима работы ГКШ. Контрольное реле своими тыловыми контактами обеспечивает работу ГКШ в обычном режиме: напряжение питания с Ш/53 платы ГКШ через контакты реле, контролирующих работу путевой точки устройств СЦБ подается либо на контакт Ш/61 (непрерывный режим), либо на контакт Ш/31 (импульсный режим). В случае входа ИВГ-Ц в отказное состояние "плюс" питания через контакт 62 ИВГ-Ц подается на реле ДСНК, которое своими фронтовыми контактами обеспечивает подачу напряжения питания только на контакт Ш/31. Вторая пара контактов через свободные выводы Ш/32, Ш/ЗЗ платы ГКШ отключает мультивибратор ГКШ и подключает к входу манипулятора контакт ТК (ТШ- 65В) управляемого работой КПТ (код "Ж" свободной группы КПТШ, БКПТ).



Схема 3. Передача информации о вхождении ИВГ-Ц в отказное состояние

Данные схемные решения обеспечивают: постоянный контроль за работой ИВГ-Ц при нормальном функционировании ГКШ; приоритет передачи информации о входе ИВГ-Ц в отказ; соответствие характеристик сигнала технологическим требованиям для импульсного режима работы ГКШ; универсальность схемы - наряду с применением КПТШ возможна установка бесконтактного трансмиттера БКПТ; применение нагрузок АНШ2-1230 и ТШ-65В, рекомендованных разработчиками ИВГ-Ц и БКПТ соответственно ("Автоматика, связь, информатика" № 5, 2005; п.2.1.6. и 2.1.7. Руководства по эксплуатации БКПТ-УМ); использование данной схемы как резервной при подключении системы АДК, т.к. используемый в схеме контакт 62 реле ИВГ-Ц остается свободным при АДК.
Внедрено: Красноярск-Восточная дистанция сигнализации, централизации и блокировки
__________________




Книги по СЦБ | Книги путейцам | Книги машинистам | Книги движенцам | Книги вагонникам | Книги связистам | Путеводитель на различные ветки форума
Андрей13 вне форума   Цитировать 0
Старый 18.12.2019, 13:29   #2 (ссылка)
Super V.I.P.
 
Аватар для ШВП

Регистрация: 14.02.2010
Адрес: Калтан
Сообщений: 1,797
Поблагодарил: 544 раз(а)
Поблагодарили 181 раз(а)
Фотоальбомы: не добавлял
Репутация: 129
Неисправен изолирующий стык.Первая точка от станции красным.У ДСП второй участок удаления свободен.ИВГ-Ц мозг не пудрит?
ШВП вне форума   Цитировать 0
Старый 18.12.2019, 13:39   #3 (ссылка)
Корифей СЦБ
 
Аватар для Александр

Регистрация: 25.02.2009
Адрес: Ленинград
Возраст: 49
Сообщений: 9,568
Поблагодарил: 1612 раз(а)
Поблагодарили 2345 раз(а)
Фотоальбомы: 1 фото
Репутация: 1386
ШВП, скорее всего ИВГ-Ц не виновато, так как:
1. Замедление "З" больше чем "Ж", и если точка "мигает" на красный, то реле "З" на станции может не успевать отваливаться при кратковременно красной точке.
2. На станции нет БИ, поэтому станционное реле (точнее, реле+дешифратор) может ловить коды сразу с двух БУ (особенно, если первый удаления короткий и хватает напряжения, дошедшего со второго удаления до станции). Сейчас у вас, наверное, морозец, поэтому напряжение ближе к верхнему пределу.
__________________
"Не думай. Думаешь - не говори. Думаешь и говоришь - не пиши. Думаешь, говоришь и пишешь - не подписывай. Думаешь, говоришь, пишешь и подписываешь - не удивляйся."
Ф.Э. Дзержинский.

Последний раз редактировалось Александр; 18.12.2019 в 13:42.
Александр вне форума   Цитировать 2
Поблагодарили:
Данный пост получил благодарности от пользователей
Старый 19.12.2019, 15:22   #4 (ссылка)
V.I.P.
 
Аватар для A_V_T

Регистрация: 20.06.2009
Адрес: Карелия
Сообщений: 148
Поблагодарил: 42 раз(а)
Поблагодарили 63 раз(а)
Фотоальбомы: не добавлял
Репутация: 158
Цитата:
Сообщение от Андрей13 Посмотреть сообщение

Предложены схемные решения передачи информации о вхождении ИВГ-Ц в отказное состояние, где контакты КПТ управляют манипулятором схемы ГКШ (Схема 2). Необходимо разорвать связь мультивибратора ГКШ с манипулятором, выполненным на транзисторе "VТ6" и в этом случае задающим элементом становится контакт КПТ.
Однако то, что при уходе ИВГ-Ц в отказ в моменты размыкания контактов ТК дополнительный контакт 32 ГКШ, а соответственно и база транзистора VT6, остаются в воздухе, не есть хорошо. При определенном соотношении аш21э, длины проводов, общей обстановки с ЭМС в шкафчике, могут быть сюрпризы в части стабильной работы. К слову, ГКШ и так горят за милую душу, а здесь голый переход база-эмиттер выставили с наружной антенной. Как-то непонятно...
A_V_T вне форума   Цитировать 0
Похожие темы
Тема Автор Раздел Ответов Последнее сообщение
Устройства контроля свободности путевых участков методом счета осей с использованием аппаратуры ЭССО - 410713-ТМП Толян Сортировочные горки, счетчики осей 8 09.12.2014 15:46
=Распоряжение= № 2615р от 5 декабря 2011 г. - Об утверждении Инструкции по оценке состояния инфраструктуры с использованием новых диагностических средств комплексной диагностики инфраструктуры РЖД (ИНТЕГРАЛ, ЭРА) Admin 2011 год 1 31.07.2012 11:38
=Методические указания= М-994у - Методические указания по оценке состояния систем сигнализации, централизации и блокировки (СЦБ) и их элементов SergVW Системы централизации и блокировки 0 26.04.2012 08:29
Система контроля состояния рельсовой плети Андрей13 Путейцы 0 16.02.2011 17:28
Учет и анализ работы средств контроля технического состояния подвижного состава П-КПС (АСУ-Ш-2) Admin Системы централизации и блокировки 0 17.12.2010 08:18

Ответить в этой теме

Возможно вас заинтересует информация по следующим меткам (темам):
, , ,


Здесь присутствуют: 1 (пользователей: 0 , гостей: 1)
 

Ваши права в разделе
Вы не можете создавать новые темы
Вы не можете отвечать в темах
Вы не можете прикреплять вложения
Вы не можете редактировать свои сообщения

BB коды Вкл.
Смайлы Вкл.
[IMG] код Вкл.
HTML код Выкл.
Trackbacks are Вкл.
Pingbacks are Вкл.
Refbacks are Выкл.



Часовой пояс GMT +3, время: 11:47.

Справочник 
сцбист.ру сцбист.рф

СЦБИСТ (ранее назывался: Форум СЦБистов - Railway Automation Forum) - крупнейший сайт работников локомотивного хозяйства, движенцев, эсцебистов, путейцев, контактников, вагонников, связистов, проводников, работников ЦФТО, ИВЦ железных дорог, дистанций погрузочно-разгрузочных работ и других железнодорожников.
Связь с администрацией сайта: admin@scbist.com
1 2 3 4 5 6 7 8 9 10 11 12 13 14 15 16 17 18 19 20 21 22 23 24 25 26 27 28 29 30 31 32 33 34 
Powered by vBulletin® Version 3.8.1
Copyright ©2000 - 2025, Jelsoft Enterprises Ltd.
Powered by NuWiki v1.3 RC1 Copyright ©2006-2007, NuHit, LLC Перевод: zCarot