СЦБИСТ - железнодорожный форум, блоги, фотогалерея, социальная сеть
Вернуться   СЦБИСТ - железнодорожный форум, блоги, фотогалерея, социальная сеть > Эксплуатация устройств СЦБ > Общие вопросы эксплуатации устройств СЦБ
Общие вопросы эксплуатации устройств СЦБ Смотрите также фото: Реле, Аппараты управления, ДГА и панели питания, Переезды, Релейные и микропроцессорные централизации, автоблокировки, ДЦ, СЦБ в метро.
Закладки ДневникиПоддержка Сообщество Комментарии к фото Сообщения за день
Ответить в этой теме   Перейти в раздел этой темы    
 
В мои закладки Подписка на тему по электронной почте Отправить другу по электронной почте Опции темы Поиск в этой теме
Старый 07.02.2012, 20:29   #31 (ссылка)
Кандидат в V.I.P.

Автор темы
 
Аватар для TLT

Регистрация: 06.02.2010
Сообщений: 45
Поблагодарил: 1 раз(а)
Поблагодарили 1 раз(а)
Фотоальбомы: не добавлял
Репутация: 0
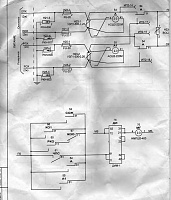
С-МС = 15 В ;
С-МС1 = 22 В.

=Вопрос=: Схема входного светофора-img110.jpg
TLT вне форума   Цитировать 0
Поблагодарили:
Данный пост получил благодарности от пользователей
Старый 07.02.2012, 20:35   #32 (ссылка)
Кандидат в V.I.P.

Автор темы
 
Аватар для TLT

Регистрация: 06.02.2010
Сообщений: 45
Поблагодарил: 1 раз(а)
Поблагодарили 1 раз(а)
Фотоальбомы: не добавлял
Репутация: 0
Цитата:
35В - это, так понимаю С-МС1, лампа не сгорит, оно должно приложено через высокоомную обмотку.
пробовали и на С-МС чтобы увеличить скорость срабатывания ,
TLT вне форума   Цитировать 0
Старый 07.02.2012, 20:40   #33 (ссылка)
Super V.I.P.
 
Аватар для IGOR77

Регистрация: 22.08.2009
Адрес: Ленинградская обл.
Возраст: 48
Сообщений: 948
Поблагодарил: 136 раз(а)
Поблагодарили 105 раз(а)
Фотоальбомы: не добавлял
Репутация: 81
TLT,
Дружище, С и МС на трансе поменяйте местами и будет счастье.

По приведенной выше схеме С-МС у вас 15В, С-МС1 - 6 В
Огневка встанет по высокой при 7,5В постоянки, соответственно переменника нужно как минимум - 15В

После смены на трансе С-МС будет 15В, а С-МС1 будет 21В.


Последний раз редактировалось IGOR77; 07.02.2012 в 21:16.
IGOR77 вне форума   Цитировать 0
Старый 07.02.2012, 21:01   #34 (ссылка)
Кандидат в V.I.P.

Автор темы
 
Аватар для TLT

Регистрация: 06.02.2010
Сообщений: 45
Поблагодарил: 1 раз(а)
Поблагодарили 1 раз(а)
Фотоальбомы: не добавлял
Репутация: 0
по схеме 4 обмотка включена встречно как мы ее подключили не припоминаю , но напряжение С-МС1=22 В , а по высокой обмотке реле не встает только дергается завтра еще раз попробую а то у меня для макета ПОБС-2 попробую с большим напряжением
TLT вне форума   Цитировать 0
Старый 08.02.2012, 10:22   #35 (ссылка)
Super V.I.P.
 
Аватар для СУНДЕТОВ

Регистрация: 22.11.2010
Сообщений: 1,834
Поблагодарил: 760 раз(а)
Поблагодарили 1349 раз(а)
Фотоальбомы: 20 фото
Репутация: 549
Цитата:
Сообщение от IGOR77 Посмотреть сообщение
Дружище, С и МС на трансе поменяйте местами и будет счастье.
Увидел схему транса и все ясно: Н и К на второй пере-
путаны.
Цитата:
Сообщение от TLT Посмотреть сообщение
попробую с большим напряжением
Не стоит, РКО при разрешающем и так без тока.
Но на посту, при разрешающем как индикация горит на повторителе входного,это неправильно?
По схеме контроль красного и неисправность по одной
цепи ? Может дополнительно изменит схему, установив
на посту КМШ и сделав переключение полюсов на входном (на МГ) красный и неисправность.
Или подать на пост дополнительный общий провод
на неисправность и контроль красного разными реле на посту.
А как включается МГ?

СУНДЕТОВ добавил 08.02.2012 в 10:22
http://scbist.com/attachments/obschi...ra-img109u.jpg
ГТСС 1247/1707 от 15.09.09,лист 2 схем. Кто у кого опередил ?

Последний раз редактировалось СУНДЕТОВ; 08.02.2012 в 10:29. Причина: Добавлено сообщение
СУНДЕТОВ вне форума   Цитировать 0
Старый 08.02.2012, 11:44   #36 (ссылка)
статус
 
Аватар для Кабанбай Батыр

Регистрация: 20.10.2009
Сообщений: 3,237
Поблагодарил: 579 раз(а)
Поблагодарили 819 раз(а)
Фотоальбомы: 92 фото
Записей в дневнике: 10
Цитата:
Кто у кого опередил ?
Кто первый опубликовал, тот и опередил .
В данном случае - рацуха.
Кабанбай Батыр вне форума   Цитировать 0
Старый 08.02.2012, 19:46   #37 (ссылка)
Кандидат в V.I.P.

Автор темы
 
Аватар для TLT

Регистрация: 06.02.2010
Сообщений: 45
Поблагодарил: 1 раз(а)
Поблагодарили 1 раз(а)
Фотоальбомы: не добавлял
Репутация: 0
Цитата:
А как включается МГ?
=Вопрос=: Схема входного светофора-img111.jpg
TLT вне форума   Цитировать 0
Старый 08.02.2012, 20:08   #38 (ссылка)
Кандидат в V.I.P.

Автор темы
 
Аватар для TLT

Регистрация: 06.02.2010
Сообщений: 45
Поблагодарил: 1 раз(а)
Поблагодарили 1 раз(а)
Фотоальбомы: не добавлял
Репутация: 0
на пост кабеля не хватило даже на эту схему,раньше 9жил шло включая ДСН . Но я был бы очень благодарен тому кто помог бы мотивировать отключение и демонтаж УКСПС ,хуже них только англичанки и УТС.
TLT вне форума   Цитировать 0
Старый 08.02.2012, 23:19   #39 (ссылка)
Super V.I.P.
 
Аватар для СУНДЕТОВ

Регистрация: 22.11.2010
Сообщений: 1,834
Поблагодарил: 760 раз(а)
Поблагодарили 1349 раз(а)
Фотоальбомы: 20 фото
Репутация: 549
Цитата:
Сообщение от TLT Посмотреть сообщение
С-МС = 15 В ;
Если смотрет на схему то на ссылке 1 на R 3,4 должны
подать не МС1, а МС тк при пропадании переменки
станция должна ограждаться.
СУНДЕТОВ вне форума   Цитировать 0
Похожие темы
Тема Автор Раздел Ответов Последнее сообщение
схема управления огнями маневрового светофора 1Grum1 Ищу/Предлагаю 16 26.05.2016 08:29
Перекрытие входного при открытии на пригласительный Ivan Общие вопросы эксплуатации устройств СЦБ 20 25.10.2011 20:17
схема увязки входного сигнала с автоблокировкой! антипин артем Ищу/Предлагаю 1 22.11.2010 19:59
Включениу входного светофора в блок ВД БМРЦ-БН Leaf Курсовое и дипломное проектирование 3 01.06.2010 17:02
Ищу схемы: по смене направления (духпутка) и входного светофора u_alex90 Ищу/Предлагаю 5 22.01.2010 17:16

Ответить в этой теме   Перейти в раздел этой темы   Translate to English

Возможно вас заинтересует информация по следующим меткам (темам):
, ,


Здесь присутствуют: 1 (пользователей: 0 , гостей: 1)
 

Ваши права в разделе
Вы не можете создавать новые темы
Вы не можете отвечать в темах
Вы не можете прикреплять вложения
Вы не можете редактировать свои сообщения

BB коды Вкл.
Смайлы Вкл.
[IMG] код Вкл.
HTML код Выкл.
Trackbacks are Вкл.
Pingbacks are Вкл.
Refbacks are Выкл.



Часовой пояс GMT +3, время: 02:29.

Яндекс.Метрика Справочник 
сцбист.ру сцбист.рф

СЦБИСТ (ранее назывался: Форум СЦБистов - Railway Automation Forum) - крупнейший сайт работников локомотивного хозяйства, движенцев, эсцебистов, путейцев, контактников, вагонников, связистов, проводников, работников ЦФТО, ИВЦ железных дорог, дистанций погрузочно-разгрузочных работ и других железнодорожников.
Связь с администрацией сайта: admin@scbist.com
1 2 3 4 5 6 7 8 9 10 11 12 13 14 15 16 17 18 19 20 21 22 23 24 25 26 27 28 29 30 31 32 33 34 
Powered by vBulletin® Version 3.8.1
Copyright ©2000 - 2026, Jelsoft Enterprises Ltd.
Powered by NuWiki v1.3 RC1 Copyright ©2006-2007, NuHit, LLC Перевод: zCarot