СЦБИСТ - железнодорожный форум, блоги, фотогалерея, социальная сеть

СЦБИСТ - железнодорожный форум, блоги, фотогалерея, социальная сеть (https://scbist.com/)
-   Общие вопросы эксплуатации устройств СЦБ (https://scbist.com/obschie-voprosy-ekspluatacii-ustroistv-scb/)
-   -   Грозозащита (https://scbist.com/obschie-voprosy-ekspluatacii-ustroistv-scb/10144-grozozaschita.html)

Вы просматриваете версию для печати. Если вы хотите увидеть статью полностью - перейдите по ссылке

НиколайМ 25.03.2012 19:55

Цитата:

Сообщение от СЭМ
А на фото , обратите внимание, спуск выполнен кабелем СЦБ.

Установлено в 1982 году, пока нормально.

Грозощит 25.03.2012 20:07

Наверное не всегда, но в подавляющем большинстве случаев, по-моему происходит как описал СЭМ. Теперь анализ. Разряд облако земля по пути наименьшего сопротивления, но от облака в землю. На пути проводник (ВЛ, ЛЭП)? Прекрасно, но какая изоляция к земле и где она минимальна? Там где разрядник или ОПН на землю, т.е у ОМика. Если защита успела, то остаточное на входе ОМика и к нам, относительно не большими для нас потерями, в худшем случае АСШ, БС-ДА, БПШ. А если не успела?
Зачем по виткам крутому фронту с малой длительностью, когда есть межобмоточная ёмкость. Амплитуда теряется, но длительность растёт. А у нас куда? Хорошо, если наш разрядник и земля в норме, а нет - прожог изоляции и на землю, может через корпус, может через приборы р.ц. в рельс, а может по линейному кабелю на соседнюю точку или станцию. А если где пониженная изоляция?
А теперь представим наличие у ЭЧ на продольнике разрядников по всем трем фазам за один-два пролёта до ОМ. Думаю количество отказов по грозе сократилось бы раза в три. И у ЭЧ тоже.

СЭМ 25.03.2012 20:12

Цитата:

Установлено в 1982 году, пока нормально.
Вы сказали ,, да ,на верху ОМ,, Я насчет ОМ-,,это безобидно,, Но лучше перебдеть, чем недобдеть.

tyubik 25.03.2012 22:23

Цитата:

Сообщение от НиколайМ (Сообщение 89171)

Простите, вот ЭТА херь обсуждается на уровне ЦШ?!!!

СУНДЕТОВ 25.03.2012 22:57

Цитата:

Сообщение от СЭМ (Сообщение 89227)
А на фото , обратите внимание, спуск выполнен кабелем СЦБ.

На ссылке 37 посмотри.
Цитата:

Сообщение от Грозощит (Сообщение 89238)
у ЭЧ на продольнике разрядников по всем трем фазам за один-два пролёта до ОМ

А раньше через определенные количества опор было
заземление и искровой промежуток на верхний провод.
Плюс скрещивание проводов.
Также на 04 КВ нулевой провод заземляться должно,
а через сколько опор надо спросить у знакомых.

Друг Людвига 25.03.2012 23:18

Цитата:

Сообщение от СУНДЕТОВ (Сообщение 89281)
Также на 04 КВ нулевой провод заземляться должно,
а через сколько опор надо спросить у знакомых.

Согласно ПУЭ нулевой провод (правильнее будет сказать PEN-проводник) должен быть заземлен через каждые 200 метров и на конечных опорах. Если конечно речь идет о сети с глухозаземленной нейтралью.
Цитата:

ПУЭ-7 п1.7.102. На концах ВЛ или ответвлений от них длиной более 200 м, а также на вводах ВЛ к электроустановкам, в которых в качестве защитной меры при косвенном прикосновении применено автоматическое отключение питания, должны быть выполнены повторные заземления PEN-проводника. При этом в первую очередь следует использовать естественные заземлители, например, подземные части опор, а также заземляющие устройства, предназначенные для грозовых перенапряжений (см. гл. 2.4).
Указанные повторные заземления выполняются, если более частые заземления по условиям защиты от грозовых перенапряжений не требуются.
Повторные заземления PEN-проводника в сетях постоянного тока должны быть выполнены при помощи отдельных искусственных заземлителей, которые не должны иметь металлических соединений с подземными трубопроводами.
Заземляющие проводники для повторных заземлений PEN-проводника должны иметь размеры не менее приведенных в табл. 1.7.4.

СЭМ 26.03.2012 00:12

СУНДЕТОВ,

Цитата:

На ссылке 37 посмотри.
Посмотрел, Про спуски не скажу ничего, не очень видно,на вид жилы рыжие(медные), ну да бог с ними, а вот такая замысловатая защита полюса, который идет на АВМ???? Чем объясните?

Rustmaker 27.03.2012 22:34

Цитата:

Сообщение от СЭМ (Сообщение 89227)
Напрасно Вы уверены в порядочности Эчевцев насчет,,с провода АС сразу в кабель?,,С ОМика -да это безобидно, но ведь много устройств запитаных с проводов и спуски выполнены именно провод АС-кабель (медный).Было много войны с ЭЧ пока не заставили сделать все спуски сверху в КЯ алюминием.. А на фото , обратите внимание, спуск выполнен кабелем СЦБ.

Не совсем понял:
Наверху линия 6/10 кВ АБ/ДЦ/ПЭ - АС проводом. К ней подключен, как сказано, ОМик. От ОМика (выводы латунные) спуск в КЯ медным проводом. 0,23кВ.
Вопрос: какая ещё линия присутствует?

СУНДЕТОВ 05.04.2012 20:53

Телеграмма по грозозащите 86 года.
http://morepic.ru/images/363554120586_2064.jpg

СУНДЕТОВ добавил 05.04.2012 в 20:53
85 года.
http://morepic.ru/images/164190285_5176.jpg

Николай Николаевич 05.04.2012 21:08

Цитата:

Сообщение от tyubik (Сообщение 89263)
Простите, вот ЭТА херь обсуждается на уровне ЦШ?!!!

А чем Вы так удивлены? По сути - меняется идеология грозозащиты, разве не так?

tyubik 05.04.2012 22:32

Цитата:

Сообщение от Николай Николаевич (Сообщение 91488)
А чем Вы так удивлены? По сути - меняется идеология грозозащиты, разве не так?

Да так-то оно так... Просто я немного не в теме, мало знаком с природой распространения электромагнитных полей в различных средах, но как-то несерьёзно всё это со стороны выглядит. Базисных основ я в вашем обсуждении не увидел. Повесить ящик туда, кабель сюда... А почему, зачем - никто толком и не объяснил. Может просто оттого, что я не профессионал. Простите.

Николай Николаевич 05.04.2012 22:37

Цитата:

Сообщение от tyubik (Сообщение 91537)
Да так-то оно так... Просто я немного не в теме, мало знаком с природой распространения электромагнитных полей в различных средах, но как-то несерьёзно всё это со стороны выглядит. Базисных основ я в вашем обсуждении не увидел. Повесить ящик туда, кабель сюда... А почему, зачем - никто толком и не объяснил. Может просто оттого, что я не профессионал. Простите.

Вся фишка - в рельсах как заземлителе. Хорошем или плохом. И в тех же рельсах - как источнике высоковольтных помех. От тягового тока или от той же грозы...

tyubik 05.04.2012 22:47

Мы ведь примерно год назад обсуждали с Вами природу распространения продольных и поперечных волн, даже поняли друг друга. Каюсь, с тех пор ни к какой литературе на эту тематику не притрагивался (а ведь опять вру как сивый мерин:rolleyes:), но всё равно поняли, что распределение электрического разряда от атмосферных перенапряжений не очень корректно представлять в виде ручейка. Ни коим образом не пытаюсь оспорить ваших (и Ваших) решений по этой тематике в силу своей некомпетенции, но хотелось бы фундаментальных вещей туточки увидеть.

ШНС СЦБ 26.04.2012 01:37

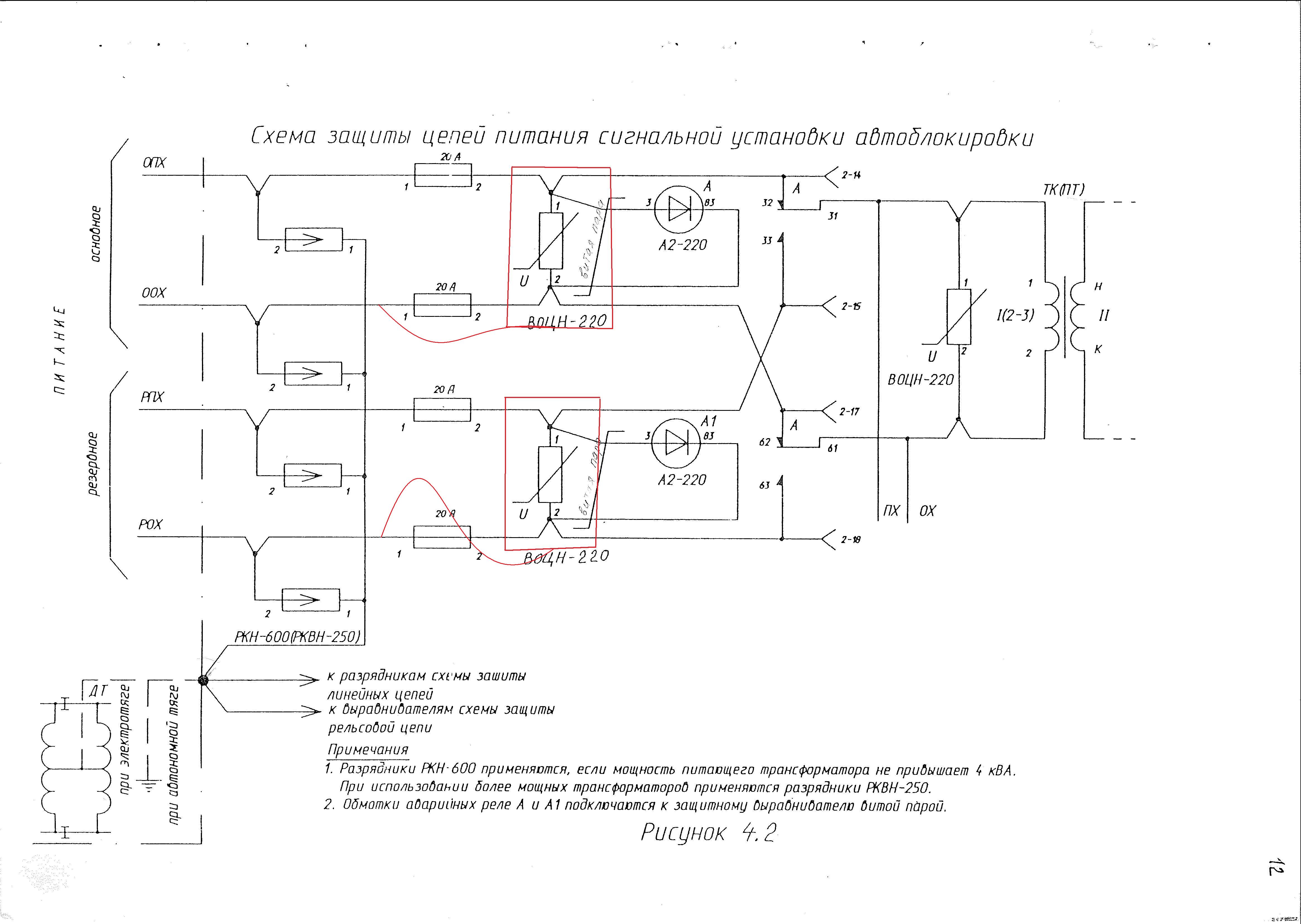
На некоторых схемах точек разного времени проектирования ВОЦН-220 стоят после предохраниетелей 20А как по и И-247-97, а в других перед. Каким документом это регламентируется и в чем физический смысл http://scbist.com/scb/uploaded/1284_1335389642.jpg

Устьдвинчанин 04.05.2012 18:00

Грозощит,
Здравствуйте. В схеме защиты РШ по электропитанию, согласно ЦШ-18/КБ-8 в цепи варистора включён предохранитель 15 А. А из каких соображений выбран этот номинал? Предохранитель не сгорит при работе варистора?


Часовой пояс GMT +3, время: 23:57.

Powered by vBulletin® Version 3.8.1
Copyright ©2000 - 2026, Jelsoft Enterprises Ltd. Перевод: zCarot


Яндекс.Метрика