СЦБИСТ - железнодорожный форум, блоги, фотогалерея, социальная сеть
Вернуться   СЦБИСТ - железнодорожный форум, блоги, фотогалерея, социальная сеть > Техника > Мастерская Самоделкина
Мастерская Самоделкина Все для изобретателей, любителей мастерить и создавать что-то интересное.
Закладки ДневникиПоддержка Сообщество Комментарии к фото Сообщения за день
Ответить в этой теме   Перейти в раздел этой темы   Translate to English    
 
Translate to English В мои закладки Подписка на тему по электронной почте Отправить другу по электронной почте Опции темы Поиск в этой теме
Старый 03.01.2013, 07:28   #31 (ссылка)
Super V.I.P.
 
Аватар для СУНДЕТОВ

Регистрация: 22.11.2010
Сообщений: 1,834
Поблагодарил: 760 раз(а)
Поблагодарили 1349 раз(а)
Фотоальбомы: 20 фото
Репутация: 549
Цитата:
Сообщение от ШНСтарший Посмотреть сообщение
стоит выпрямитель на базе ПОБС-5А
В принципе такой же выпрямитель лет 20-25 стоит на каждом ДГА и в качестве регулятора тока стоит лампа 220 в вместо перемычки I2-I3 и даже при запуске не отключаем.
Ток регулируется ватностю лампы в пределах 0,5-1 А.
СУНДЕТОВ вне форума   Цитировать 0
Старый 03.01.2013, 08:00   #32 (ссылка)
Super V.I.P.
 
Аватар для beatl

Регистрация: 26.09.2010
Возраст: 46
Сообщений: 4,305
Поблагодарил: 199 раз(а)
Поблагодарили 681 раз(а)
Фотоальбомы: 13 фото
Репутация: 945
Цитата:
Сообщение от elmech Посмотреть сообщение
перепад зарядного тока большой, что сказывается на долговечности аккумулятора
Цитата:
Сообщение от Torquato Tasso Посмотреть сообщение
можно запросто ухадокать аккумулятор
Цитата:
Сообщение от HNS Посмотреть сообщение
Во вторых а без бареттера, как ты пишешь, можно запросто ухадокать аккумулятор.
Да кому она сплющилась, эта долговечность ? Ведь внешнее зарядное устройство нужно изредка, в форс-мажорных обстоятельствах: сильный мороз, долгий простой автомобиля без заводки, уже изношенный аккумулятор...
Качественно заряжать аккумулятор должен автомобиль. А изредка, в случае необходимости, его можно пнуть чем угодно, любым блоком питания.


Цитата:
Сообщение от HNS Посмотреть сообщение
Во первых, почему я идиот??? Если это инет, значит можно оскорблять.
Ему можно. )

Последний раз редактировалось beatl; 03.01.2013 в 08:12. Причина: Добавлено сообщение
beatl вне форума   Цитировать 0
Старый 03.01.2013, 08:35   #33 (ссылка)
V.I.P.
 
Аватар для EmerCom

Регистрация: 04.10.2010
Адрес: Израиль
Сообщений: 446
Поблагодарил: 132 раз(а)
Поблагодарили 217 раз(а)
Фотоальбомы: 2 фото
Репутация: 99
Цитата:
Во первых, почему я идиот??? Если это инет, значит можно оскорблять.

Реальная месть студентов одного из израильских ВУЗов своему преподу.

Обьявление
В Связи с назначением проф. Оскара Ор-Эля на должность зав. факультетом дизайна, слово "оскорблять" считать политическим и запретить к использованию на территории кампуса.

Студенческий комитет.
(Вот так вот по-русски)
EmerCom вне форума   Цитировать 0
Старый 03.01.2013, 08:39   #34 (ссылка)
Новый пользователь
 
Аватар для Torquato Tasso

Регистрация: 07.07.2009
Сообщений: 5,879
Поблагодарил: 282 раз(а)
Поблагодарили 1013 раз(а)
Фотоальбомы: 1 фото
Цитата:
Сообщение от HNS Посмотреть сообщение
Во первых ...почему без бареттера, как ты пишешь, можно запросто ухадокать аккумулятор?
На вопрос "почему" прекрасно ответил elmech.
Если этого мало, то вот картинка, включи голову и попробуй догадаться сам как ты пытаешься дать совет как быстрее угробить аккумулятор.

Torquato Tasso вне форума   Цитировать 0
Старый 03.01.2013, 09:58   #35 (ссылка)
V.I.P.
 
Аватар для WIKOG

Регистрация: 21.03.2010
Сообщений: 359
Поблагодарил: 174 раз(а)
Поблагодарили 143 раз(а)
Фотоальбомы: не добавлял
Репутация: 24
Цитата:
"12ВХ55Вт", не забудьте что в момент заряда на ней будет падать напряжение до объявленных 12 В
При неисправном аккумуляторе, (коротыш), падение напряжение зависит от тока, лампа ставиться не для освещения, при нормально заряженном аккумуляторе (если все рассчитано) она тухнет.
Цитата:
поэтому с обмотки нужно иметь не 14,5 В
Да, по-моему 15в хватит.
Цитата:
При зарядке аккумулятора не изменяющимся в процессе зарядки током
При правильных подборок, расчетов, ток уменьшается по мере заряда аккумулятора.

Последний раз редактировалось WIKOG; 03.01.2013 в 10:36.
WIKOG вне форума   Цитировать 2
Старый 03.01.2013, 10:36   #36 (ссылка)
Super V.I.P.
 
Аватар для beatl

Регистрация: 26.09.2010
Возраст: 46
Сообщений: 4,305
Поблагодарил: 199 раз(а)
Поблагодарили 681 раз(а)
Фотоальбомы: 13 фото
Репутация: 945
Цитата:
Сообщение от WIKOG Посмотреть сообщение
лампа ставиться не для освещения, при нормально заряженном аккумуляторе (если все рассчитано) она тухнет.
Тогда ток нормального накала лампы должен быть раз в 10 больше зарядных 1-6А. ПЖ надо ставить, не меньше. )))
beatl вне форума   Цитировать 0
Старый 03.01.2013, 10:42   #37 (ссылка)
V.I.P.
 
Аватар для WIKOG

Регистрация: 21.03.2010
Сообщений: 359
Поблагодарил: 174 раз(а)
Поблагодарили 143 раз(а)
Фотоальбомы: не добавлял
Репутация: 24
Ток, зависит от типа лампы. Мы говорим о длительном заряде, где применяем небольшую по вт лампу.
WIKOG вне форума   Цитировать 2
Старый 03.01.2013, 10:47   #38 (ссылка)
Super V.I.P.
 
Аватар для Скиталец

Регистрация: 27.09.2011
Адрес: Самара
Возраст: 72
Сообщений: 3,678
Поблагодарил: 835 раз(а)
Поблагодарили 789 раз(а)
Фотоальбомы: не добавлял
Феерично!. Вот так и на работе - из мухи слона раздуваем.
Скиталец вне форума   Цитировать 0
Старый 03.01.2013, 11:32   #39 (ссылка)
Super V.I.P.
 
Аватар для Adagumer

Регистрация: 16.02.2012
Сообщений: 5,268
Поблагодарил: 6719 раз(а)
Поблагодарили 977 раз(а)
Фотоальбомы: не добавлял
Репутация: 1694
Из практики замечено, что тема зарядных устройств актуальна в зимнее время.
Adagumer вне форума   Цитировать 0
Старый 03.01.2013, 11:36   #40 (ссылка)
Super V.I.P.
 
Аватар для Balbes

Регистрация: 18.05.2012
Сообщений: 2,088
Поблагодарил: 642 раз(а)
Поблагодарили 1771 раз(а)
Фотоальбомы: не добавлял
Репутация: 700
Даже диву даёшься, до чего может дойти инженерная мысль в стремлении усложнить простое !


Цитата:
Сообщение от beatl
Ведь внешнее зарядное устройство нужно изредка, в форс-мажорных обстоятельствах: сильный мороз, долгий простой автомобиля без заводки, уже изношенный аккумулятор...
Качественно заряжать аккумулятор должен автомобиль. А изредка, в случае необходимости, его можно пнуть чем угодно, любым блоком питания.

Полностью согласен !
Balbes вне форума   Цитировать 0
Старый 03.01.2013, 12:26   #41 (ссылка)
V.I.P.
 
Аватар для WIKOG

Регистрация: 21.03.2010
Сообщений: 359
Поблагодарил: 174 раз(а)
Поблагодарили 143 раз(а)
Фотоальбомы: не добавлял
Репутация: 24
Цитата:
до чего может дойти инженерная мысль в стремлении усложнить простое !
Вроде наоборот, одной лампочкой заменить целый блок.
WIKOG вне форума   Цитировать 2
Старый 03.01.2013, 17:15   #42 (ссылка)
Super V.I.P.
 
Аватар для СУНДЕТОВ

Регистрация: 22.11.2010
Сообщений: 1,834
Поблагодарил: 760 раз(а)
Поблагодарили 1349 раз(а)
Фотоальбомы: 20 фото
Репутация: 549
Цитата:
Сообщение от WIKOG Посмотреть сообщение
Вроде наоборот, одной лампочкой заменить целый блок.
Да, расчет ватности на самый голодный аккумулятор и все просто.
СУНДЕТОВ вне форума   Цитировать 0
Старый 03.01.2013, 18:30   #43 (ссылка)
Super V.I.P.
 
Аватар для Balbes

Регистрация: 18.05.2012
Сообщений: 2,088
Поблагодарил: 642 раз(а)
Поблагодарили 1771 раз(а)
Фотоальбомы: не добавлял
Репутация: 700
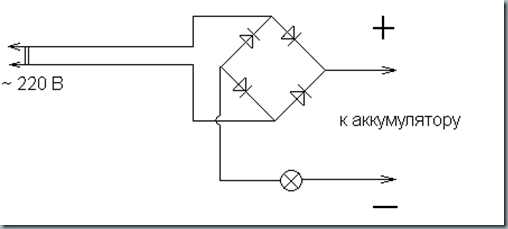
На случай "атомной войны" , с минимальным набором элементов. Как говорится : Голь на выдумки хитра.

зарядное устройство без трансформатора:

ВНИМАНИЕ !!! Опасность поражения электрическим током.


Диод должен иметь обратное напряжение не менее 400 вольт, а ток — более 2 ампер , например Д233, Д246,КД203,ДЛ112 и т.п., а лампочка – 220В, мощностью от 100 до 200 Вт. Зарядный ток такого устройства приблизительно 0,2-0,5 А. Для его увеличения следует использовать чуть более сложную схему:



В этом случае ток зарядки увеличится до 1А. Для того. чтобы получить еще большее значение можно использовать электролампу (или любой бытовой прибор) мощностью 500…1000 Вт, в таком случае зарядный ток составит 2…4 А.

Последний раз редактировалось Balbes; 03.01.2013 в 19:50.
Balbes вне форума   Цитировать 0
Старый 03.01.2013, 18:42   #44 (ссылка)
Super V.I.P.
 
Аватар для Суховерша Алексей

Регистрация: 24.01.2011
Адрес: Калининград
Возраст: 63
Сообщений: 9,083
Поблагодарил: 1794 раз(а)
Поблагодарили 2156 раз(а)
Фотоальбомы: 710 фото
Репутация: 673
Цитата:
На случай "атомной войны"
Уговорили, куплю китайский, самый нормальный Небольшой, мобильный, надёжный...
__________________
Россия - Калининград.
Границы разные, страна - одна.

Я хотел бы служить кондуктором в трамвае, а уж хуже этой работы нет ничего на свете.
Суховерша Алексей вне форума   Цитировать 1
Старый 03.01.2013, 18:59   #45 (ссылка)
Super V.I.P.
 
Аватар для СУНДЕТОВ

Регистрация: 22.11.2010
Сообщений: 1,834
Поблагодарил: 760 раз(а)
Поблагодарили 1349 раз(а)
Фотоальбомы: 20 фото
Репутация: 549
Цитата:
Сообщение от BALBES Посмотреть сообщение
с минимальным набором элементов
А транс со ссылки 1?
"Не пытайтесь повторит задумка предложено профессионалом"
СУНДЕТОВ вне форума   Цитировать 0
Похожие темы
Тема Автор Раздел Ответов Последнее сообщение
Время работы переезда от аккумулятора Shoorup Переездная сигнализация 39 28.11.2017 09:18
Восстановление Щелочного аккумулятора Алексей Чупахин Устройства электропитания и ДГА 1 22.06.2012 07:06
Трансформаторы типов ПОБС-2А, ПОБС-ЗА, ПОБС-5А, ПРТ-А, ПТ-25А и ПТИ Admin Wiki СЦБ 0 26.03.2012 12:55
ПОБС-5А Admin Wiki СЦБ 0 10.05.2011 20:56
[Новости УЗ] Юго-Западная железная дорога продолжает строительство железнодорожно-автомобильного мостового перехода в Киеве через Днепр Admin Новости на сети дорог 0 13.03.2011 09:48

Ответить в этой теме   Перейти в раздел этой темы   Translate to English

Возможно вас заинтересует информация по следующим меткам (темам):
, , , , , ,


Здесь присутствуют: 1 (пользователей: 0 , гостей: 1)
 

Ваши права в разделе
Вы не можете создавать новые темы
Вы не можете отвечать в темах
Вы не можете прикреплять вложения
Вы не можете редактировать свои сообщения

BB коды Вкл.
Смайлы Вкл.
[IMG] код Вкл.
HTML код Выкл.
Trackbacks are Вкл.
Pingbacks are Вкл.
Refbacks are Выкл.



Часовой пояс GMT +3, время: 10:05.

Яндекс.Метрика Справочник 
сцбист.ру сцбист.рф

СЦБИСТ (ранее назывался: Форум СЦБистов - Railway Automation Forum) - крупнейший сайт работников локомотивного хозяйства, движенцев, эсцебистов, путейцев, контактников, вагонников, связистов, проводников, работников ЦФТО, ИВЦ железных дорог, дистанций погрузочно-разгрузочных работ и других железнодорожников.
Связь с администрацией сайта: admin@scbist.com
1 2 3 4 5 6 7 8 9 10 11 12 13 14 15 16 17 18 19 20 21 22 23 24 25 26 27 28 29 30 31 32 33 34 
Powered by vBulletin® Version 3.8.1
Copyright ©2000 - 2026, Jelsoft Enterprises Ltd.
Powered by NuWiki v1.3 RC1 Copyright ©2006-2007, NuHit, LLC Перевод: zCarot