СЦБИСТ - железнодорожный форум, блоги, фотогалерея, социальная сеть
Вернуться   СЦБИСТ - железнодорожный форум, блоги, фотогалерея, социальная сеть > Помощь студентам, аспирантам, учащимся > Курсовое и дипломное проектирование
Курсовое и дипломное проектирование Помощь в написании дипломов и курсовых работ
Закладки ДневникиПоддержка Сообщество Комментарии к фото Сообщения за день
Ответить в этой теме   Перейти в раздел этой темы   Translate to English    
 
Translate to English В мои закладки Подписка на тему по электронной почте Отправить другу по электронной почте Опции темы Поиск в этой теме
Старый 03.01.2021, 14:19   #1 (ссылка)
Кандидат в V.I.P.
 
Аватар для lenivbuk

Регистрация: 18.03.2012
Сообщений: 6
Поблагодарил: 6 раз(а)
Поблагодарили 1 раз(а)
Фотоальбомы: не добавлял
Репутация: 0

Тема: Два предохранителя в одной цепи


Добрый день коллеги.
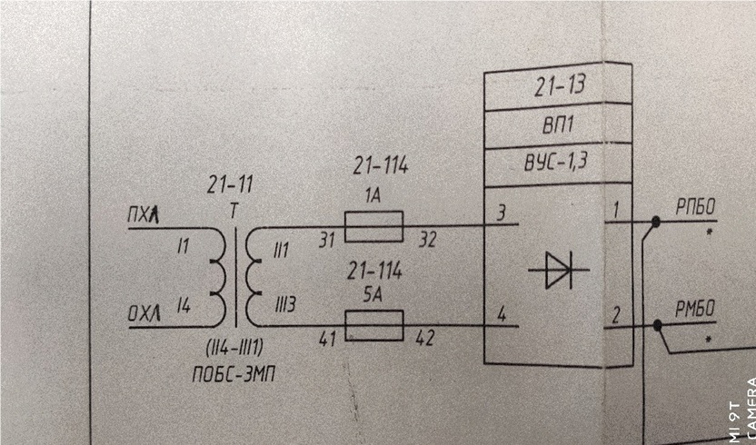
Все чаще встречаю в схемах включения трансформаторов два предохранителя разных номиналов (по сути включены в одну цепь последовательно) . Кто знает для чего это сделано?
Миниатюры
Два предохранителя в одной цепи-vklyuchenie-predohranitelei.jpg  
lenivbuk вне форума   Цитировать 0
Старый 03.01.2021, 14:29   #2 (ссылка)
Робот
 
Аватар для СЦБот

Регистрация: 05.05.2009
Сообщений: 2,484
Поблагодарил: 0 раз(а)
Поблагодарили 82 раз(а)
Фотоальбомы: не добавлял
Репутация: 0
Приветствуем Вас на нашем сайте! Это сообщение сгенерировано автоматически, отвечать на него не требуется.


Если Вы хотите получить ответ на вопрос, заданный в этой теме, рекомендуем воспользоваться поиском по сайту, пока Вы ожидаете ответов других пользователей. Надеемся, что Вы найдете что-либо полезное на сайте.


СЦБот вне форума   Цитировать 0
Старый 03.01.2021, 15:01   #3 (ссылка)
Super V.I.P.
 
Аватар для Узник Абакана

Регистрация: 01.03.2017
Сообщений: 2,119
Поблагодарил: 95 раз(а)
Поблагодарили 405 раз(а)
Фотоальбомы: не добавлял
Репутация: 536
Цитата:
Сообщение от lenivbuk Посмотреть сообщение
Кто знает для чего это сделано?
для того же для чего в кабельных ящиках ставят АВМ на 10А и предохранитель на 20А
этот предохранитель просто элемент двухполюсного отключения
__________________
Разделение ШЧ на ПЧ и НГЧ
Узник Абакана вне форума   Цитировать 0
Старый 03.01.2021, 21:23   #4 (ссылка)
Корифей СЦБ
 
Аватар для Александр

Регистрация: 25.02.2009
Адрес: Ленинград
Возраст: 49
Сообщений: 9,579
Поблагодарил: 1612 раз(а)
Поблагодарили 2346 раз(а)
Фотоальбомы: 1 фото
Репутация: 1386
Непонятно, зачем именно в данной цепи двухполюсное.
Скорее всего - избыток фантазии автора схемы.
Ещё бы один пред поставить, между клеммами II-4 и III-1 ПОБСа. Предлагаю на 3А, среднее арифметическое между 1А и 5А.
__________________
"Не думай. Думаешь - не говори. Думаешь и говоришь - не пиши. Думаешь, говоришь и пишешь - не подписывай. Думаешь, говоришь, пишешь и подписываешь - не удивляйся."
Ф.Э. Дзержинский.
Александр вне форума   Цитировать 2
Поблагодарили:
Данный пост получил благодарности от пользователей
Старый 03.01.2021, 22:50   #5 (ссылка)
Super V.I.P.
 
Аватар для vetal

Регистрация: 27.05.2009
Сообщений: 2,538
Поблагодарил: 644 раз(а)
Поблагодарили 1066 раз(а)
Фотоальбомы: не добавлял
Репутация: 1468
Цитата:
Сообщение от Александр
Непонятно, зачем именно в данной цепи двухполюсное.
Скорее всего - избыток фантазии автора схемы.
Я так понял это кусочек схемы панели питания ПВП-ЭЦК, а конкретно схема питания ЭПК обдува стрелочных переводов. В книге "Аппаратура электропитания железнодорожной автоматики." Коган Д.А., Эткин 3.А на схеме ПВП-ЭЦК данная цепь имеет два предохранителя на 1А, а в альбоме ЭЦ-10-88 данная цепь уже имеет один предохранитель на 1А и второй на 5А. Так и не понял почему два по 1А не оставили? Кстати в альбоме ЭЦ-10-88 эта цепь не единственная, где в одной цепи стоят предохранители разного номинала.
vetal вне форума   Цитировать 0
Поблагодарили:
Данный пост получил благодарности от пользователей
Старый 03.01.2021, 23:32   #6 (ссылка)
Корифей СЦБ
 
Аватар для Александр

Регистрация: 25.02.2009
Адрес: Ленинград
Возраст: 49
Сообщений: 9,579
Поблагодарил: 1612 раз(а)
Поблагодарили 2346 раз(а)
Фотоальбомы: 1 фото
Репутация: 1386
vetal, два преда разного номинала - очень разумное решение.
Дело в том, что при номинальном токе пред быстро стареет, особенно константан (из константана как раз 1А и меньше, 2А - уже медь).
Поэтому и ставят два, например, на фонари: 0,3А и 3А в схемах с УРП. Так в два раза снижается вероятность отказа из-за старения преда и обрыва нити, и, в то же время, обеспечивается двухполюсное размыкание и защита от перегрузки.
Но нахрена здесь второй пред - не понятно. Здесь два полюса рвать не нужно от слова совсем.
__________________
"Не думай. Думаешь - не говори. Думаешь и говоришь - не пиши. Думаешь, говоришь и пишешь - не подписывай. Думаешь, говоришь, пишешь и подписываешь - не удивляйся."
Ф.Э. Дзержинский.
Александр вне форума   Цитировать 2
Старый 04.01.2021, 07:54   #7 (ссылка)
Кандидат в V.I.P.

Автор темы
 
Аватар для lenivbuk

Регистрация: 18.03.2012
Сообщений: 6
Поблагодарил: 6 раз(а)
Поблагодарили 1 раз(а)
Фотоальбомы: не добавлял
Репутация: 0
Цитата:
для того же для чего в кабельных ящиках ставят АВМ на 10А и предохранитель на 20А
этот предохранитель просто элемент двухполюсного отключения
В КЯ все понятно, защита и возможность отключения РШ при неисправности АВМ (залипание, сваривание и т.п.). Но зачем защищать предохранитель меньшего номинала?). Не понятна и необходимость духполюсного размыкания в изолированной (вторичной) цепи.
lenivbuk вне форума   Цитировать 0
Старый 04.01.2021, 10:37   #8 (ссылка)
Super V.I.P.
 
Аватар для СУНДЕТОВ

Регистрация: 22.11.2010
Сообщений: 1,834
Поблагодарил: 760 раз(а)
Поблагодарили 1349 раз(а)
Фотоальбомы: 20 фото
Репутация: 549
В данном узле один предохранитель как защитный, второй + первый как выключатели, для двухполюсного отключения.
В сентябре 2019 года я имел телефонный разговор с Коганом и Молдавским насчёт панелей ЭЦК, дали понять, что все недостатки по вине завода. И перед новым годом посмотрели на полученные УЭП-У, похоже на "пороховую бочку".
СУНДЕТОВ вне форума   Цитировать 0
Поблагодарили:
Данный пост получил благодарности от пользователей
Старый 06.01.2021, 13:32   #9 (ссылка)
Super V.I.P.
 
Аватар для vetal

Регистрация: 27.05.2009
Сообщений: 2,538
Поблагодарил: 644 раз(а)
Поблагодарили 1066 раз(а)
Фотоальбомы: не добавлял
Репутация: 1468
Цитата:
Сообщение от СУНДЕТОВ
В данном узле один предохранитель как защитный, второй + первый как выключатели, для двухполюсного отключения.
Не могу понять, если первый предохранитель используется только для двухполюсного отключения, то почему для этих целей не используется предохранитель на 20А??? По нашей инструкции ЦШ-0060 предохранитель на 20А, который используется в качестве разъединителя, проверяется только один раз перед вводом в эксплуатацию. Т.е. зачем использовать в качестве разъединителя предохранитель, который требует периодической замены и перепайки плавкой вставки? Или у вас другая периодичность замены предохранителя на 20А?
vetal вне форума   Цитировать 0
Старый 07.01.2021, 07:47   #10 (ссылка)
Super V.I.P.
 
Аватар для СУНДЕТОВ

Регистрация: 22.11.2010
Сообщений: 1,834
Поблагодарил: 760 раз(а)
Поблагодарили 1349 раз(а)
Фотоальбомы: 20 фото
Репутация: 549
20А ставится в тех случаях, где первый каскад защиты уже есть: В Р.Ш. С/У ставят т.к. в КЯ установлен АВМ на 3 или 5А. На ПЯ или ТЯ ставят 20 А , где на посту по вторичной цепи ПТ, КТ стоят Rо ограничительные сопротивления от к.з.
СУНДЕТОВ вне форума   Цитировать 0
Поблагодарили:
Данный пост получил благодарности от пользователей
Похожие темы
Тема Автор Раздел Ответов Последнее сообщение
[09-2015] Три фазы — из одной poster333 Уголок радиолюбителя 0 19.10.2015 01:21
История одной поломки Admin Общие вопросы эксплуатации устройств СЦБ 8 28.11.2013 21:51
[Транссиб] История одной собаки Admin Газеты и журналы железных дорог 0 16.10.2012 13:45
[ОМ] Билеты по одной цене Admin Газета "Октябрьская магистраль" 0 30.06.2011 18:58
[Восточно-сибирский путь] Звенья одной цепи. ОАО «РЖД» укрепляет технологическую координацию перевозочного процесса. Admin Газеты и журналы железных дорог 0 15.06.2011 08:41

Ответить в этой теме   Перейти в раздел этой темы   Translate to English


Здесь присутствуют: 1 (пользователей: 0 , гостей: 1)
 

Ваши права в разделе
Вы не можете создавать новые темы
Вы не можете отвечать в темах
Вы не можете прикреплять вложения
Вы не можете редактировать свои сообщения

BB коды Вкл.
Смайлы Вкл.
[IMG] код Вкл.
HTML код Выкл.
Trackbacks are Вкл.
Pingbacks are Вкл.
Refbacks are Выкл.



Часовой пояс GMT +3, время: 12:52.

Яндекс.Метрика Справочник 
сцбист.ру сцбист.рф

СЦБИСТ (ранее назывался: Форум СЦБистов - Railway Automation Forum) - крупнейший сайт работников локомотивного хозяйства, движенцев, эсцебистов, путейцев, контактников, вагонников, связистов, проводников, работников ЦФТО, ИВЦ железных дорог, дистанций погрузочно-разгрузочных работ и других железнодорожников.
Связь с администрацией сайта: admin@scbist.com
1 2 3 4 5 6 7 8 9 10 11 12 13 14 15 16 17 18 19 20 21 22 23 24 25 26 27 28 29 30 31 32 33 34 
Powered by vBulletin® Version 3.8.1
Copyright ©2000 - 2026, Jelsoft Enterprises Ltd.
Powered by NuWiki v1.3 RC1 Copyright ©2006-2007, NuHit, LLC Перевод: zCarot