СЦБИСТ - железнодорожный форум, блоги, фотогалерея, социальная сеть
Ушел из жизни Крупицкий Адольф Зельманович
6 февраля 2026 года ушел из жизни Крупицкий Адольф Зельманович, более шести десятков лет проработавший в институте «Гипротранссигналсвязь». Всю свою трудовую деятельность А.З. Крупицкий посвятил проектному делу. После окончанию обучения в Ленинградском институте инженеров железнодорожного транспорта в 1959 году начал свою профессиональную деятельность в качестве старшего электромеханика дистанции сигнализации и связи на Казахской железной дороге. В 1960 году пришел на работу в институт на должность инженера, работал руководителем группы, главным инженером проектов.

Читать далее
Вернуться   СЦБИСТ - железнодорожный форум, блоги, фотогалерея, социальная сеть > Помощь студентам, аспирантам, учащимся > Курсовое и дипломное проектирование
Курсовое и дипломное проектирование Помощь в написании дипломов и курсовых работ
Закладки ДневникиПоддержка Сообщество Комментарии к фото Сообщения за день
Ответить в этой теме   Перейти в раздел этой темы    
 
В мои закладки Подписка на тему по электронной почте Отправить другу по электронной почте Опции темы Поиск в этой теме
Старый 03.05.2013, 09:01   #16 (ссылка)
Кандидат в V.I.P.

Автор темы
 
Аватар для stalin

Регистрация: 18.10.2010
Сообщений: 64
Поблагодарил: 24 раз(а)
Поблагодарили 0 раз(а)
Фотоальбомы: не добавлял
Репутация: 0
Цитата:
Сообщение от Torquato Tasso Посмотреть сообщение
придумай
Это самый простой вариант, наверно так и сделаю

stalin добавил 03.05.2013 в 09:01



Он уже установлен, ну тоесть мне дали действующую станцию, полный её план в однонитке



Последний раз редактировалось stalin; 03.05.2013 в 09:03. Причина: Добавлено сообщение
stalin вне форума   Цитировать 0
Старый 03.05.2013, 10:36   #17 (ссылка)
))
 
Аватар для Sama Y

Регистрация: 22.02.2010
Адрес: Екатеринбург
Сообщений: 2,535
Поблагодарил: 2253 раз(а)
Поблагодарили 1401 раз(а)
Фотоальбомы: не добавлял
Записей в дневнике: 6
Цитата:
ординат УКСПС нету
первый УКСПС установи на ординате предупредительного светофора ПЧ, а второй - максимальная длина поезда (по заданию) + 200м
Sama Y вне форума   Цитировать 0
Поблагодарили:
Данный пост получил благодарности от пользователей
Старый 03.05.2013, 12:55   #18 (ссылка)
Кандидат в V.I.P.

Автор темы
 
Аватар для stalin

Регистрация: 18.10.2010
Сообщений: 64
Поблагодарил: 24 раз(а)
Поблагодарили 0 раз(а)
Фотоальбомы: не добавлял
Репутация: 0
Цитата:
Сообщение от Sama Y Посмотреть сообщение
первый УКСПС установи на ординате предупредительного светофора ПЧ, а второй - максимальная длина поезда (по заданию) + 200м
Спасибо за совет, подскажите пожалста, сколько жил брать для кабеля от РШ к УКСПС, и сколько в запас
stalin вне форума   Цитировать 0
Старый 03.05.2013, 13:06   #19 (ссылка)
Мастер
 
Аватар для Михаил Лупинос

Регистрация: 26.09.2012
Адрес: г. Называевск
Возраст: 39
Сообщений: 660
Поблагодарил: 75 раз(а)
Поблагодарили 114 раз(а)
Фотоальбомы: 23 фото
Репутация: 60
ну я думаю 2 до укспс контрольные на каждый датчик ну и в запас минимум 2)
__________________
мы отвечаем за свои поступки.
Михаил Лупинос вне форума   Цитировать 0
Поблагодарили:
Данный пост получил благодарности от пользователей
Старый 03.05.2013, 13:13   #20 (ссылка)
))
 
Аватар для Sama Y

Регистрация: 22.02.2010
Адрес: Екатеринбург
Сообщений: 2,535
Поблагодарил: 2253 раз(а)
Поблагодарили 1401 раз(а)
Фотоальбомы: не добавлял
Записей в дневнике: 6
кусочек перегона в автокаде
http://scbist.com/scb/uploaded/2721_1367572396.dwg

если не будет читаться, могу сбросить на почту

Последний раз редактировалось Sama Y; 03.05.2013 в 13:16.
Sama Y вне форума   Цитировать 0
Старый 04.05.2013, 06:29   #21 (ссылка)
Кандидат в V.I.P.

Автор темы
 
Аватар для stalin

Регистрация: 18.10.2010
Сообщений: 64
Поблагодарил: 24 раз(а)
Поблагодарили 0 раз(а)
Фотоальбомы: не добавлял
Репутация: 0
Цитата:
Сообщение от Sama Y Посмотреть сообщение
кусочек перегона в автокаде
http://scbist.com/scb/uploaded/2721_1367572396.dwg

если не будет читаться, могу сбросить на почту
Спасибо канечно, но в чём он мне поможет?

stalin добавил 04.05.2013 в 06:29
Посмотрите кабельный план

Стоит ли мне к светофорам м6 м8 выделить отдельную муфту

Сколько поставить жильность на КЯ

Что такое релейные(или линейные) участки приближения и как и куда их ставить

На релейных концах только парная скуртка (как обозначить это)

Буду благодарен если кто что нибуть подскажет



Последний раз редактировалось stalin; 04.05.2013 в 06:29. Причина: Добавлено сообщение
stalin вне форума   Цитировать 0
Старый 04.05.2013, 07:35   #22 (ссылка)
Регулировщик-любитель
 
Аватар для Витос

Регистрация: 13.04.2009
Сообщений: 5,099
Поблагодарил: 853 раз(а)
Поблагодарили 1162 раз(а)
Фотоальбомы: 23 фото
Репутация: 1346
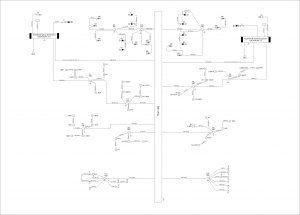
К М6 и М8 действительно лучше установить отдельную муфту на ординате М8, кабель использовать парной скрутки(минимальная емкость парного кабеля-3х2, а 3х1 или любой типа nх1 это непарный), длину кабеля округлять до 5 или 0 в бОльшую сторону( то есть, если при расчете получилось 82 метра пишешь длину кабеля 85, а если получилось 86 метров-пишешь 90). Внутри ромбика муфты пиши какую муфту применяешь-на 4, 7 или 8 направлений(просто вставляешь одну из этих цифр) в зависимости от количества приходящих кабелей, датчики ЭССО на двухнитке стоят невпопад, на участках приближения на двухнитке нет рельсовых цепей, нарисованы только питающие концы, а релейные концы установи у ПЧ и ПН и вообще, там должны быть импульсные рц. Поэтому и на кабельном плане у тебя нет релейных концов участков приближения. Не обозначено кодирование.
На кя кабель надо рассчитать. Определись, какой он должен быть длины, но не более 100 м. Как правило применяют кабель 5х1.
Там много чего еще не так. Например М3, М4 и М5 должны быть мачтовыми с красными головами вместо синих, на двухнитке должны быть прописаны частоты всех тональных рц, а если используются не тональные, тогда убрать из двухнитки те, которые написаны.
На кабельном плане пропиши у светофоров резервирование нитей ламп, на двухнитке у Н4 тоже не прописано. При таких длинах путей 1П, IIП,3П,4П нет необходимости ставить питающие концы посередине пути-убери.
__________________
Если проблему решить можно — не стоит о ней беспокоиться,
Если проблему решить нельзя — беспокоиться бесполезно.
Далай-Лама XIV.

Что было, то и будет, и что делалось, то и будет делаться, и нет ничего нового под солнцем. Бывает нечто, о чем говорят: "смотри, вот это новое"; но это было уже в веках, бывших прежде нас.
Книга Екклесиаста [9:10]


Витос вне форума   Цитировать 0
Поблагодарили:
Данный пост получил благодарности от пользователей
Старый 04.05.2013, 13:07   #23 (ссылка)
Кандидат в V.I.P.

Автор темы
 
Аватар для stalin

Регистрация: 18.10.2010
Сообщений: 64
Поблагодарил: 24 раз(а)
Поблагодарили 0 раз(а)
Фотоальбомы: не добавлял
Репутация: 0
Цитата:
Сообщение от Витос Посмотреть сообщение
К М6 и М8 действительно лучше установить отдельную муфту на ординате М8, кабель использовать парной скрутки(минимальная емкость парного кабеля-3х2, а 3х1 или любой типа nх1 это непарный), длину кабеля округлять до 5 или 0 в бОльшую сторону( то есть, если при расчете получилось 82 метра пишешь длину кабеля 85, а если получилось 86 метров-пишешь 90). Внутри ромбика муфты пиши какую муфту применяешь-на 4, 7 или 8 направлений(просто вставляешь одну из этих цифр) в зависимости от количества приходящих кабелей, датчики ЭССО на двухнитке стоят невпопад, на участках приближения на двухнитке нет рельсовых цепей, нарисованы только питающие концы, а релейные концы установи у ПЧ и ПН и вообще, там должны быть импульсные рц. Поэтому и на кабельном плане у тебя нет релейных концов участков приближения. Не обозначено кодирование.
На кя кабель надо рассчитать. Определись, какой он должен быть длины, но не более 100 м. Как правило применяют кабель 5х1.
Там много чего еще не так. Например М3, М4 и М5 должны быть мачтовыми с красными головами вместо синих, на двухнитке должны быть прописаны частоты всех тональных рц, а если используются не тональные, тогда убрать из двухнитки те, которые написаны.
На кабельном плане пропиши у светофоров резервирование нитей ламп, на двухнитке у Н4 тоже не прописано. При таких длинах путей 1П, IIП,3П,4П нет необходимости ставить питающие концы посередине пути-убери.

Спасибо очень помогли, буду исправлять
stalin вне форума   Цитировать 0
Старый 04.05.2013, 21:08   #24 (ссылка)
V.I.P.
 
Аватар для Rafa

Регистрация: 24.10.2009
Адрес: МОЙДОДЫР
Сообщений: 5,650
Поблагодарил: 388 раз(а)
Поблагодарили 577 раз(а)
Фотоальбомы: не добавлял
Если на станции ТРЦ, то за входными светофорами должны быть питающие концы.
В ТРЦ лучше ставить по обеим концам ИС однотипные приборы п/п или р/р


Надо указать также кодирующие концы РЦ.

Rafa добавил 04.05.2013 в 21:08
Что-то по поводу датчика счета осей за входным светофором есть большое сомнение.
Не забывай, что если за маневровый светофор М2 будет задан маршрут, то датчик зафиксирует некоторое количество осей.
Ну хотя если, он очень умный и определяет направление, то тогда ладно.

Хотя я бы поставил его лучше перед входным светофором.
Основная задача этого датчика - контроль свободности перегона - методом счета осей.


На М6 и М9 должны быть красные показания.

Последний раз редактировалось Rafa; 04.05.2013 в 21:12. Причина: Добавлено сообщение
Rafa вне форума   Цитировать 1
Поблагодарили:
Данный пост получил благодарности от пользователей
Старый 05.05.2013, 07:54   #25 (ссылка)
Кандидат в V.I.P.

Автор темы
 
Аватар для stalin

Регистрация: 18.10.2010
Сообщений: 64
Поблагодарил: 24 раз(а)
Поблагодарили 0 раз(а)
Фотоальбомы: не добавлял
Репутация: 0
[
Цитата:
участках приближения на двухнитке нет рельсовых цепей, нарисованы только питающие концы, а релейные концы установи у ПЧ и ПН и вообще, там должны быть импульсные рц. Поэтому и на кабельном плане у тебя нет релейных концов участков приближения

Вот это я вобще не понял что это значит и как мне это осуществить


Цитата:
Что-то по поводу датчика счета осей за входным светофором есть большое сомнение.
На действующем плане станции, датчик расположен именно так, а я не стал нечего там менять и начертил как есть
stalin вне форума   Цитировать 0
Старый 05.05.2013, 08:03   #26 (ссылка)
Регулировщик-любитель
 
Аватар для Витос

Регистрация: 13.04.2009
Сообщений: 5,099
Поблагодарил: 853 раз(а)
Поблагодарили 1162 раз(а)
Фотоальбомы: 23 фото
Репутация: 1346
Цитата:
Сообщение от stalin Посмотреть сообщение
Вот это я вобще не понял что это значит и как мне это осуществить
Ну вот смотри: у светофора Н у тебя для РЦ НГП нарисован питающий конец. А где релейный? Он должен быть у светофора ПН.
__________________
Если проблему решить можно — не стоит о ней беспокоиться,
Если проблему решить нельзя — беспокоиться бесполезно.
Далай-Лама XIV.

Что было, то и будет, и что делалось, то и будет делаться, и нет ничего нового под солнцем. Бывает нечто, о чем говорят: "смотри, вот это новое"; но это было уже в веках, бывших прежде нас.
Книга Екклесиаста [9:10]


Витос вне форума   Цитировать 0
Старый 05.05.2013, 09:08   #27 (ссылка)
Кандидат в V.I.P.

Автор темы
 
Аватар для stalin

Регистрация: 18.10.2010
Сообщений: 64
Поблагодарил: 24 раз(а)
Поблагодарили 0 раз(а)
Фотоальбомы: не добавлял
Репутация: 0
Вот так??
stalin вне форума   Цитировать 0
Старый 05.05.2013, 09:16   #28 (ссылка)
Регулировщик-любитель
 
Аватар для Витос

Регистрация: 13.04.2009
Сообщений: 5,099
Поблагодарил: 853 раз(а)
Поблагодарили 1162 раз(а)
Фотоальбомы: 23 фото
Репутация: 1346
Ты, похоже, не понимаешь что такое рельсовая цепь, поэтому ты разместил релейный ПЯ за изолирующим стыком. Как у тебя потечет ток? Ток от ПЯ питающего конца должен пойти по одному рельсу, зайти по перемычке в ПЯ релейного конца, там по обмотке трансформатора и далее в другой рельс и ПЯ питающего. А у тебя по пути стоят два стыка.
__________________
Если проблему решить можно — не стоит о ней беспокоиться,
Если проблему решить нельзя — беспокоиться бесполезно.
Далай-Лама XIV.

Что было, то и будет, и что делалось, то и будет делаться, и нет ничего нового под солнцем. Бывает нечто, о чем говорят: "смотри, вот это новое"; но это было уже в веках, бывших прежде нас.
Книга Екклесиаста [9:10]


Витос вне форума   Цитировать 0
Старый 05.05.2013, 09:20   #29 (ссылка)
Кандидат в V.I.P.

Автор темы
 
Аватар для stalin

Регистрация: 18.10.2010
Сообщений: 64
Поблагодарил: 24 раз(а)
Поблагодарили 0 раз(а)
Фотоальбомы: не добавлял
Репутация: 0
Поэтому нужно просто передвинуть коробку за изо. стыки да? Я честно говоря сильно не углубляюсь в это, т.к. работать на ЖД в будущем не планирую.
stalin вне форума   Цитировать 0
Старый 05.05.2013, 09:24   #30 (ссылка)
Регулировщик-любитель
 
Аватар для Витос

Регистрация: 13.04.2009
Сообщений: 5,099
Поблагодарил: 853 раз(а)
Поблагодарили 1162 раз(а)
Фотоальбомы: 23 фото
Репутация: 1346
Ну а чё тогда голову морочишь?
__________________
Если проблему решить можно — не стоит о ней беспокоиться,
Если проблему решить нельзя — беспокоиться бесполезно.
Далай-Лама XIV.

Что было, то и будет, и что делалось, то и будет делаться, и нет ничего нового под солнцем. Бывает нечто, о чем говорят: "смотри, вот это новое"; но это было уже в веках, бывших прежде нас.
Книга Екклесиаста [9:10]


Витос вне форума   Цитировать 0
Похожие темы
Тема Автор Раздел Ответов Последнее сообщение
=Диплом= Нужна помощь!!! BanDiT58 Дипломы, курсовые, лекции, рефераты по СЦБ 1 16.02.2013 20:20
НУЖНА ПОМОЩЬ! nastena29s90 Поиск документации 0 12.02.2013 16:57
нужна помощь Andrey Syasin Машинисту тепловоза 2 09.02.2013 20:55
Нужна помощь chernobrov Вагонное хозяйство 0 07.02.2013 05:33
Нужна помощь, посмотрите пожалуйста, что не правильно на двухнитке? Антон Кондратьев Курсовое и дипломное проектирование 11 12.03.2012 10:06

Ответить в этой теме   Перейти в раздел этой темы   Translate to English

Возможно вас заинтересует информация по следующим меткам (темам):
, , , , , ,


Здесь присутствуют: 1 (пользователей: 0 , гостей: 1)
 

Ваши права в разделе
Вы не можете создавать новые темы
Вы не можете отвечать в темах
Вы не можете прикреплять вложения
Вы не можете редактировать свои сообщения

BB коды Вкл.
Смайлы Вкл.
[IMG] код Вкл.
HTML код Выкл.
Trackbacks are Вкл.
Pingbacks are Вкл.
Refbacks are Выкл.



Часовой пояс GMT +3, время: 14:21.

Яндекс.Метрика Справочник 
сцбист.ру сцбист.рф

СЦБИСТ (ранее назывался: Форум СЦБистов - Railway Automation Forum) - крупнейший сайт работников локомотивного хозяйства, движенцев, эсцебистов, путейцев, контактников, вагонников, связистов, проводников, работников ЦФТО, ИВЦ железных дорог, дистанций погрузочно-разгрузочных работ и других железнодорожников.
Связь с администрацией сайта: admin@scbist.com
1 2 3 4 5 6 7 8 9 10 11 12 13 14 15 16 17 18 19 20 21 22 23 24 25 26 27 28 29 30 31 32 33 34 
Powered by vBulletin® Version 3.8.1
Copyright ©2000 - 2026, Jelsoft Enterprises Ltd.
Powered by NuWiki v1.3 RC1 Copyright ©2006-2007, NuHit, LLC Перевод: zCarot