СЦБИСТ - железнодорожный форум, блоги, фотогалерея, социальная сеть
Вернуться   СЦБИСТ - железнодорожный форум, блоги, фотогалерея, социальная сеть > Помощь студентам, аспирантам, учащимся > Курсовое и дипломное проектирование
Курсовое и дипломное проектирование Помощь в написании дипломов и курсовых работ
Закладки ДневникиПоддержка Сообщество Комментарии к фото Сообщения за день
Ответить в этой теме   Перейти в раздел этой темы    
 
В мои закладки Подписка на тему по электронной почте Отправить другу по электронной почте Опции темы Поиск в этой теме
Старый 18.05.2010, 16:42   #16 (ссылка)
Кандидат в V.I.P.

Автор темы
 
Аватар для Bill Gates

Регистрация: 23.03.2010
Адрес: Студент-заканчиваю 5 курс!
Сообщений: 12
Поблагодарил: 0 раз(а)
Поблагодарили 0 раз(а)
Фотоальбомы: не добавлял
Репутация: 11
Да главное чтобы скорость была хорошая и дальность! А фильмы я не писал-эт майл....прогресс идет..но диплом пишу! без 20 час ночи!

Bill Gates добавил 18.05.2010 в 15:42
Цитата:
Сообщение от tiksi Посмотреть сообщение
Исходник найдётся на форуме- Однопутная кодовая автоблокировка АБ-1-К-25-50-ЭТ-82
Тема диплома "Мониторинг автоблокировки АБ-1-К-25-50-ЭТ-82
с приминением транспортной среды Wi-Fi"/ На рисунке красным цветом выделены контакты реле которые надо мониторить.
Синим цветом- старое устройство сбора и передачи информации. Его надо заменить новым устройством которое конвертирует состояния контактов реле в RS-ххх или Езернет или в то что нужно. Потом его сjпреч с Вай-Фай и передать на сервер под названием АРМ оператора мониторинга. Так как расстояния между шкафами превысят радиус действия Вай-Фая, то следует предусматреть маршрутизаторы на промежуточных точках Вай-Фая.
Будут вопросы- звони.
Про девушек- любить это хорошо, но держи её в строгости.
Картинку можешь лучше качества дать? а то в это вообще ничего не вижу!

Последний раз редактировалось Bill Gates; 18.05.2010 в 16:42. Причина: Добавлено сообщение
Bill Gates вне форума   Цитировать 0
Старый 18.05.2010, 16:43   #17 (ссылка)
ст. Баджал
 
Аватар для tiksi

Регистрация: 21.07.2009
Сообщений: 7,810
Поблагодарил: 790 раз(а)
Поблагодарили 994 раз(а)
Фотоальбомы: 47 фото
Цитата:
Сообщение от Bill Gates
без 20 час ночи!
Господи! Куда тебя занесло? Петропавловск-Камчатский?
tiksi вне форума   Цитировать 0
Старый 18.05.2010, 16:49   #18 (ссылка)
Кандидат в V.I.P.

Автор темы
 
Аватар для Bill Gates

Регистрация: 23.03.2010
Адрес: Студент-заканчиваю 5 курс!
Сообщений: 12
Поблагодарил: 0 раз(а)
Поблагодарили 0 раз(а)
Фотоальбомы: не добавлял
Репутация: 11
Цитата:
Сообщение от shnscb Посмотреть сообщение
сайт этот, раздел документация- Диспетчерские централизации и диспетчерский контроль там топик называется "Схемы частотного диспетчерского контроля ТУ-10 501-0-19"(как пример думаю подойдет).
КАЧАЮЮЮЮЮ!

Bill Gates добавил 18.05.2010 в 15:49
Цитата:
Сообщение от tiksi Посмотреть сообщение
Господи! Куда тебя занесло? Петропавловск-Камчатский?
счас в Хабаровске!

Последний раз редактировалось Bill Gates; 18.05.2010 в 16:49. Причина: Добавлено сообщение
Bill Gates вне форума   Цитировать 0
Старый 19.05.2010, 11:08   #19 (ссылка)
ст. Баджал
 
Аватар для tiksi

Регистрация: 21.07.2009
Сообщений: 7,810
Поблагодарил: 790 раз(а)
Поблагодарили 994 раз(а)
Фотоальбомы: 47 фото
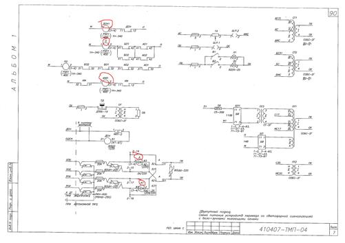
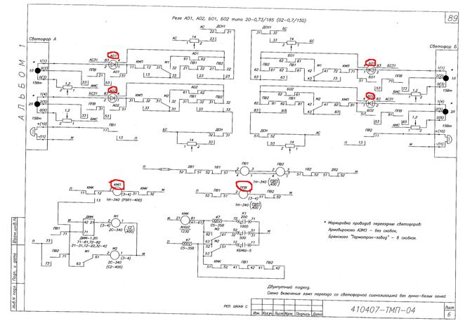
Bill Gates. Тему диплома меняем "Мониторинг автопереезда неохраняемого (Альбом 410407-ТМП) с приминением транспортной среды Wi-Fi".
Выгода от замены- светофоров много, а переезд один. Не потребуется маршрутизировать поток.
На картинках отмеченые красным цветом - мониторим.
Миниатюры
Мониторинг по Wi-Fi-410407-090.jpg  Мониторинг по Wi-Fi-410407-091.jpg  

Последний раз редактировалось tiksi; 19.05.2010 в 15:14.
tiksi вне форума   Цитировать 0
Старый 19.05.2010, 12:43   #20 (ссылка)
Кандидат в V.I.P.

Автор темы
 
Аватар для Bill Gates

Регистрация: 23.03.2010
Адрес: Студент-заканчиваю 5 курс!
Сообщений: 12
Поблагодарил: 0 раз(а)
Поблагодарили 0 раз(а)
Фотоальбомы: не добавлял
Репутация: 11
Не! Тему менять не буду! Уже много сделано я завершаю!
Bill Gates вне форума   Цитировать 0
Старый 19.05.2010, 13:58   #21 (ссылка)
ст. Баджал
 
Аватар для tiksi

Регистрация: 21.07.2009
Сообщений: 7,810
Поблагодарил: 790 раз(а)
Поблагодарили 994 раз(а)
Фотоальбомы: 47 фото
Цитата:
Сообщение от Bill Gates
Не! Тему менять не буду! Уже много сделано я завершаю!
Не тему менять, объект мониторинга.
Посмотреть что получилос можно?
tiksi вне форума   Цитировать 0
Старый 19.05.2010, 19:30   #22 (ссылка)
Кандидат в V.I.P.

Автор темы
 
Аватар для Bill Gates

Регистрация: 23.03.2010
Адрес: Студент-заканчиваю 5 курс!
Сообщений: 12
Поблагодарил: 0 раз(а)
Поблагодарили 0 раз(а)
Фотоальбомы: не добавлял
Репутация: 11
Позже
Bill Gates вне форума   Цитировать 0
Старый 28.09.2010, 13:39   #23 (ссылка)
Кандидат в V.I.P.

Автор темы
 
Аватар для Bill Gates

Регистрация: 23.03.2010
Адрес: Студент-заканчиваю 5 курс!
Сообщений: 12
Поблагодарил: 0 раз(а)
Поблагодарили 0 раз(а)
Фотоальбомы: не добавлял
Репутация: 11

Тема: Закончилась учеба!


Диплом защищен на оценку "Хорошо!"
Присвоена квалификация Инженер Путей Сообщения.
Работаю электромехаником СЦБ на ДВЖД=)

Комментарии к сообщению (репутация)
Torquato Tasso, положительно:
Bill Gates вне форума   Цитировать 0
Старый 28.09.2010, 13:56   #24 (ссылка)
ст. Баджал
 
Аватар для tiksi

Регистрация: 21.07.2009
Сообщений: 7,810
Поблагодарил: 790 раз(а)
Поблагодарили 994 раз(а)
Фотоальбомы: 47 фото
Цитата:
Сообщение от Bill Gates
Закончилась учеба!
Ну, прими поздравления от всего нашего "профсоюза"!
Удач тебе!
tiksi вне форума   Цитировать 0
Похожие темы
Тема Автор Раздел Ответов Последнее сообщение
Мониторинг bigpups КТСМ / ПОНАБ 15 04.09.2012 23:20
[ОМ] Чрезвычайный мониторинг Admin Газета "Октябрьская магистраль" 0 25.03.2011 10:55
[Гудок] [15 марта 2011] Доступный мониторинг. Ученые разработали планово-предупредительную систему диагностики дизелей Admin Газета "Гудок" 0 17.03.2011 19:52
[Ищу] КАСАНТ и мониторинг состояния ж.д пути Альфира Ищу/Предлагаю 1 29.11.2010 12:18
Мониторинг состояния устройств СЦБ, использование ПО Мониторинг Наталья.К Курсовое и дипломное проектирование 8 11.11.2010 08:31

Ответить в этой теме   Перейти в раздел этой темы   Translate to English

Возможно вас заинтересует информация по следующим меткам (темам):
, , , , , , ,


Здесь присутствуют: 1 (пользователей: 0 , гостей: 1)
 

Ваши права в разделе
Вы не можете создавать новые темы
Вы не можете отвечать в темах
Вы не можете прикреплять вложения
Вы не можете редактировать свои сообщения

BB коды Вкл.
Смайлы Вкл.
[IMG] код Вкл.
HTML код Выкл.
Trackbacks are Вкл.
Pingbacks are Вкл.
Refbacks are Выкл.



Часовой пояс GMT +3, время: 19:11.

Яндекс.Метрика Справочник 
сцбист.ру сцбист.рф

СЦБИСТ (ранее назывался: Форум СЦБистов - Railway Automation Forum) - крупнейший сайт работников локомотивного хозяйства, движенцев, эсцебистов, путейцев, контактников, вагонников, связистов, проводников, работников ЦФТО, ИВЦ железных дорог, дистанций погрузочно-разгрузочных работ и других железнодорожников.
Связь с администрацией сайта: admin@scbist.com
1 2 3 4 5 6 7 8 9 10 11 12 13 14 15 16 17 18 19 20 21 22 23 24 25 26 27 28 29 30 31 32 33 34 
Powered by vBulletin® Version 3.8.1
Copyright ©2000 - 2026, Jelsoft Enterprises Ltd.
Powered by NuWiki v1.3 RC1 Copyright ©2006-2007, NuHit, LLC Перевод: zCarot