СЦБИСТ - железнодорожный форум, блоги, фотогалерея, социальная сеть
Вернуться   СЦБИСТ - железнодорожный форум, блоги, фотогалерея, социальная сеть > Помощь студентам, аспирантам, учащимся > Ищу/Предлагаю
Ищу/Предлагаю Создайте тему в этом разделе с описанием вашего задания - и вам помогут!
Закладки ДневникиПоддержка Сообщество Комментарии к фото Сообщения за день
Ответить в этой теме   Перейти в раздел этой темы   Translate to English    
 
Translate to English В мои закладки Подписка на тему по электронной почте Отправить другу по электронной почте Опции темы Поиск в этой теме
Старый 24.03.2011, 10:05   #16 (ссылка)
Super V.I.P.
 
Аватар для СУНДЕТОВ

Регистрация: 22.11.2010
Сообщений: 1,834
Поблагодарил: 760 раз(а)
Поблагодарили 1349 раз(а)
Фотоальбомы: 20 фото
Репутация: 549
Цитата:
Сообщение от viktors007 Посмотреть сообщение
Ищу схемы включения входного сетофора, лампы двухниточные, с резервированием питания, 12V.
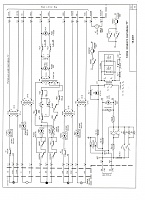
Посмотри на это. Только повторители огневых включено на пост от П,М
разрешаюшие огни,а красного и аварика от ПБ,МБ.
Миниатюры
Ищу схемы включения входного сетофора-vklyuchenie-vh-001.jpg  
СУНДЕТОВ вне форума   Цитировать 0
Поблагодарили:
Данный пост получил благодарности от пользователей
Старый 30.10.2015, 07:32   #17 (ссылка)
Кандидат в V.I.P.
 
Аватар для Алексей Потапов 26090

Регистрация: 06.10.2015
Адрес: хакасия
Возраст: 56
Сообщений: 1
Поблагодарил: 0 раз(а)
Поблагодарили 0 раз(а)
Фотоальбомы: не добавлял
Репутация: 0
Где найти схему на входной светофор с светодиодами.
Алексей Потапов 26090 вне форума   Цитировать 0
Старый 30.10.2015, 08:03   #18 (ссылка)
Кандидат в V.I.P.
 
Аватар для MediaGet

Регистрация: 30.07.2015
Сообщений: 446
Поблагодарил: 13 раз(а)
Поблагодарили 110 раз(а)
Фотоальбомы: не добавлял
Репутация: 74
Цитата:
Сообщение от Алексей Потапов 26090 Посмотреть сообщение
Где найти схему на входной светофор с светодиодами.
берешь схему без светодиодов, берешь типовый альбом ССС и переставляя фигуры как на шахматной доске получаешь входной светофор с светодиодами
MediaGet вне форума   Цитировать 0
Старый 30.10.2015, 14:57   #19 (ссылка)
Super V.I.P.
 
Аватар для Юстас

Регистрация: 03.07.2009
Адрес: г.Екатеринбург
Возраст: 63
Сообщений: 1,293
Поблагодарил: 127 раз(а)
Поблагодарили 255 раз(а)
Фотоальбомы: не добавлял
Репутация: 398
Цитата:
Где найти схему на входной светофор с светодиодами.
http://scbist.com/scb/uploaded/1075_1433314766.pdf кое что тут есть.

Цитата:
переставляя фигуры как на шахматной доске получаешь входной светофор с светодиодами
Не всё так просто. И по ССС ТрансСигнала (НКМР) тоже есть изменения при подключении.
__________________
"После игры короля кладут в тот же ящик, что и пешку"
Юстас вне форума   Цитировать 0
Старый 20.11.2015, 11:30   #20 (ссылка)
АфроСЦБист
 
Аватар для tyubik

Регистрация: 22.10.2010
Адрес: Ивантеевка
Возраст: 50
Сообщений: 13,217
Поблагодарил: 477 раз(а)
Поблагодарили 847 раз(а)
Фотоальбомы: не добавлял
Репутация: 1601
tyubik вне форума   Цитировать 0
Похожие темы
Тема Автор Раздел Ответов Последнее сообщение
=Техн. решения= Схемы подключения и контроля светодиодных модулей типа СЖДМ для железнодорожных светофоров АБ СЦБист Автоблокировки 2 07.12.2012 18:22
Пошаговая технология включения в действие двухсторонней автоблокировки Андрей13 Автоблокировки 0 27.07.2010 10:51
Включениу входного светофора в блок ВД БМРЦ-БН Leaf Курсовое и дипломное проектирование 3 01.06.2010 17:02
Ищу информацию: Порядок включения и выключения стрелок и зависимостей Алексей_1986 Ищу/Предлагаю 4 14.04.2010 14:45
Ищу схемы: по смене направления (духпутка) и входного светофора u_alex90 Ищу/Предлагаю 5 22.01.2010 17:16

Ответить в этой теме   Перейти в раздел этой темы   Translate to English

Возможно вас заинтересует информация по следующим меткам (темам):
, , ,


Здесь присутствуют: 1 (пользователей: 0 , гостей: 1)
 

Ваши права в разделе
Вы не можете создавать новые темы
Вы не можете отвечать в темах
Вы не можете прикреплять вложения
Вы не можете редактировать свои сообщения

BB коды Вкл.
Смайлы Вкл.
[IMG] код Вкл.
HTML код Выкл.
Trackbacks are Вкл.
Pingbacks are Вкл.
Refbacks are Выкл.



Часовой пояс GMT +3, время: 03:50.

Яндекс.Метрика Справочник 
сцбист.ру сцбист.рф

СЦБИСТ (ранее назывался: Форум СЦБистов - Railway Automation Forum) - крупнейший сайт работников локомотивного хозяйства, движенцев, эсцебистов, путейцев, контактников, вагонников, связистов, проводников, работников ЦФТО, ИВЦ железных дорог, дистанций погрузочно-разгрузочных работ и других железнодорожников.
Связь с администрацией сайта: admin@scbist.com
1 2 3 4 5 6 7 8 9 10 11 12 13 14 15 16 17 18 19 20 21 22 23 24 25 26 27 28 29 30 31 32 33 34 
Powered by vBulletin® Version 3.8.1
Copyright ©2000 - 2026, Jelsoft Enterprises Ltd.
Powered by NuWiki v1.3 RC1 Copyright ©2006-2007, NuHit, LLC Перевод: zCarot