СЦБИСТ - железнодорожный форум, блоги, фотогалерея, социальная сеть
Вернуться   СЦБИСТ - железнодорожный форум, блоги, фотогалерея, социальная сеть > Эксплуатация устройств СЦБ > Микропроцессорные системы > ЭЦ-ЕМ / АБТЦ-ЕМ / МПЦ-2 / АБТМПЦ-2
Закладки ДневникиПоддержка Сообщество Комментарии к фото Сообщения за день
Ответить в этой теме   Перейти в раздел этой темы    
 
В мои закладки Подписка на тему по электронной почте Отправить другу по электронной почте Опции темы Поиск в этой теме
Старый 27.02.2012, 16:33   #61 (ссылка)
Super V.I.P.
 
Аватар для Макс - МЖД

Регистрация: 04.03.2010
Адрес: Москва
Возраст: 37
Сообщений: 904
Поблагодарил: 83 раз(а)
Поблагодарили 90 раз(а)
Фотоальбомы: 10 фото
Репутация: 188
Отправить сообщение для Макс - МЖД с помощью Skype™
Цитата:
Сообщение от shadeshade Посмотреть сообщение
Нужна помощь по определению количества оборудования (примерное количество стативов СР-ЭЦИ и СК-ЭЦИ, шкафов с электроникой и питающей установки) для станции 10 стрелок, которая оборудуется ЭЦ-ЕМ. Где найти габариты шкафа УВК-РА и что в нем располагается.
у меня станция 6 стрелок:
СР-ЭЦИ 8 шт.
СК-ЭЦИ 1 шт.
в УВК-РА находится кросс (подключение релейного интерфейса), 3 блока ЦПУ, 3 комплекта каналов связи между объектами, РМ ДСП и УВК
Макс - МЖД вне форума   Цитировать 0
Старый 28.03.2012, 21:47   #62 (ссылка)
Кандидат в V.I.P.
 
Аватар для Виктория Ганева

Регистрация: 15.01.2012
Сообщений: 1
Поблагодарил: 0 раз(а)
Поблагодарили 0 раз(а)
Фотоальбомы: не добавлял
Репутация: 0
Цитата:
Сообщение от Sanek Посмотреть сообщение
Добрый день.
Задавайте вопросы по работе ЭЦ-ЕМ в этом топике
Добрый вечер!! Подскажите пожалуйста что я могу написать в дипломе в разделе охраны труда и охраны окружающей среды при внедрении системы ЭЦ-ЕМ?? Заранее спасибо!
Виктория Ганева вне форума   Цитировать 0
Старый 28.03.2012, 21:52   #63 (ссылка)
Crow indian
 
Аватар для Admin

Регистрация: 21.02.2009
Возраст: 40
Сообщений: 29,983
Поблагодарил: 398 раз(а)
Поблагодарили 5986 раз(а)
Фотоальбомы: 2576 фото
Записей в дневнике: 698
Репутация: 126089
Цитата:
Сообщение от Виктория Ганева
что я могу написать в дипломе в разделе охраны труда и охраны окружающей среды при внедрении системы ЭЦ-ЕМ
http://scbist.com/attachments/diplom...m-po-ec-em.doc

ну а по окружающей среде - что нить написать, что стало меньше реле - меньше нагрев атмосферы, меньше утилизировать аппаратуры
Admin вне форума   Цитировать 12
Старый 11.04.2012, 00:42   #64 (ссылка)
понимающий
 
Аватар для stasgubancev

Регистрация: 15.03.2010
Возраст: 40
Сообщений: 15
Поблагодарил: 3 раз(а)
Поблагодарили 1 раз(а)
Фотоальбомы: не добавлял
Репутация: 0
Отправить сообщение для stasgubancev с помощью ICQ
Доброго времени суток, ни кто не сталкивался с расчётом надёжности ПО ЭЦ-ЕМ, если есть что пришлите stas14@bk.ru надо для диплома
stasgubancev вне форума   Цитировать 0
Старый 11.04.2012, 13:54   #65 (ссылка)
Зануда
 
Аватар для ramires

Регистрация: 15.06.2011
Сообщений: 149
Поблагодарил: 9 раз(а)
Поблагодарили 9 раз(а)
Фотоальбомы: не добавлял
Записей в дневнике: 4
Репутация: 22
Стас, хорош тему засорять, я ж тебе по тел. отвечал про надежность....

ramires добавил 11.04.2012 в 13:54
Цитата:
Сообщение от Виктория Ганева Посмотреть сообщение
Добрый вечер!! Подскажите пожалуйста что я могу написать в дипломе в разделе охраны труда и охраны окружающей среды при внедрении системы ЭЦ-ЕМ?? Заранее спасибо!
Все что угодно, что касается МПЦ. ЭЦ-ЕМ в этом плане от других собратьев не отличается

Последний раз редактировалось ramires; 11.04.2012 в 13:54. Причина: Добавлено сообщение
ramires вне форума   Цитировать 0
Старый 11.04.2012, 13:55   #66 (ссылка)
Crow indian
 
Аватар для Admin

Регистрация: 21.02.2009
Возраст: 40
Сообщений: 29,983
Поблагодарил: 398 раз(а)
Поблагодарили 5986 раз(а)
Фотоальбомы: 2576 фото
Записей в дневнике: 698
Репутация: 126089
плохо значит отвечал

острее стоит вопрос не про надежность, а про наличие ошибок в ПО (а бывают и очень грубые, как например перевод стрелки в маршруте на ст. Гатчина-Товарная)
Admin вне форума   Цитировать 12
Старый 12.04.2012, 03:11   #67 (ссылка)
Зануда
 
Аватар для ramires

Регистрация: 15.06.2011
Сообщений: 149
Поблагодарил: 9 раз(а)
Поблагодарили 9 раз(а)
Фотоальбомы: не добавлял
Записей в дневнике: 4
Репутация: 22
Цитата:
Сообщение от Admin Посмотреть сообщение
плохо значит отвечал

острее стоит вопрос не про надежность, а про наличие ошибок в ПО (а бывают и очень грубые, как например перевод стрелки в маршруте на ст. Гатчина-Товарная)
Знаешь лучше - ответь! А в посте (см. выше) про надежность

Последний раз редактировалось ramires; 12.04.2012 в 03:15.
ramires вне форума   Цитировать 0
Старый 12.04.2012, 10:26   #68 (ссылка)
статус
 
Аватар для Кабанбай Батыр

Регистрация: 20.10.2009
Сообщений: 3,237
Поблагодарил: 579 раз(а)
Поблагодарили 819 раз(а)
Фотоальбомы: 92 фото
Записей в дневнике: 10
Мальчики ! Не ругайтесь! Расчет надежности - понятие расплывчатое.
Существует: расчет безопасности, расчет безотказности. Остальные показатели надежности, как правило не рассчитываются.
Кабанбай Батыр вне форума   Цитировать 0
Старый 10.06.2013, 01:01   #69 (ссылка)
Кандидат в V.I.P.
 
Аватар для Kostyan

Регистрация: 27.01.2010
Сообщений: 41
Поблагодарил: 2 раз(а)
Поблагодарили 5 раз(а)
Фотоальбомы: не добавлял
Репутация: 22
Уважаемые посетители - нужна Ваша помощь.

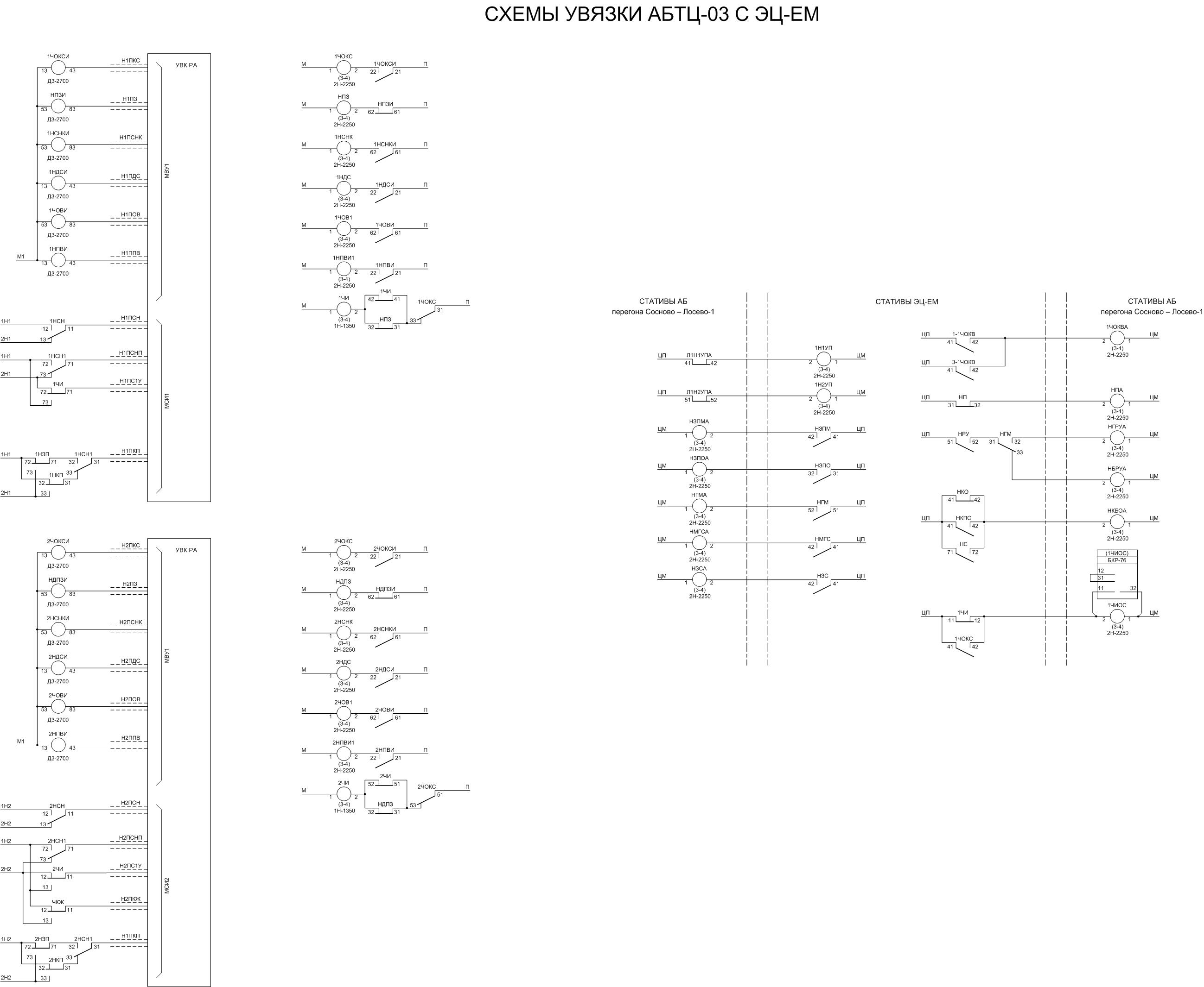
Принцип работы схемы и расшифровка названий и назначение реле.
Дипломный руководитель сказал, что не знает как работает схема, помогите моей одногруппнице. ))

Kostyan вне форума   Цитировать 0
Старый 10.06.2013, 01:34   #70 (ссылка)
статус
 
Аватар для Кабанбай Батыр

Регистрация: 20.10.2009
Сообщений: 3,237
Поблагодарил: 579 раз(а)
Поблагодарили 819 раз(а)
Фотоальбомы: 92 фото
Записей в дневнике: 10
Цитата:
Дипломный руководитель сказал .... помогите моей одногруппнице. ))
Прям не знаешь кому в первую очередь помощь нужна?
Цитата:
Принцип работы схемы и расшифровка названий и назначение реле.
Принцип работы должен повторять релейную ЭЦ, точнее увязку с АБТЦ.
Расшифровка - аналогично... Назначение ....
Кабанбай Батыр вне форума   Цитировать 0
Старый 10.06.2013, 10:41   #71 (ссылка)
Super V.I.P.
 
Аватар для Макс - МЖД

Регистрация: 04.03.2010
Адрес: Москва
Возраст: 37
Сообщений: 904
Поблагодарил: 83 раз(а)
Поблагодарили 90 раз(а)
Фотоальбомы: 10 фото
Репутация: 188
Отправить сообщение для Макс - МЖД с помощью Skype™
увязка в точности идентична увязки абтц с любой релейной ЭЦ. Буква "И" в обозначении реле - Интерфейсное, т.е. реле, передающее состояние объектов АБТЦ в УВК ЭЦ-ЕМ.
Макс - МЖД вне форума   Цитировать 0
Старый 10.06.2013, 11:24   #72 (ссылка)
Кандидат в V.I.P.
 
Аватар для Kostyan

Регистрация: 27.01.2010
Сообщений: 41
Поблагодарил: 2 раз(а)
Поблагодарили 5 раз(а)
Фотоальбомы: не добавлял
Репутация: 22
Цитата:
Прям не знаешь кому в первую очередь помощь нужна?
Одногруппнице )

По ответам понял - передам.
Kostyan вне форума   Цитировать 0
Старый 16.06.2013, 00:03   #73 (ссылка)
V.I.P.
 
Аватар для KSMKOV

Регистрация: 27.12.2011
Сообщений: 496
Поблагодарил: 47 раз(а)
Поблагодарили 102 раз(а)
Фотоальбомы: не добавлял
Репутация: 76
У меня вопрос.
Имеем станцию с ЭЦ-ЕМ.
Входной светофор горит красным (хотя в принципе без разницы).
Подходим к кроссу - вытаскиваем дужки КО, ОКО (контроль горения красного огня). Что происходит на мониторе АРМ ДСП?
KSMKOV вне форума   Цитировать 0
Старый 16.06.2013, 00:29   #74 (ссылка)
V.I.P.
 
Аватар для Rafa

Регистрация: 24.10.2009
Адрес: МОЙДОДЫР
Сообщений: 5,650
Поблагодарил: 388 раз(а)
Поблагодарили 577 раз(а)
Фотоальбомы: не добавлял
Цитата:
Что происходит на мониторе АРМ ДСП?
Скорее всего включиться индикация о перегорании на входном светофоре лампы красного огня.

Реле КО будет без тока и в модуль ввода МСИ через тыловой контакт КО пойдет информация о перегорании лампы красного огня.
Rafa вне форума   Цитировать 1
Старый 16.06.2013, 01:11   #75 (ссылка)
статус
 
Аватар для Кабанбай Батыр

Регистрация: 20.10.2009
Сообщений: 3,237
Поблагодарил: 579 раз(а)
Поблагодарили 819 раз(а)
Фотоальбомы: 92 фото
Записей в дневнике: 10
Цитата:
Подходим к кроссу - вытаскиваем дужки КО, ОКО (контроль горения красного огня).
А Вы уверены в столь точном утверждении, что КО/ОКО является "контролем горения красного огня" ?


Цитата:
Реле КО будет без тока и в модуль ввода МСИ через тыловой контакт КО пойдет информация о перегорании лампы красного огня.
Схему управления входным светофором в ЭЦ-ЕМ видел в глаза?

Александр Михайлович добавил 16.06.2013 в 01:11
Цитата:
Имеем станцию с ЭЦ-ЕМ.
Хорошо что не наоборот .

Последний раз редактировалось Кабанбай Батыр; 16.06.2013 в 01:11. Причина: Добавлено сообщение
Кабанбай Батыр вне форума   Цитировать 0
Похожие темы
Тема Автор Раздел Ответов Последнее сообщение
Техническая поддержка по системе АПК-ДК Толян АПК-ДК 133 15.01.2023 09:47
Техническая поддержка по системе Эбилок-950 (Ebilock-950) Толян Эбилок-950 / АБТЦ-Е 96 16.01.2022 20:54
Техническая поддержка ЭЦ-МПК и МПЦ-МПК Толян Микропроцессорные системы 110 20.02.2021 21:36
Техническая поддержка по системе АБТЦ-М Толян АБТЦ-М 134 23.07.2018 13:08
Техническая поддержка МПЦ-2 Leonidych ЭЦ-ЕМ / АБТЦ-ЕМ / МПЦ-2 / АБТМПЦ-2 24 29.09.2013 09:58

Ответить в этой теме   Перейти в раздел этой темы

Возможно вас заинтересует информация по следующим меткам (темам):
, , , , , , , , , , , , , , , ,


Здесь присутствуют: 1 (пользователей: 0 , гостей: 1)
 

Ваши права в разделе
Вы не можете создавать новые темы
Вы не можете отвечать в темах
Вы не можете прикреплять вложения
Вы не можете редактировать свои сообщения

BB коды Вкл.
Смайлы Вкл.
[IMG] код Вкл.
HTML код Выкл.
Trackbacks are Вкл.
Pingbacks are Вкл.
Refbacks are Выкл.



Часовой пояс GMT +3, время: 11:57.

Яндекс.Метрика Справочник 
сцбист.ру сцбист.рф

СЦБИСТ (ранее назывался: Форум СЦБистов - Railway Automation Forum) - крупнейший сайт работников локомотивного хозяйства, движенцев, эсцебистов, путейцев, контактников, вагонников, связистов, проводников, работников ЦФТО, ИВЦ железных дорог, дистанций погрузочно-разгрузочных работ и других железнодорожников.
Связь с администрацией сайта: admin@scbist.com
1 2 3 4 5 6 7 8 9 10 11 12 13 14 15 16 17 18 19 20 21 22 23 24 25 26 27 28 29 30 31 32 33 34 
Powered by vBulletin® Version 3.8.1
Copyright ©2000 - 2026, Jelsoft Enterprises Ltd.
Powered by NuWiki v1.3 RC1 Copyright ©2006-2007, NuHit, LLC Перевод: zCarot