СЦБИСТ - железнодорожный форум, блоги, фотогалерея, социальная сеть
Ушел из жизни Крупицкий Адольф Зельманович
6 февраля 2026 года ушел из жизни Крупицкий Адольф Зельманович, более шести десятков лет проработавший в институте «Гипротранссигналсвязь». Всю свою трудовую деятельность А.З. Крупицкий посвятил проектному делу. После окончанию обучения в Ленинградском институте инженеров железнодорожного транспорта в 1959 году начал свою профессиональную деятельность в качестве старшего электромеханика дистанции сигнализации и связи на Казахской железной дороге. В 1960 году пришел на работу в институт на должность инженера, работал руководителем группы, главным инженером проектов.

Читать далее
Вернуться   СЦБИСТ - железнодорожный форум, блоги, фотогалерея, социальная сеть > Уголок СЦБИСТа > Распоряжения и приказы, стандарты > Документы Укрзалізниці
Документы Укрзалізниці Инструкции, приказы и др. документы Укрзалізниці
Описание темы:всё, касающееся Приднепровской железной дороги
Закладки ДневникиПоддержка Сообщество Комментарии к фото Сообщения за день
Ответить в этой теме   Перейти в раздел этой темы    
 
В мои закладки Подписка на тему по электронной почте Отправить другу по электронной почте Опции темы Поиск в этой теме
Старый 23.11.2018, 18:54   #1 (ссылка)
Super V.I.P.
 
Аватар для relsamaster

Регистрация: 19.10.2012
Адрес: у входного в вечность
Сообщений: 2,289
Поблагодарил: 45 раз(а)
Поблагодарили 3248 раз(а)
Фотоальбомы: не добавлял
Репутация: 785

Тема: Документы Приднепровской железной дороги.


В эту тему будут складываться документы, приказы, местные инструкции, скорости и т.п., что касаются Приднепровской железной дороги. Основная их часть предназначается студентам, практикантам, коллегам по работе.Они могут быть интересны всем лицам, изучающим работу железных дорог и их специфику.

Для начала выложен документ:

520-Н.24.09.2018.Регламент дій працівників при виникненні аварійних і нестандартних ситуацій на регіональній філії «Придніпровська залізниця» ПАТ «Укрзалізниця».

520-Н.24.09.2018.Регламент действий работников при возникновении аварийных и нестандартных ситуаций в региональном филиале «Приднепровская железная дорога» ОАО «Укрзалізниця».

https://scbist.com/scb/uploaded/1_1768219018.pdf

https://cloud.mail.ru/public/6Gdg/AjNk9KNWi
relsamaster вне форума   Цитировать 0
Поблагодарили:
Данный пост получил благодарности от пользователей
Старый 11.05.2020, 16:55   #2 (ссылка)
Кандидат в V.I.P.
 
Аватар для Oleg Berez

Регистрация: 11.05.2020
Сообщений: 3
Поблагодарил: 1 раз(а)
Поблагодарили 0 раз(а)
Фотоальбомы: не добавлял
Репутация: 0
Если есть у кого то профили перегонов Приднепровской железной дороги, поделитесь, пожалуйста, буду благодарен.
Oleg Berez вне форума   Цитировать 0
Старый 22.09.2021, 17:44   #3 (ссылка)
Super V.I.P.

Автор темы
 
Аватар для relsamaster

Регистрация: 19.10.2012
Адрес: у входного в вечность
Сообщений: 2,289
Поблагодарил: 45 раз(а)
Поблагодарили 3248 раз(а)
Фотоальбомы: не добавлял
Репутация: 785

Тема: Нормативы к графику движения поездов по Приднепровской ж.д. на 2020-2021 гг.


Приказ 424-Н от 04.12.2020. О нормативах графика движения поездов на 2020-2021 годы.

https://cloud.mail.ru/public/qkAK/zErTZwPCK

Содержат:

1.Ведомость весовых норм и длины сквозных,участковых,вывозных и передаточных поездов.
2.Ведомость весовых норм и длины сборных поездов в диспетчерском и маневровом движении.
3.Ведомость весовых норм сборных поездов.
4.Перечень станций постоянной выдачи предупреждений на поезда.
5,6,7.Ведомости норм нахождения локомотивов и МВПС на тракционных путях основных и оборотных депо.
8.Ведомость норм технических стоянок транзитных поездов на сортировочных и участковых станциях.
relsamaster вне форума   Цитировать 0
Поблагодарили:
Данный пост получил благодарности от пользователей
Старый 28.09.2021, 10:40   #4 (ссылка)
Super V.I.P.

Автор темы
 
Аватар для relsamaster

Регистрация: 19.10.2012
Адрес: у входного в вечность
Сообщений: 2,289
Поблагодарил: 45 раз(а)
Поблагодарили 3248 раз(а)
Фотоальбомы: не добавлял
Репутация: 785

Тема: Местные руководящие указания по использованию отдельных пунктов ПТЭ, ИСИ и ИДП в зависимости от условий Приднепровской железной дороги.


Місцеві керівні вказівки щодо використання окремих пунктів ПТЕ, ІРП, ІСІ в залежності від умов Придніпровської залізниці.

приказ 185-Н от 27.04.2021 - новая редакция приказа 100-Н от 21.02.2019 года

Документ подобный 2-Н на Южной.
http://scbist.com/dokumenty-ukrzal-z...e-rp-i-si.html

Оговаривает местные особенности Приднепровской железной дороги. Будет интересен всем изучающим особенности функционирования Приднепровской железной дороги.
Скачать документ можно по приведенной ссылке, из Украины - используя VPN.

https://cloud.mail.ru/public/eymz/jxNeeCTFG

relsamaster вне форума   Цитировать 0
Старый 02.10.2021, 14:02   #5 (ссылка)
Super V.I.P.

Автор темы
 
Аватар для relsamaster

Регистрация: 19.10.2012
Адрес: у входного в вечность
Сообщений: 2,289
Поблагодарил: 45 раз(а)
Поблагодарили 3248 раз(а)
Фотоальбомы: не добавлял
Репутация: 785

Тема: Технология на автоматизированную выдачу и отмену предупреждений без задействования средств телеграфной связи в пределах регионального филиала «Приднепровская железная дорога»


Технологія на автоматизовану видачу та відміну попереджень без задіяння засобів телеграфного зв’язку у межах регіональної філії «Придніпровська залізниця»

НЗ-1-1-5/99 от 28.04.2021

Основным назначением Технологии автоматизированной выдачи и отмены предупреждений без задействования средств телеграфной связи является автоматизация процесса выдачи и отмены предупреждений для пользователей линейных подразделений (станций, локомотивных депо, моторвагонных депо, дистанций пути, сигнализации и связи, электроснабжения и других), формирования статистических справок, аналитических данных, характеризующих качество и состояние инфраструктуры хозяйств, задействованных в обеспечении перевозочного процесса.
Автоматизация выдачи и отмены предупреждений направлена на:
-устранение негативного влияния человеческого фактора во время ведения книги ф.ДУ-60 и формирование бланков ф. ДУ-61;
-возможность пользователям линейных подразделений делать запрос бланка предупреждений для любого направления;
-повышение качества информации, вводимой в систему АСВВП-Є с терминалов ПЧ, ШЧ, ЭЧ;
-сокращение времени на формирование бланков ф.ДУ-61 и повышение производительности аппаратных средств системы АСВВП-Є;
-снижение нагрузки и расходов, связанных с работой телеграфа.

Скачать документ можно по приведенной ссылке, из Украины - используя VPN.

https://cloud.mail.ru/public/RsPX/na8JUqhqd

relsamaster вне форума   Цитировать 0
Старый 25.10.2021, 17:16   #6 (ссылка)
Super V.I.P.

Автор темы
 
Аватар для relsamaster

Регистрация: 19.10.2012
Адрес: у входного в вечность
Сообщений: 2,289
Поблагодарил: 45 раз(а)
Поблагодарили 3248 раз(а)
Фотоальбомы: не добавлял
Репутация: 785

Тема: Схема Приднепровской железной дороги


Скачать её можно по ссылке

https://cloud.mail.ru/public/EZJL/8yrG3MCz7

relsamaster вне форума   Цитировать 0
Старый 09.06.2022, 11:55   #7 (ссылка)
Super V.I.P.

Автор темы
 
Аватар для relsamaster

Регистрация: 19.10.2012
Адрес: у входного в вечность
Сообщений: 2,289
Поблагодарил: 45 раз(а)
Поблагодарили 3248 раз(а)
Фотоальбомы: не добавлял
Репутация: 785

Тема: Документы по СЦБ Приднепровской железной дороги.


Эти документы появились у меня благодаря необычной сетевой активности в интранете УЗ специалистов из ШЧ Приднепровской железной дороги. В начале марта там начали оцифровывать все СЦБийные документы, чертежи и схемы. Большинство докуметов ещё советские или на их основе, они на русском языке и будут понятны. Для чего пошла такая резкая оцифровка? Вероятно, предполагается все эти докуметы "потерять".
Спешу разочаровать желающих потерять эти докуметы, всё, что они положили на сервер, как упорядоченное, так и свалку фотографий документов, удалось сохранить и сейчас всё это есть вне интранета УЗ и территории украины.
Доступ к интранету УЗ получен благодаря VPN-соединению, настроенному для одного из членов наблюдательного совета УЗ в эпоху коронавируса, а также с помощью доступа из тех мест, которые освобождены из под власти укрорейха в марте 2022 года.
Поскольку наш форум для сцбистов и на нём почти нет реальных схем СЦБ, представляю здесь реальные документы по СЦБ Приднепровской дороги. Конечно, они будут в небольшом количестве, но для того, чтобы представить реальные документы СЦБ для студентов, практикантов и просто любителей железных дорог их будет вполне достаточно.

Для начала представляю Павлоградскую ШЧ-4, приведу такие документы:

1) Инструкции по приборам СЦБ станций Ароматная, Богуславский, Варваровка, Зайцево, Межеричи, Минеральная, иколаевка-Донецкая, Орловщина, Павлоград І, Павлоград ІІ, Петропавловка, разъезд №5, Самойловка, Синельниково І, Славянка.

Эти инструкции на украинском языке, но переводчики никто не отменял. Кроме того, эти инструкции к ещё советским (в основном) пультам станций, аналогов которых много на всём постсоветском пространстве.

2) Путевые планы перегонов: б.пост 939км - Самойловка, Богуславский - Павлоград II, Зайцево - Павлоград I, Зайцево - Синельниково I, Красноармейск(Покровск) - разъезд № 5, Николаевка-Донецкая - Богуславский, Новомосковск-Днепровский - Орловщина, Павлоград I - Межеричи, Павлоград II - Павлоград I, Петропавловка - Николаевка-Донецкая, Самойловка - Варваровка.

3) Схематические планы устройств СЦБ для перечисленных выше станций.

Все планы и схемы предварительно обработаны, приведены в удобочитаемый вид и формат.
Документы в архиве .rar! Для их извечения необходима программа WinRAR не ниже версии 5.50. Скачать их можно по приведенным ссылкам, из украины используя VPN.

ШЧ-4 Инструкции по приборам СЦБ станций - 2020.rar

https://cloud.mail.ru/public/cnDj/6gQFuRUPL






ШЧ-4 СЦБ СХЕМПЛАНЫ.rar

https://cloud.mail.ru/public/zA2i/oBvDqNSNG




ШЧ-4 СЦБ ПУТ. ПЛАНЫ.rar

https://cloud.mail.ru/public/9xEj/3zL4BuJRF

relsamaster вне форума   Цитировать 0
Старый 17.07.2022, 21:10   #8 (ссылка)
Super V.I.P.

Автор темы
 
Аватар для relsamaster

Регистрация: 19.10.2012
Адрес: у входного в вечность
Сообщений: 2,289
Поблагодарил: 45 раз(а)
Поблагодарили 3248 раз(а)
Фотоальбомы: не добавлял
Репутация: 785

Тема: продолжение темы


Ещё немного документов по СЦБ станций Приднепровской железной дороги. На этот раз представлены двухниточные схемы станций Ароматная, Варваровка, Зайцево, разъезд Межеричи, Минеральная, Николаевка-Донецкая, Орловщина, Павлоград I, Павлоград II, Петропавловка, Разъезд №5, Самойловка, Синельниково I, Славянка.
Потянуть их в архиве можно по ссылке:

ШЧ-4 СЦБ ДВУХНИТОЧНЫЕ.rar

https://cloud.mail.ru/public/3zWg/pyHiEFrcs

relsamaster вне форума   Цитировать 0
Старый 01.08.2022, 11:44   #9 (ссылка)
Super V.I.P.

Автор темы
 
Аватар для relsamaster

Регистрация: 19.10.2012
Адрес: у входного в вечность
Сообщений: 2,289
Поблагодарил: 45 раз(а)
Поблагодарили 3248 раз(а)
Фотоальбомы: не добавлял
Репутация: 785

Тема: Документы по СЦБ Приднепровской железной дороги. Продолжение


Сегодня представляю Запорожскую ШЧ-11, приведу такие документы:

Электрическая централизация станции Ивковка Приднепровской железной дороги.

В архиве собраны фотокопии схем ЭЦ станции Ивковка Приднепровской железной дороги.
Могут быть интересны всем желающим себе представить реальные ( не учебные ) схемы ЭЦ небольших станций.
Скачать архив со схемами можно по ссылке:

ШЧ-11 Івківка.rar

https://cloud.mail.ru/public/xyqk/2PQZfbxHw



relsamaster вне форума   Цитировать 0
Старый 02.08.2022, 12:32   #10 (ссылка)
Super V.I.P.

Автор темы
 
Аватар для relsamaster

Регистрация: 19.10.2012
Адрес: у входного в вечность
Сообщений: 2,289
Поблагодарил: 45 раз(а)
Поблагодарили 3248 раз(а)
Фотоальбомы: не добавлял
Репутация: 785

Тема: Документы по СЦБ Приднепровской железной дороги. Продолжение


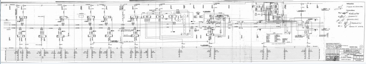
Электрическая централизация пост 159 км, участка Запорожье - Апостолово Приднепровской железной дороги.

В архиве собраны фотокопии схем ЭЦ поста 159 км Приднепровской железной дороги.
В них собраны такие документы:
-схемы включения рельсовых цепей
-схемы включения сигналов и замыкания маршрутов
-схемы управления стрелками
-схемы увязки с перегонами
-схемы электропитания, включения ламп-табло и контроля предохранителей.
Документы были разработаны в 1974 году как проект второго пути участка Запорожье - Апостолово Приднепровской железной дороги.
Могут быть интересны всем желающим себе представить реальные ( не учебные ) схемы ЭЦ блок-постов.
Скачать архив со схемами можно по ссылке:

ШЧ-11 Блок-пост 159 км.rar

https://cloud.mail.ru/public/5rQ3/CDVVv2rz1



relsamaster вне форума   Цитировать 0
Старый 06.08.2022, 22:09   #11 (ссылка)
Super V.I.P.

Автор темы
 
Аватар для relsamaster

Регистрация: 19.10.2012
Адрес: у входного в вечность
Сообщений: 2,289
Поблагодарил: 45 раз(а)
Поблагодарили 3248 раз(а)
Фотоальбомы: не добавлял
Репутация: 785

Тема: Документы по СЦБ Приднепровской железной дороги. Продолжение


Сегодня представляю Криворожскую ШЧ-10, приведу такие документы:

Устройства СЦБ перегонов:

Кривой Рог - Кривой Рог-Западный
Кривой Рог-Западный - Моисеевка
Приворот - Пичугино
Полевский - Божедаровка
Пичугино - Кривой Рог-Сортировочный
Моисеевка - Гейковка
Милорадовка - Потоцкое
Кудашевка - Милорадовка
Девладово - Приворот
Девладово - Потоцкое
Висунь - Тимково
Верховцево - Полевский
Божедаровка - Кудашевка


Приведены схемы сигнальных установок и переездов.
Могут быть интересны всем желающим себе представить реальные ( не учебные ) схемы СЦБ перегонов.

Скачать большой архив со схемами можно по ссылке:

ШЧ-10 СЦБ Перегони.rar

https://cloud.mail.ru/public/RZRH/zkKj3K5Ax





relsamaster вне форума   Цитировать 0
Старый 07.08.2022, 20:29   #12 (ссылка)
Super V.I.P.

Автор темы
 
Аватар для relsamaster

Регистрация: 19.10.2012
Адрес: у входного в вечность
Сообщений: 2,289
Поблагодарил: 45 раз(а)
Поблагодарили 3248 раз(а)
Фотоальбомы: не добавлял
Репутация: 785

Тема: Документы по СЦБ Приднепровской железной дороги. Продолжение. Паспорта АСДК-Б.


Сегодня вновь представляю Криворожскую ШЧ-10, приведу подборку документов паспортов устройств контроля букс типа АСДК-Б для разных мест.
Документы могут быть интересны всем желающим себе представить реальные ( не учебные ) схемы устройств контроля букс типа АСДК-Б.

Скачать архив с паспортами можно по ссылке:

ШЧ-10 АСДК-Б.rar

https://cloud.mail.ru/public/GTWU/Mpiyan6Tn









relsamaster вне форума   Цитировать 0
Старый 20.08.2022, 13:50   #13 (ссылка)
Super V.I.P.

Автор темы
 
Аватар для relsamaster

Регистрация: 19.10.2012
Адрес: у входного в вечность
Сообщений: 2,289
Поблагодарил: 45 раз(а)
Поблагодарили 3248 раз(а)
Фотоальбомы: не добавлял
Репутация: 785

Тема: Документы по СЦБ Приднепровской железной дороги. Продолжение. Связь на железной дороге.


Вновь представляю Криворожскую ШЧ-10, приведу подборку документов, касающихся железнодорожной связи на станциях и перегонах. В них входят паспорта узлов связи на станциях, кабель-планы для кабелей связи, карты слышимости громкой связи и устойчивой радиосвязи на станциях, технические характеристики радиосвязи на станциях, устройств парковой связи и громкой связи для пассажиров. Документы приводятся для таких объектов, скачать архивы с документами можно по ссылке:

станция Моисеевка:

ШЧ-10 Мусіївка.rar

https://cloud.mail.ru/public/EwM1/4biXF3TKL


станция Кривой Рог:

ШЧ-10 Кривий Ріг.rar

https://cloud.mail.ru/public/QZV6/BcEsEKuKb


станция Кривой Рог-Главный:

ШЧ-10 Кривий Ріг-Головний.rar

https://cloud.mail.ru/public/j2U5/EcS8WSBdC


станция Кривой Рог-Западный:

ШЧ-10 Кривий Ріг-Західний.rar

https://cloud.mail.ru/public/WHGe/uoxAvCLP5


станция Кривой Рог-Сортировочный:

ШЧ-10 Кривий Ріг-Сортувальний.rar

https://cloud.mail.ru/public/yp16/Lgxo7LdhG


местная ВОЛС:

ШЧ-10 ВОЛЗ Місцева мережа.rar

https://cloud.mail.ru/public/2LFW/BitSGPaJb


магистральная линия связи Моисеевка - Ингулец:

ШЧ-10 МКЗ МСВ-Інгулець.rar

https://cloud.mail.ru/public/hEYD/xLjhFjBhM

Документы могут быть интересны всем желающим себе представить реальные ( не учебные ) схемы устройств железнодорожной связи.







relsamaster вне форума   Цитировать 0
Старый 28.10.2022, 12:46   #14 (ссылка)
Super V.I.P.

Автор темы
 
Аватар для relsamaster

Регистрация: 19.10.2012
Адрес: у входного в вечность
Сообщений: 2,289
Поблагодарил: 45 раз(а)
Поблагодарили 3248 раз(а)
Фотоальбомы: не добавлял
Репутация: 785

Тема: Местные инструкции для локомотивных бригад Днепропетровского локомотивного депо ТЧ-8.


Реестр местных инструкций локомотивных бригад ТЧ-8:

1. Местная инструкция машинисту ЧМЄ3 в одно лицо при маневровой работе на ст. Нижнеднепровск-Узел
2. Местная инструкция о правилах эксплуатации и проверки тормозного оборудования локомотивными бригадами
3. Местная инструкция для локомотивных бригад при подготовке тепловозов к комиссионному осмотру
4. Местная инструкция для локомотивных бригад при подготовке электровозов к комиссионному осмотру
5. Местная инструкция по охране труда для помощника машиниста тепловоза
6. Местная инструкция по охране труда для машиниста тепловоза
7. Местная инструкция по охране труда для помощника машиниста электровоза
8. Местная инструкция по охране труда для машиниста электровоза
9. Местная инструкция по охране труда для машиниста дизель-поезда
10. Местная инструкция по вождению грузовых поездов на участках, обслуживаемых локомотивными бригадами Днепропетровского локомотивного депо
11. Местная инструкция по выполнению маневровой работы на тракционных путях структурного подразделения «Днепропетровское локомотивное депо»
12. Местная инструкция по обслуживанию машинистом в одно лицо тепловоза серии ЧМЭ3, задействованного на маневровой работе на станции Днепропетровск и на подъездном пути ООО «Городская железнодорожная ветка»
13. Местная инструкция по обслуживанию машинистом тепловоза серии ЧМЭ3, задействованного на маневровой работе на станции Днепропетровск-Лиски, станции Днепропетровск-Грузовой и станции Обводная без помощника машиниста
14. Местная инструкция по маневровой работе в ВЧДР-3
15. Местная инструкция по обслуживанию тракционных путей топливного состава Днепропетровского локомотивного депо маневровым тепловозом станции Днепропетровск-Главный
16. Местная инструкция по пожарной безопасности на электровозах серии ВЛ8
17. Местная инструкция по пожарной безопасности на электровозах серии ЧС
18. Местная инструкция по пожарной безопасности на тепловозах серии ЧМЕ3, дизельном вагоне Д1
19. Порядок действий локомотивных бригад при возникновении пожара
20. Памятка локомотивным бригадам по выявлению и устранению неисправностей на электровозах ВЛ-8 (на русском языке)
21. Памятка локомотивным бригадам по выявлению и устранению неисправностей на электровозах ЧС-2 (на русском языке)
22. Памятка локомотивным бригадам по выявлению и устранению неисправностей на электровозах ЧС-7 (на русском языке)
23. Порядок действий локомотивных бригад по недопущению боксования локомотива при отправлении поезда и в пути следования
24. Местная инструкция о приёмке узлов и агрегатов локомотивов и контроля за их нормальной работой в пути следования (на русском языке)
25. Перечень Постов безопасности по дирекциям
26. Положение по организации системы двустороннего контроля технического состояния подвижного состава в пути следования
27. Местная инструкция о порядке принятия электровозов и выезде на станцию Днепропетровск-Главный под пассажирские поезда местного формирования машинистом, работающим в одно лицо


Реєстр місцевих інструкцій локомотивних бригад ТЧ-8:

1. Місцева інструкція машиніста ЧМЕ3 в одну особу при маневровій роботі на ст. Н.Д.-Вузол
2. Місцева інструкція про порядок експлуатації та перевірки гальмівного обладнання локомотивними бригадами
3. Місцева інструкція для локомотивних бригад при підготовці тепловозів до комісійного огляду
4. Місцева інструкція для локомотивних бригад при підготовці електровозів до комісійного огляду
5. Місцева інструкція з охорони праці для помічника машиніста тепловоза
6. Місцева інструкція з охорони праці для машиніста тепловоза
7. Місцева інструкція з охорони праці для помічника машиніста електровоза
8. Місцева інструкція з охорони праці для машиніста електровоза
9. Місцева інструкція з охорони праці для машиніста дизель-поїзда
10. Місцева інструкція з водіння вантажних поїздів на дільницях, що обслуговуються локомотивними бригадами Дніпропетровського локомотивного депо
11. Місцева інструкція з виконання маневрової роботи на тракційних коліях структурного підрозділу «Дніпровське локомотивне депо»
12. Місцева інструкція з обслуговування машиністом в одну особу тепловоза серії ЧМЕ3 що задіяний на маневровій роботі на станції Дніпро і на під’їзній колії ТОВ «Міська залізнична вітка»
13. Місцева інструкція з обслуговування машиністом тепловоза серії ЧМЕ3, що задіяний на маневровій роботі на станції Дніпро – Ліски, станції Дніпро-Вантажний та станції Обвідна без помічника машиніста
14. Місцева інструкція по маневровій роботі ВЧДР-3
15. Місцева інструкція по обслуговуванню тракційних колій паливного складу Дніпровського локомотивного депо маневровим тепловозом станції Дніпро-Головний
16. Місцева інструкція по пожежній безпеці на електровозах серії ВЛ8
17. Місцева інструкція по пожежній безпеці на електровозах серії ЧС
18. Місцева інструкція по пожежній безпеці на тепловозах серії ЧМЕ3, дизель-вагоні Д1
19. Порядок дій локомотивних бригад при виникненні пожежі
20. Пам’ятка локомотивним бригадам з виявлення та усунення несправностей на електровозах ВЛ-8 (на русском языке)
21. Пам’ятка локомотивним бригадам з виявлення та усунення несправностей на електровозах ЧС-2 (на русском языке)
22. Пам’ятка локомотивним бригадам з виявлення та усунення несправностей на електровозах ЧС-7 (на русском языке)
23. Порядок дій локомотивних бригад з недопущення боксування локомотива при відправленні поїзда та на шляху прямування
24. Місцева інструкція з приймання вузлів та агрегатів локомотивів (на русском языке)
25. Перелік Постів безпеки по дирекціях
26. Положення про організацію системи двостороннього контролю технічного стану рухомого складу на шляху прямування
27. Місцева інструкція про порядок приймання електровозів і виїзд на станцію Дніпро-Головний під пасажирські поїзди місцевого формування машиністом, що працює в одну особу


Скачать архив с инструкциями можно по ссылке:

https://cloud.mail.ru/public/qdX5/tTgbVHpaj
relsamaster вне форума   Цитировать 0
Старый 01.11.2022, 18:54   #15 (ссылка)
Super V.I.P.

Автор темы
 
Аватар для relsamaster

Регистрация: 19.10.2012
Адрес: у входного в вечность
Сообщений: 2,289
Поблагодарил: 45 раз(а)
Поблагодарили 3248 раз(а)
Фотоальбомы: не добавлял
Репутация: 785

Тема: Местные инструкции для локомотивных бригад локомотивного депо Кривой Рог ТЧ-8.


Реестр местных инструкций локомотивных бригад депо Кривой Рог:

1. Местная инструкция о порядке обслуживания тепловоза серии ЧМЭ3 машинистом в одно лицо на маневровой работе по станции Вечерний Кут;
2. Местная инструкция о порядке обслуживания тепловоза серии ЧМЭ3 машинистом в одно лицо на маневровой работе по станции Батуринская
3. Местная инструкция о порядке обслуживания тепловоза серии ЧМЭ3 машинистом в одно лицо на маневровой работе по станции Девладово
4. Местная инструкция о порядке обслуживания тепловоза серии ЧМЭ3 машинистом в одно лицо на маневровой работе по станции Кривой Рог-Западный
5. Местная инструкция о порядке обслуживания тепловоза серии ЧМЭ3 машинистом в одно лицо на маневровой работе по станции Ингулец
6. Местная инструкция о порядке обслуживания тепловоза серии ЧМЭ3 машинистом в одно лицо на маневровой работе по станции Кривой Рог
7. Местная инструкция о порядке обслуживания тепловоза серии ЧМЭ3 машинистом в одно лицо на маневровой работе по станции Кривой Рог-Главный
8. Местная инструкция о порядке обслуживания тепловоза серии ЧМЭ3 машинистом в одно лицо на маневровой работе по станции Кривой Рог-Сортировочный
9. Местная инструкция о порядке обслуживания тепловоза серии ЧМЭ3 машинистом в одно лицо на маневровой работе по станции Шмаково
10. Местная инструкция о порядке обслуживания тепловоза серии ЧМЭ3 машинистом в одно лицо на маневровой работе по станции Мудрёная
11. Местная инструкция по эксплуатации пневмобарабана, устанавливаемом на тепловозе серии ЧМЭ3 для механической очистки контактного провода от гололеда
12. Местная инструкция по эксплуатации пневмобарабана, устанавливаемом на электровозе серии ВЛ8, ВЛ11 м/5 для механической очистки контактного провода от гололеда
13. Местная инструкция о порядке обслуживания машинистом в одно лицо электровозов серии ВЛ8, занятых в вывозной работе и на подталкивании поездов на перегоне Кривой Рог - Вспомогательная ОАО «Южный горно-обогатительный комбинат», Кривой Рог - Кривой Рог-Главный;
14. Местная инструкция о порядке обслуживания электровозов серии ВЛ8, ВЛ11в/и, ЧС2, ЧС7 маневровым машинистом ПТОЛ в одно лицо для выезда на ст. Кривой Рог-Главный (заезд со станции в депо)
15. Местная инструкция о порядке обслуживания одним машинистом электровоза серии ВЛ8, ВЛ11м, занятого на маневровой работе на станции Кривой Рог-Сортировочный
16. Местная инструкция локомотивного депо Кривой рог о порядке выполнения маневровой работы на станциях поездными локомотивами
17. Местная инструкция о порядке выполнения маневровой работы на тракционных путях основного локомотивного депо Кривой Рог, содержание и эксплуатации путевого хозяйства, закрепления подвижного состава
18. Местная инструкция из вождения соединенных поездов с объединенной тормозной магистралью на Криворожской дирекции железнодорожных перевозок;
19. Местная инструкция о порядке содержания и эксплуатации тормозов подвижного состава в Криворожском локомотивном депо
20. Характеристики участков обслуживания Криворожского локомотивного депо.


Реєстр місцевих інструкцій локомотивних бригад депо Кривий Ріг:

1. Місцева інструкція про порядок обслуговування тепловоза серії ЧМЭ3 машиністом в одну особу на маневровій роботі по станції Вечірній Кут;
2. Місцева інструкція про порядок обслуговування тепловоза серії ЧМЭ3 машиністом в одну особу на маневровій роботі по станції Батуринська;
3. Місцева інструкція про порядок обслуговування тепловоза серії ЧМЭ3 машиністом в одну особу на маневровій роботі по станції Девладово;
4. Місцева інструкція про порядок обслуговування тепловоза серії ЧМЭ3 машиністом в одну особу на маневровій роботі по станції Кривий Ріг-Західний;
5. Місцева інструкція про порядок обслуговування тепловоза серії ЧМЭ3 машиністом в одну особу на маневровій роботі по станції Інгулець;
6. Місцева інструкція про порядок обслуговування тепловоза серії ЧМЭ3 машиністом в одну особу на маневровій роботі по станції Кривий Ріг;
7. Місцева інструкція про порядок обслуговування тепловоза серії ЧМЭ3 машиністом в одну особу на маневровій роботі по станції Кривий Ріг-Головний
8. Місцева інструкція про порядок обслуговування тепловоза серії ЧМЭ3 машиністом в одну особу на маневровій роботі по станції Кривий Ріг –Сортувальний;
9. Місцева інструкція про порядок обслуговування тепловоза серії ЧМЭ3 машиністом в одну особу на маневровій роботі по станції Шмакове;
10. Місцева інструкція про порядок обслуговування тепловоза серії ЧМЭ3 машиністом в одну особу на маневровій роботі по станції Мудрьона.
11. Місцева інструкція з експлуатації пневмобарабана, який встановлюється на тепловозі серії ЧМЕ3 для механічної очистки контактного дроту від ожеледі;
12. Місцева інструкція з експлуатації пневмобарабана, який встановлюється на електровозі серії ВЛ8, ВЛ11 м/5 для механічної очистки контактного дроту від ожеледі;
13. Місцева інструкція про порядок обслуговування машиністом в одну особу електровозів серії ВЛ8, зайнятих у вивізній роботі та на підштовхуванні поїздів на перегоні Кривий Ріг – Допоміжна ПАТ «ПівдГЗК», Кривий Ріг – Кривий Ріг-Головний;
14. Місцева інструкція про порядок обслуговування електровозів серії ВЛ8, ВЛ11в/і, ЧС2, ЧС7 маневровим машиністом ПТОЛ в одну особу для виїзду на ст. Кривий Ріг-Головний (заїзд зі станції в депо);
15. Місцева інструкція про порядок обслуговування одним машиністом електровоза серії ВЛ8, ВЛ11м, зайнятого на маневровій роботі на станції Кривий Ріг-Сортувальний;
16. Місцева інструкція локомотивного депо Кривий Ріг про порядок виконання маневрової роботи на станціях поїзними локомотивами;
17. Місцева інструкція про порядок виконання маневрової роботи на тракційних коліях основного локомотивного депо Кривий Ріг, утримання та експлуатації колійного господарства, закріплення рухомого складу;
18. Місцева інструкція з водіння з'єднаних поїздів з об'єднаною гальмівною магістраллю на Криворізькій дирекції залізничних перевезень;
19. Місцева інструкція про порядок утримання та експлуатації гальм рухомого складу в Криворізькому локомотивному депо;
20. Характеристики дільниць обслуговування Криворізького локомотивного депо (на русском языке).


Скачать архив с инструкциями можно по ссылке:

https://cloud.mail.ru/public/d8nM/3k9eieBrU
relsamaster вне форума   Цитировать 0
Похожие темы
Тема Автор Раздел Ответов Последнее сообщение
Документы Южной железной дороги. relsamaster Документы Укрзалізниці 66 26.07.2024 12:25
Документы Одесской железной дороги relsamaster Документы Укрзалізниці 10 05.01.2024 10:05
Документы Юго-Западной железной дороги relsamaster Документы Укрзалізниці 2 20.09.2022 18:29
[Новости УЗ] Новый руководитель Приднепровской железной дороги Анонимный Новости на сети дорог 0 30.11.2012 14:18
[Новости УЗ] Грузоотправители Приднепровской железной дороги видят преимущества от внедрения электронного документооборота Admin Новости на сети дорог 0 03.06.2011 21:53

Ответить в этой теме   Перейти в раздел этой темы   Translate to English

Возможно вас заинтересует информация по следующим меткам (темам):
, , , , , , , , , , , , ,


Здесь присутствуют: 1 (пользователей: 0 , гостей: 1)
 

Ваши права в разделе
Вы не можете создавать новые темы
Вы не можете отвечать в темах
Вы не можете прикреплять вложения
Вы не можете редактировать свои сообщения

BB коды Вкл.
Смайлы Вкл.
[IMG] код Вкл.
HTML код Выкл.
Trackbacks are Вкл.
Pingbacks are Вкл.
Refbacks are Выкл.



Часовой пояс GMT +3, время: 04:02.

Яндекс.Метрика Справочник 
сцбист.ру сцбист.рф

СЦБИСТ (ранее назывался: Форум СЦБистов - Railway Automation Forum) - крупнейший сайт работников локомотивного хозяйства, движенцев, эсцебистов, путейцев, контактников, вагонников, связистов, проводников, работников ЦФТО, ИВЦ железных дорог, дистанций погрузочно-разгрузочных работ и других железнодорожников.
Связь с администрацией сайта: admin@scbist.com
1 2 3 4 5 6 7 8 9 10 11 12 13 14 15 16 17 18 19 20 21 22 23 24 25 26 27 28 29 30 31 32 33 34 
Powered by vBulletin® Version 3.8.1
Copyright ©2000 - 2026, Jelsoft Enterprises Ltd.
Powered by NuWiki v1.3 RC1 Copyright ©2006-2007, NuHit, LLC Перевод: zCarot