СЦБИСТ - железнодорожный форум, блоги, фотогалерея, социальная сеть
Вернуться   СЦБИСТ - железнодорожный форум, блоги, фотогалерея, социальная сеть > Эксплуатация устройств СЦБ > Классические релейные системы ЭЦ, АБ и ПАБ > Автоматические и полуавтоматические блокировки
Закладки ДневникиПоддержка Сообщество Комментарии к фото Сообщения за день
Ответить в этой теме   Перейти в раздел этой темы    
 
В мои закладки Подписка на тему по электронной почте Отправить другу по электронной почте Опции темы Поиск в этой теме
Старый 19.06.2011, 21:09   #1 (ссылка)
Super V.I.P.
 
Аватар для Shaddix

Регистрация: 24.11.2009
Возраст: 40
Сообщений: 519
Поблагодарил: 29 раз(а)
Поблагодарили 83 раз(а)
Фотоальбомы: не добавлял
Репутация: 60

Тема: ошибка или нет?


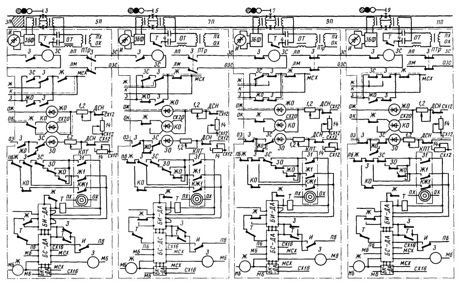
контакты реле ЖО ведь под током должны быть? с/у №9 (перегоны Савушкина и Жукова)

Последний раз редактировалось Shaddix; 19.06.2011 в 21:16.
Shaddix вне форума   Цитировать 0
Старый 19.06.2011, 21:16   #2 (ссылка)
Корифей СЦБ
 
Аватар для Александр

Регистрация: 25.02.2009
Адрес: Ленинград
Возраст: 49
Сообщений: 9,583
Поблагодарил: 1612 раз(а)
Поблагодарили 2346 раз(а)
Фотоальбомы: 1 фото
Репутация: 1386
Цитата:
Сообщение от Shaddix
контакты реле ЖО ведь под током должны быть?
Зависит от схемы. Если на каждый огонь своя огневуха, то под током ЗО, ЖО без тока, КО под током (учитывая контроль холодного).
Надо учитывать, что на предвходной горит Ж, на остальных З. При четырёхзначке на ст №3 и №4 горит ЖЗ
__________________
"Не думай. Думаешь - не говори. Думаешь и говоришь - не пиши. Думаешь, говоришь и пишешь - не подписывай. Думаешь, говоришь, пишешь и подписываешь - не удивляйся."
Ф.Э. Дзержинский.
Александр вне форума   Цитировать 2
Старый 19.06.2011, 22:30   #3 (ссылка)
Super V.I.P.
 
Аватар для shl52

Регистрация: 23.11.2010
Адрес: Н.Новгород
Сообщений: 851
Поблагодарил: 236 раз(а)
Поблагодарили 277 раз(а)
Фотоальбомы: не добавлял
Репутация: 164
По моему все верно нарисовано. На рисунке четырехзначка, красный посередине. На 3-ей точке красный, на 5-ой желтый, на 7-ой желтый с зеленым, на 9-ой зеленый. Соответственно ЖО под током на 5-ой и 7-ой точке. Или я вопрос не понял?

shl52 добавил 19.06.2011 в 22:30
Увидел ошибку. На 9-ой оба контакта ЖО должны быть без тока.
__________________
Красный. Вижу красный. Поехали? Поехали.

Последний раз редактировалось shl52; 19.06.2011 в 22:30. Причина: Добавлено сообщение
shl52 вне форума   Цитировать 0
Поблагодарили:
Данный пост получил благодарности от пользователей
Старый 19.06.2011, 22:47   #4 (ссылка)
Super V.I.P.

Автор темы
 
Аватар для Shaddix

Регистрация: 24.11.2009
Возраст: 40
Сообщений: 519
Поблагодарил: 29 раз(а)
Поблагодарили 83 раз(а)
Фотоальбомы: не добавлял
Репутация: 60
просто на схеме один из контактов после кпт под током , остальные БЕЗ
Shaddix вне форума   Цитировать 0
Старый 19.06.2011, 23:32   #5 (ссылка)
Зануда
 
Аватар для ramires

Регистрация: 15.06.2011
Сообщений: 149
Поблагодарил: 9 раз(а)
Поблагодарили 9 раз(а)
Фотоальбомы: не добавлял
Записей в дневнике: 4
Репутация: 22
Цитата:
контакты реле ЖО ведь под током должны быть? с/у №9 (перегоны Савушкина и Жукова)
1- в этом случае нет, лампа желтого не горит - огневое реле выключено, контроль нити ламы желтого только в горячем состоянии.
2- это схема учебника, не типовая- только похожа, предназначена для изучения принципа действия 4-х значной АБ, лучше смотреть ТМП или действующие схемы;
3- раз учебник - как и влюбом бывают неточности, что огорчает не первый десяток лет
ramires вне форума   Цитировать 0
Старый 19.06.2011, 23:35   #6 (ссылка)
V.I.P.
 
Аватар для Rafa

Регистрация: 24.10.2009
Адрес: МОЙДОДЫР
Сообщений: 5,650
Поблагодарил: 388 раз(а)
Поблагодарили 577 раз(а)
Фотоальбомы: не добавлял
Тут взял проанализировал работу схемы и заметил что на СУ №7 ПРИ перегорании лампы желтого огня реле ЖО отпустит якорь и выключит зеленый огонь. Реле ЗО при этом отпустит якорь.
При этом через тыловые ЗО и ЖО подключается к реле Т контакт реле З КПТШ.
РЦ 9П будит кодироватся кодом З. А ведь на светофоре 5 горит желтый .......................
Rafa вне форума   Цитировать 1
Старый 19.06.2011, 23:50   #7 (ссылка)
Зануда
 
Аватар для ramires

Регистрация: 15.06.2011
Сообщений: 149
Поблагодарил: 9 раз(а)
Поблагодарили 9 раз(а)
Фотоальбомы: не добавлял
Записей в дневнике: 4
Репутация: 22
Цитата:
При этом через тыловые ЗО и ЖО подключается к реле Т контакт реле З КПТШ.
РЦ 9П будит кодироватся кодом З. А ведь на светофоре 5 горит желтый .......................
Блин, конечно весело, если-бы не было так грустно, а потом удивляемся уровню подготовки молодых специалистов.
ramires вне форума   Цитировать 0
Старый 20.06.2011, 00:04   #8 (ссылка)
Super V.I.P.
 
Аватар для IGOR77

Регистрация: 22.08.2009
Адрес: Ленинградская обл.
Возраст: 48
Сообщений: 948
Поблагодарил: 136 раз(а)
Поблагодарили 105 раз(а)
Фотоальбомы: не добавлял
Репутация: 81
Цитата:
Вот, мчится с установленною скорый,

Rafa,
не мчись. Схема работает правильно.
На №7 показание ЖЗ, код от нее зеленый.
После перегорания желтой лампы точка гаситься, код как был зеленым, так и остается.
IGOR77 вне форума   Цитировать 0
Старый 20.06.2011, 00:50   #9 (ссылка)
V.I.P.
 
Аватар для Rafa

Регистрация: 24.10.2009
Адрес: МОЙДОДЫР
Сообщений: 5,650
Поблагодарил: 388 раз(а)
Поблагодарили 577 раз(а)
Фотоальбомы: не добавлял
IGOR77 а че тогда по Казакову при перегорании лампы желтого огня ( зеленый отключается само собой) БУ будет кодироватся кодом Ж что весьма соответствует безопасности.
Ведь впереди та желтый.

Rafa добавил 20.06.2011 в 00:50
.................................................. ..............

А в данном случае 7П кодируется Ж а 9П З при потухшем 7.
Интересно что подумает машинист, когда у него внезапно на локомотивном светофоре загорится желтый.
На потухший та светофор он реагировать не будет, особенно ночью. Сто % проедет закрытый светофор.
Ведь при четырехзначной очень интенсивное движение, да и скорость ни слабая.

Последний раз редактировалось Rafa; 20.06.2011 в 00:51. Причина: Добавлено сообщение
Rafa вне форума   Цитировать 1
Старый 20.06.2011, 01:27   #10 (ссылка)
Super V.I.P.
 
Аватар для IGOR77

Регистрация: 22.08.2009
Адрес: Ленинградская обл.
Возраст: 48
Сообщений: 948
Поблагодарил: 136 раз(а)
Поблагодарили 105 раз(а)
Фотоальбомы: не добавлял
Репутация: 81
Цитата:
IGOR77 а че тогда по Казакову при перегорании лампы желтого огня ( зеленый отключается само собой) БУ будет кодироватся кодом Ж что весьма соответствует безопасности.
Пардон, признаю - ошибся.
IGOR77 вне форума   Цитировать 0
Старый 20.06.2011, 06:06   #11 (ссылка)
Корифей СЦБ
 
Аватар для Александр

Регистрация: 25.02.2009
Адрес: Ленинград
Возраст: 49
Сообщений: 9,583
Поблагодарил: 1612 раз(а)
Поблагодарили 2346 раз(а)
Фотоальбомы: 1 фото
Репутация: 1386
Цитата:
Сообщение от Rafa
Тут взял проанализировал работу схемы и заметил что на СУ №7 ПРИ перегорании лампы желтого огня реле ЖО отпустит якорь и выключит зеленый огонь. Реле ЗО при этом отпустит якорь.
При этом через тыловые ЗО и ЖО подключается к реле Т контакт реле З КПТШ.
РЦ 9П будит кодироватся кодом З. А ведь на светофоре 5 горит желтый .......................
Всё нормально, примечание на стр.88 РУ-30-80
__________________
"Не думай. Думаешь - не говори. Думаешь и говоришь - не пиши. Думаешь, говоришь и пишешь - не подписывай. Думаешь, говоришь, пишешь и подписываешь - не удивляйся."
Ф.Э. Дзержинский.
Александр вне форума   Цитировать 2
Поблагодарили:
Данный пост получил благодарности от пользователей
Старый 20.06.2011, 08:39   #12 (ссылка)
Super V.I.P.
 
Аватар для СУНДЕТОВ

Регистрация: 22.11.2010
Сообщений: 1,834
Поблагодарил: 760 раз(а)
Поблагодарили 1349 раз(а)
Фотоальбомы: 20 фото
Репутация: 549
Цитата:
Сообщение от Shaddix Посмотреть сообщение
контакты реле ЖО ведь под током должны быть?
Контакы огневых разрешаюших,это зависить ,как в
цепи ЧДК включены,Т.е. контроль исправности ламп,
здесь контроля холодных нет. Откуда это схема,
даже нет 2-х нитевых хотя бы на красном,для исклю-
чения переноса красного(РКО).
СУНДЕТОВ вне форума   Цитировать 0
Старый 22.06.2011, 11:31   #13 (ссылка)
V.I.P.
 
Аватар для Rafa

Регистрация: 24.10.2009
Адрес: МОЙДОДЫР
Сообщений: 5,650
Поблагодарил: 388 раз(а)
Поблагодарили 577 раз(а)
Фотоальбомы: не добавлял
Возьмем к примеру четырехзначную АБТЦ.
В ней тоже при потухшей СУ БУ кодируется кодом Ж через тыловой 1О. 1О контролирует зеленый огонь.

.................................................. .......................






.................................................. .....................

Следовательно выше находящаяся схема

Rafa добавил 22.06.2011 в 11:31
РУ-30-80 прошлый век!!!!!!
Условия безопасности давно поменялись!!!

Последний раз редактировалось Rafa; 22.06.2011 в 11:31. Причина: Добавлено сообщение
Rafa вне форума   Цитировать 1
Старый 22.06.2011, 12:05   #14 (ссылка)
Корифей СЦБ
 
Аватар для Александр

Регистрация: 25.02.2009
Адрес: Ленинград
Возраст: 49
Сообщений: 9,583
Поблагодарил: 1612 раз(а)
Поблагодарили 2346 раз(а)
Фотоальбомы: 1 фото
Репутация: 1386
Цитата:
Сообщение от Rafa
РУ-30-80 прошлый век!!!!!!
Условия безопасности давно поменялись!!!
Так нет ничего свежее. Хоть и старая, зато ошибок нет.
МРЦ-13 и ЭЦ-9 тоже прошлый век, однако в сотню раз лучше свеженьких альбомов типа ЭЦ12-03.
__________________
"Не думай. Думаешь - не говори. Думаешь и говоришь - не пиши. Думаешь, говоришь и пишешь - не подписывай. Думаешь, говоришь, пишешь и подписываешь - не удивляйся."
Ф.Э. Дзержинский.
Александр вне форума   Цитировать 2
Старый 22.06.2011, 12:23   #15 (ссылка)
V.I.P.
 
Аватар для Rafa

Регистрация: 24.10.2009
Адрес: МОЙДОДЫР
Сообщений: 5,650
Поблагодарил: 388 раз(а)
Поблагодарили 577 раз(а)
Фотоальбомы: не добавлял
В РУ-30-80 говорится о переносе показания желтый и зеленый на позади стоящий светофор при потухшей СУ в случае перегорания желтого огня.
А так та БУ будет кодироваться кодом Ж.
Rafa вне форума   Цитировать 1
Похожие темы
Тема Автор Раздел Ответов Последнее сообщение
Ошибка в АБТЦ Rafa Общие вопросы эксплуатации устройств СЦБ 15 11.07.2011 11:03
Ошибка в МГ-48 Rafa Горочные системы 3 28.05.2011 08:38
Проектная ошибка ЭЦ-12-00 Rafa Общие вопросы эксплуатации устройств СЦБ 12 14.03.2011 08:10
Ошибка в УЭЦ-М Rafa Разговоры обо всем 0 18.09.2010 20:42
Ошибка в альбоме ЭЦ-12-84 Rafa Общие вопросы эксплуатации устройств СЦБ 1 06.07.2010 20:01

Ответить в этой теме   Перейти в раздел этой темы   Translate to English

Возможно вас заинтересует информация по следующим меткам (темам):
, , ,


Здесь присутствуют: 1 (пользователей: 0 , гостей: 1)
 

Ваши права в разделе
Вы не можете создавать новые темы
Вы не можете отвечать в темах
Вы не можете прикреплять вложения
Вы не можете редактировать свои сообщения

BB коды Вкл.
Смайлы Вкл.
[IMG] код Вкл.
HTML код Выкл.
Trackbacks are Вкл.
Pingbacks are Вкл.
Refbacks are Выкл.



Часовой пояс GMT +3, время: 05:49.

Яндекс.Метрика Справочник 
сцбист.ру сцбист.рф

СЦБИСТ (ранее назывался: Форум СЦБистов - Railway Automation Forum) - крупнейший сайт работников локомотивного хозяйства, движенцев, эсцебистов, путейцев, контактников, вагонников, связистов, проводников, работников ЦФТО, ИВЦ железных дорог, дистанций погрузочно-разгрузочных работ и других железнодорожников.
Связь с администрацией сайта: admin@scbist.com
1 2 3 4 5 6 7 8 9 10 11 12 13 14 15 16 17 18 19 20 21 22 23 24 25 26 27 28 29 30 31 32 33 34 
Powered by vBulletin® Version 3.8.1
Copyright ©2000 - 2026, Jelsoft Enterprises Ltd.
Powered by NuWiki v1.3 RC1 Copyright ©2006-2007, NuHit, LLC Перевод: zCarot