СЦБИСТ - железнодорожный форум, блоги, фотогалерея, социальная сеть
Вернуться   СЦБИСТ - железнодорожный форум, блоги, фотогалерея, социальная сеть > Уголок СЦБИСТа > Книги и журналы > xx3
Закладки ДневникиПоддержка Сообщество Комментарии к фото Сообщения за день
Ответить в этой теме   Перейти в раздел этой темы   Translate to English    
 
Translate to English В мои закладки Подписка на тему по электронной почте Отправить другу по электронной почте Опции темы Поиск в этой теме
Старый 04.06.2011, 09:16   #1 (ссылка)
Crow indian
 
Аватар для Admin

Регистрация: 21.02.2009
Возраст: 40
Сообщений: 29,998
Поблагодарил: 398 раз(а)
Поблагодарили 5988 раз(а)
Фотоальбомы: 2576 фото
Записей в дневнике: 698
Репутация: 126089

Тема: Светодиодные светооптические системы для удаленных светофоров


Светодиодные светооптические системы для удаленных светофоров


Ю.Ю. ПУСВАЦЕТ, заведующий лабораторией УО ОАО «ВНИИЖТ»
Н.Ю. ШИРОКОВ, инженер

В настоящее время практически все проблемы включения светодиодных светооптических систем (ССС) в схемы автоблокировки с малым удалением светофоров от шкафов управления решены. В этой публикации рассмотрены вопросы создания таких систем для централизованного управления, с которыми рано или поздно придется столкнуться разработчикам.

Для начала определим, какой в идеале должна быть светодиодная система. Конечно, хотелось бы сделать некий светоизлучатель, который просто заменил бы лампу накаливания в линзовых комплектах, или светодиодный модуль взамен всего линзового комплекта. Хорошо было бы оставить уже существующие схемы включения и контроля светофора, а также кабельную линию связи. Желательно, чтобы эта система стоила недорого, была энергосберегающей, практически не обслуживаемой, надежно и безопасно работала на максимальном удалении светофора от источника питания.

В принципе создать излучатель света на светодиодах - задача элементарная Но все проблемы начинаются, когда между излучателем и источником его питания появляется кабельная линия связи. Многие разработчики, пользуясь данными справочников по кабельной продукции, не учитывают реальную ситуацию с электрическими параметрами кабелей При расчетах за исходную межжильную емкость кабелей СБзПУ нужно брать величину 0,3 мкФ/км, рекомендованную ГТСС и Испытательным центром ИЦ ЖАТ. Она обусловлена тем, что в процессе эксплуатации кабели СЦБ теряют свои свойства по ряду причин (обрывы при ремонтных работах и строительстве, неправильная укладка, несанкционированные воздействия и др.).

С учетом этих факторов можно сформулировать основную задачу создания ССС для железнодорожных светофоров она должна устойчиво, надежно и безопасно работать на максимальном (9... 12 км) удалении от поста управления Для этого необходимо решить проблемы подсветки светодиодов с целью исключения появления более разрешающих показаний, а также обеспечения контроля обрыва и короткого замыкания в линии и схеме светодиодной светооптической системы.

В трехжильном кабеле жилы на всем протяжении кабеля плотно прилегают друг к другу (рис. 1). Его эквивалентная электрическая схема достаточно проста (рис. 2) Сопротивление погонного километра каждой из трех жил (Ri-1=R2-1= =R3-1= ... R3-n) для расчетов можно принять равным 29 Ом, а величину межжильной емкости (Cl-12=Cl-13=Cl-23= ... Сп-23) -0,15 мкФ/км.


Однако при увеличении жильности кабеля (рис. 3) невозможно точно предугадать, каково будет взаимное расположение жил потенциальной подпитки и питания светодиодного модуля, а, следовательно, каких значении могут достигать межжильные емкости При этом по мере старения кабеля значение его внутренних емкостей будет возрастать, а сопротивление изоляции снижаться. Согласно требованиям безопасности, светодиодная система должна быть устойчива к наихудшим условиям эксплуатации, когда величина межжильной емкости достигнет 0,3 мкФ/км.

В Уральском отделении ВНИИЖТа разработан макет кабельной линии связи (рис. 4) для испытания модулей ССС на устойчивость к наведенным электромагнитным помехам. В схеме макета (рис. 5) реализовано максимально опасное с точки зрения вероятности подсвечивания сочетание жил. В качестве межжильнои емкости Хс применяется стандартный конденсатор номиналом 0,33 мкФ. Так как самым опасным является равномерная подпитка по всей длине, собственные сопротивления жил кабеля подпитки Якп нужно принять равными нулю (рис 6).


В случае максимально опасного сочетания жил в кабеле напряжение подпитки ПХп/ОХп будет прикладываться к модулю или первичной обмотке понижающего трансформатора через межжильные емкостные сопротивления кабеля Хс (рис. 7). Первичная обмотка понижающего трансформатора СТ-4 оказывается включенной последовательно в цепь, состоящую из активной Rk и емкостной Хс составляющих сопротивления жил подпитки. Последняя из них с увеличением расстояния уменьшается, что приводит к увеличению тока в первичной цепи СТ-4, который работает в данном случае как трансформатор тока.


Специалисты УО ОАО «ВНИИЖТ» провели измерения тока в цепи вторичной обмотки СТ-4, замкнутой на резистор Rh номиналом 12 Ом, лампу накаливания XL (12 В, 15 Вт) и светодиодную матрицу, рассчитанную на напряжение питания 12 В (рис. 8) при имитации различных удалений СТ-4 от поста ЭЦ В светодиодной матрице применены сверхъяркие светодиоды Luxeon, рабочий ток которых может достигать 350 мА Результаты измерении приведены в таблице. В ней через дробь указаны величины тока при подключении межжильной емкости - А1 смж и А2 смж.

Анализ результатов показывает, что емкость Смж между жилами подключения СТ-4 (Л2, ЛЗ) несколько повышает защиту нагрузки от напряжения подпитки (снижает ток во вторичной цепи СТ-4). Однако рассчитывать на этот положительный фактор не стоит, поскольку совсем не обязательно, что жилы в кабеле будут располагаться так удачно. Более того, в случае, когда прямой и обратный провода находятся в разных кабелях, Смж исчезает физически и, следовательно, не должна учитываться.


При подключении в качестве нагрузки вторичной обмотки СТ-4 лампы 15 Вт ее подсвечивание начнется на расстоянии приблизительно 3,5 км от источника питания при токе порядка 700 мА. Несмотря на то что подсветкой еле горящую нить лампы назвать трудно, мы должны рассуждать только с позиции «да» или «нет» - есть реакция лампы на подпитку или нет. Промежуточные рассуждения неприемлемы и скорее всего не будут восприняты экспертизой на безопасность.

Казалось бы, при токе 700 мА лампа должна хорошо светиться, но для этого нужна мощность, которой при напряжении не более 1 В (Р=1М=1 В 0,7А-0,7Вт) явно недостаточно. Этим и хороши лампы накаливания - они представляют собой некий пороговый элемент. Однако включение лампы ограничено удалением от поста ЭЦ на 3 5-4 км, при увеличении которого необходимо применять дополнительные меры по защите от подсветки.


В полном соответствии с измерениями светодиодная матрица начинает весьма ярко светиться на удалении 0,5 км (имитировать меньшее удаление не позволили характеристики макета). Светодиод является токовым прибором и для его свечения не столь важен уровень приложенного напряжения -главное, что в его цепи протекает ток. Свечение начинается с уровня порядка единиц миллиампер, а из таблицы видно, что ток, протекающий во вторичной цепи СТ-4, гораздо выше - десятки и сотни миллиампер.

Очевидно, что светодиоды необходимо включать через некии пороговый элемент, который, в свою очередь, должен «различать» дневной и ночной режимы работы и отвечать требованиям безопасности.

Для контроля ламповых светофоров применяются огневые реле, включенные последовательно с обмоткой (первичной или вторичной) понижающего трансформатора При обрыве нити лампы или проводов, подводящих питание к ней, размыкается цепь реле и оно выключается Для контроля короткого замыкания в линии последовательно с реле включают плавкую вставку (предохранитель), которая перегорает при увеличении тока выше нормируемой величины.

Из таблицы видно, что токи подпитки первичной цепи соизмеримы с рабочими токами огневых реле и в ряде случаев возможны отказы, при которых сигнал погашен, но огневое реле находится под током Это опасный отказ для двузначных показаний светофоров - при обрыве провода одного из сигналов огневое реле останется под током подпитки (рис. 9). Информация об отказе на пульте дежурных по станции никак не отразится, а на светофоре вместо, к примеру, двух желтых будет гореть только один. В результате возникает опасный отказ - появление неконтролируемого более разрешающего показания светофора.

Испытания ССС в УО ВНИИЖТ проводились с имитацией подпитки через межжильные емкости кабеля Но в испытательном центре в обязательном порядке проверят ситуацию с однополюсным сообщением (замыканием) жил, например Л1 и Л2 (см. рисунки). В этом случае один из полюсов источника подпитки подключается к жиле питания светодиодной системы напрямую, что значительно повышает уровень наведенной электромагнитной помехи. Очевидно, что разработчики должны учитывать этот вопрос и находить пути его решения.


На этом проблемы с удаленным включением ССС не заканчиваются Не исключена вероятность нахождения огневого реле под током при фактически не горящем огне светофора в случае короткого замыкания на приемном конце кабеля возле светофора. При большом удалении ток короткого замыкания может не достигнуть величины срабатывания плавкой вставки. Следует учесть и вероятность ошибки в расчете ее номинала, который может оказаться завышенным.

Например, при удалении на 5 км ток короткого замыкания первичной цепи СТ-4 при идеальных условиях (рис. 10, красный цвет) будет равен:

l=U/Rn=220/(Rop+RK)=220/330=0,66 А,

где Ип - активное сопротивление линии;

Rop=40 Ом - сопротивление обмотки огневого реле,

Rk=29 5 2=290 Ом - сопротивление кабельного шлейфа длиной 5 км.

При токе 0,66 А гарантированного перегорания предохранителя 0,3 А не произойдет и огневое реле вполне может остаться под током перегрузки К тому же в действительности сопротивление его обмотки переменному току несколько выше за счет индуктивной составляющей, следовательно, реальный ток короткого замыкания будет еще ниже.

При коротком замыкании во вторичной цепи СТ-4 (рис. 10, синий цвет) измеренный ток в первичной цепи при нулевом удалении от поста управления составляет всего 0,5А, поскольку ограничивается сопротивлением обмотки огневого реле. В случае дальнейшего увеличения сопротивления кабельного шлейфа, а также в ночном режиме работы светофора для обоих видов КЗ ситуация резко ухудшается
В связи с этим разработчикам необходимо параллельно решать задачу контроля короткого замыкания в кабеле или схеме удаленного светодиодного модуля, поскольку в данном случае полагаться только на предохранитель нельзя При решении задачи контроля короткого замыкания в релейных схемах на посту ЭЦ нужно иметь некие устройства, обеспечивающие этот контроль с выполнением требований безопасности.


Напрашивается вывод, что простая замена лампы 12 В на светодиодную светооптическую систему не обеспечит нам необходимого уровня безопасности, поскольку в существующей схеме нельзя будет исключить опасные отказы.

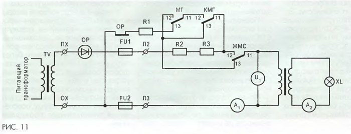
Кроме того, есть еще и задача обеспечения мигающего режима Как он реализован в светофорах с лампами накаливания? В первый момент, когда контакт реле мигания МГ замкнут, лампа включена в нормальном режиме, затем он размыкается и последовательно первичной обмотке трансформатора подключается резистор, благодаря которому напряжение на лампе снижается и она перестает светить. При этом ток удержания огневого реле протекает либо через цепь самоблокировки (рис 11), либо через его высокоомную обмотку и не горящую нить лампы (рис. 12)

При подключении вместо линзового комплекта светодиодной системы по этой схеме мигающий режим обеспечиваться не будет. Поскольку для свечения светодиодов хватает и небольшого тока, то в момент, когда реле МГ выключается, необходимо размыкать цепь диодов, сохраняя цепь огневого реле. А это означает, что схема включения требует изменений.

Задачу сохранения действующих схем управления и контроля светофоров усложняет еще и тот факт, что на железных дорогах России применяются электрические централизации и автоблокировка разных типов, в которых проблемы безопасности решаются разными способами, поэтому и возникает трудность создания универсальных светодиодных светооптических систем.

При современном уровне развития светодиодной техники не сложно создать ССС, отвечающие требованиям к напольным устройствам железнодорожной автоматики по силе света и координатам цветности в диапазоне температур от-60 до +60 (85)°С. Вопрос заключается только в их стоимости. Естественным является желание заказчика (ОАО «РЖД») получить недорогую систему, но надо объективно подходить к этому вопросу. Современная российская электронная промышленность пока не может делать нужные светодиоды и изготовителям приходится покупать или готовый продукт (светодиоды), или сырье (кристаллы) за рубежом. Поэтому стоимость светодиодных систем в целом зависит от внешней конъюнктуры.
Но если не удается сэкономить на стоимости светодиодной системы, возможно снижение энергопотребления даст желаемый эффект от ее применения?

Рассмотрим схему включения лампы 12 В. В номинальном режиме она потребляет 15 Вт (25 Вт), при этом через нее протекает ток порядка 1,25 А Контролируется лампа огневым реле, притягивающим свой якорь при токе 0,7 или 0,06 А в случае включения во вторичную или первичную обмотки трансформатора соответственно.

Светодиоды могут обеспечивать светотехнические характеристики ССС при малых токах. Но если теоретически и существует вероятность достижения небольшой экономии электроэнергии от применения светодиодных систем, то сделать это можно только при снижении величины тока до значении ниже пороговых для работы огневых реле. Однако этого делать нельзя - в схемах контроля должен протекать ток величиной выше пороговых уровней минимум на 30 %.

Напрашивается очередной вывод - для получения экономии электроэнергии надо уменьшать ток или напряжение для светодиодных светооптических систем, что противоречит стремлению оставить схему включения неизменной

Поскольку условия эксплуатации систем ЖАТ, в том числе и с ССС, далеки от идеальных, то светодиодные светооптические системы должны как можно меньше создавать проблем электромеханикам. Рассмотрим целесообразность размещения в них «интеллектуальной» электроники.

Из-за большого количества элементов внутренней схемы «интеллектуальной» системы ее надежность не может быть высокой,

к тому же в реальной эксплуатации она будет подвержена воздействию грозовых разрядов и электромагнитных помех А это опять-таки с большой степенью вероятности приведет к дополнительным эксплуатационным расходам.


Кроме того, при малейшем сбое «интеллектуальной» микроэлектроники согласно требованиям безопасности он должен «уйти» в защитный отказ и обеспечить более запрещающее показание светофора, что приведет к сбою в движении поездов и потребует участия обслуживающего персонала.

В связи с этим «интеллектуальные» блоки лучше размещать на посту ЭЦ, где их проще диагностировать и заменять в случае неисправности. Но здесь камнем преткновения станет нехватка места на стативах для размещения аппаратных средств.

Подводя итог, следует отметить, что замена лампы на светодиодную светооптическую систему в любом случае приведет к изменению существующих схем управления и контроля светофора в релейной автоматике Существующая схема включения не обеспечит необходимого уровня безопасности на больших расстояниях. В схеме управления и контроля должны быть реализованы новые технические решения

При сохранении прежней релейной схемы контроля невозможно получить существенную экономию электроэнергии за счет применения светодиодов Поскольку светодиоды имеют достаточно высокую стоимость, а экономия электроэнергии незначительна, технико-экономический эффект от внедрения ССС проявляется в сокращении эксплуатационных расходов и повышении уровня безопасности движения поездов.

Главный вывод, который авторы хотели бы сделать, очевиден - просто заменить лампу на совокупность светодиодов невозможно При решении задач безопасности разработчикам необходимо будет либо менять схемы работы светофоров, создавая дополнительные устройства управления, либо создавать дорогую многоэлементную или «интеллектуальную» светодиодную светооптическую систему, обеспечивая минимальные переделки схем.
Admin вне форума   Цитировать 12
Поблагодарили:
Данный пост получил благодарности от пользователей
Старый 09.09.2015, 08:15   #2 (ссылка)
Робот
 
Аватар для СЦБот

Регистрация: 05.05.2009
Сообщений: 2,483
Поблагодарил: 0 раз(а)
Поблагодарили 82 раз(а)
Фотоальбомы: не добавлял
Репутация: 0

Тема: Тема перенесена


Эта тема была перенесена из раздела Журнал "Автоматика, связь, информатика".

Перенес: Admin
СЦБот вне форума   Цитировать 0
Похожие темы
Тема Автор Раздел Ответов Последнее сообщение
[Статья] Замена действующих светофоров с лампами накаливания на светофоры со светодиодными светооптическими системами (ССС) Admin Статьи по СЦБ 7 15.05.2023 18:42
=Техн. решения= Системы светодиодные светооптческие мачтовых светофоров НКМР.676636.030-00-ТР savage Системы централизации и блокировки 5 05.10.2012 13:22
=Книги= Схемы задания, замыкания, размыкания и отмены маршрутов на станции с электрической централизацией стрелок и светофоров системы БМРЦ Admin Книги и журналы 5 08.03.2012 12:36
[Статья] Технологические карты проверки зависимостей горочных устройств: проверка светофоров и замыкания стрелок Толян Статьи по СЦБ 0 22.07.2010 09:14
=Методичка= А. Д. Манаков - Телемеханические системы управления движением поездов СЦБист Дипломы, курсовые, лекции, рефераты по СЦБ 0 14.08.2009 08:16

Ответить в этой теме   Перейти в раздел этой темы   Translate to English

Возможно вас заинтересует информация по следующим меткам (темам):
, , , , , , ,


Здесь присутствуют: 1 (пользователей: 0 , гостей: 1)
 

Ваши права в разделе
Вы не можете создавать новые темы
Вы не можете отвечать в темах
Вы не можете прикреплять вложения
Вы можете редактировать свои сообщения

BB коды Вкл.
Смайлы Вкл.
[IMG] код Вкл.
HTML код Выкл.
Trackbacks are Вкл.
Pingbacks are Вкл.
Refbacks are Выкл.



Часовой пояс GMT +3, время: 19:06.

Яндекс.Метрика Справочник 
сцбист.ру сцбист.рф

СЦБИСТ (ранее назывался: Форум СЦБистов - Railway Automation Forum) - крупнейший сайт работников локомотивного хозяйства, движенцев, эсцебистов, путейцев, контактников, вагонников, связистов, проводников, работников ЦФТО, ИВЦ железных дорог, дистанций погрузочно-разгрузочных работ и других железнодорожников.
Связь с администрацией сайта: admin@scbist.com
1 2 3 4 5 6 7 8 9 10 11 12 13 14 15 16 17 18 19 20 21 22 23 24 25 26 27 28 29 30 31 32 33 34 
Powered by vBulletin® Version 3.8.1
Copyright ©2000 - 2026, Jelsoft Enterprises Ltd.
Powered by NuWiki v1.3 RC1 Copyright ©2006-2007, NuHit, LLC Перевод: zCarot