СЦБИСТ - железнодорожный форум, блоги, фотогалерея, социальная сеть
Ушел из жизни Крупицкий Адольф Зельманович
6 февраля 2026 года ушел из жизни Крупицкий Адольф Зельманович, более шести десятков лет проработавший в институте «Гипротранссигналсвязь». Всю свою трудовую деятельность А.З. Крупицкий посвятил проектному делу. После окончанию обучения в Ленинградском институте инженеров железнодорожного транспорта в 1959 году начал свою профессиональную деятельность в качестве старшего электромеханика дистанции сигнализации и связи на Казахской железной дороге. В 1960 году пришел на работу в институт на должность инженера, работал руководителем группы, главным инженером проектов.

Читать далее
Вернуться   СЦБИСТ - железнодорожный форум, блоги, фотогалерея, социальная сеть > Уголок СЦБИСТа > Книги и журналы > xx2
Закладки ДневникиПоддержка Сообщество Комментарии к фото Сообщения за день
Ответить в этой теме   Перейти в раздел этой темы    
 
В мои закладки Подписка на тему по электронной почте Отправить другу по электронной почте Опции темы Поиск в этой теме
Старый 03.06.2015, 12:27   #1 (ссылка)
Кандидат в V.I.P.
 
Аватар для poster777

Регистрация: 19.05.2015
Сообщений: 48
Поблагодарил: 0 раз(а)
Поблагодарили 1 раз(а)
Фотоальбомы: не добавлял
Репутация: 0

Тема: 01-2005 Как найти ветвь со сквозным пробоем в статистическом преобразователе


Как найти ветвь со сквозным пробоем в статистическом преобразователе
Силовые полупроводниковые пре­образователи (СП) применяются на железнодорожном транспорте с 70-х годов прошлого века. Чтобы обеспечить их надежность и безо­пасность, следует постоянно контро­лировать работоспособность сило­вых полупроводниковых приборов, выявлять потенциально ненадежные приборы, а также определять оста­точный ресурс и причины отказа преобразователей.
Надежность работы СП во многом определяется качеством диагности­ки. На практике часто бывает так, что все оборудование депо для ди­агностики СП состоит из мегаом­метра и различных модификаций высоковольтных тестеров. Это су­щественно сокращает возможности поиска повреждений и увеличивает трудозатраты.
Специалисты кафедры «Теоре­тические основы электротехники» Петербургского государственного университета путей сообщения (ПГУПС) разработали ряд уст­ройств безразборной диагностики СП с резисторами связи (см. «Ло­комотив» № 7, 2002 г.). Однако в преобразователях без резисторов связи (например, на электровозах ВЛ80С, ВЛ80К) также встречаются неисправности, для обнаружения которых требуется специальная аппаратура.
Известно устройство для провер­ки силовых диодов и тиристоров при коротком замыкании в плече СП (рис. 1).
Одним из его суще­ственных недостатков является не­обходимость частичного демонтажа СП при определении сквозного ко­роткого замыкания в одной из не­скольких ветвей с последователь­ным соединением диодов.
Действительно, пусть, например, пробиты диоды VD3 и VD4. При подключении прибор покажет нали­чие сквозного пробоя, но какая именно ветвь пробита — неизвест­но. Проверка отдельных диодов тоже ничего не даст. Подключив «плюс» прибора к катоду, а «минус» к аноду исправного диода VD1, вновь обнаружим пробой, так как ток замкнется по цепи: пробитые диоды VD3, VD4, исправный диод VD2 (в прямом направлении). При подсоединениях прибора к другим исправным диодам ситуация будет повторяться.
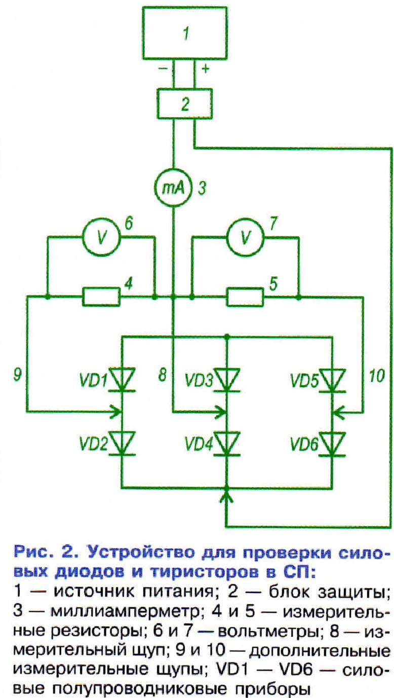
Чтобы избавиться от этого недо­статка, предлагаем использовать ус­тройство, блок-схема которого при­ведена на рис. 2.
Оно работает следующим образом. Для определения ветви с короткозамкнутыми после­довательно включенными силовыми приборами выход блока защиты 2 подключают к катодной группе СП, а измерительные щупы 8 — 10 после­довательно соединяют с анодами испытуемых приборов катодной группы преобразователя.
Сопротивление измерительных резисторов 4 и 5 выбирается из со­отношения
R * Iист. пит. s Uтo,
где R = R4 = R5 — сопротивление измерительных резисторов 4 и 5, Ом;
Iист. пит-ток источника питания, мА;
Uто — пороговое напряжение ис­пытуемых силовых полупроводнико­вых приборов, В.
Если при этом, например, про­изошло короткое замыкание в вет­ви VD1—VD2, то ток будет проте­кать от положительного вывода ис­точника питания 1 через блок за­щиты 2, пробитый полупроводнико­вый прибор VD2, измерительный щуп 9, измерительный резистор 4 и миллиамперметр 3. Последний за­фиксирует ток в цепи, а вольтметр
6 — напряжение на измерительном резисторе 4. Через диоды VD3 и VD5 в прямом направлении ток протекать не будет, так как выпол­няется приведенное неравенство. На вольтметре 7 будут показания, близкие к нулю.
При коротком замыкании VD3— VD4 ток будет протекать по конту­ру: от источника питания 1 через блок защиты 2, полупроводниковый прибор VD4, измерительный щуп 8, миллиамперметр 3. Последний вновь зафиксирует ток в цепи. Од­нако при этом на вольтметрах 6 и 7 будут показания, близкие к нулю. Если в полупроводниковом преоб­разователе силовые приборы не пробиты, то показания всех изме­рительных приборов будут стре­миться к нулю.
Данное устройство прошло ма­кетные и схемотехнические испыта­ния и способно обеспечить диагностику без демонтажа СП при корот­ком замыкании одной из ветвей.
Канд. техн. наук С.М. КУРМАШЕВ,
инж. Е.Б. ЗАЗЫБИНА
ПГУПС
poster777 вне форума   Цитировать 0
Старый 30.08.2015, 09:47   #2 (ссылка)
Робот
 
Аватар для СЦБот

Регистрация: 05.05.2009
Сообщений: 2,482
Поблагодарил: 0 раз(а)
Поблагодарили 82 раз(а)
Фотоальбомы: не добавлял
Репутация: 0

Тема: Тема перенесена


Эта тема была перенесена из раздела Журнал "Локомотив".

Перенес: Admin
СЦБот вне форума   Цитировать 0
Похожие темы
Тема Автор Раздел Ответов Последнее сообщение
Помогите найти тех. регламент РД 32 ЦТ 511-2005 и ... Vassa Поиск документации 1 19.12.2013 08:39
=Распоряжение= № 1944р от 2 декабря 2005 г. - Об утверждении внутренней формы статистической отчетности КО-4 (ОАО "РЖД") Admin 2005-2008 годы 0 20.03.2013 17:25
Кайдаловская ветвь Admin Wiki 0 06.02.2013 16:38
Часовинская ветвь Admin Wiki 0 05.02.2013 17:16
=Распоряжение= № 1736р от 31 августа 2012 г. - Об утверждении Основных положений о статистическом учете причин невыполнения графика движения поездов Admin 2012 год 1 12.09.2012 16:24

Ответить в этой теме   Перейти в раздел этой темы   Translate to English

Возможно вас заинтересует информация по следующим меткам (темам):
, ,


Здесь присутствуют: 1 (пользователей: 0 , гостей: 1)
 

Ваши права в разделе
Вы не можете создавать новые темы
Вы не можете отвечать в темах
Вы не можете прикреплять вложения
Вы можете редактировать свои сообщения

BB коды Вкл.
Смайлы Вкл.
[IMG] код Вкл.
HTML код Выкл.
Trackbacks are Вкл.
Pingbacks are Вкл.
Refbacks are Выкл.



Часовой пояс GMT +3, время: 11:36.

Яндекс.Метрика Справочник 
сцбист.ру сцбист.рф

СЦБИСТ (ранее назывался: Форум СЦБистов - Railway Automation Forum) - крупнейший сайт работников локомотивного хозяйства, движенцев, эсцебистов, путейцев, контактников, вагонников, связистов, проводников, работников ЦФТО, ИВЦ железных дорог, дистанций погрузочно-разгрузочных работ и других железнодорожников.
Связь с администрацией сайта: admin@scbist.com
1 2 3 4 5 6 7 8 9 10 11 12 13 14 15 16 17 18 19 20 21 22 23 24 25 26 27 28 29 30 31 32 33 34 
Powered by vBulletin® Version 3.8.1
Copyright ©2000 - 2026, Jelsoft Enterprises Ltd.
Powered by NuWiki v1.3 RC1 Copyright ©2006-2007, NuHit, LLC Перевод: zCarot